Se ho visto bene, anche sul PIC16F690 il pin che corrisponde a T1G è negato:
https://ww1.microchip.com/downloads/en/ ... 41262A.pdf
Misuratore di ESR
Moderatore:
brabus
0
voti
[212] Re: Misuratore di ESR
Eccomi qui. Ecco qualche commento sul circuito:
- Per quanto riguarda il regolatore, vogliamo usare un regolatore lineare o switching? Pensi sia opportuno adottare un AD1509-50 (o simile). Il rumore sulla parte analogica non dovrebbe causare troppi problemi:
http://www.farnell.com/datasheets/608784.pdf
EDIT: forse meglio continuare con un lineare. Nel qual caso, usa i valori dei condensatori specificati dal datasheet, sopratutto se scegli un LDO.
- Penso tu possa eliminare D1, serviva per non alimentare tutto il circuito quando il PIC è programmato, ma non va usato in quel caso, soprattutto se la Vref dell'ADC è ottenuta dalla tensione di alimentazione
- Non ho nessuna preferenza per il potenziometro R5. Mettilo come meglio credi.
- Occhio ai collegamenti con i display. Se non vado errato, sono i bit di peso più alto (D4-D7) che vanno collegati al processore, mentre quelli di peso più basso vanno a massa. E' il contrario di quello che hai disegnato tu. Già che ci sei, sarebbe possibile mettere tutti i piedini dell'LCD sulla porta B? Non cambia molto, ma così posso usare codice che ho già scritto. Se invece sono un problema per lo sbroglio, lascia pure RS, R/W ed E sulla porta C, non è un problema.
- Tieni il connettore ICSP più vicino al bordo della piastra, il PICkit2 ha un certo spessore ed ad occhio non passerebbe tra il connettore e la piastra sotto di esso (perlomeno con i connettori ad angolo di cui ho esperienza).
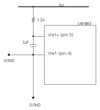
- Se interpreto bene il datasheet del PIC16F883, pagina 99, si può usare l'ADC con riferimento esterno tramite i piedini 5 e 4. In quel caso, sarebbe opportuno farlo in questo modo:
In altre parole, i riferimenti a 0V per la parte digitale ed analogica del circuito si incontrano su Vref-. Bisognerà spostare l'encoder, per esempio sulla porta C.
- Come verrebbe montato il tutto? Riesci a fare uno schemino con i due circuiti (parte analogica e digitale) uno sull'altro?
- Per quanto riguarda il regolatore, vogliamo usare un regolatore lineare o switching? Pensi sia opportuno adottare un AD1509-50 (o simile). Il rumore sulla parte analogica non dovrebbe causare troppi problemi:
http://www.farnell.com/datasheets/608784.pdf
EDIT: forse meglio continuare con un lineare. Nel qual caso, usa i valori dei condensatori specificati dal datasheet, sopratutto se scegli un LDO.
- Penso tu possa eliminare D1, serviva per non alimentare tutto il circuito quando il PIC è programmato, ma non va usato in quel caso, soprattutto se la Vref dell'ADC è ottenuta dalla tensione di alimentazione
- Non ho nessuna preferenza per il potenziometro R5. Mettilo come meglio credi.
- Occhio ai collegamenti con i display. Se non vado errato, sono i bit di peso più alto (D4-D7) che vanno collegati al processore, mentre quelli di peso più basso vanno a massa. E' il contrario di quello che hai disegnato tu. Già che ci sei, sarebbe possibile mettere tutti i piedini dell'LCD sulla porta B? Non cambia molto, ma così posso usare codice che ho già scritto. Se invece sono un problema per lo sbroglio, lascia pure RS, R/W ed E sulla porta C, non è un problema.
- Tieni il connettore ICSP più vicino al bordo della piastra, il PICkit2 ha un certo spessore ed ad occhio non passerebbe tra il connettore e la piastra sotto di esso (perlomeno con i connettori ad angolo di cui ho esperienza).
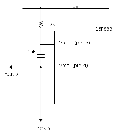
- Se interpreto bene il datasheet del PIC16F883, pagina 99, si può usare l'ADC con riferimento esterno tramite i piedini 5 e 4. In quel caso, sarebbe opportuno farlo in questo modo:
In altre parole, i riferimenti a 0V per la parte digitale ed analogica del circuito si incontrano su Vref-. Bisognerà spostare l'encoder, per esempio sulla porta C.
- Come verrebbe montato il tutto? Riesci a fare uno schemino con i due circuiti (parte analogica e digitale) uno sull'altro?
Follow me on Mastodon: @davbucci@mastodon.sdf.org
-

DarwinNE
31,0k 7 11 13 - G.Master EY

- Messaggi: 4420
- Iscritto il: 18 apr 2010, 9:32
- Località: Grenoble - France
0
voti
[213] Re: Misuratore di ESR
Per il regolatore non credo valga la pena di metterci uno switching, dopo tutto la corrente richiesta dal circuito non e' eccessiva, ed anche un lineare va bene, poi partiamo dai 9V della batteria per arrivare ai 5, con un 1117 possiamo sfruttarla fino ai 6.5V, ed a quel punto gli si fa segnalare low battery (ma a questo proposito sarebbe meglio collegare RA1 con un partitore prima del lineare, altrimenti come la si legge la tensione della batteria ?
)
Per il riferimento, non credo serva l'esterno a meno che tu non ci voglia mettere un riferimento di tensione diverso dal VCC, o almeno e' come la interpreto io, pero' non sono un programmatore, ho solo visto che viene menzionato nel block diagram di pagina 96 la possibilita' di avere i vref collegati internamente a massa e VDD (con VRSS ad 1) oppure a due pin esterni (con VRSS a 0), pero' a livello hardware io lo trovo logico solo se si volesse usare un riferimento esterno di precisione, altrimenti mi sembra non abbia molto senso scollegarli internamente da massa e VDD solo per ricollegarceli all'esterno ... o sbaglio ?
Connettore dell'ICSP spostato un po, se non basta provo a metterlo a filo, D1 eliminato.
Connessioni del display corrette (ragione avesti, mio errore di sbaglio fu
) e scambiate le linee di pilotaggio con quelle della stessa porta di quelle dati (ho spostato sulle altre le linee di comando degli interruttori della parte analogica)
Le due schedine andrebbero montate una sull'altra, entrambe con i componenti all'esterno (quella dietro con i componenti rivolti all'indietro, in modo da poter fare prove e misure durante i test senza doverla smontare ogni volta che ci devi mettere le mani)
Per il riferimento, non credo serva l'esterno a meno che tu non ci voglia mettere un riferimento di tensione diverso dal VCC, o almeno e' come la interpreto io, pero' non sono un programmatore, ho solo visto che viene menzionato nel block diagram di pagina 96 la possibilita' di avere i vref collegati internamente a massa e VDD (con VRSS ad 1) oppure a due pin esterni (con VRSS a 0), pero' a livello hardware io lo trovo logico solo se si volesse usare un riferimento esterno di precisione, altrimenti mi sembra non abbia molto senso scollegarli internamente da massa e VDD solo per ricollegarceli all'esterno ... o sbaglio ?
Connettore dell'ICSP spostato un po, se non basta provo a metterlo a filo, D1 eliminato.
Connessioni del display corrette (ragione avesti, mio errore di sbaglio fu
Le due schedine andrebbero montate una sull'altra, entrambe con i componenti all'esterno (quella dietro con i componenti rivolti all'indietro, in modo da poter fare prove e misure durante i test senza doverla smontare ogni volta che ci devi mettere le mani)
"Sopravvivere" e' attualmente l'unico lusso che la maggior parte dei Cittadini italiani,
sia pure a costo di enormi sacrifici, riesce ancora a permettersi.
sia pure a costo di enormi sacrifici, riesce ancora a permettersi.
-

Etemenanki
9.527 3 6 10 - Master

- Messaggi: 5950
- Iscritto il: 2 apr 2021, 23:42
- Località: Dalle parti di un grande lago ... :)
0
voti
[214] Re: Misuratore di ESR
Ottima idea quella di collegare la batteria ad un ingresso ADC disponibile tramite un partitore di tensione per controllarne la carica!
No, non si riesce ad arrivare a 10 bit senza fare attenzione al riferimento. Non serve che sia preciso, serve che sia pochissimo rumoroso. Per quello ho messo un filtro. Non tutte le "masse" sono uguali, inoltre, meglio riunirle su Vref- come ti ho detto prima.
Per com'è fatta, la parte analogica ha pochi punti critici, ma uno è quello di dover fare letture di tensioni abbastanza piccole, bisogna fare attenzione alle masse ed ai riferimenti.
Quando hai modificato questo punto, puoi per cortesia mettere gli schemi dell'ultima versione della parte analogica e della versione della parte digitale con il PIC in un messaggio? Mi piacerebbe vedere il circuito in intero per vedere se il tutto quaglia.
Etemenanki ha scritto:Per il riferimento, non credo serva l'esterno a meno che tu non ci voglia mettere un riferimento di tensione diverso dal VCC, o almeno e' come la interpreto io, pero' non sono un programmatore, ho solo visto che viene menzionato nel block diagram di pagina 96 la possibilita' di avere i vref collegati internamente a massa e VDD (con VRSS ad 1) oppure a due pin esterni (con VRSS a 0), pero' a livello hardware io lo trovo logico solo se si volesse usare un riferimento esterno di precisione, altrimenti mi sembra non abbia molto senso scollegarli internamente da massa e VDD solo per ricollegarceli all'esterno ... o sbaglio ?![]()
No, non si riesce ad arrivare a 10 bit senza fare attenzione al riferimento. Non serve che sia preciso, serve che sia pochissimo rumoroso. Per quello ho messo un filtro. Non tutte le "masse" sono uguali, inoltre, meglio riunirle su Vref- come ti ho detto prima.
Per com'è fatta, la parte analogica ha pochi punti critici, ma uno è quello di dover fare letture di tensioni abbastanza piccole, bisogna fare attenzione alle masse ed ai riferimenti.
Quando hai modificato questo punto, puoi per cortesia mettere gli schemi dell'ultima versione della parte analogica e della versione della parte digitale con il PIC in un messaggio? Mi piacerebbe vedere il circuito in intero per vedere se il tutto quaglia.
Follow me on Mastodon: @davbucci@mastodon.sdf.org
-

DarwinNE
31,0k 7 11 13 - G.Master EY

- Messaggi: 4420
- Iscritto il: 18 apr 2010, 9:32
- Località: Grenoble - France
0
voti
[215] Re: Misuratore di ESR
Allora un riferimento esterno non serve ? ... perche' in caso si puo metterci un TL431B, avresti il riferimento a 2.5V (il che raddoppierebbe in pratica la risoluzione, rispetto a quello a 5V), ed e' piuttosto stabile ...
"Sopravvivere" e' attualmente l'unico lusso che la maggior parte dei Cittadini italiani,
sia pure a costo di enormi sacrifici, riesce ancora a permettersi.
sia pure a costo di enormi sacrifici, riesce ancora a permettersi.
-

Etemenanki
9.527 3 6 10 - Master

- Messaggi: 5950
- Iscritto il: 2 apr 2021, 23:42
- Località: Dalle parti di un grande lago ... :)
0
voti
[216] Re: Misuratore di ESR
Dimenticavo (non mi fa piu editare), si puo anche usare un led rosso come riferimento di tensione, polarizzandolo correttamente con circa 1mA, avresti una VREF di circa 1.6V, la sua VF e' piuttosto stabile, e la deriva termica tipica e' di circa 2mV per grado (e costa pure di meno
)
"Sopravvivere" e' attualmente l'unico lusso che la maggior parte dei Cittadini italiani,
sia pure a costo di enormi sacrifici, riesce ancora a permettersi.
sia pure a costo di enormi sacrifici, riesce ancora a permettersi.
-

Etemenanki
9.527 3 6 10 - Master

- Messaggi: 5950
- Iscritto il: 2 apr 2021, 23:42
- Località: Dalle parti di un grande lago ... :)
0
voti
[217] Re: Misuratore di ESR
Quello che hai scritto mi ha fatto pensare ad una possibile semplificazione del circuito. Avevo utilizzato l'amplificatore differenziale IC8 per poter sfruttare la dinamica del convertitore analogico digitale del PIC, non potendo fare altrimento.
Non ho mai usato il convertitore di un PIC in questo modo, ma se interpreto bene quello che è detto nel datasheet del 16F883, si potrebbe:
- collegare Vref- al riferimento a 2,5V della scheda analogica
- non montare del tutto l'amplificatore differenziale montato attorno ad IC8 e fare entrare la tensione all'uscita di IC2B direttamente sull'ingresso del convertitore ADC del PIC tramite un filtro RC (5,1kohm + 1µF). Basterebbe prevedere un jumper a saldare che permetta di saltare del tutto IC8.
- collegare Vref+ del PIC ad un ponte divisore di tensione con da una parte una resistenza da 10kohm verso 5V e dall'altra 4,7kohm verso 2,5V (più un condensatore diciamo da 1µF verso Vref-). Si otterrebbe così una dinamica del convertitore di 0,8V che dovrebbero andare bene tenendo conto quello che si ottiene filtrando l'uscita di IC2B. Il tutto in un circuito che è ancora più semplice.
Che ne pensi?
Non ho mai usato il convertitore di un PIC in questo modo, ma se interpreto bene quello che è detto nel datasheet del 16F883, si potrebbe:
- collegare Vref- al riferimento a 2,5V della scheda analogica
- non montare del tutto l'amplificatore differenziale montato attorno ad IC8 e fare entrare la tensione all'uscita di IC2B direttamente sull'ingresso del convertitore ADC del PIC tramite un filtro RC (5,1kohm + 1µF). Basterebbe prevedere un jumper a saldare che permetta di saltare del tutto IC8.
- collegare Vref+ del PIC ad un ponte divisore di tensione con da una parte una resistenza da 10kohm verso 5V e dall'altra 4,7kohm verso 2,5V (più un condensatore diciamo da 1µF verso Vref-). Si otterrebbe così una dinamica del convertitore di 0,8V che dovrebbero andare bene tenendo conto quello che si ottiene filtrando l'uscita di IC2B. Il tutto in un circuito che è ancora più semplice.
Che ne pensi?
Follow me on Mastodon: @davbucci@mastodon.sdf.org
-

DarwinNE
31,0k 7 11 13 - G.Master EY

- Messaggi: 4420
- Iscritto il: 18 apr 2010, 9:32
- Località: Grenoble - France
1
voti
[218] Re: Misuratore di ESR
L'altro giorno seguivo un'altra discussione in cui si parlava di utilizzare un ADC a 18 bit I2C qua
Potrebbe essere un aiuto, utlilizzare un adc fisico tipo quello visto che già si sta usando l 'I2C per il generatore di funzioni, non tanto per la precisione ma per poterlo mettere vicino e ridurre rumori?
Potrebbe essere un aiuto, utlilizzare un adc fisico tipo quello visto che già si sta usando l 'I2C per il generatore di funzioni, non tanto per la precisione ma per poterlo mettere vicino e ridurre rumori?
- Codice: Seleziona tutto
[code=php]per il codice a colori[/code]
0
voti
[219] Re: Misuratore di ESR
E' una buona idea, ma l'AD9833 non è esattamente I2C mi pare (ma non ho ancora guardato tutto nel dettaglio), il datasheet parla piuttosto di SPI.
Follow me on Mastodon: @davbucci@mastodon.sdf.org
-

DarwinNE
31,0k 7 11 13 - G.Master EY

- Messaggi: 4420
- Iscritto il: 18 apr 2010, 9:32
- Località: Grenoble - France
0
voti
[220] Re: Misuratore di ESR
Secondo me c'è un errore. L'ingresso Ni del comparatore dovrebbe essere a massa.
Io ho deciso che faccio la versione all'antica, tutti componenti alla vecchia maniera e con una tecnica "innovativa " riguardo il PCB.
Almeno riciclo un po' di componenti.
Ciao
Io ho deciso che faccio la versione all'antica, tutti componenti alla vecchia maniera e con una tecnica "innovativa " riguardo il PCB.
Almeno riciclo un po' di componenti.
Ciao
600 Elettra
Chi c’è in linea
Visitano il forum: Nessuno e 32 ospiti

Elettrotecnica e non solo (admin)
Un gatto tra gli elettroni (IsidoroKZ)
Esperienza e simulazioni (g.schgor)
Moleskine di un idraulico (RenzoDF)
Il Blog di ElectroYou (webmaster)
Idee microcontrollate (TardoFreak)
PICcoli grandi PICMicro (Paolino)
Il blog elettrico di carloc (carloc)
DirtEYblooog (dirtydeeds)
Di tutto... un po' (jordan20)
AK47 (lillo)
Esperienze elettroniche (marco438)
Telecomunicazioni musicali (clavicordo)
Automazione ed Elettronica (gustavo)
Direttive per la sicurezza (ErnestoCappelletti)
EYnfo dall'Alaska (mir)
Apriamo il quadro! (attilio)
H7-25 (asdf)
Passione Elettrica (massimob)
Elettroni a spasso (guidob)
Bloguerra (guerra)



