Misuratore di ESR
Moderatore:
brabus
0
voti
[291] Re: Misuratore di ESR
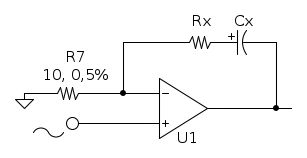
Ho pensato ad una soluzione di questo tipo.
Vorrei chiedere a chi è piu preparato analiticamente se collegando il condensatore come da schema "integratore" o anche "derivatore" la impedenza vista dal condensatore è maggiore del valore di R7.
Il mio scopo è aumentarne il valore per abbassare la frequenza di misura il piu possibile.
ciao
600 Elettra
3
voti
[293] Re: Misuratore di ESR
Nello schema mostrato 'impedenza vista da C vale circa
dove A è l'amplificazione dell'operazionale, quindi il polo si sposta a frequenza molto bassa, stile integratore. Lo zero, considerando un guadagno dell'operazionale molto elevato, è alla frequenza
.
Domattina verifico i conti e calcolo l'effetto del polo dell'operazionale.
dove A è l'amplificazione dell'operazionale, quindi il polo si sposta a frequenza molto bassa, stile integratore. Lo zero, considerando un guadagno dell'operazionale molto elevato, è alla frequenza
.Domattina verifico i conti e calcolo l'effetto del polo dell'operazionale.
Per usare proficuamente un simulatore, bisogna sapere molta più elettronica di lui
Plug it in - it works better!
Il 555 sta all'elettronica come Arduino all'informatica! (entrambi loro malgrado)
Se volete risposte rispondete a tutte le mie domande
Plug it in - it works better!
Il 555 sta all'elettronica come Arduino all'informatica! (entrambi loro malgrado)
Se volete risposte rispondete a tutte le mie domande
0
voti
[294] Re: Misuratore di ESR
Grazie a entrambi per la risposta in effetti il quesito forse non era molto ben posto.
Appena ho un attimo provo in pratica a vedere se è la strada giusta per spostare in basso, di un fattore 50-100, la frequenza di taglio (se si può definire così ).
Ciao
Appena ho un attimo provo in pratica a vedere se è la strada giusta per spostare in basso, di un fattore 50-100, la frequenza di taglio (se si può definire così ).
Ciao
600 Elettra
1
voti
[295] Re: Misuratore di ESR
Per frequenza di taglio intendi la frequenza data dalla capacita` e dall'ESR?
Se metti una resistenza esterna in serie, questa frequenza si abbassa, ma hai la somma di due resistenze, quella esterna molto maggiore dell'ESR e devi determinare quella piccola
QUesto sempre se ho capito quello che vuoi fare.
Se metti una resistenza esterna in serie, questa frequenza si abbassa, ma hai la somma di due resistenze, quella esterna molto maggiore dell'ESR e devi determinare quella piccola
QUesto sempre se ho capito quello che vuoi fare.
Per usare proficuamente un simulatore, bisogna sapere molta più elettronica di lui
Plug it in - it works better!
Il 555 sta all'elettronica come Arduino all'informatica! (entrambi loro malgrado)
Se volete risposte rispondete a tutte le mie domande
Plug it in - it works better!
Il 555 sta all'elettronica come Arduino all'informatica! (entrambi loro malgrado)
Se volete risposte rispondete a tutte le mie domande
0
voti
[296] Re: Misuratore di ESR
Provo a spiegarmi meglio 
Per la durata di questo messaggio facciamo finta che l'esr sia pari a zero e il condensatore sia ideale.
Nel circuito originale il condensatore Cx è in serie aR7 da 10 Ohm.
La tensione alternata utilizzata per la misura ha frequenza 10KHz.
Per valori di capacita Cx intorno a 2 uF si comincia a vedere che il misuratore di esr non indica piu zero ma un valore maggiore.
Facendo infatti un conto veloce con un condensatore da 2uF e una resistenza di 10 Ohm la frequenza di taglio risulta circa 8000Hz non molto lontana dai 10KHz.
Visto che si vorrebbe fare la misura fino a valori di 10nF stavo pensando di adottare il circuito del messaggio [291] per fare in modo che la frequenza di taglio diventi piu bassa dato che R7 verrebbe moltiplicata per (A+1) se ho ben capito.
Ipotizzando di limitare A a 100 la cosa potrebbe essere fattibile.
Rimane da verificare se la tensione ai capi di Cx anche in questo caso rimane al di sotto dei 0.1Vpp .
P.S.
Ripensandoci sul condensatore ci sarebbe una tensione sinusoidale sfasata di 180°.
viewtopic.php?f=1&t=40883
E la tensione sarebbe inversamente proporzionale alla capacita e direttamente all' Esr.
Mi sa che ho pensato troppo e ho fatto un capacimetro analogico invece di un misuratore di esr
L'unica è fare una prova e constatare fino a quando il valore di Zc è trascurabile rispetto a Rx.
Ciao
Per la durata di questo messaggio facciamo finta che l'esr sia pari a zero e il condensatore sia ideale.
Nel circuito originale il condensatore Cx è in serie aR7 da 10 Ohm.
La tensione alternata utilizzata per la misura ha frequenza 10KHz.
Per valori di capacita Cx intorno a 2 uF si comincia a vedere che il misuratore di esr non indica piu zero ma un valore maggiore.
Facendo infatti un conto veloce con un condensatore da 2uF e una resistenza di 10 Ohm la frequenza di taglio risulta circa 8000Hz non molto lontana dai 10KHz.
Visto che si vorrebbe fare la misura fino a valori di 10nF stavo pensando di adottare il circuito del messaggio [291] per fare in modo che la frequenza di taglio diventi piu bassa dato che R7 verrebbe moltiplicata per (A+1) se ho ben capito.
Ipotizzando di limitare A a 100 la cosa potrebbe essere fattibile.
Rimane da verificare se la tensione ai capi di Cx anche in questo caso rimane al di sotto dei 0.1Vpp .
P.S.
Ripensandoci sul condensatore ci sarebbe una tensione sinusoidale sfasata di 180°.
viewtopic.php?f=1&t=40883
E la tensione sarebbe inversamente proporzionale alla capacita e direttamente all' Esr.
Mi sa che ho pensato troppo e ho fatto un capacimetro analogico invece di un misuratore di esr
L'unica è fare una prova e constatare fino a quando il valore di Zc è trascurabile rispetto a Rx.
Ciao
600 Elettra
0
voti
[297] Re: Misuratore di ESR
Ho fatto un po' di verifiche e per arrivare a misurare discretamente i valori intorno a 20 nF occorre generare il segnale sinusoidale a frequenza 120 kHz e contemporaneamente cambiare Rs da 10 a 100 ohm.
In più il lock-in come noto è molto sensibile alla fase del segnale in ingresso.
Se il segnale arriva sfasato di parecchio (oltre 30 gradi ) la misura del modulo è molto compromessa.
Cio si verifica maggiormente, come prevedibile, proprio quando si cerca di misurare i valori più estremi.
Ora mi sto orientando verso il raddrizzatore di precisione dello schema in allegato.
Ho provato con i vecchi ca3140 e il sistema promette molto bene.
È fondamentale però aver un operazionale specifico per questo ruolo e quindi sto aspettando che mi arrivi un esemplare (5 euro
) tramite RS.
A 10kHz il 3140 lavora egregiamente ma a 120 kHz si evidenziano tutte le sue carenze per questa particolare applicazione.
Cosa ve ne pare?
Ciao
In più il lock-in come noto è molto sensibile alla fase del segnale in ingresso.
Se il segnale arriva sfasato di parecchio (oltre 30 gradi ) la misura del modulo è molto compromessa.
Cio si verifica maggiormente, come prevedibile, proprio quando si cerca di misurare i valori più estremi.
Ora mi sto orientando verso il raddrizzatore di precisione dello schema in allegato.
Ho provato con i vecchi ca3140 e il sistema promette molto bene.
È fondamentale però aver un operazionale specifico per questo ruolo e quindi sto aspettando che mi arrivi un esemplare (5 euro
A 10kHz il 3140 lavora egregiamente ma a 120 kHz si evidenziano tutte le sue carenze per questa particolare applicazione.
Cosa ve ne pare?
Ciao
- Allegati
-
rectifiernodiode.pdf- (181.38 KiB) Scaricato 181 volte
600 Elettra
4
voti
[298] Re: Misuratore di ESR
stefanopc ha scritto:Ora quindi mi sto orientando verso il raddrizzatore di precisione dello schema in allegato.
...
Cosa ve ne pare?
Potrebbe avere problemi ad alta frequenza, il primo operazionale è usato fuori linearità. La figura fa vedere un segnale a circa 500Hz, salendo a 100kHz le forme d'onda potrebbero peggiorare. Il rail-to-rail in uscita non è perfetto e con segnali di bassa ampiezza questo introduce altri errori.
L'autore prudentemente fa vedere segnali di ampiezza 5V a 500Hz. Vorrei vedere 50mV a 100kHz. Può darsi che funzioni, ma in prima battuta rimango perplesso.
Nel testo dice che entrambi gli op amp sono usati i linearità, cosa non vera, poi giustifica il circuito per usi con alimentazione minore della soglia dei diodi e alimenta il circuito ad almeno 5V.
Per usare proficuamente un simulatore, bisogna sapere molta più elettronica di lui
Plug it in - it works better!
Il 555 sta all'elettronica come Arduino all'informatica! (entrambi loro malgrado)
Se volete risposte rispondete a tutte le mie domande
Plug it in - it works better!
Il 555 sta all'elettronica come Arduino all'informatica! (entrambi loro malgrado)
Se volete risposte rispondete a tutte le mie domande
0
voti
[299] Re: Misuratore di ESR
Ho fatto un po' di foto per illustrare il problema di cui parlavo.
Questa è il circuito lock-in con resistenza da 100 ohm frequenza 120kHz e sta misurando un condensatore da 20nF.
Causa lo sfasamento quasi di 90 gradi la tensione in uscita è circa zero.
100mV/Div 2uS /Div
Questo è un segnale simile come ampiezza mandato sul raddrizzatore di precisione, come da schema del post precedente, realizzato con CA3140 che è quello che piu si avvicina( tra quelli che possiedo ) alle caratteristiche del componente richiesto.
In questo caso il valore medio in uscita non è zero
50mV/Div 2uS /Divb Gnd al centro
Questo è il segnale in uscita dal primo operazional a 120 kHz
50mV/Div 1uS /Div Gnd al centro
Questo è il segnale in uscita dal primo operazionale a 10kHz
50mV/Div 10uS /Div Gnd al centro
Sembra un ritardo (costante a entrambe le frequenze ) tra il momento in cui il segnale in ingresso ritorna positivo e quando l'amplificatore riprende a lavorare in zona lineare.
Anche coi limiti di questo operazionale (non troppo recente) il circuito raddrizzatore di precisione sembra piu adatto a rilevare il modulo in presenza di fase alterata dal componente in misura.
Vediamo se con il componente consigliato si ha un ulteriore miglioramento.
Ciao
IsidoroKZ ha scritto:
Potrebbe avere problemi ad alta frequenza, il primo operazionale è usato fuori linearità.
Questa è il circuito lock-in con resistenza da 100 ohm frequenza 120kHz e sta misurando un condensatore da 20nF.
Causa lo sfasamento quasi di 90 gradi la tensione in uscita è circa zero.
100mV/Div 2uS /Div
Questo è un segnale simile come ampiezza mandato sul raddrizzatore di precisione, come da schema del post precedente, realizzato con CA3140 che è quello che piu si avvicina( tra quelli che possiedo ) alle caratteristiche del componente richiesto.
In questo caso il valore medio in uscita non è zero
50mV/Div 2uS /Divb Gnd al centro
Questo è il segnale in uscita dal primo operazional a 120 kHz
50mV/Div 1uS /Div Gnd al centro
Questo è il segnale in uscita dal primo operazionale a 10kHz
50mV/Div 10uS /Div Gnd al centro
Sembra un ritardo (costante a entrambe le frequenze ) tra il momento in cui il segnale in ingresso ritorna positivo e quando l'amplificatore riprende a lavorare in zona lineare.
Anche coi limiti di questo operazionale (non troppo recente) il circuito raddrizzatore di precisione sembra piu adatto a rilevare il modulo in presenza di fase alterata dal componente in misura.
Vediamo se con il componente consigliato si ha un ulteriore miglioramento.
Ciao
600 Elettra
0
voti
[300] Re: Misuratore di ESR
Ho fatto diverse prove con quattro diversi schemi ma a 120Khz nella migliore condizione si fatica ad ottenere qualcosa in uscita sotto a circa 150mV pp e di linearità proprio non se ne parla.
Quindi avendo un convertitore a 10bit con Vref 1.1V non è per niente trascurabile che più di un decimo di scala sia distorta e inutilizzabile.
Per di più proprio quando si misurano i valori di Esr dei componenti buoni si finisce regolarmente a misurare tensioni rms quasi sempre al di sotto dei 100mV.
Quindi stavo cercando in rete qualche spunto interessante per avere una visione più completa e sono finito a leggre la nota tecnica di Linear riguardo i convertitori Rms to Dc AN106.
Nella ultima pagina compare questo bel disegno a mano libera.
Visto che uno degli schemi che sto provando è molto simile a quello del disegno in basso il mio dubbio sulla qualità di misura ottenuta con il raddrizzatore di precisione ha avuto un riscontro.
Quindi visto che con un solo componente mi risolvo almeno due problemi sto valutando di provarlo.
Con questa chip la minima tensione in ingresso utile è di un ordine di grandezza inferiore ed è rail to rail singola alimentazione 5V.
La versione adatta LTC1967 si trova intorno ai sei - quattro euro in oriente.
Nei prossimi giorni vedo se ordinarne un paio da provare.
Ciao
Quindi avendo un convertitore a 10bit con Vref 1.1V non è per niente trascurabile che più di un decimo di scala sia distorta e inutilizzabile.
Per di più proprio quando si misurano i valori di Esr dei componenti buoni si finisce regolarmente a misurare tensioni rms quasi sempre al di sotto dei 100mV.
Quindi stavo cercando in rete qualche spunto interessante per avere una visione più completa e sono finito a leggre la nota tecnica di Linear riguardo i convertitori Rms to Dc AN106.
Nella ultima pagina compare questo bel disegno a mano libera.
Visto che uno degli schemi che sto provando è molto simile a quello del disegno in basso il mio dubbio sulla qualità di misura ottenuta con il raddrizzatore di precisione ha avuto un riscontro.
Quindi visto che con un solo componente mi risolvo almeno due problemi sto valutando di provarlo.
Con questa chip la minima tensione in ingresso utile è di un ordine di grandezza inferiore ed è rail to rail singola alimentazione 5V.
La versione adatta LTC1967 si trova intorno ai sei - quattro euro in oriente.
Nei prossimi giorni vedo se ordinarne un paio da provare.
Ciao
- Allegati
-
an106f.pdf- (345.55 KiB) Scaricato 176 volte
600 Elettra
Chi c’è in linea
Visitano il forum: Nessuno e 16 ospiti

Elettrotecnica e non solo (admin)
Un gatto tra gli elettroni (IsidoroKZ)
Esperienza e simulazioni (g.schgor)
Moleskine di un idraulico (RenzoDF)
Il Blog di ElectroYou (webmaster)
Idee microcontrollate (TardoFreak)
PICcoli grandi PICMicro (Paolino)
Il blog elettrico di carloc (carloc)
DirtEYblooog (dirtydeeds)
Di tutto... un po' (jordan20)
AK47 (lillo)
Esperienze elettroniche (marco438)
Telecomunicazioni musicali (clavicordo)
Automazione ed Elettronica (gustavo)
Direttive per la sicurezza (ErnestoCappelletti)
EYnfo dall'Alaska (mir)
Apriamo il quadro! (attilio)
H7-25 (asdf)
Passione Elettrica (massimob)
Elettroni a spasso (guidob)
Bloguerra (guerra)




