[CDEY] Alimentatore da banco - Stadio di Potenza e Controllo
Moderatore:
brabus
0
voti
-

FedericoSibona
5.022 3 5 8 - Master

- Messaggi: 3951
- Iscritto il: 19 mar 2013, 11:43
0
voti
Io non sono in grado di scrivere un circuito, perciò potrò solo aiutare, però non sarei d'accordo ad usare un chip che è già (se non del tutto) con un piede nella fossa, perché potrebbe essere un lavoro che molto presto diventerebbe impossibile da montare per la mancanza del chip.
la mia piccola opinione.
Scusate, oggi un po' di piscina quindi non ho guardato nulla né fatto progressi :) ma in settimana prox mi arriva l'oscilloscopio nuovo!
la mia piccola opinione.
Scusate, oggi un po' di piscina quindi non ho guardato nulla né fatto progressi :) ma in settimana prox mi arriva l'oscilloscopio nuovo!
-

kevinpirola
319 4 9 - Expert

- Messaggi: 310
- Iscritto il: 14 dic 2011, 18:52
0
voti
antonyb ha scritto:Buon lavoro ragazzi
Grazie
FedericoSibona ha scritto:BrunoValente, facciamo incetta di questi http://www.tekkna.it/product/24758/MC14 ... SIONE-.asp e dedichiamoci alla sezione di potenza
Si è una strada percorribile ma propongo di tenercela come ultima spiaggia, vediamo prima cosa dice
Anch'io ieri ho buttato giù una bozza di un nuovo circuito che mi sembra possa funzionare bene, ci penso ancora un po' poi lo posto.
Se siete d'accordo facciamo così: visto che un integrato degno dell'alimentatore che vorremmo realizzare pare che non ci sia, prendiamoci ancora un paio di giorni prima di prendere una decisione e analizziamo per bene tutte le possibili alternative.
-

BrunoValente
39,6k 7 11 13 - G.Master EY

- Messaggi: 7796
- Iscritto il: 8 mag 2007, 14:48
0
voti
BrunoValente ha scritto:visto che un integrato degno dell'alimentatore che vorremmo realizzare pare che non ci sia...
Non so voi ma quando mi capita di avere dei circuiti riciclabili in diverse situazioni, realizzo dei moduli su circuito stampato che racchiudono la funzione specifica e connettore ad innesto. Lo trovo comodo perché lo si può aggiungere come nuovo "componente" al programma cad preferito e risparmiarsi un bel po' di routing.
Una volta definito e verificato il blocco di regolazione, potrebbe essere il caso di (far) realizzare un modulo miniaturizzato che contenga il "kernel" dell'alimentatore in modo da poterlo riusare facilmente?
0
voti
Però aggiungendo elementi meccanici al posto di una serie di piste PCB vai a ridurre la stabilità nel tempo (ossidazione, allentamenti ecc) del tutto, secondo me.
Sono d'accordo con avere l'oggetto pronto nel cad, ma che di volta in volta inserisco nella PCB adattandolo alle esigenze (ad esempio a volte posso incastrare un componente sulla seconda faccia della PCB o magari riadattare lo sbroglio allo spazio che mi è avanzato sulla PCB che sto disegnando...
Ritengo che sia utile in fase di prototipazione, lo vedo però un passo indietro nella produzione del prodotto finito...
Mia opinione eh
comunque
BrunoValente secondo me la strada che ci si para davanti è quella di lavorare con gli opamp, sia per avere un prodotto nuovo e soprattutto sia per migliorare i problemi che si sono visti con i precedenti.
Io sono andato avanti a studiacchiare lo schema agilent e sto entrando nell'ordine delle idee del progetto...
figata
Sono d'accordo con avere l'oggetto pronto nel cad, ma che di volta in volta inserisco nella PCB adattandolo alle esigenze (ad esempio a volte posso incastrare un componente sulla seconda faccia della PCB o magari riadattare lo sbroglio allo spazio che mi è avanzato sulla PCB che sto disegnando...
Ritengo che sia utile in fase di prototipazione, lo vedo però un passo indietro nella produzione del prodotto finito...
Mia opinione eh
comunque
Io sono andato avanti a studiacchiare lo schema agilent e sto entrando nell'ordine delle idee del progetto...
figata
-

kevinpirola
319 4 9 - Expert

- Messaggi: 310
- Iscritto il: 14 dic 2011, 18:52
3
voti
Esatto
edgar se siamo tutti d'accordo dovremmo impegnarci a trovare una soluzione generale per "l'alimentatore ideale" da poter utilizzare poi per tutte le taglie della parte di potenza.
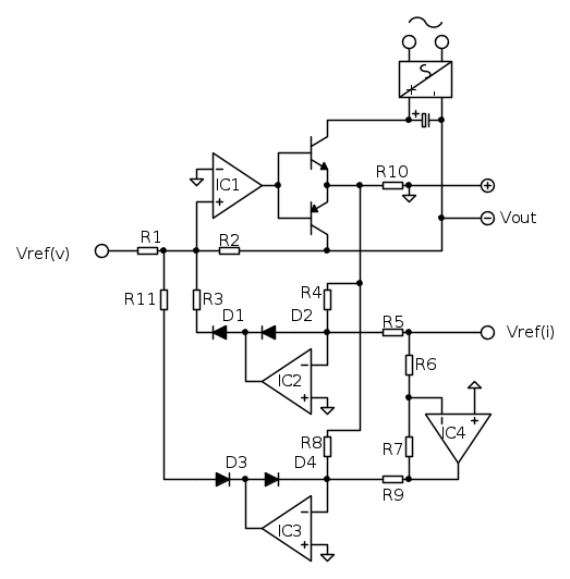
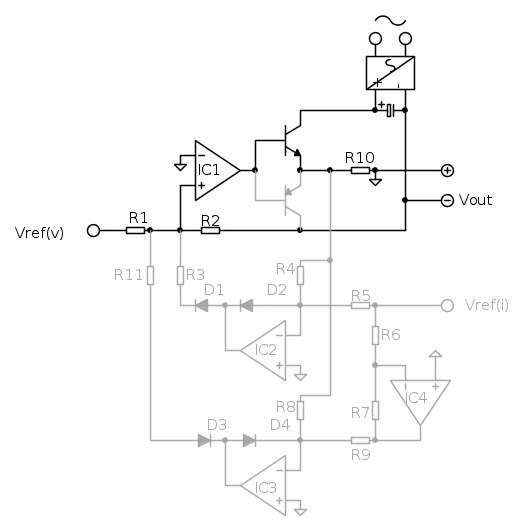
Vi faccio vedere lo schema di principio che ho pensato, a me pare che funzioni bene, che abbia un funzionamento facilmente comprensibile e che sia semplice e che quindi raggiunga l'obbiettivo.
![\[V_{out}=V_{ref(v)}\cdot \frac{R_{2}}{R_{1}}\] \[V_{out}=V_{ref(v)}\cdot \frac{R_{2}}{R_{1}}\]](/forum/latexrender/pictures/839f2d94bf10ab8037caf5cb81221e16.png)
![\[I_{max(+)}=V_{ref(i)}\cdot \frac{R_{8}R_{7}}{R_{9}R_{10}R_{6}}\] \[I_{max(+)}=V_{ref(i)}\cdot \frac{R_{8}R_{7}}{R_{9}R_{10}R_{6}}\]](/forum/latexrender/pictures/9e41e3dd83fcbb4412bc45b62125bba1.png)
![\[I_{max(-)}=V_{ref(i)}\cdot \frac{R_{4}}{R_{5}R_{10}}\] \[I_{max(-)}=V_{ref(i)}\cdot \frac{R_{4}}{R_{5}R_{10}}\]](/forum/latexrender/pictures/b307460d82e0cede0b444d010350a29b.png)
E' in grado di commutare da
a
anche per correnti entranti nel caso il carico sia un generatore.
I due valori di soglia
e
possono essere resi uguali ponendo
,
e 
Mancano ancora le compensazioni per evitare che oscilli..ma per questo abbiamo
brabus che sa il fatto suo
Ben venga qualsiasi critica o commento
Vi faccio vedere lo schema di principio che ho pensato, a me pare che funzioni bene, che abbia un funzionamento facilmente comprensibile e che sia semplice e che quindi raggiunga l'obbiettivo.
![\[V_{out}=V_{ref(v)}\cdot \frac{R_{2}}{R_{1}}\] \[V_{out}=V_{ref(v)}\cdot \frac{R_{2}}{R_{1}}\]](/forum/latexrender/pictures/839f2d94bf10ab8037caf5cb81221e16.png)
![\[I_{max(+)}=V_{ref(i)}\cdot \frac{R_{8}R_{7}}{R_{9}R_{10}R_{6}}\] \[I_{max(+)}=V_{ref(i)}\cdot \frac{R_{8}R_{7}}{R_{9}R_{10}R_{6}}\]](/forum/latexrender/pictures/9e41e3dd83fcbb4412bc45b62125bba1.png)
![\[I_{max(-)}=V_{ref(i)}\cdot \frac{R_{4}}{R_{5}R_{10}}\] \[I_{max(-)}=V_{ref(i)}\cdot \frac{R_{4}}{R_{5}R_{10}}\]](/forum/latexrender/pictures/b307460d82e0cede0b444d010350a29b.png)
E' in grado di commutare da
a
anche per correnti entranti nel caso il carico sia un generatore.I due valori di soglia
e
possono essere resi uguali ponendo
,
e 
Mancano ancora le compensazioni per evitare che oscilli..ma per questo abbiamo
Ben venga qualsiasi critica o commento
-

BrunoValente
39,6k 7 11 13 - G.Master EY

- Messaggi: 7796
- Iscritto il: 8 mag 2007, 14:48
0
voti
Io purtroppo sto uscendo, ho visto lo schema e mi pare molto più comprensibile, però a livello didattico mi piacerebbe avere una descrizione dettagliata, se ne hai voglia ;)
-

kevinpirola
319 4 9 - Expert

- Messaggi: 310
- Iscritto il: 14 dic 2011, 18:52
9
voti
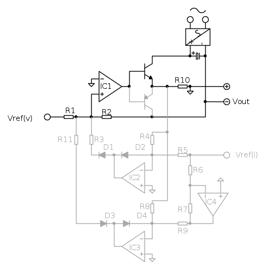
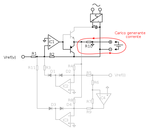
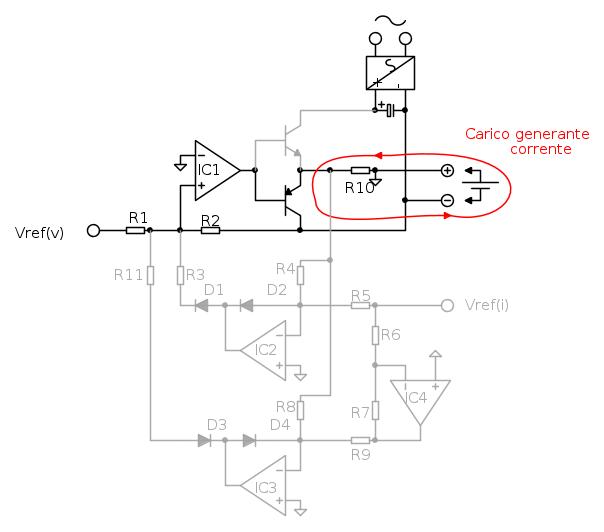
Allora provo a spiegare il funzionamento.
La parte di circuito che si occupa della regolazione della tensione di uscita è quella marcata nello schema che segue.
Il resto del circuito, in condizioni normali, cioè quando il valore della corrente richiesta dal carico è all'interno del campo compreso tra Imax(-) e Imax(+), è ininfluente: l'uscita di IC2 si trova ad una tensione di -0.7V e l'uscita di IC3 si trova ad una tensione di +0.7V (vedremo più avanti perché), pertanto D1 e D3 sono spenti e non scorre corrente in R3 e in R11 e quindi, come detto prima, la parte di circuito in grigio non ha effetti sulla parte di circuito in nero. Faccio notare che in tutte le condizioni il valore di tensione dell'ingresso non invertente di IC1 è sempre 0V (massa virtuale come alcuni dicono).
Il circuito in nero quindi è in sostanza un operazionale di potenza in configurazione di amplificatore invertente dove il rapporto Vout/Vref(v) è pari al rapporto R2/R1 (ho omesso il segno meno perché ho considerato il riferimento di uscita al morsetto meno).
Faccio anche notare, non so se occorre, che gli ingressi di IC1 sono invertiti, questo perché il transistor in uscita è invertente.
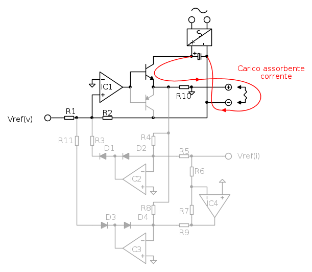
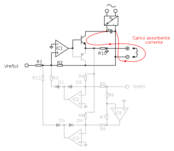
Il circuito, se fosse davvero limitato alla sola parte disegnata in nero, funzionerebbe solo come alimentatore per carichi assorbenti corrente e non per carichi generanti corrente.
Consideriamo ad esempio il caso in cui l'uscita venisse collegata ad un grosso condensatore carico ad una tensione maggiore di quella di uscita dell'alimentatore, oppure ad un motore cc con grossa massa applicata all'albero e si tentasse di decelerarlo abbassando la tensione di uscita, cioè riducendo il valore di Vref(v).
Nei casi ora descritti il carico farebbe scorrere una corrente inversa tra i morsetti di uscita e il transistor NPN si spegnerebbe e quindi il meccanismo di regolazione fallirebbe.
Il transistor PNP quindi serve a soccorrere l'NPN proprio in quei casi in cui la corrente in uscita è entrante invece che uscente.
Vediamo ora come funziona il meccanismo di regolazione della corrente.
Essendo il cicuito in grado di erogare e di assorbire corrente, ritengo sia indispensabile limitare la corrente in entrambi i versi, altrimenti si rischierebbe l rottura del transistor PNP.
La corrente dovuta alla presenza del carico scorre in ogni caso, oltre che nel carico, anche in R10.
Il valore della tensione ai capi di R10 è quindi proporzionale alla corrente assorbita o erogata dal carico e il segno rende conto dell'assorbimento o dell'erogazione.
Per la precisione: una corrente assorbita dal carico da luogo ad una tensione positiva su R10, una corrente generata dal carico invece da luogo ad una tensione negativa su R10.
Il circuito costruito intorno a IC3 si occupa della limitazione di corrente quando viene superato il limite massimo positivo, il circuito costruito intorno a IC2 si occupa della limitazione di corrente quando viene superato il limite massimo negativo.
IC4 serve a generare sulla sua uscita un valore di tensione proporzionale (o identico se scegliamo R6=R7) e di segno opposto rispetto a Vref(i).
Impostando quindi un valore di Vref(i) positivo, quando il carico assorbe o genera correnti basse il cui valore sia compreso all'interno del campo Imax(-) Imax(+), D2 e D4 sono entrambi accesi.
Questo fatto si spiega osservando che, per valori bassi o nulli di tensione su R10 (bassa corrente nel carico), sono basse o nulle le correnti in R4 e in R8 (gli ingressi invertenti di IC2 e IC3 sono entrambi a 0V) e quindi nel nodo all'ingresso invertente di IC2 prevale una corrente entrante proveniente da R5 che polarizza direttamente D2 e nel nodo dell'ingresso invertente di IC3 prevale una corrente uscente verso R9 proveniente da D4 e che lo polarizza direttamente.
Quindi, per conseguenza di questo, quando i valori della corrente nel carico sono all'interno dei limiti, il valore della tensione di uscita di IC2 si posiziona a -0.7V spegnendo D1 e il valore della tensione di uscita di IC3 si posiziona a +0.7V spegnendo D3 e il circuito di regolazione della corrente non ha effetti sul funzionamento di IC1 che continua a svolgere normalmente il suo compito di regolatore della tensione di uscita dell'alimentatore.
Quando i valori della corrente nel carico raggiungono o superano il limite Imax(+) allora la corrente la corrente nel diodo D4 cambia verso (aprendolo), l'uscita di IC3, dal valore di +0.7V inizia a scendere verso valori negativi libera di poterlo fare (D4 off) e D3 si chiude stabilendo una via di connessione tra IC3 e IC1 attraverso R11.
A questo punto dovrebbe essere chiaro come la commutazione da D4 on-D3 off a D4 off-D3 on instauri un nuovo anello di regolazione che coinvolge IC1 e che limita la corrente nel carico precisamente al valore Imax(+).
Un meccanismo analogo, che coinvolge IC1, D1 e D2, si attiva quando la corrente nel carico raggiunge o supera il valore Imax(-).
La parte di circuito che si occupa della regolazione della tensione di uscita è quella marcata nello schema che segue.
Il resto del circuito, in condizioni normali, cioè quando il valore della corrente richiesta dal carico è all'interno del campo compreso tra Imax(-) e Imax(+), è ininfluente: l'uscita di IC2 si trova ad una tensione di -0.7V e l'uscita di IC3 si trova ad una tensione di +0.7V (vedremo più avanti perché), pertanto D1 e D3 sono spenti e non scorre corrente in R3 e in R11 e quindi, come detto prima, la parte di circuito in grigio non ha effetti sulla parte di circuito in nero. Faccio notare che in tutte le condizioni il valore di tensione dell'ingresso non invertente di IC1 è sempre 0V (massa virtuale come alcuni dicono).
Il circuito in nero quindi è in sostanza un operazionale di potenza in configurazione di amplificatore invertente dove il rapporto Vout/Vref(v) è pari al rapporto R2/R1 (ho omesso il segno meno perché ho considerato il riferimento di uscita al morsetto meno).
Faccio anche notare, non so se occorre, che gli ingressi di IC1 sono invertiti, questo perché il transistor in uscita è invertente.
Il circuito, se fosse davvero limitato alla sola parte disegnata in nero, funzionerebbe solo come alimentatore per carichi assorbenti corrente e non per carichi generanti corrente.
Consideriamo ad esempio il caso in cui l'uscita venisse collegata ad un grosso condensatore carico ad una tensione maggiore di quella di uscita dell'alimentatore, oppure ad un motore cc con grossa massa applicata all'albero e si tentasse di decelerarlo abbassando la tensione di uscita, cioè riducendo il valore di Vref(v).
Nei casi ora descritti il carico farebbe scorrere una corrente inversa tra i morsetti di uscita e il transistor NPN si spegnerebbe e quindi il meccanismo di regolazione fallirebbe.
Il transistor PNP quindi serve a soccorrere l'NPN proprio in quei casi in cui la corrente in uscita è entrante invece che uscente.
Vediamo ora come funziona il meccanismo di regolazione della corrente.
Essendo il cicuito in grado di erogare e di assorbire corrente, ritengo sia indispensabile limitare la corrente in entrambi i versi, altrimenti si rischierebbe l rottura del transistor PNP.
La corrente dovuta alla presenza del carico scorre in ogni caso, oltre che nel carico, anche in R10.
Il valore della tensione ai capi di R10 è quindi proporzionale alla corrente assorbita o erogata dal carico e il segno rende conto dell'assorbimento o dell'erogazione.
Per la precisione: una corrente assorbita dal carico da luogo ad una tensione positiva su R10, una corrente generata dal carico invece da luogo ad una tensione negativa su R10.
Il circuito costruito intorno a IC3 si occupa della limitazione di corrente quando viene superato il limite massimo positivo, il circuito costruito intorno a IC2 si occupa della limitazione di corrente quando viene superato il limite massimo negativo.
IC4 serve a generare sulla sua uscita un valore di tensione proporzionale (o identico se scegliamo R6=R7) e di segno opposto rispetto a Vref(i).
Impostando quindi un valore di Vref(i) positivo, quando il carico assorbe o genera correnti basse il cui valore sia compreso all'interno del campo Imax(-) Imax(+), D2 e D4 sono entrambi accesi.
Questo fatto si spiega osservando che, per valori bassi o nulli di tensione su R10 (bassa corrente nel carico), sono basse o nulle le correnti in R4 e in R8 (gli ingressi invertenti di IC2 e IC3 sono entrambi a 0V) e quindi nel nodo all'ingresso invertente di IC2 prevale una corrente entrante proveniente da R5 che polarizza direttamente D2 e nel nodo dell'ingresso invertente di IC3 prevale una corrente uscente verso R9 proveniente da D4 e che lo polarizza direttamente.
Quindi, per conseguenza di questo, quando i valori della corrente nel carico sono all'interno dei limiti, il valore della tensione di uscita di IC2 si posiziona a -0.7V spegnendo D1 e il valore della tensione di uscita di IC3 si posiziona a +0.7V spegnendo D3 e il circuito di regolazione della corrente non ha effetti sul funzionamento di IC1 che continua a svolgere normalmente il suo compito di regolatore della tensione di uscita dell'alimentatore.
Quando i valori della corrente nel carico raggiungono o superano il limite Imax(+) allora la corrente la corrente nel diodo D4 cambia verso (aprendolo), l'uscita di IC3, dal valore di +0.7V inizia a scendere verso valori negativi libera di poterlo fare (D4 off) e D3 si chiude stabilendo una via di connessione tra IC3 e IC1 attraverso R11.
A questo punto dovrebbe essere chiaro come la commutazione da D4 on-D3 off a D4 off-D3 on instauri un nuovo anello di regolazione che coinvolge IC1 e che limita la corrente nel carico precisamente al valore Imax(+).
Un meccanismo analogo, che coinvolge IC1, D1 e D2, si attiva quando la corrente nel carico raggiunge o supera il valore Imax(-).
-

BrunoValente
39,6k 7 11 13 - G.Master EY

- Messaggi: 7796
- Iscritto il: 8 mag 2007, 14:48
Chi c’è in linea
Visitano il forum: Nessuno e 12 ospiti

Elettrotecnica e non solo (admin)
Un gatto tra gli elettroni (IsidoroKZ)
Esperienza e simulazioni (g.schgor)
Moleskine di un idraulico (RenzoDF)
Il Blog di ElectroYou (webmaster)
Idee microcontrollate (TardoFreak)
PICcoli grandi PICMicro (Paolino)
Il blog elettrico di carloc (carloc)
DirtEYblooog (dirtydeeds)
Di tutto... un po' (jordan20)
AK47 (lillo)
Esperienze elettroniche (marco438)
Telecomunicazioni musicali (clavicordo)
Automazione ed Elettronica (gustavo)
Direttive per la sicurezza (ErnestoCappelletti)
EYnfo dall'Alaska (mir)
Apriamo il quadro! (attilio)
H7-25 (asdf)
Passione Elettrica (massimob)
Elettroni a spasso (guidob)
Bloguerra (guerra)




