Giuste osservazioni, Fede, tuttavia ho adottato l'approccio analitico. Ho appena concluso il dimensionamento della rete di feedback modificata, che fa uso del potenziometro lineare, ma la cosa più importante è che abbiamo finalmente una descrizione completa del funzionamento dello stadio.
Impiegando un potenziometro logaritmico andremmo a sovrapporre una non linearità ad un'altra non linearità: brutta strada, non abbiamo alcun calcolo a supporto della nostra tesi, quindi non ci sapremmo muovere qualora vi fosse una instabilità (ad esempio).
Va anche detto che i potenziometri commerciali sono tutt'altro che logaritmici, spesso (quasi sempre) sono lineari a tratti, e spesso (quasi sempre) i tratti sono solo due.
Ieri avevo postato un dimensionamento completo, ma avevo sbagliato completamente l'ipotesi iniziale. Per fortuna
BrunoValente se n'è accorto, e mi ha suggerito un approccio diverso.
Procediamo dunque con l'analisi (corretta, grazie a Bruno) e la sintesi di una soluzione:
Iniziamo con l'analisi del guadagno dello stadio IC2-A:
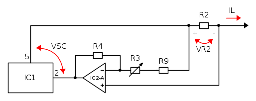
Il segnale che determina l'intervento della protezione in corrente è la tensione fra i terminali 5 e 2 del L200, tensione indicata con "VSC".
Assumendo come riferimento la tensione al pin 5, osserviamo che la struttura di IC2-A è di tipo non invertente; la tensione all'uscita dello stadio è dunque data da:

La soglia d'intervento della protezione in corrente è

; ricaviamo dunque la relazione che lega la corrente limite e i restanti parametri del circuito:

Notiamo che per R4=0 la formula ricade nel caso

, che è la limitazione di corrente massima di 4.5A ottenuta tramite il solo shunt.
Riprendendo i valori dei componenti dimensionati in precedenza, R4=0...47k, R3=1k, R2=0.1, possiamo tracciare la curva che lega la soglia d'intervento alla resistenza offerta dal potenziometro (direttamente, la sua posizione):

- Curva_Potenziometro_Originale.png (7.55 KiB) Osservato 4690 volte
- Codice: Seleziona tutto
VSC=0.45; //Tensione di soglia L200
R3=1000; //Resistenza R3 dello stadio IC2-A
RS=0.1; //Resistenza di shunt
function [I]=f(R4)
I=(VSC*R3)./(RS*R4); //Equazione per il calcolo della corrente limite
endfunction
R4=1000:100:47000; //Range R4: da 1k a 47k
I=f(R4);
plot(R4,I) //Tracciamo il grafico
È evidente come la curva sia fortemente non lineare.
La domanda è: come mai la curva è così storta? Esiste un modo per renderla un po' più docile?
Qui arriva il suggerimento di
BrunoValente, che mi fa giustamente notare che il guadagno parte dall'unità per arrivare a ben 48, nella rotazione completa del potenziometro. È dunque evidente che nei primi step, quando il guadagno passa da 1 a 2, da 2 a 3, e così a salire, ci sia un brusco calo della corrente: il guadagno sta a denominatore, e dunque la frazione decresce in maniera inversa. Bingo!
Evitare un aumento così brusco del guadagno è impossibile: il rapporto fra il guadagno minimo e il guadagno massimo è determinato dal rapporto fra la corrente minima e la corrente massima: rotando il potenziometro andremo sempre a "spazzare" molto velocemente i guadagni più bassi (un po' come il governo

; scusate la battuta).
Possiamo ipotizzare dunque di agire su un altro parametro del circuito: R3. Il valore della resistenza R3 compare a denominatore, e sta all'interno di un rapporto: per valori R4/R3 superiori all'unità (quindi per R3 inferiore a R4), possiamo trascurare il termine "1", e portare di fatto R3 al numeratore: la relazione diventa lineare!
Immaginiamo dunque di spostare il potenziometro su R3, lasciando R4 fissa:
Appare subito chiaro un problema: per ottenere il guadagno minimo, unitario, necessario ad offrire la protezione in corrente e 4.5A, il valore di R3 dovrebbe essere infinito.
Per aggirare questo problema, possiamo imporre un guadagno minimo allo stadio IC2-A; in questo modo, possiamo limitare superiormente il valore di R3.
Per essere costretti a guadagnare, dobbiamo necessariamente ritoccare il rapporto

, che vincola la massima corrente d'intervento.
Supponiamo di dimezzare il valore dello shunt, applicando in parallelo a R2 una resistenza identica. Otteniamo un circuito in cui il valore dello shunt è

: lo stadio deve avere un guadagno minimo pari a 2, dunque il valore massimo di R3 coincide con R4.
Il valore minimo di R3 dipende dal valore di corrente minima che vogliamo regolare; con R3=0 otterremmo un'esplosione del rapporto

, e una corrente teorica nulla. Ciò che accade realmente è una esplosione esagerata del guadagno dello stadio IC2-A, con esiti imprevedibili sul segnale d'uscita: rumore ed offset diventano dominanti rispetto a tutti gli altri segnali.
Occorre dunque limitare il valore minimo di R2: inseriamo una banale resistenza in serie, che chiamiamo R9:
Date per incognite R3, R4 ed R9, impostiamo il calcolo che ci consente di ricavare una relazione fra queste tre grandezze. Stabiliti i vincoli:
![\[\begin{cases} & \ I_{L,min}=50mA\\ & \ I_{L,max}=4.5A \end{cases}\] \[\begin{cases} & \ I_{L,min}=50mA\\ & \ I_{L,max}=4.5A \end{cases}\]](/forum/latexrender/pictures/56327343a4f449a5d08314de1ed823f8.png)
e noto che:

Sfruttiamo il fatto che a corrente minima avremo R3=0 e impostiamo il sistema:
![\[\begin{cases} & \ I_{L,min}=\frac{V_{SC}}{R_2\cdot(1+\frac{R_4}{R_9})}\\ & \ I_{L,max}=\frac{V_{SC}}{R_2\cdot(1+\frac{R_4}{R_3+R_9})} \end{cases}\] \[\begin{cases} & \ I_{L,min}=\frac{V_{SC}}{R_2\cdot(1+\frac{R_4}{R_9})}\\ & \ I_{L,max}=\frac{V_{SC}}{R_2\cdot(1+\frac{R_4}{R_3+R_9})} \end{cases}\]](/forum/latexrender/pictures/72d94126cfc34092c90b410fa400cb65.png)
Fissando i parametri

,

, otteniamo la soluzione:
![\[\begin{cases} & \ \frac{R_4}{R_9}=\frac{V_{SC}}{R_2\cdot I_{min}}-1\\ & \ \frac{R_4}{R_9+R_3}=\frac{V_{SC}}{R_2\cdot I_{max}}-1 \end{cases}\] \[\begin{cases} & \ \frac{R_4}{R_9}=\frac{V_{SC}}{R_2\cdot I_{min}}-1\\ & \ \frac{R_4}{R_9+R_3}=\frac{V_{SC}}{R_2\cdot I_{max}}-1 \end{cases}\]](/forum/latexrender/pictures/859435173b65d7e8ed4df8c071a47119.png)
Ora possiamo giocare. Abbiamo tre gradi di libertà, dobbiamo fissare un vincolo: decidiamo ad esempio di impiegare lo stesso potenziometro lineare da

usato in precedenza.Otteniamo dunque:
![\[\begin{cases} & \ R_3=47k\Omega\\ & \ \frac{R_4}{R_9}=\frac{V_{SC}}{R_2\cdot I_{min}}-1=179\\ & \ \frac{R_4}{R_9+R_3}=\frac{V_{SC}}{R_2\cdot I_{max}}-1=1 \end{cases}\] \[\begin{cases} & \ R_3=47k\Omega\\ & \ \frac{R_4}{R_9}=\frac{V_{SC}}{R_2\cdot I_{min}}-1=179\\ & \ \frac{R_4}{R_9+R_3}=\frac{V_{SC}}{R_2\cdot I_{max}}-1=1 \end{cases}\]](/forum/latexrender/pictures/4d0c1d72d524bc579288008e21d7468e.png)
Il sistema può ora dunque essere ridotto a:
![\[\begin{cases} & \ R_4=179\cdot R_9 \\ & \ R_4=R3+R9 \end{cases}\] \[\begin{cases} & \ R_4=179\cdot R_9 \\ & \ R_4=R3+R9 \end{cases}\]](/forum/latexrender/pictures/5776e1ce45683070134d20af5d1b9e60.png)
Il calcolo restituisce

,

Scegliamo per

il valore commerciale di

, e per

il valore di

. Eseguiamo una simulazione con Scilab per verificare se abbiamo migliorato la linearità, e per vedere l'effetto delle approssimazioni ai valori commerciali:

- Curva_Potenziometro_Migliorata.png (8.23 KiB) Osservato 4690 volte
- Codice: Seleziona tutto
VSC=0.45; //Tensione di soglia L200
RS=0.05; //Resistenza di shunt
R4=47000; //Valore approssimato per R4
function [I]=f(R3)
I=(VSC)./(RS*(1+(R4./R3))); //Equazione per il calcolo della corrente limite
endfunction
R3=270:100:47270; //Range R4: da 270 a 47k
I=f(R3);
plot(R3,I) //Tracciamo il grafico
Risulta immediatamente evidente il miglioramento rispetto a quanto ottenuto in precedenza.
Procedo con l'esecuzione su millefori e il report sulle forme d'onda e sul comportamento del circuito.
Alberto.