Con il crowd design si affrontano differenti aspetti.

Moderatore:
brabus
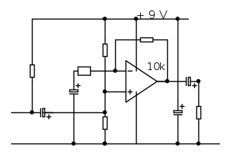
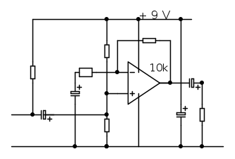
MarcoD ha scritto:correggo, così è meglio, non si crea offset.
? Lo schema dal post 42 NON è invertente.Mi arrendo al tanto odiato invertente




MarcoD ha scritto:dovrebbe conoscere tensione e impedenza di ingresso del SLR.
SediciAmpere ha scritto:meglio farla così:
MarcoD ha scritto:non si crea offset.
MarcoD ha scritto:Si collega ai cavetti un resistore da 1000 ohm, e si rimisura la tensione (si aspetta sia minore)

Il microfono è compatibile con qualsiasi fotocamera DSLR dotata di ingresso microfono e fornisce alimentazione (alimentazione plug-in) attraverso questa stessa porta
Nessuna batteria richiesta (alimentazione attraverso la fotocamera - min 2.5V)

Visitano il forum: Nessuno e 5 ospiti