Bias su gate Mosfet
0
voti
abusivo ha scritto:BrunoValente ha scritto:...senza alcuna modifica.
Si esatto, ci sono solo i valori di quei pochissimi componenti in più.
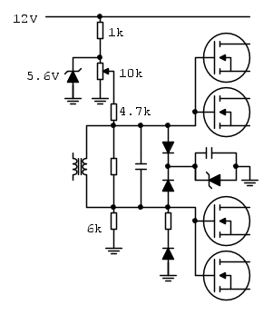
Il partitore, striminzito e ridotto all'osso, è quello che ho poc'anzi descritto.
Un trimmer che preleva una tensione stabilizzata da uno Zener e la applica ai Gate tramite una resistenza di 4,7 K.
Ma R2 c'è ancora? Meglio se fai uno schemino, non ci vuole tanto.
-

BrunoValente
39,6k 7 11 13 - G.Master EY

- Messaggi: 7796
- Iscritto il: 8 mag 2007, 14:48
0
voti
EcoTan ha scritto:...decametriche o per CitizenBand...
Ho fatto delle ricerche.
Sembra molto apprezzato dagli OM in quanto cambiando una capacità si ottiene un'altra banda di lavoro.
BrunoValente ha scritto:...M R2 c'è ancora?...
Si che c'è.
E' solo stata tolta la R4 e d al suo posto c'è il partitore poc'anzi descritto.
Tutto il resto è uguale.
Se quello che funziona basta non lo tocca' sennò te lassa!
1
voti
Ho capito, proprio non ti va di fare lo schema
Se regolando il trimmer la corrente nei mosfet non sale allora dovresti aumentare il valore di R2, ovviamente solo dopo aver verificato che la tensione sui gate varia quando si regola il trimmer.
Se regolando il trimmer la corrente nei mosfet non sale allora dovresti aumentare il valore di R2, ovviamente solo dopo aver verificato che la tensione sui gate varia quando si regola il trimmer.
-

BrunoValente
39,6k 7 11 13 - G.Master EY

- Messaggi: 7796
- Iscritto il: 8 mag 2007, 14:48
0
voti
BrunoValente ha scritto:...proprio non ti va di fare lo schema...
Si, hai ragione!
Sto facendo quattro cose contemporaneamente ...
Almeno il tempo mi passa.
Ho verificato e c'è una variazione di tensione sui gate.
Quello che mi preoccupa è rivelare il debole aumento di corrente con un fondo scala da 300 mA!
Se quello che funziona basta non lo tocca' sennò te lassa!
2
voti
Controlla se è corretto.
300mA ? Che razza di tester è? comunque se è in grado di apprezzare variazioni di 1mA dovrebbe andare bene.
Se il tuo tester speciale ha una portata di 2V come tutti quelli normali, allora puoi mettere al posto del fusibile un resistore da 100 ohm e misurare la tensione ai suoi capi, così avresti maggiore risoluzione.
Se lo schema qui sopra corrisponde alla realtà allora il partitore dovrebbe assorbire circa 6.4mA e il tester in volt messo in parallelo al resistore da 100ohm dovrebbe leggere circa 0.64V e dovresti riuscire ad apprezzare bene ogni piccolo aumento.
-

BrunoValente
39,6k 7 11 13 - G.Master EY

- Messaggi: 7796
- Iscritto il: 8 mag 2007, 14:48
0
voti
BrunoValente ha scritto:Controlla se è corretto...
E' correttissimo, giustissimo, ... GRAZIE
BrunoValente ha scritto:...300mA ? Che razza di tester è?...
E' un vecchissimo Fluke 75 molto datato ma ha ancora qualcosa da dire ...
Purtroppo, in questo periodo, non sono a casa mia e mi sono dovuto adattare a quello che ho trovato.
L'alternativa era sbattere la capoccia sul muro...
BrunoValente ha scritto:...Se il tuo tester speciale ha una portata di 2V come tutti quelli normali...
Si, si è normo dotato.
BrunoValente ha scritto:...allora puoi mettere al posto del fusibile un resistore da 100 ohm e misurare la tensione ai suoi capi...
Ma come ho fatto a non pensarci!
Vabbè mi si è ristretta anche la mente in questo periodo di ristrettezze.
Sono così ristretto che il mio "laboratorio" è ricavato in un imbotto di una porta!!!
BrunoValente ha scritto:Se lo schema qui sopra corrisponde alla realtà allora il partitore dovrebbe assorbire circa 6.4mA e il tester in volt messo in parallelo al resistore da 100ohm dovrebbe leggere circa 0.64V e dovresti poter apprezzare bene ogni piccolo aumento...
GRAZIE
Posso fare il test solo questa sera ...
Se quello che funziona basta non lo tocca' sennò te lassa!
0
voti
Allora ...
Per il momento ho fatto qualche test ripristinando la situazione iniziale della circuiteria, ovvero senza regolazione del Bias, rimontando la resistenza da 27 K.
Tanto per vedere che valori, in origine, leggevo sui Gate e per vedere quali sono i miglioramenti che si ottengono con la modifica.
Ho solo un carico fittizio per fare i test.
Per il momento l'amplificatore assorbe 8 A a 12 V, sto usando un alimentatore da server, e penso che corrispondano a 96 W.
Nel pomeriggio rismonto tutto ...
Per il momento ho fatto qualche test ripristinando la situazione iniziale della circuiteria, ovvero senza regolazione del Bias, rimontando la resistenza da 27 K.
Tanto per vedere che valori, in origine, leggevo sui Gate e per vedere quali sono i miglioramenti che si ottengono con la modifica.
Ho solo un carico fittizio per fare i test.
Per il momento l'amplificatore assorbe 8 A a 12 V, sto usando un alimentatore da server, e penso che corrispondano a 96 W.
Nel pomeriggio rismonto tutto ...
Se quello che funziona basta non lo tocca' sennò te lassa!
0
voti
AGGIORNAMENTO
Sembra incredibile ma con tutto il tempo a disposizione che il Corona ci ha regalato, non ho avuto tempo per questo progetto!
Comunque ho fatto dei test: ripristinando la circuitazione come da schema elettrico originale ho fatto delle misurazioni.
La tensione sui Gate è di 2,5 V e come previsto da
BrunoValente, che non finirò mai di ringraziare per i lumi insieme ad
EcoTan,
la tensione che leggo sui capi della resistenza di prova da 100 ohm al posto del fusibile è di 0,6 e poco più volt.
Come si poteva prevedere inserendo il circuito con il partitore di tensione sui Gate arrivano al massimo a 2,8 V senza variazioni dai 0,6 V sulla resistenza di shunt da 100 ohm.
Ora provo a sostituire la resistenza di 6 kohm, che in realtà è di 5,6 kohm, con un valore più alto.
A trovarla ...
La domanda è: fino a che tensione posso arrivare sui Gate?
C'è un limite?
Sembra incredibile ma con tutto il tempo a disposizione che il Corona ci ha regalato, non ho avuto tempo per questo progetto!
Comunque ho fatto dei test: ripristinando la circuitazione come da schema elettrico originale ho fatto delle misurazioni.
La tensione sui Gate è di 2,5 V e come previsto da
la tensione che leggo sui capi della resistenza di prova da 100 ohm al posto del fusibile è di 0,6 e poco più volt.
Come si poteva prevedere inserendo il circuito con il partitore di tensione sui Gate arrivano al massimo a 2,8 V senza variazioni dai 0,6 V sulla resistenza di shunt da 100 ohm.
Ora provo a sostituire la resistenza di 6 kohm, che in realtà è di 5,6 kohm, con un valore più alto.
A trovarla ...
La domanda è: fino a che tensione posso arrivare sui Gate?
C'è un limite?
Se quello che funziona basta non lo tocca' sennò te lassa!
Torna a Costruzione, riparazione, riutilizzo
Chi c’è in linea
Visitano il forum: Nessuno e 49 ospiti

Elettrotecnica e non solo (admin)
Un gatto tra gli elettroni (IsidoroKZ)
Esperienza e simulazioni (g.schgor)
Moleskine di un idraulico (RenzoDF)
Il Blog di ElectroYou (webmaster)
Idee microcontrollate (TardoFreak)
PICcoli grandi PICMicro (Paolino)
Il blog elettrico di carloc (carloc)
DirtEYblooog (dirtydeeds)
Di tutto... un po' (jordan20)
AK47 (lillo)
Esperienze elettroniche (marco438)
Telecomunicazioni musicali (clavicordo)
Automazione ed Elettronica (gustavo)
Direttive per la sicurezza (ErnestoCappelletti)
EYnfo dall'Alaska (mir)
Apriamo il quadro! (attilio)
H7-25 (asdf)
Passione Elettrica (massimob)
Elettroni a spasso (guidob)
Bloguerra (guerra)



