Buonasera.
Ultimamente ho un problema con il mio preamplificatore (http://www.studioprojectsusa.com/vtb1.html).
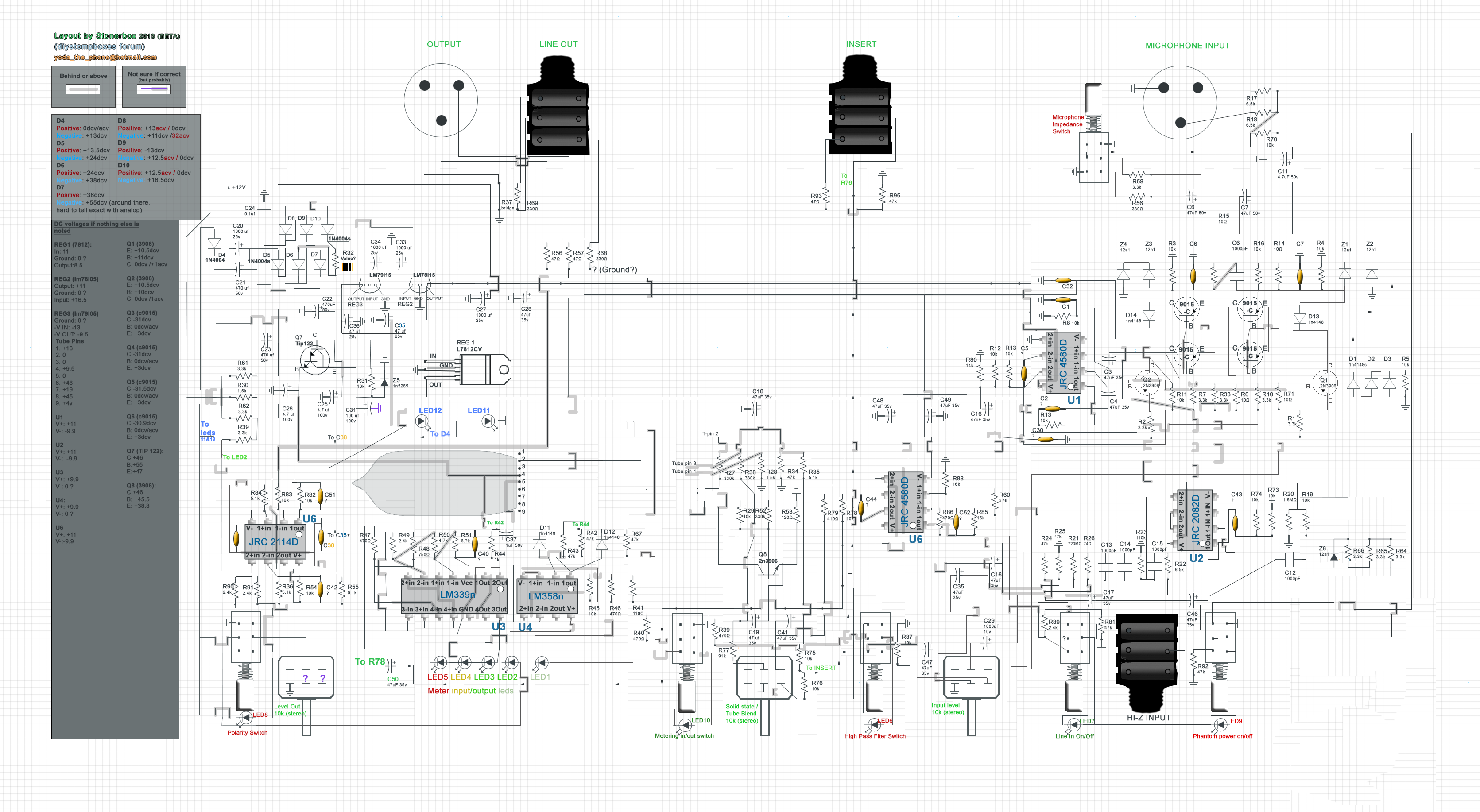
Il problema che riscontro è questo: appena acceso il preamp funziona regolarmente.. ma nel giro di qualche minuto il segnale in uscita inizia a fare pernacchie (anche senza utilizzare le valvole). Non sono un esperto, ma qualcosina riesco a farla.
Secondo voi potrebbe essere qualche condensatore?
Ho aperto la macchina e i condensatori ad occhio non presentano rigonfiamenti e perdite.
Che tipo di prove posso fare nel circuito stampato senza dover necessariamente rimuovere tutti i condensatori per provarli?
Grazie a tutti
Preamp pernacchioso
12 messaggi
• Pagina 1 di 2 • 1, 2
0
voti
Purtroppo, pur con anni di esperienza, nessuno conosce a memoria gli schemi di tutti gli apparati elettronici.
Prova a fare delle foto della scheda interna e, forse, arrivera' qualche suggerimento.
Prova a fare delle foto della scheda interna e, forse, arrivera' qualche suggerimento.
marco
0
voti
Ce ne dovrebbero essere due, un 78 e un 79.
Aspetti che il tutto spernacchi e vai sui piedini degli operazionali 4 e 8 a controllare le tensioni.
Controlla se hai altri rami di alimentazione 5 V.
E quello che dice
marco438 è sacrosanto!
Aspetti che il tutto spernacchi e vai sui piedini degli operazionali 4 e 8 a controllare le tensioni.
Controlla se hai altri rami di alimentazione 5 V.
E quello che dice
0
voti
Controlla bene, come avevo intuito hai tre rami di alimentazione, il 7812 lascialo perdere.
Ci sono, come ti avevo detto, un 78l15 ed un 79l15 ma tu vai direttamente a misurare la tensione direttamente sui piedini 4 e 8 degli operazionali.
Repetita iuvat!
Ci sono, come ti avevo detto, un 78l15 ed un 79l15 ma tu vai direttamente a misurare la tensione direttamente sui piedini 4 e 8 degli operazionali.
Repetita iuvat!
12 messaggi
• Pagina 1 di 2 • 1, 2
Torna a Costruzione, riparazione, riutilizzo
Chi c’è in linea
Visitano il forum: Nessuno e 13 ospiti

Elettrotecnica e non solo (admin)
Un gatto tra gli elettroni (IsidoroKZ)
Esperienza e simulazioni (g.schgor)
Moleskine di un idraulico (RenzoDF)
Il Blog di ElectroYou (webmaster)
Idee microcontrollate (TardoFreak)
PICcoli grandi PICMicro (Paolino)
Il blog elettrico di carloc (carloc)
DirtEYblooog (dirtydeeds)
Di tutto... un po' (jordan20)
AK47 (lillo)
Esperienze elettroniche (marco438)
Telecomunicazioni musicali (clavicordo)
Automazione ed Elettronica (gustavo)
Direttive per la sicurezza (ErnestoCappelletti)
EYnfo dall'Alaska (mir)
Apriamo il quadro! (attilio)
H7-25 (asdf)
Passione Elettrica (massimob)
Elettroni a spasso (guidob)
Bloguerra (guerra)


