Un saluto a tutto il forum.
Premetto che sono un novizio e che mi piace "giocare" con l'elettronica ma questo e' il primo vero tentativo di una applicazione pratica.
Obbiettivo: accendere e spegnere il condizionatore da remoto via gsm.
Ho saldato due fili al tasto on/off del telecomando e quando vengono circuitati accende o spegne, niente di che si simulta la pressione del tasto.
Ho a disposizione questo telecontrollo gsm http://www.dittafeb.com/telecontrollo_gsm.htm che mi ha regalato un amico.
Il problema e' che collegando i dui fili saldati sul telecomando alle uscite del telecontrollo, il pulsante risulta costantemente premuto in quanto non so come fare a circuitare e poi immediatamente a rilasciare il contatto.
Non so se mi sono spiegato benissimo ma cercavo una soluzione senza dover mettere mano all'impianto.
Grazie a tutti per eventuali consigli.
Controllo remoto condizionatore
17 messaggi
• Pagina 1 di 2 • 1, 2
0
voti
0
voti
Come hai eseguito il collegamento? Su quali morsetti del ricevitore?
Ti riferisci al fatto che il comando viene mantenuto invece di essere del tipo "a impulso"? Qual è il problema pratico?
Ti riferisci al fatto che il comando viene mantenuto invece di essere del tipo "a impulso"? Qual è il problema pratico?
Ognuno sta solo sul cuor della terra
trafitto da un raggio di sole:
ed è subito sera
Salvatore Quasimodo
trafitto da un raggio di sole:
ed è subito sera
Salvatore Quasimodo
0
voti
Se i dui fili saldai sul pulsante on/off del telecomando li collego su com e na il telecomando accende lo splitter ma poi risulta continuamente premuto ed attiva una nuova funzione, quella di ricerca della marca di condizionatore da configurare.
Stessa cosa se collego com e nc, attivo la chiamata, il telecomando accende ma poi stessa cosa di cui sopra.
In pratica non risco a simulare il rilascio del tasto immagino tipo quello definito "apricancello".
In definitica dovrei trovare il modo, anche con un circuitino ulteriore (per il quale non ho la piu' pallida idea) di
attivare il rele' del telencontrollo GSM (e questo lo fa) ma di chiuderlo immediatamente dopo l'attivazione.
So che faccio un po' fatica a spiegarmi ma il funzionamento dovrebbe essere questo:
Corrocircuito dei due fili del telecomando e successivo rilascio: accende (se spento)
Cortocircuito dei due fili del telecomando e successivo rilascio: spegne (se acceso)
Stessa cosa se collego com e nc, attivo la chiamata, il telecomando accende ma poi stessa cosa di cui sopra.
In pratica non risco a simulare il rilascio del tasto immagino tipo quello definito "apricancello".
In definitica dovrei trovare il modo, anche con un circuitino ulteriore (per il quale non ho la piu' pallida idea) di
attivare il rele' del telencontrollo GSM (e questo lo fa) ma di chiuderlo immediatamente dopo l'attivazione.
So che faccio un po' fatica a spiegarmi ma il funzionamento dovrebbe essere questo:
Corrocircuito dei due fili del telecomando e successivo rilascio: accende (se spento)
Cortocircuito dei due fili del telecomando e successivo rilascio: spegne (se acceso)
1
voti
Con il Telecontrollo non basta per fare quello che pensi:
Devi aggiungere alla morsettiera del ricevitore un circuito monostabile che quando riceve l'impulso da NO a NC il comando all'interruttore del condizionatore lo riceva solo una volta.
Ad esempio puoi mettere in uscita al monostabile un piccolo rele' configurato NO e quando riceve l'impulso dalla modulo GSM chiude il contatto per un instante e poi torna a riposo.
Devi aggiungere alla morsettiera del ricevitore un circuito monostabile che quando riceve l'impulso da NO a NC il comando all'interruttore del condizionatore lo riceva solo una volta.
Ad esempio puoi mettere in uscita al monostabile un piccolo rele' configurato NO e quando riceve l'impulso dalla modulo GSM chiude il contatto per un instante e poi torna a riposo.
⋮ƎlectroYou
-

stefanob70
14,1k 5 11 13 - Master EY

- Messaggi: 3190
- Iscritto il: 14 lug 2012, 13:14
- Località: Roma
0
voti
Quoto
stefanob70. Un circuito monostabile potrebbe essere questo:
Per accendere dovrai comandare col telecontrollo accensione + spegnimento.
Per spegnere, idem, dovrai comandare accensione + spegnimento.
Il problema è che se ti dimentichi lo stato che hai lasciato, non hai modo di saperlo dall'esterno.
Per accendere dovrai comandare col telecontrollo accensione + spegnimento.
Per spegnere, idem, dovrai comandare accensione + spegnimento.
Il problema è che se ti dimentichi lo stato che hai lasciato, non hai modo di saperlo dall'esterno.
Big fan of ⋮ƎlectroYou! Ausili per disabili e anziani su ⋮ƎlectroYou
Caratteri utili: À È É Ì Ò Ó Ù α β γ δ ε η θ λ μ π ρ σ τ φ ω Ω º ª ² ³ √ ∛ ∜ ₀ ₁ ₂ ₃ ₄ ₅ ₆ ∃ ∄ ∆ ∈ ∉ ± ∓ ∾ ≃ ≈ ≠ ≤ ≥
Caratteri utili: À È É Ì Ò Ó Ù α β γ δ ε η θ λ μ π ρ σ τ φ ω Ω º ª ² ³ √ ∛ ∜ ₀ ₁ ₂ ₃ ₄ ₅ ₆ ∃ ∄ ∆ ∈ ∉ ± ∓ ∾ ≃ ≈ ≠ ≤ ≥
0
voti
Grazie a tutti per le risposte e vediamo se ho capito
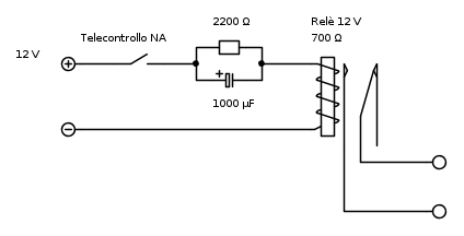
Resistenza 2200 ohm
Condensatore da 1000 (necessario???)
Rele monostabile da 12v in quanto alimentato dal telecontrollo
Ma rispetto a quali valori sono state dimensionate le resistenze?
e poi il valore della resistenza del rele' e' determinante?
e per ultimo potrebbe andare bene un 36.11.9.012.0000 finder 12v 10A/250V, che ho trovato in un kit di montaggio?
Perdonate la raffica di domande....
Per quanto riguarda il controllo dello stato e' possibile interrogare il telecontrollo se acceso o spento e in piu' da la temperatura ambiente (meglio di niente).
Resistenza 2200 ohm
Condensatore da 1000 (necessario???)
Rele monostabile da 12v in quanto alimentato dal telecontrollo
Ma rispetto a quali valori sono state dimensionate le resistenze?
e poi il valore della resistenza del rele' e' determinante?
e per ultimo potrebbe andare bene un 36.11.9.012.0000 finder 12v 10A/250V, che ho trovato in un kit di montaggio?
Perdonate la raffica di domande....
Per quanto riguarda il controllo dello stato e' possibile interrogare il telecontrollo se acceso o spento e in piu' da la temperatura ambiente (meglio di niente).
0
voti
gino09 ha scritto:Perdonate la raffica di domande....
No no fai pure io ho "acceso" il "tassametro"...
⋮ƎlectroYou
-

stefanob70
14,1k 5 11 13 - Master EY

- Messaggi: 3190
- Iscritto il: 14 lug 2012, 13:14
- Località: Roma
1
voti
Dunque, provo a rispondere...
Il prodotto della resistenza del relè e della capacità del condensatore determina la costante di tempo del circuito.
Per cui sì, il condensatore è necessario e la resistenza del relè è determinante in questo circuito.
Con quei valori il relè dovrebbe restare attratto circa mezzo secondo.
Quella del relè l'ho già spiegato.
Invece la resistenza da 2200 Ω è circa il triplo della resistenza del relè. Quindi una volta esaurito il transitorio di carica del condensatore, il partitore formato dalla resistenza da 2200 Ω e dalla bobina del relè riduce la tensione sulla bobina del relè a circa un quarto della tensione d'alimentazione.
Con 12 V di alimentazione, avremo circa 3 V sulla bobina, sicuramente insufficienti a mantenere il relè attratto. Quindi il relè si disecciterà.
Un valore superiore a 2200 Ω da questo punto di vista andrebbe ancora bene. Ma siccome questa resistenza serve per scaricare il condensatore quando il telecontrollo riapre il contatto, è desiderabile che il tempo di ripristino non sia troppo lungo, e quindi il valore non deve essere troppo alto.
Quel relè andrebbe quasi bene, la resistenza della bobina è però un po' bassa (400 Ω). Quindi il relè resterebbe attratto un tempo molto breve, forse 0,3 s, che potrebbero comunque essere sufficienti.
Il circuito che ho disegnato è pensato per la massima semplicità e il minimo numero di componenti, però mi rendo conto che un condensatore da 1000 μF è un po' grosso e potrebbe non essere immediato trovare un relè con bobina da 700 Ω.
Quindi ti propongo un circuito alternativo, che non richiede un condensatore così grosso e non è così critico con la resistenza del relè:
Con questo circuito il relè resterà attratto circa un secondo, e il ripristino avverrà in un po' più di due secondi (diciamo quattro - sei secondi).
Un circuito più "canonico" potrebbe far uso di un timer 555, ma per quest'applicazione si può anche farne a meno.
gino09 ha scritto:Condensatore da 1000 (necessario???)
...
e poi il valore della resistenza del rele' e' determinante?
Il prodotto della resistenza del relè e della capacità del condensatore determina la costante di tempo del circuito.
Per cui sì, il condensatore è necessario e la resistenza del relè è determinante in questo circuito.
Con quei valori il relè dovrebbe restare attratto circa mezzo secondo.
gino09 ha scritto:Ma rispetto a quali valori sono state dimensionate le resistenze?
Quella del relè l'ho già spiegato.
Invece la resistenza da 2200 Ω è circa il triplo della resistenza del relè. Quindi una volta esaurito il transitorio di carica del condensatore, il partitore formato dalla resistenza da 2200 Ω e dalla bobina del relè riduce la tensione sulla bobina del relè a circa un quarto della tensione d'alimentazione.
Con 12 V di alimentazione, avremo circa 3 V sulla bobina, sicuramente insufficienti a mantenere il relè attratto. Quindi il relè si disecciterà.
Un valore superiore a 2200 Ω da questo punto di vista andrebbe ancora bene. Ma siccome questa resistenza serve per scaricare il condensatore quando il telecontrollo riapre il contatto, è desiderabile che il tempo di ripristino non sia troppo lungo, e quindi il valore non deve essere troppo alto.
gino09 ha scritto:e per ultimo potrebbe andare bene un 36.11.9.012.0000 finder 12 V 10A/250V, che ho trovato in un kit di montaggio?
Quel relè andrebbe quasi bene, la resistenza della bobina è però un po' bassa (400 Ω). Quindi il relè resterebbe attratto un tempo molto breve, forse 0,3 s, che potrebbero comunque essere sufficienti.
Il circuito che ho disegnato è pensato per la massima semplicità e il minimo numero di componenti, però mi rendo conto che un condensatore da 1000 μF è un po' grosso e potrebbe non essere immediato trovare un relè con bobina da 700 Ω.
Quindi ti propongo un circuito alternativo, che non richiede un condensatore così grosso e non è così critico con la resistenza del relè:
Con questo circuito il relè resterà attratto circa un secondo, e il ripristino avverrà in un po' più di due secondi (diciamo quattro - sei secondi).
Un circuito più "canonico" potrebbe far uso di un timer 555, ma per quest'applicazione si può anche farne a meno.
Big fan of ⋮ƎlectroYou! Ausili per disabili e anziani su ⋮ƎlectroYou
Caratteri utili: À È É Ì Ò Ó Ù α β γ δ ε η θ λ μ π ρ σ τ φ ω Ω º ª ² ³ √ ∛ ∜ ₀ ₁ ₂ ₃ ₄ ₅ ₆ ∃ ∄ ∆ ∈ ∉ ± ∓ ∾ ≃ ≈ ≠ ≤ ≥
Caratteri utili: À È É Ì Ò Ó Ù α β γ δ ε η θ λ μ π ρ σ τ φ ω Ω º ª ² ³ √ ∛ ∜ ₀ ₁ ₂ ₃ ₄ ₅ ₆ ∃ ∄ ∆ ∈ ∉ ± ∓ ∾ ≃ ≈ ≠ ≤ ≥
0
voti
Grazie mille,
Adesso ci studio su e poi vi aggiorno sugli sviluppi.
Sorprendente nel fatidico cassetto ho anche un bc337
Adesso ci studio su e poi vi aggiorno sugli sviluppi.
Sorprendente nel fatidico cassetto ho anche un bc337
0
voti
Prima domanda stupida: ma dei 5 pin del relè, nel mio caso ne uso solo 4?
2 sono della bobina e 2 per aperto o chiuso mentre il quinto al contrario chiuderebbe o aprirebbe e quindi non mi serve.
Aspetto pubblica fustigazione.
2 sono della bobina e 2 per aperto o chiuso mentre il quinto al contrario chiuderebbe o aprirebbe e quindi non mi serve.
Aspetto pubblica fustigazione.
17 messaggi
• Pagina 1 di 2 • 1, 2
Torna a Costruzione, riparazione, riutilizzo
Chi c’è in linea
Visitano il forum: Nessuno e 14 ospiti

Elettrotecnica e non solo (admin)
Un gatto tra gli elettroni (IsidoroKZ)
Esperienza e simulazioni (g.schgor)
Moleskine di un idraulico (RenzoDF)
Il Blog di ElectroYou (webmaster)
Idee microcontrollate (TardoFreak)
PICcoli grandi PICMicro (Paolino)
Il blog elettrico di carloc (carloc)
DirtEYblooog (dirtydeeds)
Di tutto... un po' (jordan20)
AK47 (lillo)
Esperienze elettroniche (marco438)
Telecomunicazioni musicali (clavicordo)
Automazione ed Elettronica (gustavo)
Direttive per la sicurezza (ErnestoCappelletti)
EYnfo dall'Alaska (mir)
Apriamo il quadro! (attilio)
H7-25 (asdf)
Passione Elettrica (massimob)
Elettroni a spasso (guidob)
Bloguerra (guerra)





