Aiuto per testare optocoupler High Speed Phototransistor
24 messaggi
• Pagina 1 di 3 • 1, 2, 3
0
voti
devo riparare una scheda inverter per ventola caldaia a gas, mi sono imbattuto in un optocoupler High Speed Phototransistor che non sono riuscito a testare, non so se si testa come tutti gli altri o ho bisogno di un test diverso, chiedo un vostro aiuto, vi è mai capitato di testare un componente simile? vedi pdf:
- Allegati
-
SFH636.PDF- (141.7 KiB) Scaricato 115 volte
-

elektronik
7.800 4 6 7 - Master

- Messaggi: 3836
- Iscritto il: 12 mag 2015, 22:26
0
voti
non ho capito se l'opto di cui parli è l'originale montato?
oppure se vuoi testare un opto che usi come ricambio, il che basterebbe leggere il datasheets, sullo stesso ci sono anche i circuiti di test.
saluti.
oppure se vuoi testare un opto che usi come ricambio, il che basterebbe leggere il datasheets, sullo stesso ci sono anche i circuiti di test.
saluti.
-

lelerelele
4.899 3 7 9 - Master

- Messaggi: 5505
- Iscritto il: 8 giu 2011, 8:57
- Località: Reggio Emilia
0
voti
lelerelele ha scritto:non ho capito se l'opto di cui parli è l'originale montato?
sullo stesso ci sono anche i circuiti di test. saluti.
ciao
-

elektronik
7.800 4 6 7 - Master

- Messaggi: 3836
- Iscritto il: 12 mag 2015, 22:26
0
voti
Ciao Antonio,
per testarlo, sul data sheet che hai messo ci sono un paio di circuiti che ti permettono di di testarlo.

per testarlo, sul data sheet che hai messo ci sono un paio di circuiti che ti permettono di di testarlo.

Alex
https://www.facebook.com/Elettronicaeelettrotecnica
<< vedi di pigliare arditamente in mano, il dizionario che ti suona in bocca,
se non altro è schietto e paesano.
(Giuseppe Giusti) <<
https://www.facebook.com/Elettronicaeelettrotecnica
<< vedi di pigliare arditamente in mano, il dizionario che ti suona in bocca,
se non altro è schietto e paesano.
(Giuseppe Giusti) <<
0
voti
setteali ha scritto:Ciao Antonio,
per testarlo, sul data sheet che hai messo ci sono un paio di circuiti che ti permettono di di testarlo.
![]()
Ciao
-

elektronik
7.800 4 6 7 - Master

- Messaggi: 3836
- Iscritto il: 12 mag 2015, 22:26
2
voti
Non ha importanza che tu lo provi con un generatore, lo provi in maniera continua, stando attento a far scorre 6-7 mA nel led ed in uscita metti un resistore ed un led .
Alex
https://www.facebook.com/Elettronicaeelettrotecnica
<< vedi di pigliare arditamente in mano, il dizionario che ti suona in bocca,
se non altro è schietto e paesano.
(Giuseppe Giusti) <<
https://www.facebook.com/Elettronicaeelettrotecnica
<< vedi di pigliare arditamente in mano, il dizionario che ti suona in bocca,
se non altro è schietto e paesano.
(Giuseppe Giusti) <<
4
voti
Ciao, per prova ho usato un fotoaccoppiatore analogo (6n136) non avendo il modello esatto:
Ricordati che questo tipo di fotoaccoppiatori hanno un fotodiodo come rilevatore (non un fototransistor) che deve essere alimentato. Per cui anche il pin 6 deve andare a VCC .
Nella mia prova ho fatto il circuito di test come da Datasheet con uscita open collector, per cui ti trovi che il segnale si inverte.
Come misure sul campo puoi solo misurare il led di ingresso, se invece lo testi su breadboard poi verificare come ti ha segnalato Setteali , ricordandoti di alimentare anche il pin 6
Ricordati che questo tipo di fotoaccoppiatori hanno un fotodiodo come rilevatore (non un fototransistor) che deve essere alimentato. Per cui anche il pin 6 deve andare a VCC .
Nella mia prova ho fatto il circuito di test come da Datasheet con uscita open collector, per cui ti trovi che il segnale si inverte.
Come misure sul campo puoi solo misurare il led di ingresso, se invece lo testi su breadboard poi verificare come ti ha segnalato Setteali , ricordandoti di alimentare anche il pin 6
- Codice: Seleziona tutto
[code=php]per il codice a colori[/code]
0
voti
Jackd ha scritto:Ciao, per prova ho usato un fotoaccoppiatore analogo (6n136) non avendo il modello esatto:
Ricordati che questo tipo di fotoaccoppiatori hanno un fotodiodo come rilevatore (non un fototransistor) che deve essere alimentato.
Grazie a tutti ma a
-

elektronik
7.800 4 6 7 - Master

- Messaggi: 3836
- Iscritto il: 12 mag 2015, 22:26
0
voti
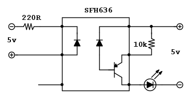
Purtroppo mi sono accorto che il SFH636 non ha solo il led interno ad essere invertito ma anche il transistor interno con diodo ad avere il transistor con il collettore invertito con l'emettitore ed è un PNP e non un NPN, aiutatemi a capire come va adeguato il circuito.
P. S. Va bene lo schema che ho disegnato?
P. S. Va bene lo schema che ho disegnato?
-

elektronik
7.800 4 6 7 - Master

- Messaggi: 3836
- Iscritto il: 12 mag 2015, 22:26
3
voti
Si lo schema è corretto, ma ho corretto i valori dei resistori, così il led emitting non ha 22 mA ed il transistor invece ha più corrente.
Come vedi ho messo un altro led in serie al led emitting così ti rendi conto se è pilotato o meno.
In pratica quando è acceso il led sull'emitting, è acceso anche quello in uscita e viceversa.
Come vedi ho messo un altro led in serie al led emitting così ti rendi conto se è pilotato o meno.
In pratica quando è acceso il led sull'emitting, è acceso anche quello in uscita e viceversa.
Alex
https://www.facebook.com/Elettronicaeelettrotecnica
<< vedi di pigliare arditamente in mano, il dizionario che ti suona in bocca,
se non altro è schietto e paesano.
(Giuseppe Giusti) <<
https://www.facebook.com/Elettronicaeelettrotecnica
<< vedi di pigliare arditamente in mano, il dizionario che ti suona in bocca,
se non altro è schietto e paesano.
(Giuseppe Giusti) <<
24 messaggi
• Pagina 1 di 3 • 1, 2, 3
Torna a Costruzione, riparazione, riutilizzo
Chi c’è in linea
Visitano il forum: Nessuno e 37 ospiti

Elettrotecnica e non solo (admin)
Un gatto tra gli elettroni (IsidoroKZ)
Esperienza e simulazioni (g.schgor)
Moleskine di un idraulico (RenzoDF)
Il Blog di ElectroYou (webmaster)
Idee microcontrollate (TardoFreak)
PICcoli grandi PICMicro (Paolino)
Il blog elettrico di carloc (carloc)
DirtEYblooog (dirtydeeds)
Di tutto... un po' (jordan20)
AK47 (lillo)
Esperienze elettroniche (marco438)
Telecomunicazioni musicali (clavicordo)
Automazione ed Elettronica (gustavo)
Direttive per la sicurezza (ErnestoCappelletti)
EYnfo dall'Alaska (mir)
Apriamo il quadro! (attilio)
H7-25 (asdf)
Passione Elettrica (massimob)
Elettroni a spasso (guidob)
Bloguerra (guerra)




