Si una volta stabilito il Comune trovi il contatto NA(normalmente aperto) e NO(normalmente chiuso)
Quello che non ti serve lo lasci libero.
Controllo remoto condizionatore
17 messaggi
• Pagina 2 di 2 • 1, 2
0
voti
Ho provato a simulare il circuito, scusate il file ma non so come farlo visualizzare nel corpo del testo, e sperando di aver fatto tutto come si deve, ho dovuto aggiungere un'ulteriore resistenza per evitare che il transistor esplodesse.
A questo punto pero' quando attivo il telecontrollo, chiudo il circuito, il relay si attiva e poi si disattiva ma logicamente il condensatore resta in tensione: e' corretto?
Secondo problema per attivare nuovamente il relay e quindi spegnere il condizionatore sarei costretto a telefonare al telecontrollo per aprire il circuito e poi nuovamente a chiamare per chiuderlo : cosa mi sfugge?
Grazie
PS: mi sto divertendo un sacco ed imparando un sacco di cose!!
A questo punto pero' quando attivo il telecontrollo, chiudo il circuito, il relay si attiva e poi si disattiva ma logicamente il condensatore resta in tensione: e' corretto?
Secondo problema per attivare nuovamente il relay e quindi spegnere il condizionatore sarei costretto a telefonare al telecontrollo per aprire il circuito e poi nuovamente a chiamare per chiuderlo : cosa mi sfugge?
Grazie
PS: mi sto divertendo un sacco ed imparando un sacco di cose!!
- Allegati
-
document1.pdf- Simulazione
- (28.61 KiB) Scaricato 128 volte
0
voti
Ciao
gino09,
Questo perché hai collegato il transistor a emettitore comune anziché a collettore comune.
Il valore della resistenza aggiunta comunque è un po' alto.
Sì.
Niente. Il circuito funziona così.
Se vuoi che ad ogni commutazione del relè del telecontrollo, il circuito generi una breve chiusura del suo relè, puoi modificare il circuito così:
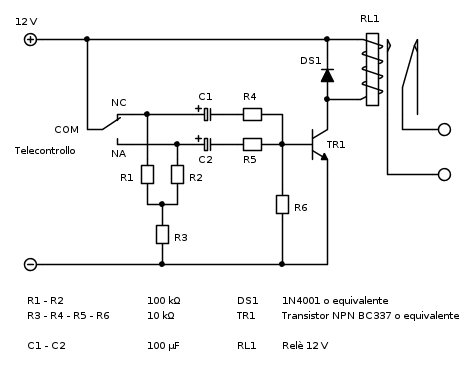
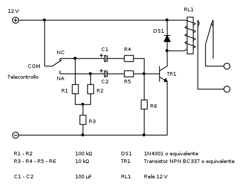
R3 serve per garantire che i condensatori elettrolitici non vengano in nessun momento sottoposti a tensioni inverse.
Attenzione che se trasformi i comandi di "accensione" e "spegnimento" in comandi di "inversione dello stato attuale" potresti avere perdite di sincronismo. Ovvero, per esempio, credere che il condizionatore è acceso mentre in realtà è spento, inviare il comando di spegnimento e ottenerne invece l'accensione.
Per esempio, che cosa succede se viene a mancare la corrente per qualche minuto mentre il condizionatore è acceso? E mentre è spento? Sono casi da verificare.
In caso di perdite di sincronismo, bisognerebbe prevedere qualche dispositivo di sicurezza che spenga in ogni caso il condizionatore dopo un tempo limite di qualche ora.

gino09 ha scritto:ho dovuto aggiungere un'ulteriore resistenza per evitare che il transistor esplodesse.
Questo perché hai collegato il transistor a emettitore comune anziché a collettore comune.
Il valore della resistenza aggiunta comunque è un po' alto.
gino09 ha scritto:A questo punto pero' quando attivo il telecontrollo, chiudo il circuito, il relay si attiva e poi si disattiva ma logicamente il condensatore resta in tensione: e' corretto?
Sì.
gino09 ha scritto:Secondo problema per attivare nuovamente il relay e quindi spegnere il condizionatore sarei costretto a telefonare al telecontrollo per aprire il circuito e poi nuovamente a chiamare per chiuderlo : cosa mi sfugge?
Niente. Il circuito funziona così.
Se vuoi che ad ogni commutazione del relè del telecontrollo, il circuito generi una breve chiusura del suo relè, puoi modificare il circuito così:
R3 serve per garantire che i condensatori elettrolitici non vengano in nessun momento sottoposti a tensioni inverse.
Attenzione che se trasformi i comandi di "accensione" e "spegnimento" in comandi di "inversione dello stato attuale" potresti avere perdite di sincronismo. Ovvero, per esempio, credere che il condizionatore è acceso mentre in realtà è spento, inviare il comando di spegnimento e ottenerne invece l'accensione.
Per esempio, che cosa succede se viene a mancare la corrente per qualche minuto mentre il condizionatore è acceso? E mentre è spento? Sono casi da verificare.
In caso di perdite di sincronismo, bisognerebbe prevedere qualche dispositivo di sicurezza che spenga in ogni caso il condizionatore dopo un tempo limite di qualche ora.
gino09 ha scritto:mi sto divertendo un sacco ed imparando un sacco di cose!!

Big fan of ⋮ƎlectroYou! Ausili per disabili e anziani su ⋮ƎlectroYou
Caratteri utili: À È É Ì Ò Ó Ù α β γ δ ε η θ λ μ π ρ σ τ φ ω Ω º ª ² ³ √ ∛ ∜ ₀ ₁ ₂ ₃ ₄ ₅ ₆ ∃ ∄ ∆ ∈ ∉ ± ∓ ∾ ≃ ≈ ≠ ≤ ≥
Caratteri utili: À È É Ì Ò Ó Ù α β γ δ ε η θ λ μ π ρ σ τ φ ω Ω º ª ² ³ √ ∛ ∜ ₀ ₁ ₂ ₃ ₄ ₅ ₆ ∃ ∄ ∆ ∈ ∉ ± ∓ ∾ ≃ ≈ ≠ ≤ ≥
0
voti
Prima di mettere mano al saldatore e avendo ormai la fissa di volere simulare questo circuito, ho qualche problemino a replicare il telecontrollo con "yenka" anche se alla fine mi pare di aver capito che altro non e' che un rele' che si attiva con una telefonata, qualcuno potrebbe spiegare esattamente csa significa quanto e' scritto sul manuale :
Uscita tipo: relè bistabile di segnale dati di targa:
0,3A- 125VAC O,3A- 110V DC lA -3OVDC
Grazie ancora per la pazienza.
Uscita tipo: relè bistabile di segnale dati di targa:
0,3A- 125VAC O,3A- 110V DC lA -3OVDC
Grazie ancora per la pazienza.
1
voti
gino09 ha scritto:...mi pare di aver capito che altro non e' che un rele' che si attiva con una telefonata...
Infatti. Più precisamente che si attiva con un SMS contenente il comando "Accendi" o "Spegni". Peccato non abbiano previsto un comando "Attiva per n secondi".
gino09 ha scritto:Uscita tipo: relè bistabile
Vuol dire che il relè di uscita ha due stati (attivato e disattivato) stabili (cioè mantenuti indefinitamente anche in mancanza di alimentazione, grazie alla meccanica costruttiva del relè). Almeno dovrebbe essere così, ma è prudente verificare.
gino09 ha scritto:di segnale
Vuol dire che non è di potenza. Cioè, può commutare tensioni e correnti relativamente piccole.
gino09 ha scritto:0,3A- 125VAC O,3A- 110V DC lA -3OVDC
E qui abbiamo la conferma che non è un relè di potenza. Non può commutare carichi di vari amper a 230 V alternati o oltre.
Per l'alternata si ferma a 125 volt e 0,3 amper.
Per la continua arriva a 110 volt e 0,3 amper.
Sempre in continua, riducendo la tensione a 30 volt, può arrivare a commutare una corrente maggiore, e precisamente 1 amper.
Quindi va usato per pilotare carichi relativamente piccoli.
Per simulare un tasto di telecomando va bene.
Essendo in tal caso la tensione e la corrente commutata bassissime, di pochi volt e forse qualche microamper, sarebbe ancor meglio se i contatti fossero immuni all'ossido, quindi realizzati in metallo nobile e meglio ancora sigillati... sarebbe meglio.
gino09 ha scritto:Grazie ancora per la pazienza.
Non ti preoccupare. Tu chiedi, se qualcuno lo sa e ha tempo, ti risponderà.

Big fan of ⋮ƎlectroYou! Ausili per disabili e anziani su ⋮ƎlectroYou
Caratteri utili: À È É Ì Ò Ó Ù α β γ δ ε η θ λ μ π ρ σ τ φ ω Ω º ª ² ³ √ ∛ ∜ ₀ ₁ ₂ ₃ ₄ ₅ ₆ ∃ ∄ ∆ ∈ ∉ ± ∓ ∾ ≃ ≈ ≠ ≤ ≥
Caratteri utili: À È É Ì Ò Ó Ù α β γ δ ε η θ λ μ π ρ σ τ φ ω Ω º ª ² ³ √ ∛ ∜ ₀ ₁ ₂ ₃ ₄ ₅ ₆ ∃ ∄ ∆ ∈ ∉ ± ∓ ∾ ≃ ≈ ≠ ≤ ≥
0
voti
Ho provato a SIMULARE l'ultimo circuito proposto da GuidoB e funziona perfettamente, ma al fine di risurre al minimo i componenti ho trovato questo schema che utilizza un solo condensatore e due diodi e una resistenza.
Opportunamente adattato ai 12 volt e ai componendi che ho a disposizone, in SIMULAZIONE, funziona anche questo.
Ci sono controindicazioni tra uno e l'altro schema?

Risolto questo dilemma provero' sulla basetta ma come vedete posso metterci mano solo nel fine settimana.
Opportunamente adattato ai 12 volt e ai componendi che ho a disposizone, in SIMULAZIONE, funziona anche questo.
Ci sono controindicazioni tra uno e l'altro schema?

Risolto questo dilemma provero' sulla basetta ma come vedete posso metterci mano solo nel fine settimana.
0
voti
gino09 ha scritto:Ci sono controindicazioni tra uno e l'altro schema?
L'ultimo che hai postato attiva il relè solo al comando di accensione (non allo spegnimento) (primo problema).
In più il condensatore resta carico (a meno di una minima corrente di perdita), e quindi a successivi comandi di accensione il relè non si attiverà più (secondo problema).
Per risolvere questo secondo problema dovresti collegare una resistenza tra il positivo del condensatore e la massa, come nel circuito al post 8, che usa solo un transistor, un condensatore e due resistenze.
Ma come avevi già notato al post 12, comanda il relè solo al comando di accensione e non allo spegnimento (si presentava il primo problema anche lì).
Il circuito al post 13 risolve anche il primo problema, ma usa più componenti. È il prezzo da pagare per la prestazione in più.

Big fan of ⋮ƎlectroYou! Ausili per disabili e anziani su ⋮ƎlectroYou
Caratteri utili: À È É Ì Ò Ó Ù α β γ δ ε η θ λ μ π ρ σ τ φ ω Ω º ª ² ³ √ ∛ ∜ ₀ ₁ ₂ ₃ ₄ ₅ ₆ ∃ ∄ ∆ ∈ ∉ ± ∓ ∾ ≃ ≈ ≠ ≤ ≥
Caratteri utili: À È É Ì Ò Ó Ù α β γ δ ε η θ λ μ π ρ σ τ φ ω Ω º ª ² ³ √ ∛ ∜ ₀ ₁ ₂ ₃ ₄ ₅ ₆ ∃ ∄ ∆ ∈ ∉ ± ∓ ∾ ≃ ≈ ≠ ≤ ≥
17 messaggi
• Pagina 2 di 2 • 1, 2
Torna a Costruzione, riparazione, riutilizzo
Chi c’è in linea
Visitano il forum: Nessuno e 17 ospiti

Elettrotecnica e non solo (admin)
Un gatto tra gli elettroni (IsidoroKZ)
Esperienza e simulazioni (g.schgor)
Moleskine di un idraulico (RenzoDF)
Il Blog di ElectroYou (webmaster)
Idee microcontrollate (TardoFreak)
PICcoli grandi PICMicro (Paolino)
Il blog elettrico di carloc (carloc)
DirtEYblooog (dirtydeeds)
Di tutto... un po' (jordan20)
AK47 (lillo)
Esperienze elettroniche (marco438)
Telecomunicazioni musicali (clavicordo)
Automazione ed Elettronica (gustavo)
Direttive per la sicurezza (ErnestoCappelletti)
EYnfo dall'Alaska (mir)
Apriamo il quadro! (attilio)
H7-25 (asdf)
Passione Elettrica (massimob)
Elettroni a spasso (guidob)
Bloguerra (guerra)





