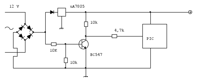
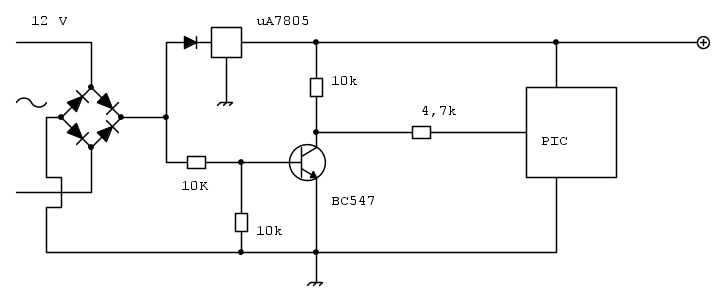
beh, ci è voluto il suo tempo, ma il problema lo ho risolto.
sostituendo la resistenza da 4,7 K con una da 1 k. Mi resta da capire come mai abbia in precedenza funzionato per 4 o 5 anni.
Scheda stufa a pellet : difetto controllo ventole
11 messaggi
• Pagina 2 di 2 • 1, 2
11 messaggi
• Pagina 2 di 2 • 1, 2
Torna a Costruzione, riparazione, riutilizzo
Chi c’è in linea
Visitano il forum: Google [Bot] e 12 ospiti

Elettrotecnica e non solo (admin)
Un gatto tra gli elettroni (IsidoroKZ)
Esperienza e simulazioni (g.schgor)
Moleskine di un idraulico (RenzoDF)
Il Blog di ElectroYou (webmaster)
Idee microcontrollate (TardoFreak)
PICcoli grandi PICMicro (Paolino)
Il blog elettrico di carloc (carloc)
DirtEYblooog (dirtydeeds)
Di tutto... un po' (jordan20)
AK47 (lillo)
Esperienze elettroniche (marco438)
Telecomunicazioni musicali (clavicordo)
Automazione ed Elettronica (gustavo)
Direttive per la sicurezza (ErnestoCappelletti)
EYnfo dall'Alaska (mir)
Apriamo il quadro! (attilio)
H7-25 (asdf)
Passione Elettrica (massimob)
Elettroni a spasso (guidob)
Bloguerra (guerra)

