Cos'è ElectroYou | Login Iscriviti

ElectroYou - la comunità dei professionisti del mondo elettrico

Alimentatore Roland guasto

Tecniche per la costruzione e la riparazione di apparecchiature elettriche e non. Ricerca guasti. Adattamenti e riutilizzazioni
0
voti

[11] Re: Alimentatore Roland guasto

Messaggioda Foto UtenteAletox » 1 ago 2015, 13:46

Ok grazie, volevo procedere in quel modo nel pomeriggio..
Ma ti chiedo cortesemente di togliermi il mio unico dubbio, se io li testo con il prova giunzioni posso comunque affermare che siano buoni? O il prova giunzioni mi indica solamente il verso della giunzione?

Grazie mille per la disponibilità! :D
"La teoria attrae la pratica come il magnete attrae il ferro" C. Gauss

Seguitemi anche su youtube, un saluto da AT O_/
https://www.youtube.com/c/atlaboratory
Avatar utente
Foto UtenteAletox
1.095 1 6 13
Expert
Expert
 
Messaggi: 263
Iscritto il: 27 feb 2014, 22:01

0
voti

[12] Re: Alimentatore Roland guasto

Messaggioda Foto Utentemarco438 » 1 ago 2015, 13:51

Leggiti l'articolo; io potrei solo ripetere quello che c'e' scritto. :mrgreen:
marco
Avatar utente
Foto Utentemarco438
37,1k 7 11 13
-EY Legend-
-EY Legend-
 
Messaggi: 16323
Iscritto il: 24 mar 2010, 15:09
Località: Versilia

0
voti

[13] Re: Alimentatore Roland guasto

Messaggioda Foto UtenteAletox » 1 ago 2015, 13:59

Letto tutto, compreso di commenti :-) la risposta è che il multimetro digitale con la funzione "testa diodi" evidenzia la giunzione, come dicevano in un commento ho potuto verificare sui 2N3055 che le giunzioni hanno resistenze molto elevate in un verso (ordine dei Mohm) e nell'altro si va a circuito aperto.
Quindi salvo la verifica dell'hfe potri affermare che i due 2N3055 son buoni :D
Manca il BD707 che vedrò nel pomeriggio...
"La teoria attrae la pratica come il magnete attrae il ferro" C. Gauss

Seguitemi anche su youtube, un saluto da AT O_/
https://www.youtube.com/c/atlaboratory
Avatar utente
Foto UtenteAletox
1.095 1 6 13
Expert
Expert
 
Messaggi: 263
Iscritto il: 27 feb 2014, 22:01

0
voti

[14] Re: Alimentatore Roland guasto

Messaggioda Foto Utentemarco438 » 1 ago 2015, 15:24

Quello che hai scritto mi dice che c'e' qualcosa che non torna.
Trattandosi di NPN, la prova da farsi e' la seguente:
Tester su provadiodi:
Puntale nero su collettore e rosso alternativamente tra base ed emettitore; nel primo caso valore basso (500/700) nel secondo valore infinito.
Puntale rosso su base e puntale nero su emettitore: valore basso (500/700); puntali invertiti, valore infinito.
Ad evitare fraintendimenti, di seguito hai le immagini dei due transistor con relativa piedinatura:
thup08.gif
thup08.gif (4.12 KiB) Osservato 3003 volte

TRANSYS-BD707-pinout.jpg
TRANSYS-BD707-pinout.jpg (15.79 KiB) Osservato 3003 volte

Leggendo quello che hai scritto ho l'impressione che i transistor che hai provato siano aperti.
marco
Avatar utente
Foto Utentemarco438
37,1k 7 11 13
-EY Legend-
-EY Legend-
 
Messaggi: 16323
Iscritto il: 24 mar 2010, 15:09
Località: Versilia

0
voti

[15] Re: Alimentatore Roland guasto

Messaggioda Foto UtenteAletox » 1 ago 2015, 17:24

Grazie per la premura, sui 2N3055 avevo fatto queste esatte prove, con questi esatti risultati.. Le giunzioni danno 0.509V di tensione, quindi non sembrano andati :-)
Sul BD707 la stessa cosa, risultano tutte le giunzioni, sia con misura ohmica che con prova giunzione, per fortuna non lo ho dovuto dissaldare in quanto non era connenso a nessun componente e il MC1723CP era su zoccolo..

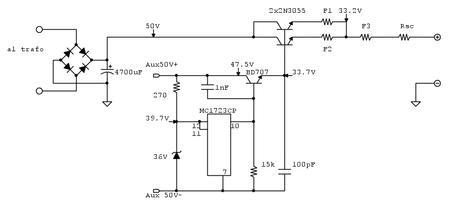
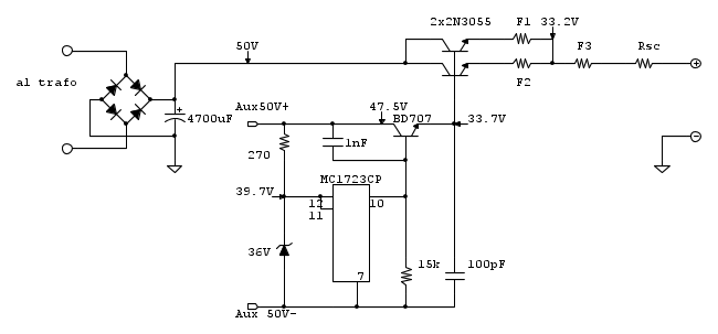
Ho mappato alcune tensioni nel circuito e sul MC1723CP che riporto di seguito, sul circuito si trovano le tensioni misurate relative ai rispettivi negativi.

Tensioni sul MC1723CP, nota: le tenioni indicate sono completamente variabili nel tempo, per cui potrebbe esserci qualche variazione durante la misura..
01 NC
02 33.2
03 33.2
04 2.02 (variabile con il pot di regolazione, valore per potenziometro a fine corsa massima)
05 1.93
06 7.11
07 rif.
08 NC
09 NC
10 34.27
11 39.7
12 39.7 (dovrebbe essere Vcc e dallo zener dovrebbe risultare un 36V)
13 33.13
14 NC

"La teoria attrae la pratica come il magnete attrae il ferro" C. Gauss

Seguitemi anche su youtube, un saluto da AT O_/
https://www.youtube.com/c/atlaboratory
Avatar utente
Foto UtenteAletox
1.095 1 6 13
Expert
Expert
 
Messaggi: 263
Iscritto il: 27 feb 2014, 22:01

0
voti

[16] Re: Alimentatore Roland guasto

Messaggioda Foto UtenteFedericoSibona » 1 ago 2015, 17:48

A primo colpo d'occhio direi di iniziare a cambiare lo zener da 36V. Quello mi pare al massimo della tolleranza e 39,7 V mi sembrano troppo prossimi ai 40 V dichiarati come massimi per il 723.
Inoltre direi che, se tutti i transistors sono sani, sarebbe una buona idea provare a sostituire l'integrato ;-)

Che capacità c'è tra i pin 4 e 13 del 723?
Avatar utente
Foto UtenteFedericoSibona
5.022 3 5 8
Master
Master
 
Messaggi: 3951
Iscritto il: 19 mar 2013, 11:43

0
voti

[17] Re: Alimentatore Roland guasto

Messaggioda Foto Utentemarco438 » 1 ago 2015, 18:38

Le misure sull'IC sembrano abbastanza regolari tranne quelle che dovrebbero essere stabilizzate dallo zener; quindi sono d'accordo per cambiarlo.
Speriamo sia solo lui. :D
Se ci riesci vedi di riportare lo schema completo; c'e qualcosa che non torna o manca in quello che hai postato e qualche misura (se le hai effettivamente rilevate) che non quadra del tutto.
marco
Avatar utente
Foto Utentemarco438
37,1k 7 11 13
-EY Legend-
-EY Legend-
 
Messaggi: 16323
Iscritto il: 24 mar 2010, 15:09
Località: Versilia

0
voti

[18] Re: Alimentatore Roland guasto

Messaggioda Foto UtenteAletox » 2 ago 2015, 12:41

Le misure sono le stesse anche oggi, le ho riprovate tutte.. Come dicevo, e forse il colpevole è lo zener e la resistenza, il tutto è abbastanza variabile, specialmente la tensione ai capi dello zener :?
Nel pomeriggio cerco se ho uno zener da sostituire e a questo punto anche la resistenza da 270ohm..
Dite che anche l'IC è da sostituire, perché per quello dovrò aspettare qualche giorno in caso...

Intanto grazie mille per i suggerimenti! :D
"La teoria attrae la pratica come il magnete attrae il ferro" C. Gauss

Seguitemi anche su youtube, un saluto da AT O_/
https://www.youtube.com/c/atlaboratory
Avatar utente
Foto UtenteAletox
1.095 1 6 13
Expert
Expert
 
Messaggi: 263
Iscritto il: 27 feb 2014, 22:01

0
voti

[19] Re: Alimentatore Roland guasto

Messaggioda Foto Utentemarco438 » 2 ago 2015, 13:00

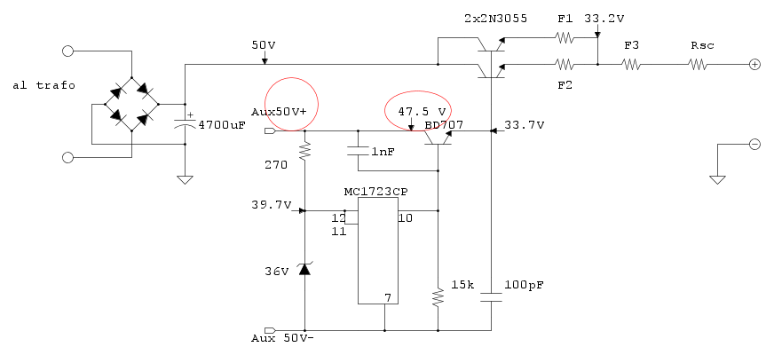
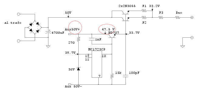
A me tornano strane queste due misure:
marco
Avatar utente
Foto Utentemarco438
37,1k 7 11 13
-EY Legend-
-EY Legend-
 
Messaggi: 16323
Iscritto il: 24 mar 2010, 15:09
Località: Versilia

0
voti

[20] Re: Alimentatore Roland guasto

Messaggioda Foto UtenteAletox » 2 ago 2015, 13:31

Si pardon, il aux50V+ era per indicare un alimentazione ausiliaria, che arriva da un ponte a diodi e condensatore di spianamento collegati ad un differente avvolgimento del trafo. Ma nella realtà la misura dell'altro giorno indicava 47.5V, che ad esempio oggi che a casa ho il 240 (al posto del 230) ha raggiunto i circa 50V ?%
"La teoria attrae la pratica come il magnete attrae il ferro" C. Gauss

Seguitemi anche su youtube, un saluto da AT O_/
https://www.youtube.com/c/atlaboratory
Avatar utente
Foto UtenteAletox
1.095 1 6 13
Expert
Expert
 
Messaggi: 263
Iscritto il: 27 feb 2014, 22:01

PrecedenteProssimo

Torna a Costruzione, riparazione, riutilizzo

Chi c’è in linea

Visitano il forum: Nessuno e 26 ospiti