Cos'è ElectroYou | Login Iscriviti

ElectroYou - la comunità dei professionisti del mondo elettrico

Bias su gate Mosfet

Tecniche per la costruzione e la riparazione di apparecchiature elettriche e non. Ricerca guasti. Adattamenti e riutilizzazioni
0
voti

[11] Re: Bias su gate Mosfet

Messaggioda Foto Utenteabusivo » 24 mar 2020, 0:29

BrunoValente ha scritto:...dovresti leggere la sola corrente assorbita dal partitore...

Quindi la corrente va misurata a monte del partitore, non a monte del Drain del Mosfet, ho capito bene?
Potrebbe andare bene un fondo scala da 300 mA per la misurazione della corrente?
Mi sa che stavo sbagliando tutto.
Comunque tutto l'amplificatore funziona, è mia premura assicurarmi che anche il Bias rientri più o meno nei parametri.
claudiocedrone ha scritto:...Altrimenti la sostituzione di uno solo con caratteristiche diverse (nonostante la sigla identica) potrebbe risultare non molto gradita al circuito...

Una volta tolti per controllarli li ho sostituiti tutti e quattro.
Tra l'altro erano di costruttori diversi anche se erano tutti uguali.
Il "lineare" è stato molto pasticciato.
Originariamente doveva avere gli MS1307 poi sostituiti con gli IRF520 ed io quest'ultimi ci ho rimesso.
Poi è stato aggiunto il trmmer del bias regolabile ...
Ma a proposito, ha senso questa modifica?
Ci sono dei vantaggi?
Se quello che funziona basta non lo tocca' sennò te lassa!
Avatar utente
Foto Utenteabusivo
13,3k 4 7 10
Master
Master
 
Messaggi: 7008
Iscritto il: 16 ott 2012, 18:43
Località: L'Aquila

0
voti

[12] Re: Bias su gate Mosfet

Messaggioda Foto Utenteclaudiocedrone » 24 mar 2020, 0:39

La corrente va misurata inserendoti al posto del fusibile sulla alimentazione! Col trimmer "al minimo" dovresti leggere una corrente che è solo quella assorbita dal partitore dato che i mosfet praticamente risultano spenti, questo significa ciò che ha scritto Bruno :-)
che i mosfet fossero di marche diverse non vuol dire nulla, magari se il mio dubbio fosse sensato erano diversi proprio perché ne era stata fatta una selezione tra parecchi diversi esemplari...
inoltre sullo schema originale potrebbe anche darsi che originariamente fosse stato messo proprio un trimmer solo per la fase di taratura in seguito sostituito con una partizione fissa per evitare possibili future rogne dovute al decadimento strutturale del trimmer :roll: (no, qua ho proprio letto male #-o come non scritto)
"Non farei mai parte di un club che accettasse la mia iscrizione" (G. Marx)
Avatar utente
Foto Utenteclaudiocedrone
21,3k 4 7 9
Master EY
Master EY
 
Messaggi: 15309
Iscritto il: 18 gen 2012, 13:36

0
voti

[13] Re: Bias su gate Mosfet

Messaggioda Foto Utenteabusivo » 24 mar 2020, 0:45

claudiocedrone ha scritto:La corrente va misurata inserendoti al posto del fusibile sulla alimentazione!...

Capito!
Toglierò, per la misurazione, il led in parallelo all'alimentazione che già di suo assorbe una decina di milliampere.
Se quello che funziona basta non lo tocca' sennò te lassa!
Avatar utente
Foto Utenteabusivo
13,3k 4 7 10
Master
Master
 
Messaggi: 7008
Iscritto il: 16 ott 2012, 18:43
Località: L'Aquila

0
voti

[14] Re: Bias su gate Mosfet

Messaggioda Foto Utenteabusivo » 24 mar 2020, 0:52

Ripensandoci bene ...
La stabilizzazione della tensione dei Gate viene già ottenuta tramite uno Zener.
Quindi un minimo di corrente ci scorre già!
Vabbe, sarà da prendere in considerazione come "Tara".
Speriamo che riesco ad avvertire questo assorbimento...
Se quello che funziona basta non lo tocca' sennò te lassa!
Avatar utente
Foto Utenteabusivo
13,3k 4 7 10
Master
Master
 
Messaggi: 7008
Iscritto il: 16 ott 2012, 18:43
Località: L'Aquila

1
voti

[15] Re: Bias su gate Mosfet

Messaggioda Foto UtenteBrunoValente » 24 mar 2020, 10:32

No, lo zener aggiunto (non quello dello schema che immagino vada in conduzione solo quando il segnale è eccessivamente ampio) dovrebbe servire a stabilizzare la tensione del partitore e a renderla immune dalle eventuali variazioni della tensione di alimentazione, la corrente nei mosfet invece dovrebbe potersi regolare a partire da zero: per una parte della corsa del trimmer la corrente nei mosfet dovrebbe rimanere nulla, da un certo punto in poi dovrebbe aumentare, la regolazione corretta è nel punto in cui inizia ad aumentare.

La scelta della portata dell'amperometro va fatta in modo che quando la corrente nei mosfet è nulla (regolazione del trimmer a inizio corsa) si possa leggere la corrente assorbita dal partitore e che il valore letto sia più prossimo possibile al fondo scala, ad esempio se il partitore assorbe 15mA un fondo scala di 20mA va bene, se assorbe 25ma va bene un fondo scala di 200mA.
Chiaro?

Siccome si tratta di uno schema semplice e i componenti sono pochi faresti bene a ricavare lo schema corrispondente indicando anche i valori, così potremmo ragionarci meglio.
Avatar utente
Foto UtenteBrunoValente
39,6k 7 11 13
G.Master EY
G.Master EY
 
Messaggi: 7797
Iscritto il: 8 mag 2007, 14:48

0
voti

[16] Re: Bias su gate Mosfet

Messaggioda Foto Utenteabusivo » 24 mar 2020, 11:52

BrunoValente ha scritto:No, lo zener aggiunto...

Si chiarissimo, ma da solo a prescindere dai MOS assorbirà anche una benché minima corrente?
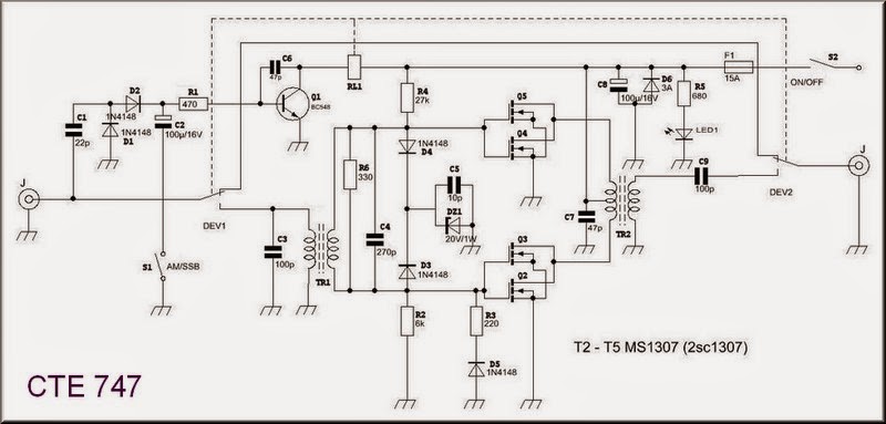
Lo Zener aggiunto fa parte di un partitore messo al posto della R4
Il paritore in questione è formato da una resistenza di 1 k che preleva la tensione dei 12 V e viene applicata ad uno Zener da 5,6V
In parallelo allo Zener c'è un trimmer da 10 K tra catodo e GND il cui cursore tramite una resistenza da 4,7 K se ne va sui Gate.
Tutto questo è inserito al posto della R4 che in origine doveva essere di 27K: due resistenze, un trimmer ed uno Zener
BrunoValente ha scritto:...faresti bene a ricavare lo schema corrispondente indicando anche i valori...

Questo è uno schema più completo che ho trovato anche se sulla serigrafia sul PCB che ho c'è un'altra nomenclatura.
Valori e schema sono corretti.
Se quello che funziona basta non lo tocca' sennò te lassa!
Avatar utente
Foto Utenteabusivo
13,3k 4 7 10
Master
Master
 
Messaggi: 7008
Iscritto il: 16 ott 2012, 18:43
Località: L'Aquila

0
voti

[17] Re: Bias su gate Mosfet

Messaggioda Foto UtenteBrunoValente » 24 mar 2020, 12:11

abusivo ha scritto:...Questo è uno schema più completo che ho trovato anche se sulla serigrafia sul PCB che ho c'è un'altra nomenclatura.
Valori e schema sono corretti.

Mi pare sia identico al precedente senza alcuna modifica.
Avatar utente
Foto UtenteBrunoValente
39,6k 7 11 13
G.Master EY
G.Master EY
 
Messaggi: 7797
Iscritto il: 8 mag 2007, 14:48

0
voti

[18] Re: Bias su gate Mosfet

Messaggioda Foto Utenteabusivo » 24 mar 2020, 12:16

BrunoValente ha scritto:...senza alcuna modifica.

Si esatto, ci sono solo i valori di quei pochissimi componenti in più.
Il partitore, striminzito e ridotto all'osso, è quello che ho poc'anzi descritto.
Un trimmer che preleva una tensione stabilizzata da uno Zener e la applica ai Gate tramite una resistenza di 4,7 K.
Se quello che funziona basta non lo tocca' sennò te lassa!
Avatar utente
Foto Utenteabusivo
13,3k 4 7 10
Master
Master
 
Messaggi: 7008
Iscritto il: 16 ott 2012, 18:43
Località: L'Aquila

0
voti

[19] Re: Bias su gate Mosfet

Messaggioda Foto UtenteEcoTan » 24 mar 2020, 12:17

Se si tratta del solito lineare per decametriche o per CitizenBand (o per VHF/UHF?), in mezzo a tante incertezze, andando a spanne, direi che un po' di corrente di riposo male non fa finché non contribuisce apprezzabilmente alla temperatura dei finali.
Avatar utente
Foto UtenteEcoTan
7.720 4 12 13
Expert EY
Expert EY
 
Messaggi: 5427
Iscritto il: 29 gen 2014, 8:54

0
voti

[20] Re: Bias su gate Mosfet

Messaggioda Foto UtenteBrunoValente » 24 mar 2020, 12:18

Direi che, al contrario, anche se sconfinasse leggermente in classe C non se ne accorgerebbe nessuno
Avatar utente
Foto UtenteBrunoValente
39,6k 7 11 13
G.Master EY
G.Master EY
 
Messaggi: 7797
Iscritto il: 8 mag 2007, 14:48

PrecedenteProssimo

Torna a Costruzione, riparazione, riutilizzo

Chi c’è in linea

Visitano il forum: Nessuno e 10 ospiti