Elyon ha scritto:posso suggerirti...
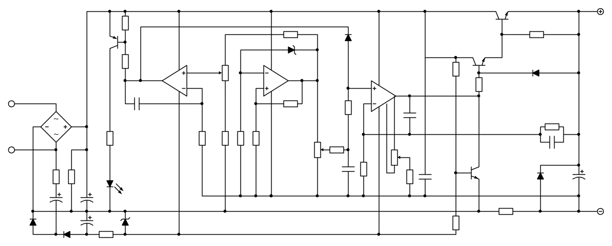
E' un kit che gira e rigira da tempo. Guardato lo schema e mai realizzato. Un progetto dove gli operazionali lavorano con alimentazione totale di oltre 35 V la dice lunga.
Elyon ha scritto:posso suggerirti...
edgar ha scritto:abusivo ha scritto:edgar ha scritto:...oltre 35 V...
Ma non si può ridurre con Zener, ... ?
Certo, solo che poi non arrivi più ai 30 V in uscita![]()

edgar ha scritto:Se ti può servire ho vari master dell'alimentatore.... ti posso girare con il relativo schema.
... ne dovresti mettere due in serie......
Puoi regolare tensione e corrente fino a zero.
In alternativa se lo vuoi tracking, ......
è vero che è semplice come circuito e tra l'altro li ho anche già disponibili, ma in questo momento sono più portato a valutare un nuovo, per me, circuito .setteali ha scritto:se mi mandi gli schemi ti ringrazio già da ora

Torna a Costruzione, riparazione, riutilizzo
Visitano il forum: Nessuno e 23 ospiti