Cos'è ElectroYou | Login Iscriviti

ElectroYou - la comunità dei professionisti del mondo elettrico

Semplice oscillatore BF

Tecniche per la costruzione e la riparazione di apparecchiature elettriche e non. Ricerca guasti. Adattamenti e riutilizzazioni
0
voti

[11] Re: Semplice oscillatore BF

Messaggioda Foto Utenteabusivo » 28 mag 2020, 7:15

claudiocedrone ha scritto:In altezza quanto spazio hai?...

Pensavo anch'io ad uno sviluppo verticale ma ho a disposizione poco più di 1 cm.
maxmix69 ha scritto:...che ampiezza ti serve in uscita?...

Non più di 2/3 mV ed il carico è intorno ai 10K, la frequenza non è critica, intorno ai 1700 Hz e la distorsione non è importante, basta che ci si avvicini ad una forma più o meno sinusoidale.
Il circuito serve solo come segnale di rivelazione o presenza.
claudiocedrone ha scritto:...Una cosa de genere?...

Magari!
Con piccoli condensatori dovrei riuscirci...
Se quello che funziona basta non lo tocca' sennò te lassa!
Avatar utente
Foto Utenteabusivo
13,3k 4 7 10
Master
Master
 
Messaggi: 7008
Iscritto il: 16 ott 2012, 18:43
Località: L'Aquila

0
voti

[12] Re: Semplice oscillatore BF

Messaggioda Foto UtenteEcoTan » 28 mag 2020, 7:25

Avatar utente
Foto UtenteEcoTan
7.720 4 12 13
Expert EY
Expert EY
 
Messaggi: 5426
Iscritto il: 29 gen 2014, 8:54

2
voti

[13] Re: Semplice oscillatore BF

Messaggioda Foto Utenteboiler » 28 mag 2020, 9:22

abusivo ha scritto:Il circuito che cerco "dovrebbe" essere molto piccolo, dovrebbe occupare poco spazio.
Ho a disposizione solo 1 cm quadrato!

1 cm quadrato è lusso! :mrgreen:

Non è un problema la distorsione, basta che non sia un onda quadra o triangolare!

Questo in package UFQFPN20
https://www.st.com/resource/en/datashee ... l011f3.pdf

Ti avanza parecchio spazio per un LDO e per il passa basso che spiana il PWM.

Boiler
Avatar utente
Foto Utenteboiler
26,4k 5 9 13
G.Master EY
G.Master EY
 
Messaggi: 5613
Iscritto il: 9 nov 2011, 12:27

0
voti

[14] Re: Semplice oscillatore BF

Messaggioda Foto Utentemaxmix69 » 28 mag 2020, 13:58

No vabbè, per quello che deve fare l'oscillatore a sfasamento è perfetto im tutto. Più tardi posto lo schema.
Avatar utente
Foto Utentemaxmix69
172 1 2 5
Stabilizzato
Stabilizzato
 
Messaggi: 379
Iscritto il: 6 lug 2013, 20:18

0
voti

[15] Re: Semplice oscillatore BF

Messaggioda Foto Utenteabusivo » 28 mag 2020, 20:06

maxmix69 ha scritto:...l'oscillatore a sfasamento è perfetto in tutto...

Credo che sia l'unica strada giusta!
Aricapitoliamo...
Non serve un oscillatore particolarmente qualitativo.
La frequenza non è critica, il carico è ad alta impedenza e servono solo qualche millivolt di ampiezza.
Il suo compito è solo di "presenza segnale" e relativamente di fornire un riferimento.
L'unico particolare scomodo è il poco spazio a disposizione, poco più di 1 centimetro cubo!
Il mio pusher è in grado di fornirmi dei piccoli condensatori poliestere ed elettrolitici, resistenze da 0,125 W.
Rimarrebbe "grande" solo la componentistica attiva!

Grazie a tutti!
Se quello che funziona basta non lo tocca' sennò te lassa!
Avatar utente
Foto Utenteabusivo
13,3k 4 7 10
Master
Master
 
Messaggi: 7008
Iscritto il: 16 ott 2012, 18:43
Località: L'Aquila

1
voti

[16] Re: Semplice oscillatore BF

Messaggioda Foto Utentemaxmix69 » 28 mag 2020, 21:29

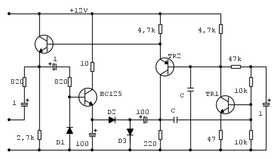
Ecco qui. La frequenza varia leggermente un poco segueno tutto, pure la situazione politica nazionale, così come l'ampiezza e la distorsione. Ma se ho capito quello che ti serve va più che bene. Ridotto all'osso e ottimizzato, il transistor DEVE essere quello indicato, possibilmente con Hfe=300 o giù di li.
1700hz.jpg
Avatar utente
Foto Utentemaxmix69
172 1 2 5
Stabilizzato
Stabilizzato
 
Messaggi: 379
Iscritto il: 6 lug 2013, 20:18

0
voti

[17] Re: Semplice oscillatore BF

Messaggioda Foto Utenteabusivo » 28 mag 2020, 21:54

Grazie, sei molto gentile!
Solo qualche conferma per evitare di cadere in errore:

R3= 2,7 MOhm?
R5= 3,3 kohm?
R6 rappresenta il mio carico?

Con questi pochi componenti dovrei riuscire a compattare il tutto per far stare il circuito all'interno di uno spazio molto risicato!
Sabato lo monto, mi manca il BC547, ho solo dei BC237 in questo momento ...
Se quello che funziona basta non lo tocca' sennò te lassa!
Avatar utente
Foto Utenteabusivo
13,3k 4 7 10
Master
Master
 
Messaggi: 7008
Iscritto il: 16 ott 2012, 18:43
Località: L'Aquila

0
voti

[18] Re: Semplice oscillatore BF

Messaggioda Foto Utentemaxmix69 » 28 mag 2020, 22:52

R3 = 2,7MΩ
R5 = 3,3Ω
R1 = 820Ω
R6 è ovviamente il tuo carico.
Se mi dici il transitor di cui disponi e misuri un attimo il guadagno ti cambio i valori dei componenti e lo adattiamo. Vedi che la lettera dopo la sigla per questi transitor corrisponde al range del guadagno.
Avatar utente
Foto Utentemaxmix69
172 1 2 5
Stabilizzato
Stabilizzato
 
Messaggi: 379
Iscritto il: 6 lug 2013, 20:18

0
voti

[19] Re: Semplice oscillatore BF

Messaggioda Foto Utenteabusivo » 28 mag 2020, 23:08

maxmix69 ha scritto:...Se mi dici il transistor di cui disponi...

Ho solo dei BC237B ma comunque la visita dal mio pusher penso sia obbligatoria.
Come capacità ho a disposizione i seguenti valori:
1 nF
1,2 nF
1,5 nF
1,8 nF
2,2 nF
2,7 nF
3,3 nF
4,7 nF
5,6 nF
6,8 nF
8,2 nF
10 nF
15 nF
18 nF
...
le altre capacità che ho credo che siano fuori scala
Se quello che funziona basta non lo tocca' sennò te lassa!
Avatar utente
Foto Utenteabusivo
13,3k 4 7 10
Master
Master
 
Messaggi: 7008
Iscritto il: 16 ott 2012, 18:43
Località: L'Aquila

0
voti

[20] Re: Semplice oscillatore BF

Messaggioda Foto Utentemaxmix69 » 29 mag 2020, 0:21

Guarda, io credo che siano identici per questo utilizzo, il simulatore mi dice di no. Quello che realizzai anni fa a 50 Hz si comportava esattamente come diceva il simulatore, provato con l'oscilloscopio. Tu avrai modo di provarlo dopo montato, spero....
Comunque secondo la simulazione per avere un comportamento simile con il transistor che hai tu devi portare la resistenza di collettore R4 a 8k2, la resistenza R1 a 1k e la resistenza R5 a 2.7Ω, il resto è invariato.
Avatar utente
Foto Utentemaxmix69
172 1 2 5
Stabilizzato
Stabilizzato
 
Messaggi: 379
Iscritto il: 6 lug 2013, 20:18

PrecedenteProssimo

Torna a Costruzione, riparazione, riutilizzo

Chi c’è in linea

Visitano il forum: Nessuno e 37 ospiti