mario663 ha scritto:...non vorrei passare per intasatore...
Hai ragionissima ma anche io, a distanza di tempo, avrei delle difficoltà nella ricerca di tale schema!
mario663 ha scritto:...non vorrei passare per intasatore...
abusivo ha scritto:Hai ragionissima ma anche io, a distanza di tempo, avrei delle difficoltà nella ricerca di tale schema!
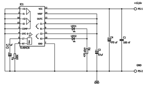
mario663 ha scritto:Un amico nonchè un docente universitario e di cui sono molto legato su un gruppo di un noto socialnetwork mi ha linkato una sua realizazzione di un tester per verificare gli IC TL494 ed i suoi equivalenti ed io voglio condividerlo con voi!![]()


elektronik ha scritto:Il Tester TL494 and equivalent IC e interessante e io ho volito marcare il colore perché così come è si vede poco.
e per renderlo più visibile, la scritta è in inglese e l'immagine ha il nome nella dicitura.
ho provveduto anche a realizzarne lo sbroglio per una realizazzione più veloce boiler ha scritto:IsidoroKZ ha scritto:Un comparatore [...]
Spesso, ma non sempre. Ci sono sul mercato parecchi comparatori con uscita push-pull. Un esempio a caso: MCP6541.
IsidoroKZ ha scritto:Vero! E ci sono anche quelli con stadio di uscita completamente scollegato, come l'LM311.
Tutto ciò rappresenta l'evoluzione dell'elettronica
Torna a Costruzione, riparazione, riutilizzo
Visitano il forum: Nessuno e 20 ospiti