Ho riprovato le misure senza Q2, ma stessi risultati.
Riparazione alimentatore switching 12V - 6,5A
0
voti
Si, D3 è in forma. Senza smontarlo (poi ho provato anche dissaldandolo) mi dà 0,55 V in polarizzazione diretta e nessuna giunzione in polarizzazione inversa.
Ho riprovato le misure senza Q2, ma stessi risultati.
Ho riprovato le misure senza Q2, ma stessi risultati.
0
voti
Senza oscilloscopio e` difficile capire che cosa capita.
Prova di nuovo ad alimentare il controllore a batteria, senza collegare l'ingresso alla rete, e misura quanta corrente consuma il controllore dalle batterie.
Se il consumo non e` anomalo, si puo` provare a staccare il diodo D3 dove arriva su C10, e anche R15 e poi alimentare il controllore con la batteria e mettere all'ingresso i 230V con la lampada in serie.
Prova di nuovo ad alimentare il controllore a batteria, senza collegare l'ingresso alla rete, e misura quanta corrente consuma il controllore dalle batterie.
Se il consumo non e` anomalo, si puo` provare a staccare il diodo D3 dove arriva su C10, e anche R15 e poi alimentare il controllore con la batteria e mettere all'ingresso i 230V con la lampada in serie.
Per usare proficuamente un simulatore, bisogna sapere molta più elettronica di lui
Plug it in - it works better!
Il 555 sta all'elettronica come Arduino all'informatica! (entrambi loro malgrado)
Se volete risposte rispondete a tutte le mie domande
Plug it in - it works better!
Il 555 sta all'elettronica come Arduino all'informatica! (entrambi loro malgrado)
Se volete risposte rispondete a tutte le mie domande
1
voti
Intanto, non posso non ribadire la mia gratitudine verso di te
IsidoroKZ per la tua disponibilità in questa maratona.
Poi, per chiunque altro voglia dare una mano, dire la sua o semplicemente seguire la vicenda, ripropongo alla fine del post lo schema su cui stiamo lavorando in modo da non doverlo cercare tra le pagine, che iniziano ad essere numerose.
Inoltre, per consentire una miglior comprensione della discussione, alla fine del posto faccio anche un recap dei test fatti.
Ma iniziamo con l'ultima prova:
Questa volta, per alimentare il controllore ho dovuto aggiungere altre 2 batterie da 1,5 V mezze scariche perché con le 2 batterie da 9 V arrivavo ormai a malapena a 16 V e non volevo rimanere su quella soglia.
Quindi, alimentando il controllore con 18,66 V, abbiamo un assorbimento di
.
Ora, così ad intuito, mi sembra abbastanza alto, visto che avevamo ipotizzato un consumo di circa
. Il datasheet (avevamo visto anche questo) riporta un consumo in condizione di stand-by compreso tra
e
.
Un consumo 3 volte più alto di quello preventivato può essere considerato anomalo?
Poi, visto che il secondo test che mi hai indicato, prevedeva una condizione di consumo del controllore "normale" aspetto di capire se questo consumo lo è, oppure è anomalo.
Una piccola precisazione, il valore ci assorbimento ci ha messo quasi un minuto a stabilizzarsi completamente. La misura è partita da circa
ed è andata a calare sempre più lentamente fino a fermarsi al valore di
.
La prova l'ho fatta sempre senza Q2.
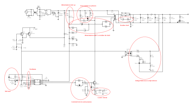
RIEPILOGO DELLE PUNTATE PRECEDENTI
Questo è lo schema del quale non sappiamo il valore di R15 ed R9. Come ipotesi iniziale abbiamo stimato
per R15 ed
per R9 (eventualmente da ridurre).
Alcuni datasheet dei componenti sono allegati ai post #1 e #2.
Per prima cosa abbiamo testato il solo funzionamento del controller PWM 3842 fornendo un alimentazione esterna ed ottenendo questi risultati:
Vcc (7) = 17,2 V
Comp (1) = 5,8 V
CS (3) = 4,9 V
VRef (8) = 5,0 V
RtCt (4) = 72 kHz
Out (6) = 0 kHz (nessun valore)
C10 = 5,8 V
Q3 Vce = 0,7 V
Poi abbiamo ripetuto il test cortocircuitando C10:
Vcc (7) = 16,2 V
Comp (1) = 5,4 V
CS (3) = 0 V
VRef (8) = 5,0 V
RtCt (4) = 77 kHz
Out (6) = 78 kHz - 56% Duty cycle - 9,8 V
Q3 Vce = 0 V
Da qui abbiamo stabilito che il controllore è correttamente funzionante, abbiamo montato le resistenze R15 ed R9 e tolto il cortocircuito da C10.
Poi abbiamo collegato la tensione di rete ai teminali dell'alimentatore, ponendo una lampadina in serie per salvaguardare il circuito da possibili corti. Visto che il fusibile era mancante, abbiamo collegato tra loro i suoi teminali con un cavo e quindi, di fatto, eliminandolo dal circuito.
Fornendo tensione, ne è risultato un breve lampo della lampadina e nessuna tensione in uscita.
Ripetuto il test eliminando Q2, ma identico risultato. Testati i diodi del componente 20100 al secondario e risultano OK.
Con tensione di rete collegata, testati i valori sul controllore:
Vcc (7) = oscillante tra 12 V e 14 V
Comp (1) = oscillante tra 0,3 V e 1,1 V
CS (3) = 0,3 V
Abbiamo quindi abbassato il valore di R15 da
a
circa con un parallelo.
Sempre breve lampo e nessuna tensione in uscita.
C1 si scarica abbastanza velocemente dopo aver tolto tensione.
Misure sul controllore:
Vcc (7) = oscillante tra 12,5 V e 14 V
Vref (8) = 0 V
I valori sono identici sia con Q2 che senza.
Testato D3 ed è OK.
L'ultima prova fatta è quella all'inizio di questo post.
Poi, per chiunque altro voglia dare una mano, dire la sua o semplicemente seguire la vicenda, ripropongo alla fine del post lo schema su cui stiamo lavorando in modo da non doverlo cercare tra le pagine, che iniziano ad essere numerose.
Inoltre, per consentire una miglior comprensione della discussione, alla fine del posto faccio anche un recap dei test fatti.
Ma iniziamo con l'ultima prova:
Questa volta, per alimentare il controllore ho dovuto aggiungere altre 2 batterie da 1,5 V mezze scariche perché con le 2 batterie da 9 V arrivavo ormai a malapena a 16 V e non volevo rimanere su quella soglia.
Quindi, alimentando il controllore con 18,66 V, abbiamo un assorbimento di
.Ora, così ad intuito, mi sembra abbastanza alto, visto che avevamo ipotizzato un consumo di circa
. Il datasheet (avevamo visto anche questo) riporta un consumo in condizione di stand-by compreso tra
e
.Un consumo 3 volte più alto di quello preventivato può essere considerato anomalo?
Poi, visto che il secondo test che mi hai indicato, prevedeva una condizione di consumo del controllore "normale" aspetto di capire se questo consumo lo è, oppure è anomalo.
Una piccola precisazione, il valore ci assorbimento ci ha messo quasi un minuto a stabilizzarsi completamente. La misura è partita da circa
ed è andata a calare sempre più lentamente fino a fermarsi al valore di
.La prova l'ho fatta sempre senza Q2.
RIEPILOGO DELLE PUNTATE PRECEDENTI
Questo è lo schema del quale non sappiamo il valore di R15 ed R9. Come ipotesi iniziale abbiamo stimato
per R15 ed
per R9 (eventualmente da ridurre).Alcuni datasheet dei componenti sono allegati ai post #1 e #2.
Per prima cosa abbiamo testato il solo funzionamento del controller PWM 3842 fornendo un alimentazione esterna ed ottenendo questi risultati:
Vcc (7) = 17,2 V
Comp (1) = 5,8 V
CS (3) = 4,9 V
VRef (8) = 5,0 V
RtCt (4) = 72 kHz
Out (6) = 0 kHz (nessun valore)
C10 = 5,8 V
Q3 Vce = 0,7 V
Poi abbiamo ripetuto il test cortocircuitando C10:
Vcc (7) = 16,2 V
Comp (1) = 5,4 V
CS (3) = 0 V
VRef (8) = 5,0 V
RtCt (4) = 77 kHz
Out (6) = 78 kHz - 56% Duty cycle - 9,8 V
Q3 Vce = 0 V
Da qui abbiamo stabilito che il controllore è correttamente funzionante, abbiamo montato le resistenze R15 ed R9 e tolto il cortocircuito da C10.
Poi abbiamo collegato la tensione di rete ai teminali dell'alimentatore, ponendo una lampadina in serie per salvaguardare il circuito da possibili corti. Visto che il fusibile era mancante, abbiamo collegato tra loro i suoi teminali con un cavo e quindi, di fatto, eliminandolo dal circuito.
Fornendo tensione, ne è risultato un breve lampo della lampadina e nessuna tensione in uscita.
Ripetuto il test eliminando Q2, ma identico risultato. Testati i diodi del componente 20100 al secondario e risultano OK.
Con tensione di rete collegata, testati i valori sul controllore:
Vcc (7) = oscillante tra 12 V e 14 V
Comp (1) = oscillante tra 0,3 V e 1,1 V
CS (3) = 0,3 V
Abbiamo quindi abbassato il valore di R15 da
a
circa con un parallelo.Sempre breve lampo e nessuna tensione in uscita.
C1 si scarica abbastanza velocemente dopo aver tolto tensione.
Misure sul controllore:
Vcc (7) = oscillante tra 12,5 V e 14 V
Vref (8) = 0 V
I valori sono identici sia con Q2 che senza.
Testato D3 ed è OK.
L'ultima prova fatta è quella all'inizio di questo post.
1
voti
58mA di assorbimento sono proprio troppi. Chissa` dove vanno!
Se alimenti a tensione piu` bassa in modo che il controllore non parta, ad esempio 14V circa, e lo si vede dalla tensione sul piedino 8 Vref=0V, consuma ancora tanto?
Se con controllore non attivo il consumo si riduce di parecchio, vuol dire che il problema e` dalle parti del controllore. O e` danneggiato internamente (non credo), oppure una parte del circuito collegato al controllore ha un consumo anomalo.
Le due uscite del controllore da cui si puo` assorbire "tanta" corrente sono Vref e Out. Vref lo vedo meno probabile perche' non c'e` Q2 e c'e` comunque in serie a Vref una resistenza da 1kΩ, R22. L'uscita che va a pilotare il MOS invece mi sembra un candidato migliore. Prova a staccare R8 e a misurare il consumo con alimentazione maggiore di 16V in modo che il controllore parta.
Ho porovato a mettere in un flow chart le prove da fare
Se alimenti a tensione piu` bassa in modo che il controllore non parta, ad esempio 14V circa, e lo si vede dalla tensione sul piedino 8 Vref=0V, consuma ancora tanto?
Se con controllore non attivo il consumo si riduce di parecchio, vuol dire che il problema e` dalle parti del controllore. O e` danneggiato internamente (non credo), oppure una parte del circuito collegato al controllore ha un consumo anomalo.
Le due uscite del controllore da cui si puo` assorbire "tanta" corrente sono Vref e Out. Vref lo vedo meno probabile perche' non c'e` Q2 e c'e` comunque in serie a Vref una resistenza da 1kΩ, R22. L'uscita che va a pilotare il MOS invece mi sembra un candidato migliore. Prova a staccare R8 e a misurare il consumo con alimentazione maggiore di 16V in modo che il controllore parta.
Ho porovato a mettere in un flow chart le prove da fare
Per usare proficuamente un simulatore, bisogna sapere molta più elettronica di lui
Plug it in - it works better!
Il 555 sta all'elettronica come Arduino all'informatica! (entrambi loro malgrado)
Se volete risposte rispondete a tutte le mie domande
Plug it in - it works better!
Il 555 sta all'elettronica come Arduino all'informatica! (entrambi loro malgrado)
Se volete risposte rispondete a tutte le mie domande
0
voti
Eccomi qui con i risultati. Premetto però che non sono riuscito in alcun modo a portare la Vref a 5 V.
Vcc = 13,5 V
Vref = 0 V
Assorbimento 0,18 mA (appena fornisco tensione arriva a 2,5 mA per un instante, poi immediatamente a 0,18 mA)
Rimosso R8
Vcc = 18,2 V
Vref = 0,4 V
Assorbimento >50 mA
Vcc = 19 V
Vref = 0,4 V
Assorbimento >50 mA
Vcc = 24 V
Vref = 0,4 V
Assorbimento >50 mA
Ultima prova effettuata anche con R8 montato. Stessi risultati.
In pratica con alimentazione inferiore alla soglia di accensione, la Vref è esattamente 0 V, mentre con controllore acceso, passa a 0,4 V. Non vorrei aver fatto io qualche danno nel corso delle misure (ma non mi sembra) perché non mi spiego per quale motivo, nei giorni scorsi, alimentando a circa 17 V, avevo su Vref i 5 V e adesso no.
Magari è sbagliato, ma l'alimentazione la sto fornendo (e ho sempre fatto cosi) attraverso C5 e non direttamente attraverso i pin del controllore.
Se rimuovo il controllore dal circuito e lo metto su breadboard, posso riprovare a fare le misure su Vref collegando solamente l'alimentazione e lasciando scollegati tutti gli altri pin?
PS: purtroppo non mi sono accorto che lo schema che ho inserito nell'ultimo post non aveva i caratteri unicode, quindi sono spuntati simboli strani. Non posso più modificarlo. Se mi viene abilitata la possibilità di fare quella modifica, lo correggo, oppure chiedo cortesemente agli amministratori di farlo per me. Grazie e scusate per la svista.
Vcc = 13,5 V
Vref = 0 V
Assorbimento 0,18 mA (appena fornisco tensione arriva a 2,5 mA per un instante, poi immediatamente a 0,18 mA)
Rimosso R8
Vcc = 18,2 V
Vref = 0,4 V
Assorbimento >50 mA
Vcc = 19 V
Vref = 0,4 V
Assorbimento >50 mA
Vcc = 24 V
Vref = 0,4 V
Assorbimento >50 mA
Ultima prova effettuata anche con R8 montato. Stessi risultati.
In pratica con alimentazione inferiore alla soglia di accensione, la Vref è esattamente 0 V, mentre con controllore acceso, passa a 0,4 V. Non vorrei aver fatto io qualche danno nel corso delle misure (ma non mi sembra) perché non mi spiego per quale motivo, nei giorni scorsi, alimentando a circa 17 V, avevo su Vref i 5 V e adesso no.
Magari è sbagliato, ma l'alimentazione la sto fornendo (e ho sempre fatto cosi) attraverso C5 e non direttamente attraverso i pin del controllore.
Se rimuovo il controllore dal circuito e lo metto su breadboard, posso riprovare a fare le misure su Vref collegando solamente l'alimentazione e lasciando scollegati tutti gli altri pin?
PS: purtroppo non mi sono accorto che lo schema che ho inserito nell'ultimo post non aveva i caratteri unicode, quindi sono spuntati simboli strani. Non posso più modificarlo. Se mi viene abilitata la possibilità di fare quella modifica, lo correggo, oppure chiedo cortesemente agli amministratori di farlo per me. Grazie e scusate per la svista.
0
voti
C'e` qualcosa che non va sulla linea Vref o nel controllore.
Senza stare a smontare l'integrato, se dal piedino 8 parte una pista soltanto, forse e` piu` facile tagliarla e vedere se dall'integrato escono 5V, poi con una saldatura si ripristina la pista. Se esce la tensione di 5V, bisogna andare in giro per la pista a vedere dov'e` il guaio. La linea Vref e` collegata a componenti tutti ad impedenza elevata. Se non si hanno 5V con la pista tagliata, allora il controllore non sta bene di salute
Comunque qualcosa e` cambiato da prima
Mettere l'alimentazione direttamente su C5 va bene
Dovrei aver messo a posto i codici, per le resistenze non ci dovrebbero essere problemi, per le capacita` controlla che nessun nano sia diventato micro!
Come ti e`saltato in testa di usare il carattere eta η per indicare i nano?
Senza stare a smontare l'integrato, se dal piedino 8 parte una pista soltanto, forse e` piu` facile tagliarla e vedere se dall'integrato escono 5V, poi con una saldatura si ripristina la pista. Se esce la tensione di 5V, bisogna andare in giro per la pista a vedere dov'e` il guaio. La linea Vref e` collegata a componenti tutti ad impedenza elevata. Se non si hanno 5V con la pista tagliata, allora il controllore non sta bene di salute
Comunque qualcosa e` cambiato da prima
Mettere l'alimentazione direttamente su C5 va bene
Dovrei aver messo a posto i codici, per le resistenze non ci dovrebbero essere problemi, per le capacita` controlla che nessun nano sia diventato micro!
Come ti e`saltato in testa di usare il carattere eta η per indicare i nano?
Per usare proficuamente un simulatore, bisogna sapere molta più elettronica di lui
Plug it in - it works better!
Il 555 sta all'elettronica come Arduino all'informatica! (entrambi loro malgrado)
Se volete risposte rispondete a tutte le mie domande
Plug it in - it works better!
Il 555 sta all'elettronica come Arduino all'informatica! (entrambi loro malgrado)
Se volete risposte rispondete a tutte le mie domande
0
voti
I nano sono tutti a posto tranne per C6 che è diventato da
10 F
poi il resistore da 1 ohm è scomparso con tutto il numero ed è rimasto solo il valore
Nel testo del post ero già intervenuto io per mettere i k ai valori di R15, al disegno da smartphone non riesco a metterci mano.
10 F
poi il resistore da 1 ohm è scomparso con tutto il numero ed è rimasto solo il valore
Nel testo del post ero già intervenuto io per mettere i k ai valori di R15, al disegno da smartphone non riesco a metterci mano.
"Non farei mai parte di un club che accettasse la mia iscrizione" (G. Marx)
-

claudiocedrone
21,3k 4 7 9 - Master EY

- Messaggi: 15306
- Iscritto il: 18 gen 2012, 13:36
0
voti
Messi a posto, grazie!
Per usare proficuamente un simulatore, bisogna sapere molta più elettronica di lui
Plug it in - it works better!
Il 555 sta all'elettronica come Arduino all'informatica! (entrambi loro malgrado)
Se volete risposte rispondete a tutte le mie domande
Plug it in - it works better!
Il 555 sta all'elettronica come Arduino all'informatica! (entrambi loro malgrado)
Se volete risposte rispondete a tutte le mie domande
0
voti
Ma C6 non è da 10 nF?...
Edit, a posto, lo ho sistemato io.
Edit, a posto, lo ho sistemato io.
"Non farei mai parte di un club che accettasse la mia iscrizione" (G. Marx)
-

claudiocedrone
21,3k 4 7 9 - Master EY

- Messaggi: 15306
- Iscritto il: 18 gen 2012, 13:36
0
voti
IsidoroKZ ha scritto:Comunque qualcosa e` cambiato da prima
Si, per questo volevo provare il controllore fuori dal circuito.
IsidoroKZ ha scritto:se dal piedino 8 parte una pista soltanto, forse e` piu` facile tagliarla e vedere se dall'integrato escono 5V, poi con una saldatura si ripristina la pista.
Avrei bisogno di indicazioni proprio dal punto di vista pratico. Come si taglia una pista? Per ripristinarla basta solo un po' di stagno nel punto di taglio?
Ho evidenziato la pista che parte dal pin 8. Vicino alla sua piazzola, appena sopra ci sono però C6 ed R22. Poi la pista è molto isolata dal resto nel suo percorso.
È fattibile?
Altrimenti posso alzare solo il piedino 8.
Grazie per aver sistemato lo schema.
La storia dei "nano" mi era già stata fatta notare da

Torna a Costruzione, riparazione, riutilizzo
Chi c’è in linea
Visitano il forum: Nessuno e 9 ospiti

Elettrotecnica e non solo (admin)
Un gatto tra gli elettroni (IsidoroKZ)
Esperienza e simulazioni (g.schgor)
Moleskine di un idraulico (RenzoDF)
Il Blog di ElectroYou (webmaster)
Idee microcontrollate (TardoFreak)
PICcoli grandi PICMicro (Paolino)
Il blog elettrico di carloc (carloc)
DirtEYblooog (dirtydeeds)
Di tutto... un po' (jordan20)
AK47 (lillo)
Esperienze elettroniche (marco438)
Telecomunicazioni musicali (clavicordo)
Automazione ed Elettronica (gustavo)
Direttive per la sicurezza (ErnestoCappelletti)
EYnfo dall'Alaska (mir)
Apriamo il quadro! (attilio)
H7-25 (asdf)
Passione Elettrica (massimob)
Elettroni a spasso (guidob)
Bloguerra (guerra)




