Ok è quasi indegno di questa sezione OT, ma il contenuto elettronico è ridotto all'osso, mentre lo scopo dell'oggetto era recuperare uno dei tanti faretti per bici di anni fa, che facevano fuori 2 mezze torce in poco tempo per fornire una luce indegna di un lumino da cimitero
Invece, essendomi dato alla MTB di recente, mi serviva un bel faro potente, da illuminare decentemente i sentieri in ombra. Si lo so li vendono a 30 € da Decathlon ma volete mettere?
Quindi ricapitolando: faretto recuperato 0€, LED avanzati dal faro per moto d'epoca 0€, componentistica varia tutta dai cassettini.
Per 0€ e qualche mezz' ora di lavoro ecco modificato il faro per ospitare 3 stilo ricaricabili e 10 LED da 0,3W ciascuno
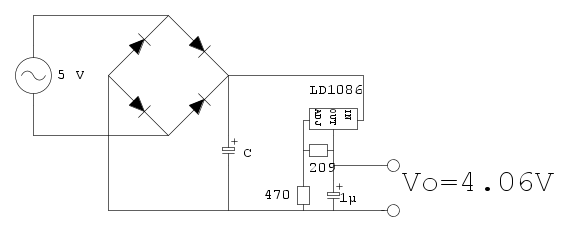
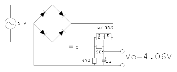
Poi...mica devo stare a smontare il faro per ricaricare le batterie... quindi ecco scoperto perché avevo conservato un trasformatorino da 5V AC in uscita!
Un semplice ponte di diodi ed LM per ottenere una ricarica lenta; la tensione stabilizzata a 4V permette di lasciare il tutto in "mantenimento" per giorni o anche a tempo indeterminato
Ora non devo fare altro che resistere all'inverno in arrivo per testarlo nella nebbia padana!

Elettrotecnica e non solo (admin)
Un gatto tra gli elettroni (IsidoroKZ)
Esperienza e simulazioni (g.schgor)
Moleskine di un idraulico (RenzoDF)
Il Blog di ElectroYou (webmaster)
Idee microcontrollate (TardoFreak)
PICcoli grandi PICMicro (Paolino)
Il blog elettrico di carloc (carloc)
DirtEYblooog (dirtydeeds)
Di tutto... un po' (jordan20)
AK47 (lillo)
Esperienze elettroniche (marco438)
Telecomunicazioni musicali (clavicordo)
Automazione ed Elettronica (gustavo)
Direttive per la sicurezza (ErnestoCappelletti)
EYnfo dall'Alaska (mir)
Apriamo il quadro! (attilio)
H7-25 (asdf)
Passione Elettrica (massimob)
Elettroni a spasso (guidob)
Bloguerra (guerra)







