TV Thomson: alimentatore non funziona
1
voti
Siamo vicini al guasto...misura il transistor TL02...Collettore e Emettitore.
Tieni conto che ha un diodo interno e quindi la misura va interpretata correttamente.
Tieni conto che ha un diodo interno e quindi la misura va interpretata correttamente.
⋮ƎlectroYou
-

stefanob70
14,1k 5 11 13 - Master EY

- Messaggi: 3190
- Iscritto il: 14 lug 2012, 13:14
- Località: Roma
0
voti
bene..
Ho dissaldato il transistor TL02 è ho fatto le seguenti misurazioni col multimentro in funzione giunzione:
* reoforo 1 (nero multimetro) - reoforo 2 (rosso multimetro) = 1
* reoforo 1 (nero multimetro) - reoforo 3 (rosso multimetro) = 041 (suona multimetro)
* reoforo 2 (nero multimetro) - reoforo 3 (rosso multimetro) = 544
* reoforo 2 (rosso multimetro) - reoforo 3 (nero multimetro) = 1
* reoforo 1 (rosso multimetro) - reoforo 2 (nero multimetro) = 508
sembrerebbe funzionante o sbaglio?
Ho dissaldato il transistor TL02 è ho fatto le seguenti misurazioni col multimentro in funzione giunzione:
* reoforo 1 (nero multimetro) - reoforo 2 (rosso multimetro) = 1
* reoforo 1 (nero multimetro) - reoforo 3 (rosso multimetro) = 041 (suona multimetro)
* reoforo 2 (nero multimetro) - reoforo 3 (rosso multimetro) = 544
* reoforo 2 (rosso multimetro) - reoforo 3 (nero multimetro) = 1
* reoforo 1 (rosso multimetro) - reoforo 2 (nero multimetro) = 508
sembrerebbe funzionante o sbaglio?
-

AccDel
33 2 5 - CRU - Account cancellato su Richiesta utente
- Messaggi: 273
- Iscritto il: 13 feb 2017, 21:40
1
voti
che sigla ha il transistor?
Non conosco i punti di misura che mi stai elencando.
Devi misurare direttamente sul transistor in questa maniera:
1)Collettore-Emettitore(successivamente inverti i puntali)
2)Base-collettore
3)Base-emettitore
Se fosse buono,dobbiamo fare un ragionamento:
TL02 funziona e innesca l'oscillazione su LL05,visto e considerato che all'interno e' racchiuso anche il triplicatore di tensione,24Kvolt,la tensione UB e' collegata in parallelo con il pin 1 e 3 di LL05,quest'ultimo e' l'ingresso dell'avvolgimento del triplicatore di tensione.
Se fosse guasto il triplicatore,influisce sulla tensione UB e questo si ripercuote sul trafo primario e a sua volta sul transistor TP01 che si guasta sempre.
Potrebbe trattarsi della rottura del triplicatore di tensione.
Dissalda il reoforo 3 di LL05 e accendi il TV...
NB
I 24Kvolt servono per dare un ultra accelerata agli elettroni,affinche' raggiungano l’energia necessaria perche' i fosfori del tubo emettano luce intensa per rendere visibili le immagini)
Non conosco i punti di misura che mi stai elencando.
Devi misurare direttamente sul transistor in questa maniera:
1)Collettore-Emettitore(successivamente inverti i puntali)
2)Base-collettore
3)Base-emettitore
Se fosse buono,dobbiamo fare un ragionamento:
TL02 funziona e innesca l'oscillazione su LL05,visto e considerato che all'interno e' racchiuso anche il triplicatore di tensione,24Kvolt,la tensione UB e' collegata in parallelo con il pin 1 e 3 di LL05,quest'ultimo e' l'ingresso dell'avvolgimento del triplicatore di tensione.
Se fosse guasto il triplicatore,influisce sulla tensione UB e questo si ripercuote sul trafo primario e a sua volta sul transistor TP01 che si guasta sempre.
Potrebbe trattarsi della rottura del triplicatore di tensione.
Dissalda il reoforo 3 di LL05 e accendi il TV...
NB
I 24Kvolt servono per dare un ultra accelerata agli elettroni,affinche' raggiungano l’energia necessaria perche' i fosfori del tubo emettano luce intensa per rendere visibili le immagini)
⋮ƎlectroYou
-

stefanob70
14,1k 5 11 13 - Master EY

- Messaggi: 3190
- Iscritto il: 14 lug 2012, 13:14
- Località: Roma
0
voti
il transistor TL02 ha la sigla S2055AF, ti riassumo le misure precedenti indicando la base (B), il collettore (C) e l'emettitore (E):
* B reoforo 1 (nero multimetro) - C reoforo 2 (rosso multimetro) = 1
* B reoforo 1 (nero multimetro) - E reoforo 3 (rosso multimetro) = 041 (suona multimetro)
* C reoforo 2 (nero multimetro) - E reoforo 3 (rosso multimetro) = 544
*C reoforo 2 (rosso multimetro) - E reoforo 3 (nero multimetro) = 1
* B reoforo 1 (rosso multimetro) - C reoforo 2 (nero multimetro) = 508
Ho dissaldato il reoforo 3 del LL05 ma il televisore non si accende (led rosso spento)
, però misuro circa 315V su RP03 (resistenza) e il bul TP01 non si è bruciato.
In base alle suddette misure il TL02 mi sembra buono..
* B reoforo 1 (nero multimetro) - C reoforo 2 (rosso multimetro) = 1
* B reoforo 1 (nero multimetro) - E reoforo 3 (rosso multimetro) = 041 (suona multimetro)
* C reoforo 2 (nero multimetro) - E reoforo 3 (rosso multimetro) = 544
*C reoforo 2 (rosso multimetro) - E reoforo 3 (nero multimetro) = 1
* B reoforo 1 (rosso multimetro) - C reoforo 2 (nero multimetro) = 508
Ho dissaldato il reoforo 3 del LL05 ma il televisore non si accende (led rosso spento)
In base alle suddette misure il TL02 mi sembra buono..
-

AccDel
33 2 5 - CRU - Account cancellato su Richiesta utente
- Messaggi: 273
- Iscritto il: 13 feb 2017, 21:40
1
voti
Non si accende perche' sono due le cose:
Il TEA2261 non sta funzionando,(oppure e' spento)e quindi non sta inviando il segnale PWM alla base TP01,quindi il trafo rimane inerme(non si magnetizza),e quindi le tensioni sul secondario che alimentano la logica sono assenti.
misura dapprima DP21 13Vdc E DP22 22Vdc
Se sono presenti misura anche le tensioni sul secondario LL05
Il TEA2261 non sta funzionando,(oppure e' spento)e quindi non sta inviando il segnale PWM alla base TP01,quindi il trafo rimane inerme(non si magnetizza),e quindi le tensioni sul secondario che alimentano la logica sono assenti.
misura dapprima DP21 13Vdc E DP22 22Vdc
Se sono presenti misura anche le tensioni sul secondario LL05
⋮ƎlectroYou
-

stefanob70
14,1k 5 11 13 - Master EY

- Messaggi: 3190
- Iscritto il: 14 lug 2012, 13:14
- Località: Roma
1
voti
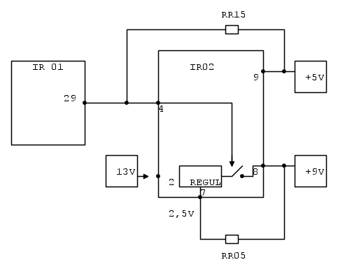
Questo e' lo schema di massima,dove la tensione di 13Vcc(UX) uscente dal Trafo LP03 va ad alimentare lo STAND-BY AND SWITCHING-ON CONTROL.
-La tensione di 9V e' disponibile?
-La tensione di 13V e' disponibile?
-La tensione di 9V e' disponibile?
-La tensione di 13V e' disponibile?
⋮ƎlectroYou
-

stefanob70
14,1k 5 11 13 - Master EY

- Messaggi: 3190
- Iscritto il: 14 lug 2012, 13:14
- Località: Roma
0
voti
dopo le misure col multimentro la situazione è la seguente (per il primo gruppo di misure):
- DP21 = 0.004V (valore massimo con valore variabile e puntale nero su pngd)
- DP22 = 0.01V (valore massimo con valore variabile e puntale nero su pngd)
Per le misure di LL05:
* RL22 = 0.08V (valore massimo con valore variabile e puntale nero su sngd)
* punto YL06 = 0.18V (valore massimo con valore variabile e puntale nero su sngd) punto sulla stessa linea di DL06
* DL05 = 0.119V (valore massimo con valore variabile e puntale nero su sngd), ma il valore si azzera quando vado a prendere la misura sul catodo, potrebbe essere rovinato il diodo?
Per il secondo gruppo di misure ho individuato sullo schema IR01, sto cercando IR02 sullo schema...
- DP21 = 0.004V (valore massimo con valore variabile e puntale nero su pngd)
- DP22 = 0.01V (valore massimo con valore variabile e puntale nero su pngd)
Per le misure di LL05:
* RL22 = 0.08V (valore massimo con valore variabile e puntale nero su sngd)
* punto YL06 = 0.18V (valore massimo con valore variabile e puntale nero su sngd) punto sulla stessa linea di DL06
* DL05 = 0.119V (valore massimo con valore variabile e puntale nero su sngd), ma il valore si azzera quando vado a prendere la misura sul catodo, potrebbe essere rovinato il diodo?
Per il secondo gruppo di misure ho individuato sullo schema IR01, sto cercando IR02 sullo schema...
-

AccDel
33 2 5 - CRU - Account cancellato su Richiesta utente
- Messaggi: 273
- Iscritto il: 13 feb 2017, 21:40
1
voti
l'unica tensione presente è la 310Vcc!!!
Ma il tea funziona?
Ma il tea funziona?
⋮ƎlectroYou
-

stefanob70
14,1k 5 11 13 - Master EY

- Messaggi: 3190
- Iscritto il: 14 lug 2012, 13:14
- Località: Roma
0
voti
ti scrivo il secondo gruppo di misure e controllo il TEA 2261, la situazione è la seguente:
- IR02 :
* piedino 9 : 0.004V (valore massimo con valore variabile e puntale nero su pngd)
* piedino 8 : 0.004V (valore massimo con valore variabile e puntale nero su pngd)
* piedino 2 : 0.013V (valore massimo con valore variabile e puntale nero su pngd)
Del TEA2261 quali misure devo prendere?
- IR02 :
* piedino 9 : 0.004V (valore massimo con valore variabile e puntale nero su pngd)
* piedino 8 : 0.004V (valore massimo con valore variabile e puntale nero su pngd)
* piedino 2 : 0.013V (valore massimo con valore variabile e puntale nero su pngd)
Del TEA2261 quali misure devo prendere?
-

AccDel
33 2 5 - CRU - Account cancellato su Richiesta utente
- Messaggi: 273
- Iscritto il: 13 feb 2017, 21:40
Torna a Costruzione, riparazione, riutilizzo
Chi c’è in linea
Visitano il forum: Nessuno e 90 ospiti

Elettrotecnica e non solo (admin)
Un gatto tra gli elettroni (IsidoroKZ)
Esperienza e simulazioni (g.schgor)
Moleskine di un idraulico (RenzoDF)
Il Blog di ElectroYou (webmaster)
Idee microcontrollate (TardoFreak)
PICcoli grandi PICMicro (Paolino)
Il blog elettrico di carloc (carloc)
DirtEYblooog (dirtydeeds)
Di tutto... un po' (jordan20)
AK47 (lillo)
Esperienze elettroniche (marco438)
Telecomunicazioni musicali (clavicordo)
Automazione ed Elettronica (gustavo)
Direttive per la sicurezza (ErnestoCappelletti)
EYnfo dall'Alaska (mir)
Apriamo il quadro! (attilio)
H7-25 (asdf)
Passione Elettrica (massimob)
Elettroni a spasso (guidob)
Bloguerra (guerra)

