Cos'è ElectroYou | Login Iscriviti

ElectroYou - la comunità dei professionisti del mondo elettrico

Alimentatore da autocostruirsi.

Tecniche per la costruzione e la riparazione di apparecchiature elettriche e non. Ricerca guasti. Adattamenti e riutilizzazioni
0
voti

[221] Re: Alimentatore da autocostruirsi.

Messaggioda Foto Utenteedgar » 16 ott 2020, 8:28

setteali ha scritto:quando arrivo a poco più di 4A entra in funzione.

Non posso replicare il comportamento perché non ho alimentatori con correnti così alte. La cosa da fare è misurare la tensione sul led che indica la limitazione di corrente e verificare se la tensione salga prima della sua accensione completa.

Avatar utente
Foto Utenteedgar
10,0k 4 5 8
Master
Master
 
Messaggi: 5229
Iscritto il: 15 set 2012, 22:59

0
voti

[222] Re: Alimentatore da autocostruirsi.

Messaggioda Foto Utentegianniniivo » 16 ott 2020, 18:47

Il problema è che a correnti di quel valore, il crowbar scatta prima che si accenda il led... E da quel valore il poi è così sempre. Sembrerebbe che il crowbar non possa funzionare a tutte le tensioni e correnti. In base alle mie prove funziona bene a tensioni e correnti minori. I due sistemi sono un po' una rogna da sincronizzare, non sono sicuro che sia possibile sincronizzarli e che valga la pena di mantenerli entrambi...
Avatar utente
Foto Utentegianniniivo
9.045 7 11 13
No Rank
 
Messaggi: 2875
Iscritto il: 5 feb 2019, 23:50

0
voti

[223] Re: Alimentatore da autocostruirsi.

Messaggioda Foto Utenteedgar » 16 ott 2020, 20:39

Non mi viene nessuna idea "lineare" sul perché di questo comportamento.
Un SCR in un circuito così "tranquillo" scatta fornendo al gate una tensione ed una corrente sufficienti per l'innesco, anche per frazioni di millisecondo.
Il led spento non è garanzia che non ci sia (stato) un picco sufficiente ad innescare il tiristore.
Se hai un oscilloscopio digitale puoi vedere cosa succede sul gate quando si verifica l'innesco.
Se si tratta di un impulso si potrebbe provare ad aggiungere un condensatore da qualche decina di nF in parallelo alla resistenza tra gate e catodo.
Avatar utente
Foto Utenteedgar
10,0k 4 5 8
Master
Master
 
Messaggi: 5229
Iscritto il: 15 set 2012, 22:59

0
voti

[224] Re: Alimentatore da autocostruirsi.

Messaggioda Foto Utentegianniniivo » 16 ott 2020, 20:54

Proverò, ma questo tipo di verifica è più qualificato Alex a farla... :mrgreen:
Avatar utente
Foto Utentegianniniivo
9.045 7 11 13
No Rank
 
Messaggi: 2875
Iscritto il: 5 feb 2019, 23:50

0
voti

[225] Re: Alimentatore da autocostruirsi.

Messaggioda Foto Utenteedgar » 16 ott 2020, 20:55

Parli a suocera perché nuora intenda?? :mrgreen: :mrgreen: :mrgreen:
Avatar utente
Foto Utenteedgar
10,0k 4 5 8
Master
Master
 
Messaggi: 5229
Iscritto il: 15 set 2012, 22:59

0
voti

[226] Re: Alimentatore da autocostruirsi.

Messaggioda Foto Utentegianniniivo » 16 ott 2020, 20:58

Ma non era al contrario? :mrgreen: :mrgreen: :mrgreen:
Avatar utente
Foto Utentegianniniivo
9.045 7 11 13
No Rank
 
Messaggi: 2875
Iscritto il: 5 feb 2019, 23:50

0
voti

[227] Re: Alimentatore da autocostruirsi.

Messaggioda Foto Utenteedgar » 16 ott 2020, 21:59

Non sono del tutto pratico sul detto fra cristiani, qui si usa dire "battere sulla sella per far capire all'asino" ma mi sembrava brutto (:OOO:) (:OOO:) (:OOO:)
Avatar utente
Foto Utenteedgar
10,0k 4 5 8
Master
Master
 
Messaggi: 5229
Iscritto il: 15 set 2012, 22:59

0
voti

[228] Re: Alimentatore da autocostruirsi.

Messaggioda Foto Utentegianniniivo » 16 ott 2020, 22:02

Ma quando fischiano le orecchie ha qualche significato? ?%
Avatar utente
Foto Utentegianniniivo
9.045 7 11 13
No Rank
 
Messaggi: 2875
Iscritto il: 5 feb 2019, 23:50

0
voti

[229] Re: Alimentatore da autocostruirsi.

Messaggioda Foto Utenteedgar » 16 ott 2020, 22:03

Acufeni, dopo una certa età ne soffriamo tutti :mrgreen: :mrgreen:
Avatar utente
Foto Utenteedgar
10,0k 4 5 8
Master
Master
 
Messaggi: 5229
Iscritto il: 15 set 2012, 22:59

0
voti

[230] Re: Alimentatore da autocostruirsi.

Messaggioda Foto Utentesetteali » 17 ott 2020, 0:17

......suocera, nuora, cristiani, asini e acufeni + SCR + led = mal di testa.

Buonasera ragazzi,
mi ci sono messo un po' tardi a fare qualche controllo , non riuscirò a essere preciso come Ivo perché proprio non mi riuscirebbe =D>

Intanto ho tolto il led che avevo messo come over-load, perché era un led intermittente e creava un po' di confusione :-)

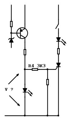
I controlli che ho fatto sono pochi e solo sul circuito di controllo corrente, perché a me dà l'errore di attivarsi l'over-load quando la regolazione di corrente e vicinissima a zero, senza nessun carico ed a qualsiasi tensione e senza scorrimento di corrente.
Ho fatto queste misure sui 3 pin dell'operazionale:
Led off = pin 1 22,73V pin 2- 47,8mV pin 3+ 92,9mV
Led on = pin 1 -14,3mV pin 2- 34,7mV pin 3+ 33,2mV

Sul crow-bar la resistenza di anodo è di 454 Ohm con 22 V+ e 6V- circa , mi senbra abbastanza bassa da far scorrere una sufficiente corrente nell'SCR circa 60 mA.
Cosa sarà che crea questo difetto?
Alex
https://www.facebook.com/Elettronicaeelettrotecnica

<< vedi di pigliare arditamente in mano, il dizionario che ti suona in bocca,
se non altro è schietto e paesano.
(Giuseppe Giusti) <<
Avatar utente
Foto Utentesetteali
11,9k 5 5 9
Master
Master
 
Messaggi: 5922
Iscritto il: 15 dic 2013, 21:09

PrecedenteProssimo

Torna a Costruzione, riparazione, riutilizzo

Chi c’è in linea

Visitano il forum: Nessuno e 47 ospiti