RDNROXAS ha scritto: ...quelle resistenze in più erano state messe per escludere i condensatori dal C417 al C420...
abusivo ha scritto: ...ho ancora qualche perplessità...
RDNROXAS ha scritto: ...quelle resistenze in più erano state messe per escludere i condensatori dal C417 al C420...
abusivo ha scritto: ...ho ancora qualche perplessità...


claudiocedrone ha scritto:...
abusivo ha scritto: ...Alle brutte un commutatore rotativo e via...



claudiocedrone ha scritto:...doppio commutatore e via![]()


abusivo ha scritto: ...Si può mettere il led direttamente e brutalmente...



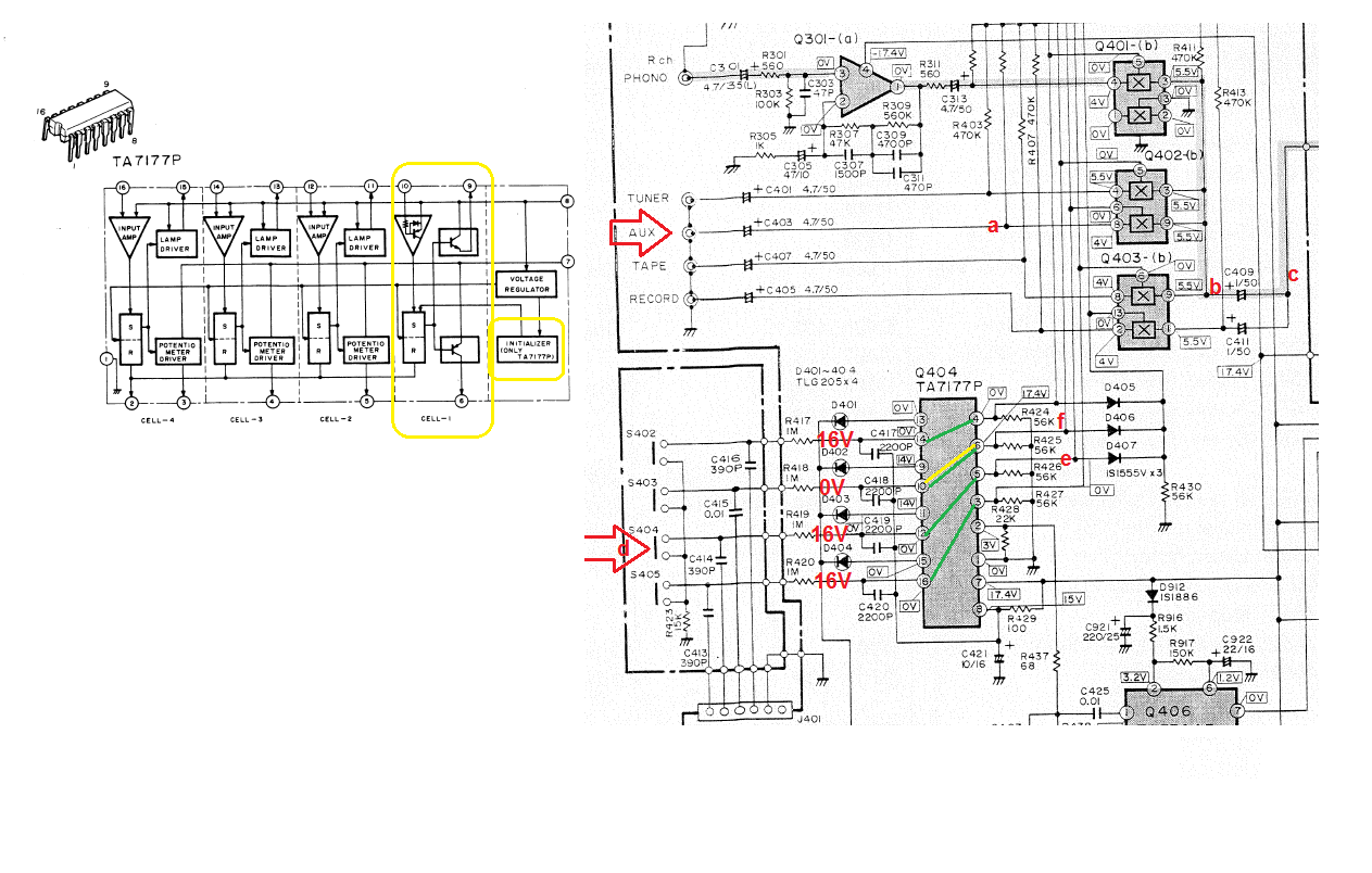
setteali ha scritto:...c'è lo schema a blocchi del suo interno che era sullo schema dell'apparecchio e dovrebbe essere sufficiente...
setteali ha scritto::-) lo volete far lavorare di brutto l'OP...Allora farei un'ultima prova...
setteali ha scritto: ...lo schema a blocchi del suo interno che era sullo schema dell'apparecchio e dovrebbe essere sufficiente...


Torna a Costruzione, riparazione, riutilizzo
Visitano il forum: Google Adsense [Bot] e 20 ospiti