da
PietroBaima » 2 dic 2017, 20:52
dadduni ha scritto:Vi scoccio un altro po' ma visto che a Natale siamo tutti più buoni vorrete di certo aiutare un povero studente a capire
ma no anzi, così a Natale non parliamo solo di TRIAC...
dadduni ha scritto:Lo stadio lineare migliora il rumore proveniente da un eventuale stadio switching precedente?
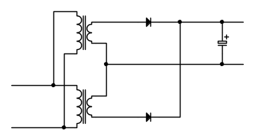
Il fatto di mettere degli stabilizzatori lineari, specialmente degli LDO (per non abbassare troppo il rendimento) dopo un alimentatore switching è usato, talvolta, per avere una stabilizzazione migliore e meno rumorosa.
Vengono chiamati post stabilizzatori, e si usano, in genere, quando in uno switching si hanno tanti secondari di uscita e il feedback è preso da una sola di loro, affidando la tensione di uscita sugli altri secondari alla precisione del rapporto spire.
Chi si occupa di elettronica di potenza però mi dice che progettarli non è facile, perché non si inseriscono tanto per metterli e ottenere una tensione di uscita meno rumorosa non è facilissimo e conta molto il progetto del PCB.
dadduni ha scritto:Come faccio a valutarlo in maniera seria? Puntavo ad un alimentatore pulito e lineare ma se alimentando il mio circuito con uno switching perdo di pulizia allora non ne vale affatto la pena

Non è banale fare misure di rumore, specialmente sulle radiate. Sulle condotte possiamo parlarne, ma non è semplice.