Scusa, scusa, scusa, mea culpa!
Ho sbagliato io a collegare la resistenza di polarizzazione del diodo ed è vero anche quello che hai detto in [38].
Troppe distrazioni oggi, forse la primavera ...
Credo che per oggi non è consigliabile continuare.
Comunque l'alimentatore ausiliario ora fa il suo dovere!
LM723 questo sconosciuto ...
0
voti
abusivo ha scritto:Troppe distrazioni oggi, forse la primavera ...
Sarà l'ubriacatura della prima uscita dopo mesi
abusivo ha scritto:l'alimentatore ausiliario ora fa il suo dovere!

1
voti
edgar ha scritto:...Sarà l'ubriacatura della prima uscita dopo mesi...
Ho fatto 4 chilometri ad andare e altri e 4 per tornare a piedi da pusher!
Non mi fido ancora di prendere i mezzi.
Normalmente ci vogliono 20 minuti con l'autobus...
Comunque mi sono fatto anche una lunga partita a chiacchiere con lo spacciatore!
Forse è stata quella ...
Se quello che funziona basta non lo tocca' sennò te lassa!
0
voti
Ho appena finito di montare lo stadio con il 723.
C'è modo i poterlo testare visto che è solo un V reference?
Altra domanda; ce lo metto un poliestere da 100 nF direttamente sui pin di alimentazione?
Dato che mi sono "cecato" ora mi occupo di trovare un posto per le resistenze di sensing...
C'è modo i poterlo testare visto che è solo un V reference?
Altra domanda; ce lo metto un poliestere da 100 nF direttamente sui pin di alimentazione?
Dato che mi sono "cecato" ora mi occupo di trovare un posto per le resistenze di sensing...
Se quello che funziona basta non lo tocca' sennò te lassa!
0
voti
Perfetto, vado a verificare!
Però prima provo l'integrato su altro alimentatore in quanto, a volte, il mio spacciatore mi ha dato delle sole!
Però prima provo l'integrato su altro alimentatore in quanto, a volte, il mio spacciatore mi ha dato delle sole!
Se quello che funziona basta non lo tocca' sennò te lassa!
0
voti
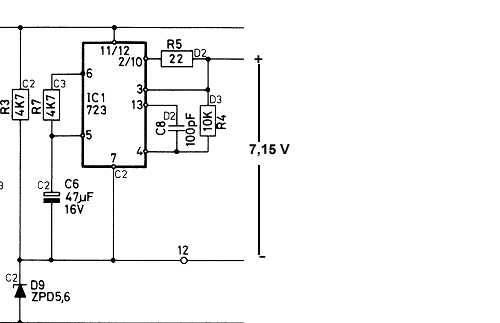
edgar ha scritto:...devi trovare circa 7,15 volt dove indicato...
7,15 V perfetti!
Basta per oggi, sono soddisfatto ...
Mi sono cecato ma per il momento ho ottenuto un risultato!
Devo chiedere al mio vicino se mi ci fa una foto che la posto ...
Se quello che funziona basta non lo tocca' sennò te lassa!
0
voti
Nonostante gli impegni casalinghi i lavori vanno avanti, a rilento ma proseguono.
Ho appena finito di fare lo stadio regolatore di tensione con operazionale.
Purtroppo il mille-fori non concede errori e sono legato al PCB precedente di cui sfrutto il cablaggio.
Mi sembra stia venendo un buon lavoro.
Mi manca lo stadio regolatore di corrente e il rilevatore con Led.
Il più è fatto!
Ho appena finito di fare lo stadio regolatore di tensione con operazionale.
Purtroppo il mille-fori non concede errori e sono legato al PCB precedente di cui sfrutto il cablaggio.
Mi sembra stia venendo un buon lavoro.
Mi manca lo stadio regolatore di corrente e il rilevatore con Led.
Il più è fatto!
Se quello che funziona basta non lo tocca' sennò te lassa!
0
voti
Le millefori non mi sono mai piaciute, al minimo errore ti trovi la piazzola in mano
A suo tempo avevo recuperato / riciclato delle millefori con fori metallizzati: un altro pianeta.
Se non avessi avuto i tuoi problemi logistici ti avrei realizzato il circuito stampato con misure e disposizione cablaggio ad hoc.
Dai dai, sono curioso di vedere il lavoro finito
A suo tempo avevo recuperato / riciclato delle millefori con fori metallizzati: un altro pianeta.
Se non avessi avuto i tuoi problemi logistici ti avrei realizzato il circuito stampato con misure e disposizione cablaggio ad hoc.
Dai dai, sono curioso di vedere il lavoro finito
0
voti
edgar ha scritto:Le millefori non mi sono mai piaciute...
E ce lo so!
Purtroppo è l'unico mezzo che ho a disposizione per realizzare un circuito, per il momento.
Ho acquisito una certa dimestichezza e ci faccio parecchie cose.
Ricordo la prima volta che l'ho usato:
Non era piccolissimo ed ho riempito tutti i buchi!!!
Qualche anno dopo volevo sostituire dei diodi ma ho lasciato perdere ...
Non permette neanche modifiche e aggiustamenti.
Però ancora oggi il circuito in questione funziona bene anche se in condizioni estreme!
edgar ha scritto:...riciclato delle millefori con fori metallizzati: un altro pianeta...
Il mio spacciatore solo queste che sto usando ha!
edgar ha scritto:...Dai dai, sono curioso di vedere il lavoro finito.
Ti faccio vedere anche come si sono ridotti i miei occhi!
Se quello che funziona basta non lo tocca' sennò te lassa!
Torna a Costruzione, riparazione, riutilizzo
Chi c’è in linea
Visitano il forum: Nessuno e 43 ospiti

Elettrotecnica e non solo (admin)
Un gatto tra gli elettroni (IsidoroKZ)
Esperienza e simulazioni (g.schgor)
Moleskine di un idraulico (RenzoDF)
Il Blog di ElectroYou (webmaster)
Idee microcontrollate (TardoFreak)
PICcoli grandi PICMicro (Paolino)
Il blog elettrico di carloc (carloc)
DirtEYblooog (dirtydeeds)
Di tutto... un po' (jordan20)
AK47 (lillo)
Esperienze elettroniche (marco438)
Telecomunicazioni musicali (clavicordo)
Automazione ed Elettronica (gustavo)
Direttive per la sicurezza (ErnestoCappelletti)
EYnfo dall'Alaska (mir)
Apriamo il quadro! (attilio)
H7-25 (asdf)
Passione Elettrica (massimob)
Elettroni a spasso (guidob)
Bloguerra (guerra)

