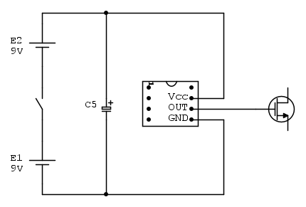
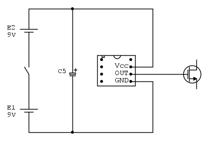
Due batterie da 9V in serie vanno benissimo. Il circuito per misurare se l'uscita che pilota il gate e` questo. I valori dei componenti non sono critici
Riparazione alimentatore switching 12V - 6,5A
1
voti
Per usare proficuamente un simulatore, bisogna sapere molta più elettronica di lui
Plug it in - it works better!
Il 555 sta all'elettronica come Arduino all'informatica! (entrambi loro malgrado)
Se volete risposte rispondete a tutte le mie domande
Plug it in - it works better!
Il 555 sta all'elettronica come Arduino all'informatica! (entrambi loro malgrado)
Se volete risposte rispondete a tutte le mie domande
0
voti
Grazie per lo schema. Ora vedo se trovo le 2 batterie. Poi realizzo il circuito su breadboard.
Mi spieghi per favore come devo impostare il multimetro e cosa dovrei vedere sia in caso di oscillazione che in caso di problemi al componente?
Scusa, ma ovviamente anche questo tipo di prova è del tutto nuova per me...e non conosco il principio di funzionamento di questo circuito.
Mi sono appena accorto che il mio multimetro ha anche la funzione di misura della frequenza
Questo semplifica le cose? Una volta alimentato il controller, potrei usarlo direttamente sul suo pin di output? O serve comunque quel circuito che mi hai indicato? Grazie
Mi spieghi per favore come devo impostare il multimetro e cosa dovrei vedere sia in caso di oscillazione che in caso di problemi al componente?
Scusa, ma ovviamente anche questo tipo di prova è del tutto nuova per me...e non conosco il principio di funzionamento di questo circuito.
Mi sono appena accorto che il mio multimetro ha anche la funzione di misura della frequenza
Questo semplifica le cose? Una volta alimentato il controller, potrei usarlo direttamente sul suo pin di output? O serve comunque quel circuito che mi hai indicato? Grazie
0
voti
Allora
IsidoroKZ, ho recuperato le batterie e ho predisposto i collegamenti.
Per non dare nulla per scontato, visto che al momento per me non lo è nulla, ho disegnato al volo lo schema, che è il seguente.
Per praticità di on/off ho messo anche un interruttore.
L'OUT dell'integrato l'ho disegnato direttamente collegato al mosfet, anche se nella realtà c'è un po' di roba in mezzo. Nel caso, se serve, lo ridisegno completo di tutto ciò che è mancante.
Ora, perdonami, ma per evitare di far danni, avrei bisogno di un po' di indicazioni, quindi faccio un po' di domande e mi scuso se possono risultare banali. Siamo passati da argomenti prettamente teorici a questo, prettamente pratico, e visto che siamo in dirittura d'arrivo, non voglio sbagliare proprio ora e magari danneggiare qualcosa.
Partiamo dall'inizio. Visto che il mio multimetro può misurare frequenza e duty cicle, per verificare l'oscillazione, è comunque necessaria la realizzazione del circuito di clamp che mi avevi consigliato, o questo è bypassabile dalle funzioni del multimetro? E in ogni caso, in che modo e su quali nodi devo fare le misure?
Seconda domanda. Dopo aver fornito i 18V ai capi di C5, mi avevi detto di misurare le tensioni in continua sui vari pin. Esattamente su quali pin dei fare le misure? E cosa dovrei aspettarmi da ogni misura?
Grazie.
Per non dare nulla per scontato, visto che al momento per me non lo è nulla, ho disegnato al volo lo schema, che è il seguente.
Per praticità di on/off ho messo anche un interruttore.
L'OUT dell'integrato l'ho disegnato direttamente collegato al mosfet, anche se nella realtà c'è un po' di roba in mezzo. Nel caso, se serve, lo ridisegno completo di tutto ciò che è mancante.
Ora, perdonami, ma per evitare di far danni, avrei bisogno di un po' di indicazioni, quindi faccio un po' di domande e mi scuso se possono risultare banali. Siamo passati da argomenti prettamente teorici a questo, prettamente pratico, e visto che siamo in dirittura d'arrivo, non voglio sbagliare proprio ora e magari danneggiare qualcosa.
Partiamo dall'inizio. Visto che il mio multimetro può misurare frequenza e duty cicle, per verificare l'oscillazione, è comunque necessaria la realizzazione del circuito di clamp che mi avevi consigliato, o questo è bypassabile dalle funzioni del multimetro? E in ogni caso, in che modo e su quali nodi devo fare le misure?
Seconda domanda. Dopo aver fornito i 18V ai capi di C5, mi avevi detto di misurare le tensioni in continua sui vari pin. Esattamente su quali pin dei fare le misure? E cosa dovrei aspettarmi da ogni misura?
Grazie.
0
voti
Adesso colazione, poi devo uscire con un amico che e` venuto a trovarmi dal profondo nord.
Guarda sul manuale del multimetro fino a che frequenza puo` misurare frequenze e duty cycle. Che modello e`?
Per il resto, oggi pomeriggio mio.
Guarda sul manuale del multimetro fino a che frequenza puo` misurare frequenze e duty cycle. Che modello e`?
Per il resto, oggi pomeriggio mio.
Per usare proficuamente un simulatore, bisogna sapere molta più elettronica di lui
Plug it in - it works better!
Il 555 sta all'elettronica come Arduino all'informatica! (entrambi loro malgrado)
Se volete risposte rispondete a tutte le mie domande
Plug it in - it works better!
Il 555 sta all'elettronica come Arduino all'informatica! (entrambi loro malgrado)
Se volete risposte rispondete a tutte le mie domande
0
voti
IsidoroKZ ha scritto:Per il resto, oggi pomeriggio mio.
Va bene....direi che te lo sei meritato
Comunque, per quanto riguarda il multimetro, è uno strumento di fascia bassa per uso hobbystico. Mi sembrava solo un po' meglio degli altri, proprio perché è dotato di qualche funzione in più tipo frequenza, duty cycle, temperatura e capacità che altri non avevano. E anche gli altri parametri sono leggermente superiori.
Giusto per la cronaca la marca è Aokozo modello T28B.
Da manuale, può misurare frequenze da
a
con uno scostamento sulla misura di 
0
voti
Sul controllore, alimentato con due pile, sui piedini dovresti vedere
1) tensione "alta", dalle parti di 4V
3) circa 0V (e` montata la resistenza di sense da 1 Ω)
4) non misurare, al piu` prova con il frequenzimetro
6) misurare con il frequenzimetro, e vedere se riesce a misurare anche il duty cycle. Misurare con il circuito che ho messo prima, dovrebbe dare circa 16V
7) 18V
8) 5V
Misurare la tensione su C10 e la tensione di collettore di Q3
1) tensione "alta", dalle parti di 4V
3) circa 0V (e` montata la resistenza di sense da 1 Ω)
4) non misurare, al piu` prova con il frequenzimetro
6) misurare con il frequenzimetro, e vedere se riesce a misurare anche il duty cycle. Misurare con il circuito che ho messo prima, dovrebbe dare circa 16V
7) 18V
8) 5V
Misurare la tensione su C10 e la tensione di collettore di Q3
Per usare proficuamente un simulatore, bisogna sapere molta più elettronica di lui
Plug it in - it works better!
Il 555 sta all'elettronica come Arduino all'informatica! (entrambi loro malgrado)
Se volete risposte rispondete a tutte le mie domande
Plug it in - it works better!
Il 555 sta all'elettronica come Arduino all'informatica! (entrambi loro malgrado)
Se volete risposte rispondete a tutte le mie domande
0
voti
Allora...questi i risultati.
Vcc (7) = 17,2 V (penso che una delle 2 batterie sia un po' scarica).
Comp (1) = 5,8 V
FB (3) = 4,9 V
VRef (8) = 5,0 V
RtCt (4) = 72 kHz
OUT (6) = ---
C10 = 5,8 V
Q3 = 0,7 V (tra collettore ed emettitore)
Ho dei problemi con la misura delle frequenze sul pin di OUTPUT. Non capisco se sono io, il multimetro o l'integrato...
Ho collegato in uscita il circuito che mi hai indicato, collegandomi dove mi hai indicato, ma non vedo né frequenza, né tensione.
L'unica cosa che noto è che appena fornisco l'alimentazione all'integrato, c'è un piccolo sussulto di tensione, ma poi torna immediatamente a 0 V.
Ho provato anche a misurare la frequenza direttamente al pin di OUTPUT, sia con il circuito in uscita, sia senza niente, ma rimane sempre a 0 V.
PS: non sono sicuro di aver posizionato bene i puntali per la misura della frequenza. In particolare ho notato, per esempio quando misuro RtCt, che se collego solamente il puntale rosso sul pin 4, leggo la frequenza di 72 kHz. Se poi vado a collegare il nero a Gnd, la frequenza va a 0. Sbaglio qualcosa?
Vcc (7) = 17,2 V (penso che una delle 2 batterie sia un po' scarica).
Comp (1) = 5,8 V
FB (3) = 4,9 V
VRef (8) = 5,0 V
RtCt (4) = 72 kHz
OUT (6) = ---
C10 = 5,8 V
Q3 = 0,7 V (tra collettore ed emettitore)
Ho dei problemi con la misura delle frequenze sul pin di OUTPUT. Non capisco se sono io, il multimetro o l'integrato...
Ho collegato in uscita il circuito che mi hai indicato, collegandomi dove mi hai indicato, ma non vedo né frequenza, né tensione.
L'unica cosa che noto è che appena fornisco l'alimentazione all'integrato, c'è un piccolo sussulto di tensione, ma poi torna immediatamente a 0 V.
Ho provato anche a misurare la frequenza direttamente al pin di OUTPUT, sia con il circuito in uscita, sia senza niente, ma rimane sempre a 0 V.
PS: non sono sicuro di aver posizionato bene i puntali per la misura della frequenza. In particolare ho notato, per esempio quando misuro RtCt, che se collego solamente il puntale rosso sul pin 4, leggo la frequenza di 72 kHz. Se poi vado a collegare il nero a Gnd, la frequenza va a 0. Sbaglio qualcosa?
0
voti
Devo fare una piccola correzione.
Ho scritto FB (3), ma ovviamente il pin 3 è il CS.
Comunque per sicurezza ho ripetuto la misura, ed era corretta: 4,9 V al CS. Noi però ci aspettavamo 0 V.
Confermo anche che la resistenza da 1 Ω è montata.
Ho scritto FB (3), ma ovviamente il pin 3 è il CS.
Comunque per sicurezza ho ripetuto la misura, ed era corretta: 4,9 V al CS. Noi però ci aspettavamo 0 V.
Confermo anche che la resistenza da 1 Ω è montata.
1
voti
Con un po' di ritardo riesco a rispondere.
In effetti dallo schema, nelle condizioni di misura, e` giusto che sull'uscita del controllore non ci sia segnale, la tensione elevata su CS ne blocca il funzionamento, non avevo guardato con attenzione lo schema.
Continuo a domandarmi quale sia la funzione di Q3 e Q2: sembra che siano un sistema per evitare il funzionamento hicup: in seguito a un corto bloccano il circuito fino a che non si spegne e riaccende tutto l'alimentatore (funzionamento latch).
Pero` vorrei il parere di
carloc, vediamo che dice il saggio!
Come prova per vedere che tutto il controllore funzioni, fai le stesse misure cortocircuitando C10. A questo punto il tester dovrebbe indicarti una frequenza sul piedino 6, ed eventualmente anche il duty cycle, e il circuito che ho messo prima, collegato sul piedino 6 dovrebbe dare una tensione continua di circa 15V. Con C10 cortocircuitato su CS dovrebbe esserci una tensione di 0V circa.
Quel 3842 sembra una evoluzione del solito 3842. Avevo visto un data sheet in cui avevano aggiunto qualche altra funzione al controllore, che richiedava una resistenza dall'alimentazione al segnale di current sense (3), in questo circuito R12 ed R7, pero` non sono piu` riuscito a ritrovare il data sheet e non ricordo quale fosse la funzione aggiunta
Prima di raccontare che cosa fanno secondo me Q2 e Q3 vorrei sentire qualche altro parere, fanno una funzione molto inconsueta!
In effetti dallo schema, nelle condizioni di misura, e` giusto che sull'uscita del controllore non ci sia segnale, la tensione elevata su CS ne blocca il funzionamento, non avevo guardato con attenzione lo schema.
Continuo a domandarmi quale sia la funzione di Q3 e Q2: sembra che siano un sistema per evitare il funzionamento hicup: in seguito a un corto bloccano il circuito fino a che non si spegne e riaccende tutto l'alimentatore (funzionamento latch).
Pero` vorrei il parere di
Come prova per vedere che tutto il controllore funzioni, fai le stesse misure cortocircuitando C10. A questo punto il tester dovrebbe indicarti una frequenza sul piedino 6, ed eventualmente anche il duty cycle, e il circuito che ho messo prima, collegato sul piedino 6 dovrebbe dare una tensione continua di circa 15V. Con C10 cortocircuitato su CS dovrebbe esserci una tensione di 0V circa.
Quel 3842 sembra una evoluzione del solito 3842. Avevo visto un data sheet in cui avevano aggiunto qualche altra funzione al controllore, che richiedava una resistenza dall'alimentazione al segnale di current sense (3), in questo circuito R12 ed R7, pero` non sono piu` riuscito a ritrovare il data sheet e non ricordo quale fosse la funzione aggiunta
Prima di raccontare che cosa fanno secondo me Q2 e Q3 vorrei sentire qualche altro parere, fanno una funzione molto inconsueta!
Per usare proficuamente un simulatore, bisogna sapere molta più elettronica di lui
Plug it in - it works better!
Il 555 sta all'elettronica come Arduino all'informatica! (entrambi loro malgrado)
Se volete risposte rispondete a tutte le mie domande
Plug it in - it works better!
Il 555 sta all'elettronica come Arduino all'informatica! (entrambi loro malgrado)
Se volete risposte rispondete a tutte le mie domande
0
voti
IsidoroKZ ha scritto:Pero` vorrei il parere di carloc, vediamo che dice il saggio!
Mi sa che
IsidoroKZ ha scritto:Prima di raccontare che cosa fanno secondo me Q2 e Q3 vorrei sentire qualche altro parere, fanno una funzione molto inconsueta!
Forse dovresti evocare qualcuno anche in questo caso.
Comunque grazie per la risposta, sapevo che non mi avevi abbandonato!
Allora, ho ripetuto il test cortocircuitando C10. Ecco i risultati.
Vcc (7) = 16,2 V (ormai una delle batterie è agli sgoccioli).
Comp (1) = 5,4 V
CS (3) = 0 V
VRef (8) = 5,0 V
RtCt (4) = 77 kHz
OUT (6) = 9,8 V - 78KHz - 56%
C10 = cortocircuito
Q3 = 0 V (tra collettore ed emettitore)
IsidoroKZ ha scritto:Come prova per vedere che tutto il controllore funzioni, fai le stesse misure cortocircuitando C10. A questo punto il tester dovrebbe indicarti una frequenza sul piedino 6, ed eventualmente anche il duty cycle, e il circuito che ho messo prima, collegato sul piedino 6 dovrebbe dare una tensione continua di circa 15V. Con C10 cortocircuitato su CS dovrebbe esserci una tensione di 0V circa.
I risultati sono congruenti con i valori che ti aspettavi. Però mi puoi dare una spiegazione del perché?
Come fai a sapere che se C10 è in corto, allora CS va a 0 V? E perché se CS è basso, il pin di OUTPUT si attiva?
Ora con i dati che abbiamo possiamo considerare buono il controllore?
Qual è il prossimo passo? Test finale, o meglio provare qualche altro componente?
Grazie
Torna a Costruzione, riparazione, riutilizzo
Chi c’è in linea
Visitano il forum: Nessuno e 20 ospiti

Elettrotecnica e non solo (admin)
Un gatto tra gli elettroni (IsidoroKZ)
Esperienza e simulazioni (g.schgor)
Moleskine di un idraulico (RenzoDF)
Il Blog di ElectroYou (webmaster)
Idee microcontrollate (TardoFreak)
PICcoli grandi PICMicro (Paolino)
Il blog elettrico di carloc (carloc)
DirtEYblooog (dirtydeeds)
Di tutto... un po' (jordan20)
AK47 (lillo)
Esperienze elettroniche (marco438)
Telecomunicazioni musicali (clavicordo)
Automazione ed Elettronica (gustavo)
Direttive per la sicurezza (ErnestoCappelletti)
EYnfo dall'Alaska (mir)
Apriamo il quadro! (attilio)
H7-25 (asdf)
Passione Elettrica (massimob)
Elettroni a spasso (guidob)
Bloguerra (guerra)




