ciao a tutti
in un sito di annunci ho trovato questo gadget :
simpatico gadget con scritta luminosa AUGURI. Il funziionamento è molto semplice basta collegare il dispositivo alla 220 V accendere l'interruttore e si avrà l'immediato funzionamento si accende la prima lettera poi la seconda e così via fino al completamento della scritta per rimanere qualche secondo la scritta poi si spegne e ricomincia il ciclo.
qualcuno mi puo' spiegare come poterla fare ?
Realizzare scritta auguri con LED
1
voti
Ciao,
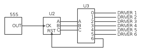
questo circuito è facilmente fattibile utilizzando un multivibratore astabile (banalmente, un 555), un contatore binario ed un multiplexer.
Credo si possa realizzare anche senza il contatore binario, ma in questo momento non mi viene in mente come sarebbe possibile.
Ad ogni modo, la logica di base sarebbe questa:
Il segnale generato dal 555 incrementa dopo un certo intervallo il contatore binario U2, il quale invia il suo conteggio (A, B, C) al multiplexer U3, che di conseguenza seleziona l'output corrispondente.
Nel tuo esempio, la parola "auguri" contiene 6 lettere. È quindi necessario riportare il contatore U2 a zero dopo la sesta lettera (da qui il collegamento tra U3<6> e U2<RST>), in modo che alla fine della parola il circuito ricominci da capo, illuminando la prima lettera.
Ogni output di U3 controlla un driver (facilmente realizzabile con un NMOS), che a sua volta alimenta una catena di LED (una lettera).
Il tutto può essere poi inscatolato con un piccolo alimentatore 220VCA/5VCC e collegato ad un interruttore.
Spero di essere stato chiaro, come vedi comunque il circuito si realizza con pochi integrati digitali.
questo circuito è facilmente fattibile utilizzando un multivibratore astabile (banalmente, un 555), un contatore binario ed un multiplexer.
Credo si possa realizzare anche senza il contatore binario, ma in questo momento non mi viene in mente come sarebbe possibile.
Ad ogni modo, la logica di base sarebbe questa:
Il segnale generato dal 555 incrementa dopo un certo intervallo il contatore binario U2, il quale invia il suo conteggio (A, B, C) al multiplexer U3, che di conseguenza seleziona l'output corrispondente.
Nel tuo esempio, la parola "auguri" contiene 6 lettere. È quindi necessario riportare il contatore U2 a zero dopo la sesta lettera (da qui il collegamento tra U3<6> e U2<RST>), in modo che alla fine della parola il circuito ricominci da capo, illuminando la prima lettera.
Ogni output di U3 controlla un driver (facilmente realizzabile con un NMOS), che a sua volta alimenta una catena di LED (una lettera).
Il tutto può essere poi inscatolato con un piccolo alimentatore 220VCA/5VCC e collegato ad un interruttore.
Spero di essere stato chiaro, come vedi comunque il circuito si realizza con pochi integrati digitali.
"Computers, operating systems, networks are a hot mess. They're barely manageable, even if you know a decent amount about what you're doing. Nine out of ten software engineers agree: it's a miracle anything works at all."
@fasterthanlime
@fasterthanlime
1
voti
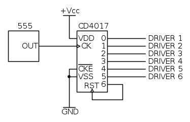
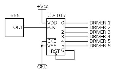
Forse si puo' semplificare usando un NE555 ed un CD4017, oltre l'alimentazione.
Bisogna vedere pero', a seconda del numero dei led, se sia possibile pilotarli direttamente dall'integrato.
Bisogna vedere pero', a seconda del numero dei led, se sia possibile pilotarli direttamente dall'integrato.
marco
1
voti
marco438 ha scritto:Forse si puo' semplificare usando un NE555 ed un CD4017
ECCO qual era il componente, grazie per la dritta, mi ero scordato della sua esistenza.
Ti lascio la parte del 555 da disegnare, è un ottimo allenamento per chi è alle prime armi con l'elettronica digitale :)
Parti da qui: http://it.wikipedia.org/wiki/NE555
E se vuoi andare in dettaglio puoi dare un occhio al suo datasheet:
http://pdf.datasheetcatalog.com/datashe ... Xuyztz.pdf
Ti lascio anche il datasheet del CD4017 per riferimento:
http://pdf.datasheetcatalog.com/datashe ... 736_DS.pdf
Quando la tua parte di 555 è finita, diamo un occhio ai driver.
"Computers, operating systems, networks are a hot mess. They're barely manageable, even if you know a decent amount about what you're doing. Nine out of ten software engineers agree: it's a miracle anything works at all."
@fasterthanlime
@fasterthanlime
1
voti
Non ho capito bene se quando si accende la prima U la lettera A si spegne oppure rimane accesa. Nel primo caso servei il 4017, nel secondo caso invece bisogna usare un registro a scorrimento.
Per usare proficuamente un simulatore, bisogna sapere molta più elettronica di lui
Plug it in - it works better!
Il 555 sta all'elettronica come Arduino all'informatica! (entrambi loro malgrado)
Se volete risposte rispondete a tutte le mie domande
Plug it in - it works better!
Il 555 sta all'elettronica come Arduino all'informatica! (entrambi loro malgrado)
Se volete risposte rispondete a tutte le mie domande
Torna a Costruzione, riparazione, riutilizzo
Chi c’è in linea
Visitano il forum: Nessuno e 60 ospiti

Elettrotecnica e non solo (admin)
Un gatto tra gli elettroni (IsidoroKZ)
Esperienza e simulazioni (g.schgor)
Moleskine di un idraulico (RenzoDF)
Il Blog di ElectroYou (webmaster)
Idee microcontrollate (TardoFreak)
PICcoli grandi PICMicro (Paolino)
Il blog elettrico di carloc (carloc)
DirtEYblooog (dirtydeeds)
Di tutto... un po' (jordan20)
AK47 (lillo)
Esperienze elettroniche (marco438)
Telecomunicazioni musicali (clavicordo)
Automazione ed Elettronica (gustavo)
Direttive per la sicurezza (ErnestoCappelletti)
EYnfo dall'Alaska (mir)
Apriamo il quadro! (attilio)
H7-25 (asdf)
Passione Elettrica (massimob)
Elettroni a spasso (guidob)
Bloguerra (guerra)







