salve a tutti, come da titolo, ho un alimentatore nuovo ps-305d che in uscita non eroga nulla, si accende, i display di voltmetro e amperometro segnano entrambi 0, ruotando le manopole relative alla regolazione di V e I ottengo soltanto l'accendersi alternativo dei due led di funzionamento a tensione costante o corrente costante, a seconda se vado al valore minimo dei due potenziometri (led cc) o maggiore del minimo (led cv).
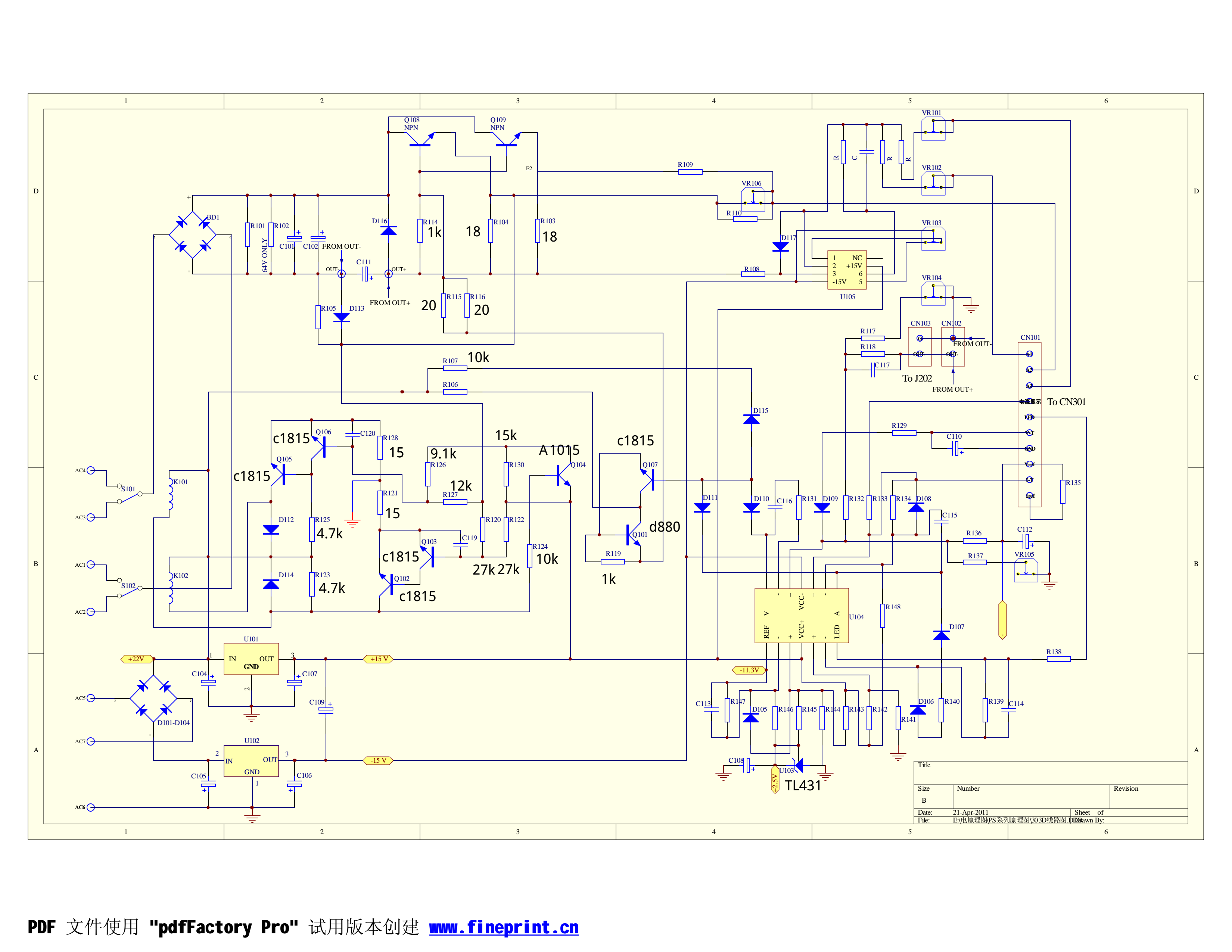
ho sostituito l'LM324N ma non ho ottenuto risultato, ho misurato la tensione in ingresso al ponte e misuro 15VAC, in uscita dal ponte 18VDC (già ho riparato una pista che era tagliata accidentalmente). in uscita dai due regolatori di tensione L7815 e 7915 misuro + - 15V, ho testato inoltre entrambi i 2N3055 secondo il video su youtube in allegato e credo sia rispondente alle indicazioni date.... avete suggerimenti la ventola gira e in uscita non ottengo nulla? allego lo schema.
grazie in anticipo!
https://www.youtube.com/watch?v=xyKzUCrwTpA
riparazione alimentatore ps-305d
16 messaggi
• Pagina 1 di 2 • 1, 2
0
voti
- Allegati
-
PS305D Schematic Main.pdf- (34.93 KiB) Scaricato 1046 volte
Ultima modifica di
lillo il 17 set 2015, 11:28, modificato 3 volte in totale.
Motivazione: Thread spostato dalla sezione "Elettronica generale" alla sezione più appropiata "Costruzione, montaggio e riparazione".
Motivazione: Thread spostato dalla sezione "Elettronica generale" alla sezione più appropiata "Costruzione, montaggio e riparazione".
0
voti
Ciao
peppe85.
Hai considerato l' eventualità di avvalerti della garanzia?
Prima di provare i transistor, li hai scollegati dal circuito?
Per provare i transistor ti consiglio di seguire le indicazioni riportate nel seguente articolo, di
mir:
http://www.electroyou.it/mir/wiki/verifica-del-bjt
Per facilitare le risposte ti consiglio di citare i valori dei componenti e il tipo di integrati utilizzati, visto che nello schema non sono riportati.
peppe85 ha scritto:...ho un alimentatore nuovo ps-305d che in uscita non eroga nulla...
Hai considerato l' eventualità di avvalerti della garanzia?
peppe85 ha scritto:...ho testato inoltre entrambi i 2N3055 secondo il video su youtube...
Prima di provare i transistor, li hai scollegati dal circuito?
Per provare i transistor ti consiglio di seguire le indicazioni riportate nel seguente articolo, di
http://www.electroyou.it/mir/wiki/verifica-del-bjt
peppe85 ha scritto:...allego lo schema....
Per facilitare le risposte ti consiglio di citare i valori dei componenti e il tipo di integrati utilizzati, visto che nello schema non sono riportati.
0
voti
ciao mrc, grazie per le risposte, ti rispondo per punti:
- l'ho comprato su internet e il venditore ha preferito rimborsarmi invece di sostituirmelo;
- alla fine è lo stesso test indicato da mir e si, ho scollegato i transistor con i terminali scollegati;
- purtroppo quello è lo schema migliore che ho trovato ed è identico al circuito reale, con un po di pazienza stasera vedrò di annotare i valori dei componenti.
intanto avete altri suggerimenti?
intanto allego un'immagine presa da internet di una scheda identica a quella in mio possesso
grazie!
- l'ho comprato su internet e il venditore ha preferito rimborsarmi invece di sostituirmelo;
- alla fine è lo stesso test indicato da mir e si, ho scollegato i transistor con i terminali scollegati;
- purtroppo quello è lo schema migliore che ho trovato ed è identico al circuito reale, con un po di pazienza stasera vedrò di annotare i valori dei componenti.
intanto avete altri suggerimenti?
intanto allego un'immagine presa da internet di una scheda identica a quella in mio possesso
grazie!
0
voti
peppe85 ha scritto:...intanto allego un'immagine presa da internet di una scheda identica a quella in mio possesso...
Penso che sia più utile che tu allega una foto della scheda in tuo possesso.
peppe85 ha scritto:....(già ho riparato una pista che era tagliata accidentalmente)....
Esegui un accurato controllo visivo di tutta la scheda e delle relative piste.
Inoltre, seguendo lo schema elettrico, controlla, con un voltmetro, che le tensioni +15 V e - 15V siano presenti sui componenti a cui devono arrivare.
Visto l' antefatto, di cui sopra, potrebbero esserci delle altre piste interrotte.
0
voti
peppe85 ha scritto:...ho misurato un po le tensioni sui transistor, ho 19volt tra base e collettore, tra base e emettitore ho 0...
Quali transistor?
peppe85 ha scritto:...i + - 15 arrivano sugli integrati, un ua741 e l'LM324.....
La tensione +15 V deve essere presente, vedi schema elettrico, anche sull' emettitore del transistor Q104 e al punto comune tra le resistenze R130 ed R122, l' hai verificato?
Nello schema elettrico sono riportati due punti denominati OUT+ e OUT- ai capi del condensatore elettrolitico C111, prova a misurare con il voltmetro ai capi di quest' ultimo e riporta il risultato.
0
voti
peppe85 ha scritto:- purtroppo quello è lo schema migliore che ho trovato ed è identico al circuito reale, con un po di pazienza stasera vedrò di annotare i valori dei componenti.
Bene, gia' che ci sei, come usa su questo forum, rifallo con FidoCadJ e postalo direttamente nel messaggio; e' estremamente scomodo andare ad aprire igni volta un PDF.
marco
0
voti
salve, sono in alto mare con fidocad, mi sono permesso di iniziare a mettere i valori di alcuni componenti sul pdf salvato come immagine in allegato. ho visto che porta un TL431 e misuro effettivamente col tester i 2.5volt sul catodo. sul pin ref del LM324 mentre nello schema è indicato -11.3volt io ne leggo 13
può essere qui il problema?
edit: nello schema Q104 è un npn, ma l'A1015 è un pnp.....è sbagliato lo schema (credo sia il simbolo sbagliato, almeno vedendo l'emettitore a +15)?
edit: nello schema Q104 è un npn, ma l'A1015 è un pnp.....è sbagliato lo schema (credo sia il simbolo sbagliato, almeno vedendo l'emettitore a +15)?
0
voti
Visto che:
e:
Sono propenso a pensare che il guasto sia da ricercare a livello "meccanico", più che in un componente malfunzionante. Potrebbe esserci una micro interruzione di qualche pista non visibile.
Una prova potrebbe essere quella di porre l' alimentatore in funzione, ponendosi con un voltmetro in uscita e cercare di muovere la scheda, con le dovute cautele, in modo che se ci sono delle micro interruzioni nelle piste in qualche modo venga ripristinato, momentaneamente, il collegamento facendo funzionare l' alimentatore.
Inoltre suggerisco la seguente prova.
Visto che, da quello che si vede dalla foto che hai postato ( anche se non è della scheda in tuo possesso ), si tratta di un PCB monofaccia proverei a seguire le piste, basandomi sullo schema elettrico, verificandole con un misuratore di continuità.
Eseguendo il lavoro, di cui sopra, hai la possibilità di verificare lo schema elettrico, visto che non è molto affidabile:
e i relativi componenti, riportandoli in una schema eseguito con fidocadj, come suggerito da
marco438.
La mia è solo un' ipotesi, però tentar non nuoce.
peppe85 ha scritto:...ho un alimentatore nuovo ps-305d...
e:
peppe85 ha scritto:...(già ho riparato una pista che era tagliata accidentalmente)....
Sono propenso a pensare che il guasto sia da ricercare a livello "meccanico", più che in un componente malfunzionante. Potrebbe esserci una micro interruzione di qualche pista non visibile.
Una prova potrebbe essere quella di porre l' alimentatore in funzione, ponendosi con un voltmetro in uscita e cercare di muovere la scheda, con le dovute cautele, in modo che se ci sono delle micro interruzioni nelle piste in qualche modo venga ripristinato, momentaneamente, il collegamento facendo funzionare l' alimentatore.
Inoltre suggerisco la seguente prova.
Visto che, da quello che si vede dalla foto che hai postato ( anche se non è della scheda in tuo possesso ), si tratta di un PCB monofaccia proverei a seguire le piste, basandomi sullo schema elettrico, verificandole con un misuratore di continuità.
Eseguendo il lavoro, di cui sopra, hai la possibilità di verificare lo schema elettrico, visto che non è molto affidabile:
peppe85 ha scritto:...nello schema Q104 è un npn, ma l'A1015 è un pnp.....è sbagliato lo schema.....
e i relativi componenti, riportandoli in una schema eseguito con fidocadj, come suggerito da
La mia è solo un' ipotesi, però tentar non nuoce.
16 messaggi
• Pagina 1 di 2 • 1, 2
Torna a Costruzione, riparazione, riutilizzo
Chi c’è in linea
Visitano il forum: Nessuno e 11 ospiti

Elettrotecnica e non solo (admin)
Un gatto tra gli elettroni (IsidoroKZ)
Esperienza e simulazioni (g.schgor)
Moleskine di un idraulico (RenzoDF)
Il Blog di ElectroYou (webmaster)
Idee microcontrollate (TardoFreak)
PICcoli grandi PICMicro (Paolino)
Il blog elettrico di carloc (carloc)
DirtEYblooog (dirtydeeds)
Di tutto... un po' (jordan20)
AK47 (lillo)
Esperienze elettroniche (marco438)
Telecomunicazioni musicali (clavicordo)
Automazione ed Elettronica (gustavo)
Direttive per la sicurezza (ErnestoCappelletti)
EYnfo dall'Alaska (mir)
Apriamo il quadro! (attilio)
H7-25 (asdf)
Passione Elettrica (massimob)
Elettroni a spasso (guidob)
Bloguerra (guerra)




