Aggiornamento: prima realizzazione dello stampato e due CCM montate:
Link cancellato.
Alcune piste sono state intaccate dall'acido...da ottimizzare spessori, gap e tempi di esposizione! Però mi piace!
Auto elettrica: equalizzatore di carica e BMS
Moderatore:
6367
0
voti
[12] Re: Auto elettrica: equalizzatore di carica e BMS
scusate, sono stato giustamente invitato a postare le immagini come allegato quindi:
3
voti
[13] Re: Auto elettrica: equalizzatore di carica e BMS
Dopo quasi un anno ho rivisitato il 3d, e visto che
IsidoroKZ aveva chiesto riscontri eccovi il risultato di 1 anno di uso.
Nonostante la semplicità e la mancanza di isteresi il circuito si è comportato benissimo. A parte un paio di circuiti (su 72 non è male...) che ho dovuto riprendere per saldature difettose, per il resto tutto ok.
A questi circuiti ho aggiunto un semplice circuito esterno che in caso di Vlow fa bippare un cicalino e accendere un led in abitacolo.
Anche i segnali di allarmi Vhigh sono stati utilizzati per rakllentare la carica.
Dopo un anno i controlli periodici, sempre più rari (ora circa ogni 2-3mesi) hanno evidenziato celle sempre molto allineate, con differenze di tensione comprese in +- 0,02V se ricordo bene!
Nonostante la semplicità e la mancanza di isteresi il circuito si è comportato benissimo. A parte un paio di circuiti (su 72 non è male...) che ho dovuto riprendere per saldature difettose, per il resto tutto ok.
A questi circuiti ho aggiunto un semplice circuito esterno che in caso di Vlow fa bippare un cicalino e accendere un led in abitacolo.
Anche i segnali di allarmi Vhigh sono stati utilizzati per rakllentare la carica.
Dopo un anno i controlli periodici, sempre più rari (ora circa ogni 2-3mesi) hanno evidenziato celle sempre molto allineate, con differenze di tensione comprese in +- 0,02V se ricordo bene!
0
voti
[14] Re: Auto elettrica: equalizzatore di carica e BMS
riapro questo vecchio 3d per chiedere un parere...
Con un po' di fatica (memoria scarsina) sto rivedendo la circuiteria di controllo per piccole modifiche.
In particolare avevo notato che durante le equalizzazioni delle celle avevo una alternanza tra celle un po' più cariche e meno cariche (qualche % di capacità a fine carica).
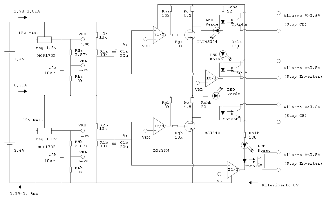
Ho quindi fatto una serie di misure sul circuito, rimetto lo schema più aggiornato e le correnti in ingresso misurate con i due ingressi (alimentatori che simulano le celle) a 3,4V:
come vedete le misure evidenziano una corrente di scarica leggermente maggiore (di circa 0,3mA) per la cella "bassa". Sembra niente ma è coerente con le misure sul campo, è una corrente sufficiente a sbilanciare leggermente le celle in qualche mese.
Parlo di correnti con tutti i LED e gli allarmi spenti (celle a tensione nel range "safe")
La cosa che non mi spiego e che dallo schema mi sarei aspettato un assorbimento maggiore dalla cella alta, a causa delle due pull-up Rpa e Rpb che drenano corrente verso il riferimento "0V".
Mi sfugge qualcosa?
Con un po' di fatica (memoria scarsina) sto rivedendo la circuiteria di controllo per piccole modifiche.
In particolare avevo notato che durante le equalizzazioni delle celle avevo una alternanza tra celle un po' più cariche e meno cariche (qualche % di capacità a fine carica).
Ho quindi fatto una serie di misure sul circuito, rimetto lo schema più aggiornato e le correnti in ingresso misurate con i due ingressi (alimentatori che simulano le celle) a 3,4V:
come vedete le misure evidenziano una corrente di scarica leggermente maggiore (di circa 0,3mA) per la cella "bassa". Sembra niente ma è coerente con le misure sul campo, è una corrente sufficiente a sbilanciare leggermente le celle in qualche mese.
Parlo di correnti con tutti i LED e gli allarmi spenti (celle a tensione nel range "safe")
La cosa che non mi spiego e che dallo schema mi sarei aspettato un assorbimento maggiore dalla cella alta, a causa delle due pull-up Rpa e Rpb che drenano corrente verso il riferimento "0V".
Mi sfugge qualcosa?

Elettrotecnica e non solo (admin)
Un gatto tra gli elettroni (IsidoroKZ)
Esperienza e simulazioni (g.schgor)
Moleskine di un idraulico (RenzoDF)
Il Blog di ElectroYou (webmaster)
Idee microcontrollate (TardoFreak)
PICcoli grandi PICMicro (Paolino)
Il blog elettrico di carloc (carloc)
DirtEYblooog (dirtydeeds)
Di tutto... un po' (jordan20)
AK47 (lillo)
Esperienze elettroniche (marco438)
Telecomunicazioni musicali (clavicordo)
Automazione ed Elettronica (gustavo)
Direttive per la sicurezza (ErnestoCappelletti)
EYnfo dall'Alaska (mir)
Apriamo il quadro! (attilio)
H7-25 (asdf)
Passione Elettrica (massimob)
Elettroni a spasso (guidob)
Bloguerra (guerra)

