Buon giorno a tutti, avrei bisogno di un aiuto da parte di chi conosce arduino.
ho costruito un circuito che fa lampeggiare due led a flip flop, verde - rosso ad intermittenza, poi i due i due led spenti, ll led verde acceso e il led rosso spento, il led verde spento e il led rosso acceso. mi servirebbe un programma arduino che mi controllasse queste 4 azioni e per ogn'una mi facesse apparire sul display una risposta scritta diversa per ogni azione. Avrei bisogno di qualcuno che possa aiutare in merito visto che io non capisco nulla in merito, Saluti Antonio
P.S. ho un arduino che non ho adoperato mai, speriamo bene.
Programma Arduino che indica su un display 4 azioni
0
voti
Può esserci un collegamento fisico fra gli ingressi dell'Arduino ed il circuito da te fatto o deve essere "senza fili", ad es. lettura ottica dello stato dei LED?
0
voti
GioArca67 ha scritto:Può esserci un collegamento fisico fra gli ingressi dell'Arduino ed il circuito da te fatto o deve essere "senza fili", ad es. lettura ottica dello stato dei LED?
Ciao
se rimane acceso il display con lettera N vorrei che mi indicasse "Giunzione N"
se rimane acceso il display con lettera P vorrei che mi indicasse "Giunzione P"
se rimane spento sia il display con lettera N e quello con la lettera P vorrei che mi indicasse "Giunzione in corto" spero di esserti stato di aiuto. Si potrebbe far leggere ad un arduino nano le tensioni per fare evidenziare le varie diciture perche a questo punto il display verrebbe eliminato.
-

elektronik
7.800 4 6 7 - Master

- Messaggi: 3836
- Iscritto il: 12 mag 2015, 22:26
0
voti
adesso devo andare via, quando torno lo posto
-

elektronik
7.800 4 6 7 - Master

- Messaggi: 3836
- Iscritto il: 12 mag 2015, 22:26
0
voti
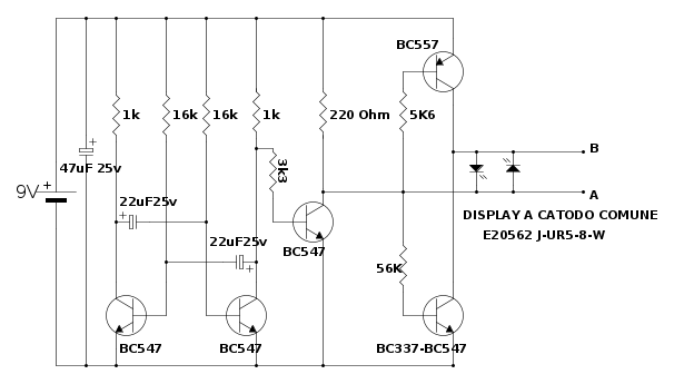
lo schema è questo:
-

elektronik
7.800 4 6 7 - Master

- Messaggi: 3836
- Iscritto il: 12 mag 2015, 22:26
0
voti
Se leggo bene il circuito non fa altro che invertire continuamente la tensione tra A e B
Probabilmente è più facile scartare il tutto e gestire tutto da aruduino
Una cosa così ArduTester?

Probabilmente è più facile scartare il tutto e gestire tutto da aruduino
Una cosa così ArduTester?

0
voti
ThEnGi ha scritto:Se leggo bene il circuito non fa altro che invertire continuamente la tensione tra A e B
Probabilmente è più facile scartare il tutto e gestire tutto da aruduino
Una cosa così ArduTester?
il problema è che ho provato a costruirlo in modo diverso e non funziona, solo con questo circuito posso testare in circuit il 90 per cento e piu di giunzioni, quindi mi piacerebbe adoperare questo circuito. che non testa il transistor ma giunzione per giunzione e quindi, a poche false misure.
-

elektronik
7.800 4 6 7 - Master

- Messaggi: 3836
- Iscritto il: 12 mag 2015, 22:26
0
voti
Solo che spillare dal circuito il segnale non è così agevole
Qualcosa di simile:
Dx e Dy sono pin di arduino (possono valere VCC,GND o ingresso) , puoi portarli alti e bassi ed ottenere lo stesso effetto.
EDIT: Estendo la spiegazione
Dx output alto e dy input (S1)
Dx input e dy output alto (S2)
Se leggi tutte e due alti la giunzione è in corto
Se leggi tutte e due bassi circuito aperto
Se leggi 0/1 la giunzione è OK
Puoi farli eseguire 100 volte il ciclo !
Ovviamente è uno schema di principio, sarebbe da apporre una limitazione di corrente e magari una lettura di tensione in modo da avere la caduta sulla giunzione.

Qualcosa di simile:
Dx e Dy sono pin di arduino (possono valere VCC,GND o ingresso) , puoi portarli alti e bassi ed ottenere lo stesso effetto.
EDIT: Estendo la spiegazione
Dx output alto e dy input (S1)
Dx input e dy output alto (S2)
Se leggi tutte e due alti la giunzione è in corto
Se leggi tutte e due bassi circuito aperto
Se leggi 0/1 la giunzione è OK
Puoi farli eseguire 100 volte il ciclo !
Ovviamente è uno schema di principio, sarebbe da apporre una limitazione di corrente e magari una lettura di tensione in modo da avere la caduta sulla giunzione.

1
voti
ThEnGi ha scritto:Ovviamente è uno schema di principio, sarebbe da apporre una limitazione di corrente e magari una lettura di tensione in modo da avere la caduta sulla giunzione.
Allora potrebbe essere così:
Pin A0 e A1 configurati come uscite digitali, A2 e A3 come ingressi analogici.
Da A0 e A1 si fornisce a X prima una polarità, poi l'altra.
Leggendo le tensioni su A2 e A3 nei due casi, si determina se la giunzione è buona (e in che verso è inserita), se è interrotta, o se è in corto/quasi corto, o comunque anomala.
La differenza di tensione tra A2 e A3 è la tensione sulla giunzione.
L'unica cosa che temo è che pasticciando con le dita a collegare/scollegare giunzioni si possa mandare qualche bella schicchera ESD agli ingressi analogici.
Una domanda ben posta è già mezza risposta.
Chi c’è in linea
Visitano il forum: Nessuno e 2 ospiti

Elettrotecnica e non solo (admin)
Un gatto tra gli elettroni (IsidoroKZ)
Esperienza e simulazioni (g.schgor)
Moleskine di un idraulico (RenzoDF)
Il Blog di ElectroYou (webmaster)
Idee microcontrollate (TardoFreak)
PICcoli grandi PICMicro (Paolino)
Il blog elettrico di carloc (carloc)
DirtEYblooog (dirtydeeds)
Di tutto... un po' (jordan20)
AK47 (lillo)
Esperienze elettroniche (marco438)
Telecomunicazioni musicali (clavicordo)
Automazione ed Elettronica (gustavo)
Direttive per la sicurezza (ErnestoCappelletti)
EYnfo dall'Alaska (mir)
Apriamo il quadro! (attilio)
H7-25 (asdf)
Passione Elettrica (massimob)
Elettroni a spasso (guidob)
Bloguerra (guerra)






