Programma Arduino che indica su un display 4 azioni
0
voti
e se al posto dei diodi si ci mettessero 2 optoisolatori?
-

elektronik
7.800 4 6 7 - Master

- Messaggi: 3836
- Iscritto il: 12 mag 2015, 22:26
0
voti
elektronik ha scritto:e se al posto dei diodi si ci mettessero 2 optoisolatori?
Con gli opto in serie ai led si potrebbe fare.
Mi sembra un po' un controsenso utilizzare un astabile a transistor quando lo stesso arduino potrebbe generare anche la onda quadra o anche due onde quadre sfasate di 180 gradi.
Ma sarebbe un prova transistor in stile anni 80?
Ciao
600 Elettra
1
voti
stefanopc ha scritto:Mi sembra un po' un controsenso utilizzare un astabile a transistor quando lo stesso arduino potrebbe generare
Potresti generare anche tutte le curve I/V del diodo e vedere se è ancora in specifica
Potresti misurare il recovery time di diodi "lenti", credo che il minimo tempo misurabile da 328p sia 100nS@16MHz
Potresti usare un display grafico
Potresti usarlo come data-logger e ti tiene traccia dei diodi buoni o guasti
Puoi mettere un microfono e urlare "Misura" per far partire la misurazione
elektronik ha scritto:il problema è che ho provato a costruirlo in modo diverso e non funziona
Seguendo lo schema di
Se riesci ad imbastirlo su una Breadboard, il codice te lo passiamo noi.
Poi se vuoi andare anvanti con il tuo sistema non insisto più

0
voti
stefanopc ha scritto:elektronik ha scritto:e se al posto dei diodi si ci mettessero 2 optoisolatori?
Con gli opto in serie ai led si potrebbe fare.
Ma sarebbe un prova transistor in stile anni 80?
Ciao
Ciao
-

elektronik
7.800 4 6 7 - Master

- Messaggi: 3836
- Iscritto il: 12 mag 2015, 22:26
0
voti
ThEnGi ha scritto:stefanopc ha scritto:Mi sembra un po' un controsenso utilizzare un astabile a transistor quando lo stesso arduino potrebbe generare
Se riesci ad imbastirlo su una Breadboard, il codice te lo passiamo noi.
se mi dite che mi aiutate con il programma, lo voglio fare direttamente su basetta perlomeno ci provo, ho un amico che mi inserisce il programma in arduino nano, Devo solo capire la piedinatura dell'arduino, Avendo grande difficolta visiva con un deficit di 5 diottrie da vicino e con cataratta avanzata, ma non voglio arrendermi facilmente, purtroppo dopo la pantemia per entrare in lista per essere operato e diventato un lusso, ho questo amico che mi da una mano, in questo modo non mi sento perso.
-

elektronik
7.800 4 6 7 - Master

- Messaggi: 3836
- Iscritto il: 12 mag 2015, 22:26
1
voti
Partiamo dalla progettazione HW e poi andiamo di SW
Che arduino hai ? NANO, Uno R3, Pro (mini) ....
Che display hai ? Se lo devi comprare secondo me un 16x2 I2C è il meglio possibile
L'alimentazione vabene con la pila 9V o preferisci usare una li po-li ion ?
Potrebbe essere utile un pulsante a pedale tipo quello da sarta ? Lo schiacci con il piede al posto che con la mano
Potrebbe essere utile un cicalino ? (per dare misura completata ?)
Per l'alimentazione se usi una 18650 (la trovi anche nei negozzi per sigarette elettronice) un modulo TP4056 e un Boost (per arrivare ai 5V) ottieni uno strumento ricaricabile via USB con buona durata (9Wh per una li-ion 3.7V@2500mAh vs 4.5Wh con una 9V@500mAh)
Le piedinature si trovano online e di buona risoluzione:

Che arduino hai ? NANO, Uno R3, Pro (mini) ....
Che display hai ? Se lo devi comprare secondo me un 16x2 I2C è il meglio possibile
L'alimentazione vabene con la pila 9V o preferisci usare una li po-li ion ?
Potrebbe essere utile un pulsante a pedale tipo quello da sarta ? Lo schiacci con il piede al posto che con la mano
Potrebbe essere utile un cicalino ? (per dare misura completata ?)
Per l'alimentazione se usi una 18650 (la trovi anche nei negozzi per sigarette elettronice) un modulo TP4056 e un Boost (per arrivare ai 5V) ottieni uno strumento ricaricabile via USB con buona durata (9Wh per una li-ion 3.7V@2500mAh vs 4.5Wh con una 9V@500mAh)
Le piedinature si trovano online e di buona risoluzione:

1
voti
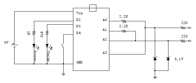
Lo schema che sta venendo avanti sembra sicuramente funzionale.
Cercherei di proteggere meglio il Micro da tensione inaspettate.
Il programma non dovrebbe essere un problema.
Visto il problema di vista si potrebbe utilizzare il suono come i prova diodi della Fluke ad esempio.
Suono continuo giunzione in corto.
Un bip acuto anodo verso puntale positivo.
Un bib basso anodo verso puntale negativo.
Led un rosso e due verdi e/o display oled da decidere in base alle esigenze.
Ciao
Cercherei di proteggere meglio il Micro da tensione inaspettate.
Il programma non dovrebbe essere un problema.
Visto il problema di vista si potrebbe utilizzare il suono come i prova diodi della Fluke ad esempio.
Suono continuo giunzione in corto.
Un bip acuto anodo verso puntale positivo.
Un bib basso anodo verso puntale negativo.
Led un rosso e due verdi e/o display oled da decidere in base alle esigenze.
Ciao
600 Elettra
0
voti
stefanopc ha scritto:Cercherei di proteggere meglio il Micro da tensione inaspettate.
In attesa della risposta di
Cosa consiglieresti ?
In teoria lo zener accopiato con il diodo interno al uC dovrebbe essere sufficiente anche perché l'idea (se a
Inoltre con questa schematica hai anche la misura da parte dell'adc che non andrebbe sfalsata
Ovviamente nulla costa l'inserzione di uno switch/bottone per selezionare automatico/manuale
Per il cicalino propendevo per uno "attivo" in modo da non necessitare della circuiteria/Software per generare l'onda quadra. Magari un transistor per non caricare il uC
Lo gestivi con una combinazione di suoni lughi/corti
Corto: Suono continuo
Circuito aperto: Beep veloce ripetuto
Anodo - catodo : Lungo veloce
Catodo - Andodo: Veloce Lungo

PS. sabato si sposa mio padre a 62 Anni (vallo a capire
0
voti
Mi correggo da solo:
Con il buzzer passivo basta usare un "pin PWM" e lasciare alla circuiteria interna la generazione di frequenza e c'è la libreria "tone" che semplifica tutto
Si fa così (esempio):
Alla fine non hai bisogno di tutte le note ed eventualmente si mette una resistenza (220 ohm) e si esclude il transistor.
Con gli array fai le musichette, musica allegra se è buono, musica triste se non funziona

Con il buzzer passivo basta usare un "pin PWM" e lasciare alla circuiteria interna la generazione di frequenza e c'è la libreria "tone" che semplifica tutto
Si fa così (esempio):
- Codice: Seleziona tutto
#define Buzzer_PIN D10
#define Fa 349
#define Sol 392
#define LA 440
pinMode(Buzzer_PIN, OUTPUT);
tone(Buzzer_PIN, Sol, durata in ms);
Alla fine non hai bisogno di tutte le note ed eventualmente si mette una resistenza (220 ohm) e si esclude il transistor.
Con gli array fai le musichette, musica allegra se è buono, musica triste se non funziona

0
voti
ThEnGi ha scritto:in modo da non necessitare della circuiteria/Software per generare l'onda quadra
Con la funzione tone generi l'onda quadra alla frequenza che vuoi su un pin qualsiasi, senza bloccare o appesantire l'esecuzione, con noTone la spegni.
EDIT: sovrapposti
Una domanda ben posta è già mezza risposta.
Chi c’è in linea
Visitano il forum: Nessuno e 20 ospiti

Elettrotecnica e non solo (admin)
Un gatto tra gli elettroni (IsidoroKZ)
Esperienza e simulazioni (g.schgor)
Moleskine di un idraulico (RenzoDF)
Il Blog di ElectroYou (webmaster)
Idee microcontrollate (TardoFreak)
PICcoli grandi PICMicro (Paolino)
Il blog elettrico di carloc (carloc)
DirtEYblooog (dirtydeeds)
Di tutto... un po' (jordan20)
AK47 (lillo)
Esperienze elettroniche (marco438)
Telecomunicazioni musicali (clavicordo)
Automazione ed Elettronica (gustavo)
Direttive per la sicurezza (ErnestoCappelletti)
EYnfo dall'Alaska (mir)
Apriamo il quadro! (attilio)
H7-25 (asdf)
Passione Elettrica (massimob)
Elettroni a spasso (guidob)
Bloguerra (guerra)




