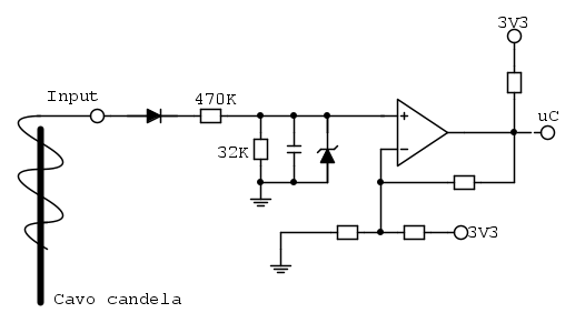
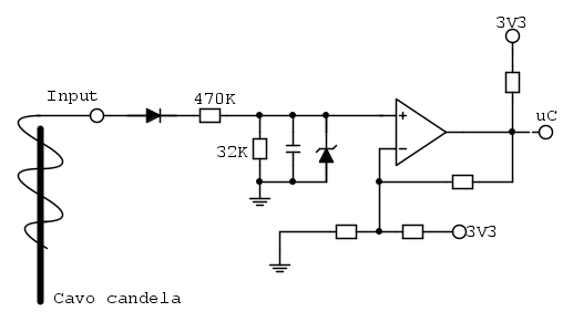
ThEnGi ha scritto: Indubbiamente è consigliabile avere uno strumento (anche gli oscilli in kit da 30€). Se non lo si ha si salta nel buio...
Se devi cercare di valutare disturbi e Spike che normalmente sono armoniche di frequenza elevata con un oscilloscopio digitale da pochi euro probabilmente ci fai davvero poco.
Probabilmente la soluzione migliore a livello strumentale sarebbe un buon "vecchio" oscilloscopio analogico magari con memoria e una sonda adeguata al tipo di misura.
Ciao

Elettrotecnica e non solo (admin)
Un gatto tra gli elettroni (IsidoroKZ)
Esperienza e simulazioni (g.schgor)
Moleskine di un idraulico (RenzoDF)
Il Blog di ElectroYou (webmaster)
Idee microcontrollate (TardoFreak)
PICcoli grandi PICMicro (Paolino)
Il blog elettrico di carloc (carloc)
DirtEYblooog (dirtydeeds)
Di tutto... un po' (jordan20)
AK47 (lillo)
Esperienze elettroniche (marco438)
Telecomunicazioni musicali (clavicordo)
Automazione ed Elettronica (gustavo)
Direttive per la sicurezza (ErnestoCappelletti)
EYnfo dall'Alaska (mir)
Apriamo il quadro! (attilio)
H7-25 (asdf)
Passione Elettrica (massimob)
Elettroni a spasso (guidob)
Bloguerra (guerra)








