Crepuscolare
49 messaggi
• Pagina 5 di 5 • 1, 2, 3, 4, 5
0
voti
[42] Re: Crepuscolare
Buon giorno,
ho fatto il circuito e ce l'ho sotto mano, il tutto sembra funzionare solo che vorrei chiedere se è possibile far si che sia più sensibile alla luce perché ora per far si che scatti il relè devo puntarci una luce forte sopra il fotodiodo.
Ho provato regolare anche il trimmer ma non cambia nulla.
Ameno che il problema non sia dato dalla scrittura del codice in arduino.
ho fatto il circuito e ce l'ho sotto mano, il tutto sembra funzionare solo che vorrei chiedere se è possibile far si che sia più sensibile alla luce perché ora per far si che scatti il relè devo puntarci una luce forte sopra il fotodiodo.
Ho provato regolare anche il trimmer ma non cambia nulla.
Ameno che il problema non sia dato dalla scrittura del codice in arduino.
0
voti
[43] Re: Crepuscolare
illuminor ha scritto:Buon giorno,
ho fatto il circuito e ce l'ho sotto mano
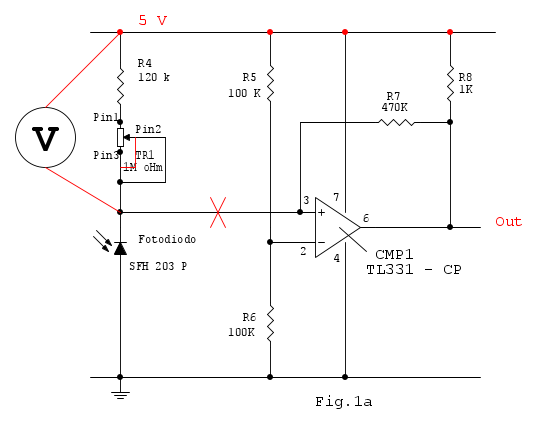
- E' questo il circuito che hai montato?
- I valori sono uguali a quelli di questo circuito?
- Taglia il filo dove c'e' la X rossa (catodo fotodiodo - ingresso + comparatore)
- Posiziona il cursore del potenziometro al valor max (vedi linea rossa)
- Collega il voltmetro (UT-61E) come da schema
- Illumina il fotodiodo con il livello di luce a cui deve "scattare"
Leggi il voltmetro e riporta qui il valore letto
0
voti
[45] Re: Crepuscolare
Post [26]
Post[33]
Post[44]
V= 50 mV
R= 1 Mohm

V= 150 mV
R= 1120 K

Come vedi le due misure eseguite post[26] e post[44] sono in ragionevole accordo (50 nA e 130 nA) mentre nel 2104 post [33] lavoravi a correnti molto piu' alte (17 uA).
Con queste correnti la tensione sul fotodiodo NON scende sotto I
mentre la soglia di scatto del comparatore (al netto dell'isteresi data da R7) e' 
Con 17 uA avresti

(il diodo e' ben saturo e la tensione su V+ del comparatore e' "zero" - non puo' andare negativa)
e quindi il comparatore "scatta".
Il valore della resistenza R (trimmer + R4) per far scattare il comparatore con una corrente di 130 nA (occorre una tensione > 2.5 V) dovrebbe valere:

Questo valore e' "impraticabile"
Si potrebbe "abbassare" la soglia del comparatore ma non e' "affidabile" portarla ai valori richiesti e ci sono anche altri "problemini" che non dettaglio in questa sede (perche' "lunghi" da scrivere in un post).
Qual e' la soluzione al tuo problema?
1) amplificare il segnale del fotodiodo - poco "elegante" perche' richiede un componente e circuito aggiuntivo
2) utilizzare un fotodiodo con un area maggiore: la corrente generata e' proporzionale alla superficie (al quadrato del diametro) - soluzione "costosa"
3) utilizzare una fotoresistenza al posto di un fotodiodo
Se cerchi con google
crepuscolare circuito
o, in inglese
twilight circuit - light sensitive switch
trovi che invariabilmente utilizzano una fotoresistenza (LDR Light Dependent Resistor) per questo tipo di circuito
EXAMPLE PHOTORESISTOR SPECIFICATIONS
PARAMETER EXAMPLE FIGURES
Max power dissipation 200mW
Max voltage @ 0 lux 200V
Peak wavelength 600nm
Min. resistance @ 10lux 1.8kΩ
Max. resistance @ 10lux 4.5kΩ
Typ. resistance @ 100lux 0.7kΩ
Dark resistance after 1 sec 0.03MΩ
Dark resistance after 5 sec 0.25MΩ
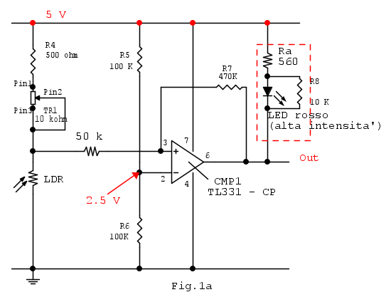
Per avere un confronto con il tuo fotodiodo:
- SFH203 9.5 uA @ 1000 lx
- LDR 700 ohm @ 100 lx (3.6 mA @ 2,5 V)
Circuito "giusto" con LDR.
Aggiungerei anche i 3 componenti nel riquadro rosso in modo da avere una indicazione "immediata" dello stato dell'uscita del comparatore.
Il led e' preferibile (ma non obbligatorio) sia del tipo ad alta intensita'.
illuminor ha scritto:Ok, ho messo la resistenza da 1M i valori rilevati sono;
con FD scoperto e luce ambiente ( la luce che ho nella stanza) mi segna 0,0500 volt
[cut]
per far scattare il crepuscolare, potrebbe bastare la luce che ora ho nella stanza.
Post[33]
elfo ha scritto:Nello schema che segue (preso dal progetto del 2014) viene calcolata (by inspection) la corrente del fotodiodo al valore di scatto del crepuscolare.
La corrente e' circa 17 uA.
Post[44]
illuminor ha scritto:Teniamo buoni 150mV
V= 50 mV
R= 1 Mohm

V= 150 mV
R= 1120 K

Come vedi le due misure eseguite post[26] e post[44] sono in ragionevole accordo (50 nA e 130 nA) mentre nel 2104 post [33] lavoravi a correnti molto piu' alte (17 uA).
Con queste correnti la tensione sul fotodiodo NON scende sotto I
mentre la soglia di scatto del comparatore (al netto dell'isteresi data da R7) e' 
Con 17 uA avresti

(il diodo e' ben saturo e la tensione su V+ del comparatore e' "zero" - non puo' andare negativa)
e quindi il comparatore "scatta".
Il valore della resistenza R (trimmer + R4) per far scattare il comparatore con una corrente di 130 nA (occorre una tensione > 2.5 V) dovrebbe valere:

Questo valore e' "impraticabile"
Si potrebbe "abbassare" la soglia del comparatore ma non e' "affidabile" portarla ai valori richiesti e ci sono anche altri "problemini" che non dettaglio in questa sede (perche' "lunghi" da scrivere in un post).
Qual e' la soluzione al tuo problema?
1) amplificare il segnale del fotodiodo - poco "elegante" perche' richiede un componente e circuito aggiuntivo
2) utilizzare un fotodiodo con un area maggiore: la corrente generata e' proporzionale alla superficie (al quadrato del diametro) - soluzione "costosa"
3) utilizzare una fotoresistenza al posto di un fotodiodo
Se cerchi con google
crepuscolare circuito
o, in inglese
twilight circuit - light sensitive switch
trovi che invariabilmente utilizzano una fotoresistenza (LDR Light Dependent Resistor) per questo tipo di circuito
EXAMPLE PHOTORESISTOR SPECIFICATIONS
PARAMETER EXAMPLE FIGURES
Max power dissipation 200mW
Max voltage @ 0 lux 200V
Peak wavelength 600nm
Min. resistance @ 10lux 1.8kΩ
Max. resistance @ 10lux 4.5kΩ
Typ. resistance @ 100lux 0.7kΩ
Dark resistance after 1 sec 0.03MΩ
Dark resistance after 5 sec 0.25MΩ
Per avere un confronto con il tuo fotodiodo:
- SFH203 9.5 uA @ 1000 lx
- LDR 700 ohm @ 100 lx (3.6 mA @ 2,5 V)
Circuito "giusto" con LDR.
Aggiungerei anche i 3 componenti nel riquadro rosso in modo da avere una indicazione "immediata" dello stato dell'uscita del comparatore.
Il led e' preferibile (ma non obbligatorio) sia del tipo ad alta intensita'.
0
voti
[46] Re: Crepuscolare
Elfo sei stato chiarissimo illuminante, non so cosa sciverti per ringraziarti di tanto che hai fatto.
Mi procuro la fotoresistenza come consigliata in descrizione aggiornerò il circuito e poi ti faro sapere il risultato finito.
Mi procuro la fotoresistenza come consigliata in descrizione aggiornerò il circuito e poi ti faro sapere il risultato finito.
0
voti
[47] Re: Crepuscolare
Questa tipologia di Fotoresistenza potrebbe andare, o c'è qualche altro modello piu indicato?
Fotoresistenza LDR GL5516 con diametro da 5mm.
Fotoresistenze con i dati consigliati non ne trovo o meglio inserendo in ricerca LDR 700 ohm @ 100 lx (3.6 mA @ 2,5 V) non trovo nulla.
Fotoresistenza LDR GL5516 con diametro da 5mm.
Fotoresistenze con i dati consigliati non ne trovo o meglio inserendo in ricerca LDR 700 ohm @ 100 lx (3.6 mA @ 2,5 V) non trovo nulla.
0
voti
[48] Re: Crepuscolare
Grazie per aver fatto le misure con "grande diligenza"
https://www.robotstore.it/rsdocs/docume ... asheet.pdf
Dovrebbe andare bene il GL5516 - anche il valore del pot dovrebbe andare bene.
- Light resistance (10Lux) (kΩ) 5-10
- Dark resistance (MΩ) 0.5
-
Questo modello ha un resistenza a
(
)

Una LDR e' una resistenza per cui vale legge di ohm.
Con 2,5 V (tensione alla soglia di scatto) la corrente che ci circola vale:

illuminor ha scritto:Fotoresistenza LDR GL5516 con diametro da 5mm
https://www.robotstore.it/rsdocs/docume ... asheet.pdf
Dovrebbe andare bene il GL5516 - anche il valore del pot dovrebbe andare bene.
- Light resistance (10Lux) (kΩ) 5-10
- Dark resistance (MΩ) 0.5
-

Questo modello ha un resistenza a
(
)

illuminor ha scritto: 3.6 mA @ 2,5 V
Una LDR e' una resistenza per cui vale legge di ohm.
Con 2,5 V (tensione alla soglia di scatto) la corrente che ci circola vale:

0
voti
[49] Re: Crepuscolare
illuminor ha scritto:Valore massimo letto trimmer ~ 0.9440.
Teniamo buoni 150mV
Questa non l'ho capita.
direi 944mV, oppure 5V-944mV=4.056, cosa mi sono perso?
puoi spostare anche il partitore R5,R6, abbassabdo R5, oppure alzando R7 e R6, se la tensione dell'ingresso + la porti verso il + di alimentazione, sarà più sensibile.
Il comparatore usato ha un bias 0.25uA, credo che dovresti riuscire a tirarlo dove ti serve...
saluti
-

lelerelele
4.899 3 7 9 - Master

- Messaggi: 5505
- Iscritto il: 8 giu 2011, 8:57
- Località: Reggio Emilia
49 messaggi
• Pagina 5 di 5 • 1, 2, 3, 4, 5
Chi c’è in linea
Visitano il forum: Nessuno e 4 ospiti

Elettrotecnica e non solo (admin)
Un gatto tra gli elettroni (IsidoroKZ)
Esperienza e simulazioni (g.schgor)
Moleskine di un idraulico (RenzoDF)
Il Blog di ElectroYou (webmaster)
Idee microcontrollate (TardoFreak)
PICcoli grandi PICMicro (Paolino)
Il blog elettrico di carloc (carloc)
DirtEYblooog (dirtydeeds)
Di tutto... un po' (jordan20)
AK47 (lillo)
Esperienze elettroniche (marco438)
Telecomunicazioni musicali (clavicordo)
Automazione ed Elettronica (gustavo)
Direttive per la sicurezza (ErnestoCappelletti)
EYnfo dall'Alaska (mir)
Apriamo il quadro! (attilio)
H7-25 (asdf)
Passione Elettrica (massimob)
Elettroni a spasso (guidob)
Bloguerra (guerra)




