Cos'è ElectroYou | Login Iscriviti

ElectroYou - la comunità dei professionisti del mondo elettrico

Programma Arduino che indica su un display 4 azioni

Progetti, interfacciamento, discussioni varie su questa piattaforma.

Moderatori: Foto UtenteWALTERmwp, Foto Utentexyz

2
voti

[51] Re: Programma Arduino che indica su un display 4 azioni

Messaggioda Foto UtenteGuidoB » 20 ott 2024, 16:37

djnz ha scritto:... vedo la possibilità di un corto.

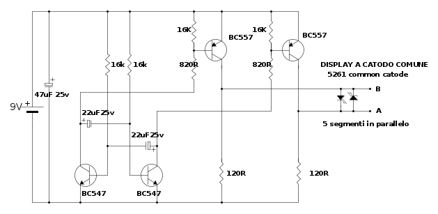
Anche a me non piace quello stadio finale invertente con due collettori in comune, per lo stesso motivo.

Visto che hai già a disposizione il segnale invertito, potresti: o utilizzare uno stadio finale non invertente con due emettitori in comune, che amplifica in corrente il segnale invertito, o meglio modificare il circuito così:

Qui il corto non c'è più, il circuito risulta più simmetrico e risparmi anche un transistor.
Big fan of ƎlectroYou!       Ausili per disabili e anziani su ƎlectroYou
Caratteri utili: À È É Ì Ò Ó Ù α β γ δ ε η θ λ μ π ρ σ τ φ ω Ω º ª ² ³ √ ∛ ∜ ₀ ₁ ₂ ₃ ₄ ₅ ₆ ∃ ∄ ∆ ∈ ∉ ± ∓ ∾ ≃ ≈ ≠ ≤ ≥
Avatar utente
Foto UtenteGuidoB
17,8k 7 12 13
G.Master EY
G.Master EY
 
Messaggi: 2809
Iscritto il: 3 mar 2011, 16:48
Località: Madrid

0
voti

[52] Re: Programma Arduino che indica su un display 4 azioni

Messaggioda Foto UtenteGioArca67 » 20 ott 2024, 17:36

A me rimane però un dubbio sul funzionamento.
Non metto in discussione che lo faccia da 10 anni.
Ma quando fra A e B metti la giunzione in prova come fanno i display a 7 segmenti a rimanere accesi? la giunzione in prova, se buona, quando è polarizzata direttamente stabilisce una ddp inferiore a quella necessaria al 7 segmenti.
Cosa fai mostrare sui display? una lettera? P? N?
Al momento per rilevare che la giunzione è buona verifichi che non si accende uno dei due display?
Avatar utente
Foto UtenteGioArca67
4.580 4 6 9
Master EY
Master EY
 
Messaggi: 4592
Iscritto il: 12 mar 2021, 9:36

0
voti

[53] Re: Programma Arduino che indica su un display 4 azioni

Messaggioda Foto Utenteelektronik » 20 ott 2024, 20:56

GuidoB ha scritto:
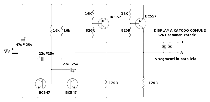
djnz ha scritto:... vedo la possibilità di un corto.

Anche a me non piace quello stadio finale invertente con due collettori in comune, per lo stesso motivo.

Visto che hai già a disposizione il segnale invertito, potresti: o utilizzare uno stadio finale non invertente con due emettitori in comune, che amplifica il segnale invertito, o meglio modificare il circuito così:


Qui il corto non c'è più, il circuito risulta più simmetrico e risparmi anche un transistor.

Ciao Guido, crerchero di provare anche questo, per adesso sono molto deluso perché tutte le prove che ho fatto non hanno portato a nulla di buono, i test su circuito con il mio strumento misuro giunzioni che con le modifiche suggerite non e possibile.
Avatar utente
Foto Utenteelektronik
7.800 4 6 7
Master
Master
 
Messaggi: 3836
Iscritto il: 12 mag 2015, 22:26

0
voti

[54] Re: Programma Arduino che indica su un display 4 azioni

Messaggioda Foto Utentestefanopc » 20 ott 2024, 21:04

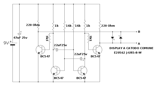
GuidoB ha scritto: Anche a me non piace quello stadio finale invertente con due collettori in comune, per lo stesso motivo.

Visto che hai già a disposizione il segnale invertito, potresti: o utilizzare uno stadio finale non invertente con due emettitori in comune, che amplifica il segnale invertito...

Esatto.
Anche io avevo pensato la stessa cosa.
Due NPN e due PNP stile Sziklai con un transistor in meno.
Ciao
600 Elettra
Avatar utente
Foto Utentestefanopc
13,3k 5 9 13
Master EY
Master EY
 
Messaggi: 5567
Iscritto il: 4 ago 2020, 9:11

0
voti

[55] Re: Programma Arduino che indica su un display 4 azioni

Messaggioda Foto Utenteelektronik » 20 ott 2024, 21:08

GioArca67 ha scritto:A me rimane però un dubbio sul funzionamento.
Non metto in discussione che lo faccia da 10 anni.
Ma quando fra A e B metti la giunzione in prova come fanno i display a 7 segmenti a rimanere accesi? la giunzione in prova, se buona, quando è polarizzata direttamente stabilisce una ddp inferiore a quella necessaria al 7 segmenti.
Cosa fai mostrare sui display? una lettera? P? N?
Al momento per rilevare che la giunzione è buona verifichi che non si accende uno dei due display?

ho postato il video youtube, anche se fatto male, dovrebbe rendere l'idea. La cosa e semplice componentese la giunzione e aperta vedi i display N/P che si accendono ad intermittenza, se il diodo è in corto, vedi i display N/P spenti, se la giunzione e di un transistor NPN si accende N se misuri base emettitore, base collettore deve darti anche una N.....transisor ok, se da una parte segna n e dall'altra display spenti quella giunzione e in corto se si accendono ad imntermittenza e aperta, e cosi via. e più difficile a spiegarlo che a farlo.
Avatar utente
Foto Utenteelektronik
7.800 4 6 7
Master
Master
 
Messaggi: 3836
Iscritto il: 12 mag 2015, 22:26

0
voti

[56] Re: Programma Arduino che indica su un display 4 azioni

Messaggioda Foto Utenteelektronik » 20 ott 2024, 21:16

stefanopc ha scritto:
GuidoB ha scritto: Anche a me non piace quello stadio finale invertente con due collettori in comune, per lo stesso motivo.

Visto che hai già a disposizione il segnale invertito, potresti: o utilizzare uno stadio finale non invertente con due emettitori in comune, che amplifica il segnale invertito...

Esatto.
Anche io avevo pensato la stessa cosa.
Due NPN e due PNP stile Sziklai con un transistor in meno.
Ciao

io e già da due giorni che faccio notte e per adesso ho fatto tutte le prove suggeritemi ma non ho ottenuto risultati positivi, io so solo una cosa il mio circuito in pretica funziona, quando faccio le cose secondo il giusto criterio dell'elettronica va in ciampanelle, adesso riposo un po gli occhi poi si vedrà, mi piacerebbe che qualcuno ne studiasse e ne costruisse uno meglio del mio. Uno deve tener conto che misurare i componenti su scheda non e come misurarli dissaldati, forse e proprio per questo che il mio circuito a ciofeca risponde meglio, ho provato a fare le modifiche consigliate, poi nella pratica e ucito fuoti che non vede alcune giounzioni che il mio prototipo continua a vedere. allego una test che faccio su un componente che molti conoscono per farvi capire che questo circuito per me non è un giocattolo ma uno strumento interessante.
Allegati
LNK304-305-LNK364DN.pdf
(128.57 KiB) Scaricato 277 volte
Avatar utente
Foto Utenteelektronik
7.800 4 6 7
Master
Master
 
Messaggi: 3836
Iscritto il: 12 mag 2015, 22:26

1
voti

[57] Re: Programma Arduino che indica su un display 4 azioni

Messaggioda Foto Utentestefanopc » 20 ott 2024, 23:05

elektronik ha scritto:non capisco come farla, l'ho fatta su un diodo su scheda e mi da 10mA circa mentre i display assorbono 10mA perché essendo un circuito a flip flop se ne accende uno alla volta. in corto 6mA perché l'impulso e veloce


Per fare accendere P e N probabilmente hai collegato insieme i 5 segmenti relativi.
Quindi la corrente potrebbe essere abbastanza elevata ed è per questo che probabilmente riesci a misurare i diodi senza smontarli.
Di che colore sono i segmnenti del display?
Visto che effettivamente la misura sulla uscita è difficoltosa ti chiedo di misurare la corrente che assorbe dalla pila a 9V il circuito originale che si vede funzionare nel filmato del messaggio [32].

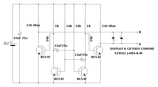
Giusto per curiosita una ulteriore versione. :ok:
Potrebbe funzionare sulla carta ma sarebbe da verificare su prima breadboard.

Ciao Antonio
600 Elettra
Avatar utente
Foto Utentestefanopc
13,3k 5 9 13
Master EY
Master EY
 
Messaggi: 5567
Iscritto il: 4 ago 2020, 9:11

0
voti

[58] Re: Programma Arduino che indica su un display 4 azioni

Messaggioda Foto Utenteelektronik » 21 ott 2024, 12:45

stefanopc ha scritto: Per fare accendere P e N probabilmente hai collegato insieme i 5 segmenti relativi.
Quindi la corrente potrebbe essere abbastanza elevata ed è per questo che probabilmente riesci a misurare i diodi senza smontarli.

Si ho collegato insieme i 5 segmenti relativi.

stefanopc ha scritto: Di che colore sono i segmnenti del display?

Sono di colore verde e rosso, il blu non va bene. Il rosso e il migliore, a test fatti, il migliore è il 5261AS-1

stefanopc ha scritto: Visto che effettivamente la misura sulla uscita è difficoltosa ti chiedo di misurare la corrente che assorbe dalla pila a 9V il circuito originale che si vede funzionare nel filmato del messaggio [32].


Assorbe 74mA, visto che io adopero una console da tavolo con 4 strumenti preferisco un piccolo alimentatore.

stefanopc ha scritto: Giusto per curiosita una ulteriore versione. :ok:
Potrebbe funzionare sulla carta ma sarebbe da verificare su prima breadboard.

ci proverò a tempo debito perché ho un sacco di difficoltà e tra visite erobe varie sono sfinito
stefanopc ha scritto:
Ciao Antonio
[/quote]
Avatar utente
Foto Utenteelektronik
7.800 4 6 7
Master
Master
 
Messaggi: 3836
Iscritto il: 12 mag 2015, 22:26

0
voti

[59] Re: Programma Arduino che indica su un display 4 azioni

Messaggioda Foto Utentestefanopc » 22 ott 2024, 21:45

Facendo un conto molto spannometrico la corrente di prova che stai utilizzando potrebbe essere di circa 40 - 50mA.
In questo caso il Micro (Arduino) direttamente non riesce a pilotare le uscite con una corrente così elevata.
È probabile che alcune giunzioni delicate non siano molto adatte a lavorare con questa corrente anche se il duty cycle è al 50% .

Ciao
600 Elettra
Avatar utente
Foto Utentestefanopc
13,3k 5 9 13
Master EY
Master EY
 
Messaggi: 5567
Iscritto il: 4 ago 2020, 9:11

1
voti

[60] Re: Programma Arduino che indica su un display 4 azioni

Messaggioda Foto Utenteelektronik » 23 ott 2024, 19:55

stefanopc ha scritto:Facendo un conto molto spannometrico la corrente di prova che stai utilizzando potrebbe essere di circa 40 - 50mA.
In questo caso il Micro (Arduino) direttamente non riesce a pilotare le uscite con una corrente così elevata.
È probabile che alcune giunzioni delicate non siano molto adatte a lavorare con questa corrente anche se il duty cycle è al 50% . Ciao

Non conoscendo il modo di lavorare di arduino comprendo quello che dici, e ne prendo atto, per quando riguarda le giunzioni in tutte le riparazioni che ho fatto non ho mai bruciato nulla nel misurare migliaia di giunzioni, anche perche le lettere N oppure p singolarmente assorbono molto meno visto che quando indica per es. la giunzione N, questa non rimane accesa ma va ad intermittenza 1 microsecondo accesa, un microsecondo spenta. Oggi ho riparato una scheda caldaia a gas con l'aiuto di questo strumento ci ho messo 10 minuti circa per trovare il componente guasto.
Avatar utente
Foto Utenteelektronik
7.800 4 6 7
Master
Master
 
Messaggi: 3836
Iscritto il: 12 mag 2015, 22:26

PrecedenteProssimo

Torna a Arduino

Chi c’è in linea

Visitano il forum: Google [Bot], Google Feedfetcher e 26 ospiti