Figura numero 4
Come regolare la corrente per led con Arduino
0
voti
https://www.analog.com/en/technical-art ... ting.html#
Figura numero 4
PietroBaima è possibile utilizzare il LM3409 per creare i driver dei led? Viene utilizzato proprio a questo scopo, ed ha un pin dedicato al controllo in PWM
Figura numero 4
0
voti
Resistenza R3 scelta per limitare a 700mA circa la corrente
Altro componente trovato: https://www.analog.com/media/en/technic ... /3956f.pdf
(link datasheet)
0
voti
Scusa ma questo weekend sono stato impegnato su altre cose.
Tutti questi circuiti che proponi non vanno molto bene perché sono lineari, aka butti via una quantità enorme di potenza che poi devi smaltire.
Facciamo un esempio. Se Vcc=100V e tu hai bisogno di 75V sui LED (è un esempio) cadono 25V sul MOS e con una corrente di 1A significa che stai buttando via 25W, che non sono pochi.
Devi usare uno schema a commutazione.
Appena ho un attimo ti butto giù uno schema, ma mi serve un’oretta che adesso non ho...
Tutti questi circuiti che proponi non vanno molto bene perché sono lineari, aka butti via una quantità enorme di potenza che poi devi smaltire.
Facciamo un esempio. Se Vcc=100V e tu hai bisogno di 75V sui LED (è un esempio) cadono 25V sul MOS e con una corrente di 1A significa che stai buttando via 25W, che non sono pochi.
Devi usare uno schema a commutazione.
Appena ho un attimo ti butto giù uno schema, ma mi serve un’oretta che adesso non ho...
-

PietroBaima
90,7k 7 12 13 - G.Master EY

- Messaggi: 12206
- Iscritto il: 12 ago 2012, 1:20
- Località: Londra
0
voti
PietroBaima ha scritto:Scusa ma questo weekend sono stato impegnato su altre cose.
Tranquillo nessun problema
PietroBaima ha scritto:Facciamo un esempio. Se Vcc=100V e tu hai bisogno di 75V sui LED (è un esempio) cadono 25V sul MOS e con una corrente di 1A significa che stai buttando via 25W, che non sono pochi.
Ah... no, 25W persi non son pochi, contando che già i led non scherzano con la potenza...
PietroBaima ha scritto:Appena ho un attimo ti butto giù uno schema, ma mi serve un’oretta che adesso non ho...
Ah.. Sai se per caso riesci a buttar giù uno schema in giornata? Altrimenti si farà domani..
0
voti
Non penso, mi dispiace ma sono cose che faccio a tempo perso e adesso devo finire un altro lavoro...
BTW: a che ti serve tutta sta potenza sui LED? Vuoi mica abbronzare i pesci
BTW: a che ti serve tutta sta potenza sui LED? Vuoi mica abbronzare i pesci
-

PietroBaima
90,7k 7 12 13 - G.Master EY

- Messaggi: 12206
- Iscritto il: 12 ago 2012, 1:20
- Località: Londra
0
voti
PietroBaima ha scritto:Non penso, mi dispiace ma sono cose che faccio a tempo perso e adesso devo finire un altro lavoro...
Ah, tranquillo... In fondo non è urgente, i LED devono ancora arrivare, però mi sarebbe piaciuto lavorarci sopra ora prima che inizi la scuola, e magari iniziare a disegnare e incidere il PCB con la cnc
No problem, appena hai tempo se puoi aiutarmi avvisa.. Grazie in anticipo
PietroBaima ha scritto:BTW: a che ti serve tutta sta potenza sui LED? Vuoi mica abbronzare i pesci
Piante esigenti... e pesci con gli occhiali da sole
0
voti
Ho trovato questo:
https://www.onsemi.com/pub/Collateral/CAT4101-D.PDF
E' davvero semplice da usare: I led si collegano direttamente al componente, ed una resistenza collegata ad esso ne determina la corrente
Anche il LM3414HV non sarebbe male.. Però non so come fare a calcolare il valore di L1 nel circuito di pagina 18 con riferimento 8.2.1
1
voti
AleEl ha scritto:https://www.onsemi.com/pub/Collateral/CAT4101-D.PDF
È lineare.
Anche il LM3414HV non sarebbe male.. Però non so come fare a calcolare il valore di L1 nel circuito di pagina 18 con riferimento 8.2.1
Sono i nuovi datasheet di TI. Sono fatti piuttosto bene. Sotto allo schema che citi c'è un capitoletto che si chiama
8.2.1.2 Detailed Design Procedure
in cui è riportato ogni singolo passaggio e ogni singola formula che ti serve a dimensionare i componenti. Anche L1.
Ne deduco che guardi solo le figure e, in contraddizione con quello che scrivi, non ti interessa imparare qualcosa (altrimenti leggeresti i datasheet), ti interessa solo la pappa pronta. Stai, nuovamente, cercando di prendere per il culo il forum.
Se va avanti così chiudo il thread.
Boiler
0
voti
boiler ha scritto:Ne deduco che guardi solo le figure e, in contraddizione con quello che scrivi, non ti interessa imparare qualcosa (altrimenti leggeresti i datasheet), ti interessa solo la pappa pronta. Stai, nuovamente, cercando di prendere per il culo il forum.
Se va avanti così chiudo il thread.
Boiler
Non sto prendendo per il culo nessuno, cribbio. Ho letto le formule, infatti ho già determinato le due resistenze e il diodo, cosa che te neanche sapevi perché, ovviamente, oltre ad attaccarmi non fai.
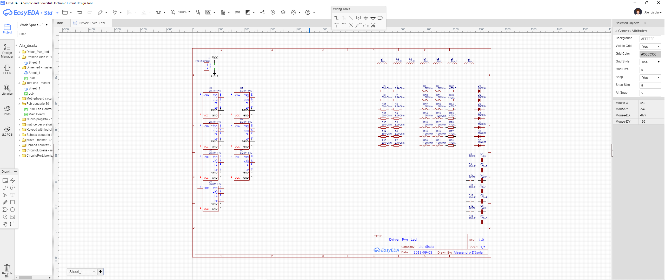
Se non ci credi, sto anche facendo i circuiti. Guarda:
E, sempre perché pensi ad attaccarmi, ho chiesto aiuto PER L1, non per tutto il circuito. perché nella formula di L1 citano delta e cose varie che NON SO.
Ad esempio, per citarne una, nella formula della resistenza Rfs viene utilizzata una frequenza (presente anche nella formula di L1).
Non sapendo da dove venisse, ho DEDOTTO che fosse una frequenza scelta da me, in quanto, se non sbaglio, tale resistenza la determina.
Prima di parlare, chiedi, no? Sempre ad attaccare. Io NON prendo per il culo NESSUNO.
Se dico che mi interessa, mi interessa. Se dico che non capisco, NON CAPISCO. Se dico che mi impegno e non so stare con le mani conserte ad aspettare aiuto da
Zeno Martini potresti dire qualcosa tu ora? Ti avevo già contattato tempo fa per alcuni attacchi, e ora ne hai una dimostrazione, per un attacco, se permetti, privo di fondamenta.
Se sono di troppo e sto antipatico a qualcuno, basta dirlo, che io me ne vado, non ho problemi.
Chi c’è in linea
Visitano il forum: Nessuno e 5 ospiti

Elettrotecnica e non solo (admin)
Un gatto tra gli elettroni (IsidoroKZ)
Esperienza e simulazioni (g.schgor)
Moleskine di un idraulico (RenzoDF)
Il Blog di ElectroYou (webmaster)
Idee microcontrollate (TardoFreak)
PICcoli grandi PICMicro (Paolino)
Il blog elettrico di carloc (carloc)
DirtEYblooog (dirtydeeds)
Di tutto... un po' (jordan20)
AK47 (lillo)
Esperienze elettroniche (marco438)
Telecomunicazioni musicali (clavicordo)
Automazione ed Elettronica (gustavo)
Direttive per la sicurezza (ErnestoCappelletti)
EYnfo dall'Alaska (mir)
Apriamo il quadro! (attilio)
H7-25 (asdf)
Passione Elettrica (massimob)
Elettroni a spasso (guidob)
Bloguerra (guerra)

pigreco]=π