Cos'è ElectroYou | Login Iscriviti

ElectroYou - la comunità dei professionisti del mondo elettrico

Batteria auto. Manutenzione, caricabatterie ed altro

Allestimenti, motori, impianti elettrici ed elettronici sulle automobili

Moderatore: Foto UtenteFranco012

0
voti

[151] Re: Batteria auto. Manutenzione, caricabatterie ed altro

Messaggioda Foto Utentelelerelele » 3 gen 2025, 18:46

ThEnGi ha scritto:Io da incompetente comunque preferisco "caricarla" ciclicamente dopo circa 1 mese alla tensione di float (scarica circa 10% mese) per qualche ora e prima di metterla in servizio gli do una carica finale "completa" (fine della fase di assorbimento).

Io la penso allo stesso modo.

ma non sono ancora stato in grado di capire come trattare le nuove batterie AGM, per dargli un minimo di corrente vanno dopo pochi minuti a 15V ed oltre.
mi riferisco appunto ad i parametri corrente/tensione/tempo da fornirgli in carica, dopo il fermo invernale. link.

tu ci hai capito qualcosa?
Avatar utente
Foto Utentelelerelele
4.899 3 7 9
Master
Master
 
Messaggi: 5505
Iscritto il: 8 giu 2011, 8:57
Località: Reggio Emilia

0
voti

[152] Re: Batteria auto. Manutenzione, caricabatterie ed altro

Messaggioda Foto Utentestefanopc » 3 gen 2025, 19:23

Se va a oltre 15V dopo poco non era da caricare e soprattutto andare oltre i 14 bene non fa.
Le Agm specialmente hanno una autoscarica bassissima in stoccaggio a magazzino le caricano ogni sei mesi.
Ciao
600 Elettra
Avatar utente
Foto Utentestefanopc
13,3k 5 9 13
Master EY
Master EY
 
Messaggi: 5567
Iscritto il: 4 ago 2020, 9:11

0
voti

[153] Re: Batteria auto. Manutenzione, caricabatterie ed altro

Messaggioda Foto UtenteFranco012 » 3 gen 2025, 19:42

lelerelele ha scritto: non sono ancora stato in grado di capire come trattare le nuove batterie AGM [...] mi riferisco appunto ad i parametri corrente/tensione/tempo da fornirgli in carica, dopo il fermo invernale. link.

Nella discussione di cui hai posto il link avevo scritto:

"Le batterie AGM possono essere ricaricate anche con un caricabatteria per le tradizionali batterie al piombo. In tal caso, da quello che mi hanno detto all'assistenza tecnica dell'azienda che ho citato [BC Battery Controller], la batteria AGM non viene caricata del tutto, in quanto ha bisogno di una tensione finale maggiore di quella prevista per le batterie al piombo.
Per la funzione di mantenimento della carica, la tensione da applicare ai poli della batteria va dai 13,5 ai 13,8 volt. Per la mia moto (quando ce l'avevo) e per la batteria dell'impianto antifurto (12 V, 17 Ah) ho sempre utilizzato ed utilizzo una tensione di 13,6 volt
".

Se il caricabatterie impiegato è stato fatto "in grazia di Dio", come dice Foto UtenteThEnGi, non vedo controindicazioni a lasciarlo permanentemente collegato. E' quello che succede in migliaia di sistemi antifurto con batteria (tra cui il mio, che ha ormai compiuto i 22 anni. Per precauzione cambio la batteria ogni 5 anni, ma il caricabatterie l'ho cambiato solo una volta).
Big fan of ƎlectroYou
Avatar utente
Foto UtenteFranco012
5.842 3 4 8
G.Master EY
G.Master EY
 
Messaggi: 2719
Iscritto il: 8 ago 2015, 19:40
Località: Sardegna

0
voti

[154] Re: Batteria auto. Manutenzione, caricabatterie ed altro

Messaggioda Foto Utentevince59 » 3 gen 2025, 20:53

Direi che dipende in primis dal caricabbaterie che hai. Ne esistono di semplici che hanno una sola semplice uscita o di avanzati che "sentono" la singola batteria. Al di là dei tanti e corretti discorsi teorici, con il contributo dell'ingegnere elettronico di casa, in barca le batterie sono tranquillamente caricate in serie con un singolo CB/alternatore, semmai si può utilizzareun partitore di carica. Mai avuto problemi in tanti anni di utilizzo.
Avatar utente
Foto Utentevince59
664 2 3 6
Sostenitore
Sostenitore
 
Messaggi: 1062
Iscritto il: 17 giu 2019, 19:32

0
voti

[155] Re: Batteria auto. Manutenzione, caricabatterie ed altro

Messaggioda Foto UtenteFranco012 » 3 gen 2025, 22:04

vince59 ha scritto: in barca le batterie sono tranquillamente caricate in serie con un singolo CB/alternatore [...] Mai avuto problemi in tanti anni di utilizzo

Come in migliaia e migliaia di autocarri, mezzi tattici delle Forze Armate e mezzi pesanti in genere, in tutto il mondo, che funzionano a 24 V tramite due batterie da 12 V collegate in serie.
Come dicevo nel mio post precedente, in questi casi le batterie sono identiche, montate lo stesso giorno, e condividono sempre la stessa corrente di scarica e carica.
Big fan of ƎlectroYou
Avatar utente
Foto UtenteFranco012
5.842 3 4 8
G.Master EY
G.Master EY
 
Messaggi: 2719
Iscritto il: 8 ago 2015, 19:40
Località: Sardegna

0
voti

[156] Re: Batteria auto. Manutenzione, caricabatterie ed altro

Messaggioda Foto Utentevince59 » 3 gen 2025, 22:32

Ciao Franco, si ma tuttavia, siccome ci sono in gioco la chimica e la fisica e gli elementi di cui sono costituite, le celle, il risultato pur montando due batterie identiche lo stesso giorno, difficilmente si avrà un comportamento/risulato identico...carico resistivo...capacitivo :cry:
PS: mi è sfuggito se il nostro amico è interessato a collegamento seire o parallelo.
Avatar utente
Foto Utentevince59
664 2 3 6
Sostenitore
Sostenitore
 
Messaggi: 1062
Iscritto il: 17 giu 2019, 19:32

1
voti

[157] Re: Batteria auto. Manutenzione, caricabatterie ed altro

Messaggioda Foto Utentestefanopc » 4 gen 2025, 11:44

Non esistono purtroppo due batterie identiche e nemmeno le sei celle della singola batteria sono identiche tra loro.
In un sistema a 24 V le celle sono 12 e quindi è ancora peggio.
La fortuna (relativamente) è che le batterie al piombo con l'elettrolita liquido sono molto tolleranti ai maltrattamenti come la sovraccarica (non regolata rispetto alla temperatura) che si ha normalmente nei veicoli per la maggior parte del tempo in cui l'alternatore è attivo.
La potenza che non può venire accumulata si va a dissipare producendo idrogeno e ossigeno sulle piastre e ciò fa diminuire il livello dell' elettrolita.
Se la batteria ha i tappi per il rabbocco è facile constatare che il calo non è uguale per tutte le celle.
Alcune calano altre meno.
La mania recente delle batterie sigillate e delle AGM va ad accentuare il problema è a gonfiare le tasche dei produttori e ricambisti.
In alcuni ambiti FINALMENTE le batterie al piombo cominciano ad essere sostituite con le Lifepo4.
In ambito moto, nautico e sui camper finalmente si comincia a vedere qualcosa anche se con un ritardo ( decisamente colpevole ) di almeno dieci anni.
Naturalmente con le litio il problema affidabilita, autoscarica, durata e manutenzione assume una prospettiva completamente diversa.
Ciao
600 Elettra
Avatar utente
Foto Utentestefanopc
13,3k 5 9 13
Master EY
Master EY
 
Messaggi: 5567
Iscritto il: 4 ago 2020, 9:11

0
voti

[158] Re: Batteria auto. Manutenzione, caricabatterie ed altro

Messaggioda Foto Utenterichiurci » 4 gen 2025, 15:31

Neanche io collegherei mai due batterie in serie per caricarle insieme, capisco che su veicoli militari o pesanti si faccia, ma solo perché servono i 24 V e immagino si voglia caricarle a bordo.

Anni fa mi colpì come bastassero pochi mA (se ricordo bene 50) per sentire "bollire" le celle cariche, come ha spiegato Stefano si vedono differenze già su una singola batteria, figuriamoci con due, magari diverse o comunque sicuramente con una "storia" diversa.
Avatar utente
Foto Utenterichiurci
32,6k 7 11 13
G.Master EY
G.Master EY
 
Messaggi: 8801
Iscritto il: 2 apr 2013, 16:08

0
voti

[159] Re: Batteria auto. Manutenzione, caricabatterie ed altro

Messaggioda Foto UtenteThEnGi » 4 gen 2025, 16:28

Nei camion (moderni) in realtà la cosa è meno incisiva di quanto si pensi, una volta era dovuto principalemente ai sistemi di controllo "primordiali"

Già nel mercedes (2017) che abbiamo al lavoro è presente un sistema di bilanciamento che permette di limitare lo squilibrio delle due batterie
Presumo divergendo parte della carica su una resistenza finita la fase di carica Bulk e allungando la fase di float :?:

Infatti nel ponticello tra le due batterie c'è un terzo Filo penso circa 2.5/4 mmq

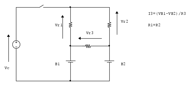
Si potrebbe attuare una soluzione un po' "pezzotta" (che va sempre di moda in TV :mrgreen: ) ovvero così:



Sarebbe più bello un sistema circuitale più complesso.... ma in questo caso una divergenza di tensione tra le due batterie viene appianata in modo "dolce" e quando la corrente diventa irrisoria anche le tensioni dei resistori.
Il consiglio rimane sempre caricale singolarmente e poi usa questo sistema anche se .......
Le alterni una una settimana e l'altra dopo e ottieni un sistema migliore anche usando un commutatore (tipo 1/0/2)

Sempre e comunque batterie il più possibile UGUALI !

C'è da dire che se il caricabatterie è "intelligente", gli falsi la lettura :evil:

O_/
Avatar utente
Foto UtenteThEnGi
2.230 3 6 9
Expert EY
Expert EY
 
Messaggi: 2228
Iscritto il: 6 ott 2022, 18:43

0
voti

[160] Re: Batteria auto. Manutenzione, caricabatterie ed altro

Messaggioda Foto Utentelelerelele » 4 gen 2025, 17:20

Capisco di essere rompi, ma se le cose non mi sono chiare non sono contento. Ringrazio comunque per gli interventi.

Franco012 ha scritto:[ avevo scritto:

Le batterie AGM possono essere ricaricate anche con un caricabatteria per le tradizionali batterie al piombo.......la batteria AGM non viene caricata del tutto, in quanto ha bisogno di una tensione finale maggiore di quella prevista per le batterie al piombo.
Per la funzione di mantenimento della carica, la tensione da applicare ai poli della batteria va dai 13,5 ai 13,8 volt. Per la mia moto (quando ce l'avevo) e per la batteria dell'impianto antifurto (12 V, 17 Ah) ho sempre utilizzato ed utilizzo una tensione di 13,6 volt[/i]".

Si.
L'anno scorso l'ho caricata per alcune ore, (a 14,6V) e sono andato ad avviare, è partita a malapena perché girava a malapena. Ego, non era carica abbastanza, nel corso dell'anno è sempre partita bene senza ricariche, direi che la batteria era solo scarica.
Un mese fa dava una tensione a vuoto di 12.6V, dopo un paio di mesi di fermo, quindi la danno per una carica al 60%, quindi se devo dargli diciamo 3Ah, e la metto a 13,6V, non passano neanche 100mA, dovrebbe caricarsi in 30 ore?
Poi se parto e mi fermo dopo 20 minuti, ed il caricabatteria eroga solo 13,6V, dovrei pensare che la batteria non si sia caricata a sufficienza per il prossimo riavvio?
Direi che per la carica si possano usare anche tensioni maggiori per brevi periodi, altrimenti non mi spiego il tutto, ma non ho trovato indicazioni in merito.
Avatar utente
Foto Utentelelerelele
4.899 3 7 9
Master
Master
 
Messaggi: 5505
Iscritto il: 8 giu 2011, 8:57
Località: Reggio Emilia

PrecedenteProssimo

Torna a Autovetture, motori endotermici ed elettronica relativa

Chi c’è in linea

Visitano il forum: Nessuno e 25 ospiti