Salve,
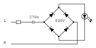
ho questo schemino e mi chiedevo se il circuito potrebbe Funzionare.
O se ci sono componenti Errati.
Led a 220 volt
Moderatori:
g.schgor,
IsidoroKZ
7 messaggi
• Pagina 1 di 1
0
voti
sì, funziona, ma io sostituirei il diodo 1N4007 con un altro led, per non sprecare una semionda.
Oppure modificherei il circuito in questo modo, sostituendo anche il condensatore con uno da 270nF
Oppure modificherei il circuito in questo modo, sostituendo anche il condensatore con uno da 270nF
-

SediciAmpere
4.187 5 5 8 - Master

- Messaggi: 4847
- Iscritto il: 31 ott 2013, 15:00
0
voti
importante, il condensatore deve essere certificato per tensione di rete, ad esempio questo: https://it.rs-online.com/web/p/condensa ... lm/7398644
e anche la resistenza, almeno da 1W
e anche la resistenza, almeno da 1W
-

SediciAmpere
4.187 5 5 8 - Master

- Messaggi: 4847
- Iscritto il: 31 ott 2013, 15:00
0
voti
Dipende anche da quanto deve essere luminoso il led ... con un condensatore in serie, potresti avere circa 7mA per ogni 100nF di valore del condensatore, e molti degli attuali led ad alta efficenza gia con 7 o 10 mA sono abbastanza luminosi
Occhio ad isolare bene il tutto, ovviamente, e ad usare condensatori almeno tipo X2 da 275VAC o piu.
Occhio ad isolare bene il tutto, ovviamente, e ad usare condensatori almeno tipo X2 da 275VAC o piu.
"Sopravvivere" e' attualmente l'unico lusso che la maggior parte dei Cittadini italiani,
sia pure a costo di enormi sacrifici, riesce ancora a permettersi.
sia pure a costo di enormi sacrifici, riesce ancora a permettersi.
-

Etemenanki
9.517 3 6 10 - Master

- Messaggi: 5940
- Iscritto il: 2 apr 2021, 23:42
- Località: Dalle parti di un grande lago ... :)
0
voti
E la resistenza, non va da 1 W solo per la dissipazione (che in realtà è minima), ma per la massima tensione sopportabile. Da questo punto di vista due resistenze in serie meglio ancora (così su ciascuna al massimo nel peggiore dei casi abbiamo 160V di picco).
Una domanda ben posta è già mezza risposta.
0
voti
Questo è un argomento che si è discusso molto in passato.
Se cercate sul forum vengono fuori delle discussioni davvero interessanti, dove sono state fatte delle prove per tensione massima inversa del LED, corrente minima e massima, sopportabilità della tensione inversa in funzione del tipo e del colore del LED.
Per un LED blu va utilizzato questo schema:
Se proprio volete mettere un condensatore dovete mettere la resistenza serie dimensionata in modo che, mettendo il condensatore in corto, la corrente massima nel LED (quella calcolata con Vin=325V) non superi di 10 volte la corrente massima ammissibile nel LED. Poi questa resistenza va divisa in due e messa una in serie alla fase e una in serie al neutro (per questioni di tensione massima).
Infine bisogna mettere due resistenze da 1MOhm in serie fra loro e in parallelo al condensatore per evitare che il condensatore resti carico a lungo quando si disalimenta il circuito.
Se cercate sul forum vengono fuori delle discussioni davvero interessanti, dove sono state fatte delle prove per tensione massima inversa del LED, corrente minima e massima, sopportabilità della tensione inversa in funzione del tipo e del colore del LED.
Per un LED blu va utilizzato questo schema:
Se proprio volete mettere un condensatore dovete mettere la resistenza serie dimensionata in modo che, mettendo il condensatore in corto, la corrente massima nel LED (quella calcolata con Vin=325V) non superi di 10 volte la corrente massima ammissibile nel LED. Poi questa resistenza va divisa in due e messa una in serie alla fase e una in serie al neutro (per questioni di tensione massima).
Infine bisogna mettere due resistenze da 1MOhm in serie fra loro e in parallelo al condensatore per evitare che il condensatore resti carico a lungo quando si disalimenta il circuito.
-

PietroBaima
90,7k 7 12 13 - G.Master EY

- Messaggi: 12206
- Iscritto il: 12 ago 2012, 1:20
- Località: Londra
0
voti
Si, ho notato che per alcune applicazioni "commerciali", dove e' usato il sistema a condensatore in serie, ne mettono una per filo, cosi oltre a dividerle per tensione le posizionano lontane fra loro.
"Sopravvivere" e' attualmente l'unico lusso che la maggior parte dei Cittadini italiani,
sia pure a costo di enormi sacrifici, riesce ancora a permettersi.
sia pure a costo di enormi sacrifici, riesce ancora a permettersi.
-

Etemenanki
9.517 3 6 10 - Master

- Messaggi: 5940
- Iscritto il: 2 apr 2021, 23:42
- Località: Dalle parti di un grande lago ... :)
7 messaggi
• Pagina 1 di 1
Torna a Elettrotecnica generale
Chi c’è in linea
Visitano il forum: Nessuno e 73 ospiti

Elettrotecnica e non solo (admin)
Un gatto tra gli elettroni (IsidoroKZ)
Esperienza e simulazioni (g.schgor)
Moleskine di un idraulico (RenzoDF)
Il Blog di ElectroYou (webmaster)
Idee microcontrollate (TardoFreak)
PICcoli grandi PICMicro (Paolino)
Il blog elettrico di carloc (carloc)
DirtEYblooog (dirtydeeds)
Di tutto... un po' (jordan20)
AK47 (lillo)
Esperienze elettroniche (marco438)
Telecomunicazioni musicali (clavicordo)
Automazione ed Elettronica (gustavo)
Direttive per la sicurezza (ErnestoCappelletti)
EYnfo dall'Alaska (mir)
Apriamo il quadro! (attilio)
H7-25 (asdf)
Passione Elettrica (massimob)
Elettroni a spasso (guidob)
Bloguerra (guerra)





pigreco]=π