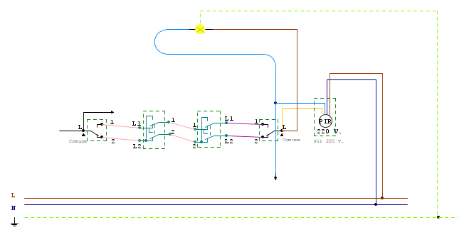
Questo è il circuito per intero mi ero dimenticato del primo deviatore
Cablaggio PIR
0
voti
[13] Re: Cablaggio PIR
così mi sembra che vada bene, c'è solo il rischio che mentre è attivo il PIR qualcuno prema uno dei punti di comando e la luce rimanga accesa
-

SediciAmpere
4.187 5 5 8 - Master

- Messaggi: 4849
- Iscritto il: 31 ott 2013, 15:00
0
voti
[14] Re: Cablaggio PIR
Infatti è cosi l'ho riscontrato, il fatto è che non so come altro fare
Se ci fosse qualcuno che mi sapesse illustrare come far si di avere il pir e gli interuttori fu nzionanti.
Ma purtroppo più di cosi non so come altro fare.
Se ci fosse qualcuno che mi sapesse illustrare come far si di avere il pir e gli interuttori fu nzionanti.
Ma purtroppo più di cosi non so come altro fare.
1
voti
[15] Re: Cablaggio PIR
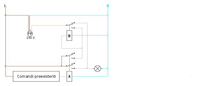
Con un paio di relé si può mantenere il funzionamento dei comandi preesistenti. Con i comandi in posizione spento, il PIR funziona in automatico (accende e spegne). Accendendo e spegnendo con i comandi preesistenti si entra in modalità manuale (relé B attratto). Riportando i comandi su spento, il modo automatico si ripristina appena il PIR si disattiva (relé B cade). Se la luce è stata accesa dal PIR, accendendo anche da un punto di comando resta accesa e si passa in manuale, e tramite comando si può spegnere anche se il PIR è ancora attivo (il PIR tornerà a poter accendere appena si riattiva la modalità automatica). Rimane uguale il discorso che se accendi con gli interruttori, bisogna spegnere con gli interruttori.
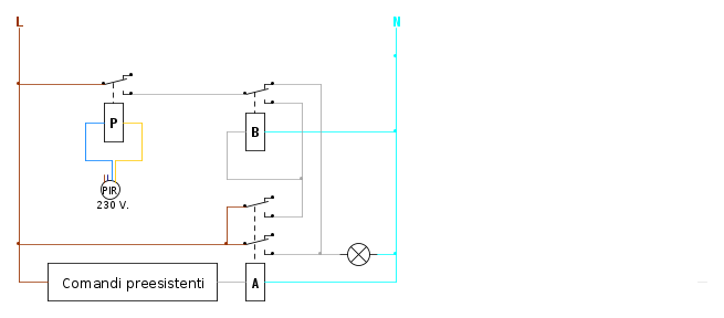
Oppure, se l'uscita del PIR non è un contatto che prolunga la fase, si può usare un terzo relé ripetitore P:
Diagramma degli stati di funzionamento (ON_ luce accesa, OFF_ luce spenta, cmd comando presente da comandi preesistenti, pir comando da pir):
Oppure, se l'uscita del PIR non è un contatto che prolunga la fase, si può usare un terzo relé ripetitore P:
Diagramma degli stati di funzionamento (ON_ luce accesa, OFF_ luce spenta, cmd comando presente da comandi preesistenti, pir comando da pir):
Una domanda ben posta è già mezza risposta.
0
voti
[16] Re: Cablaggio PIR
illuminor ha scritto:Infatti
Se ci fosse qualcuno che mi sapesse illustrare come far si di avere il pir e gli interuttori fu nzionanti.
Ma purtroppo più di cosi non so come altro fare.
Di preciso come vorresti che facesse?
Il pir accende quando rileva un movimento e spegne dopo un po' , i pulsanti cosa dovrebbero fare?
Secondo me la cosa più pratica è eliminare gli interruttori e far fare tutto ai due PIR in parallelo, casomai aggiungerne un terzo in mezzo al corridoio
-

SediciAmpere
4.187 5 5 8 - Master

- Messaggi: 4849
- Iscritto il: 31 ott 2013, 15:00
0
voti
[17] Re: Cablaggio PIR
Attenzione solo che siano modelli che si possono parallelare ... quelli non li conosco, ma presumo che alimentino la lampada con un triac, dato i collegamenti che hanno (per cui se possono essere parallelati, vanno comunque rispettati fase, neutro ed uscita).
"Sopravvivere" e' attualmente l'unico lusso che la maggior parte dei Cittadini italiani,
sia pure a costo di enormi sacrifici, riesce ancora a permettersi.
sia pure a costo di enormi sacrifici, riesce ancora a permettersi.
-

Etemenanki
9.527 3 6 10 - Master

- Messaggi: 5957
- Iscritto il: 2 apr 2021, 23:42
- Località: Dalle parti di un grande lago ... :)
0
voti
[18] Re: Cablaggio PIR
Scusa, se è un corridoio, quindi un luogo di passaggio, elimina deviatori e invertitori e comanda le luci solo con i rilevatori. Usa quelli con cui puoi anche regolare il valore di lux superiore al quale non si attiva il sensore di presenza
Ognuno sta solo sul cuor della terra
trafitto da un raggio di sole:
ed è subito sera
Salvatore Quasimodo
trafitto da un raggio di sole:
ed è subito sera
Salvatore Quasimodo
0
voti
[19] Re: Cablaggio PIR
L' idea di togliere i 2 deviatori e i 2 invertitori non è sbagliata, io li avrei lasciati solo perché cera la possibilità di averli entrambi, ma toglierli renderebbe il circuito più pulito.
Il problema comunque rimane, almeno ne andrebbero installati 3
Come si fa?
Come verrebbe l' impianto
Quale PIR sArebbe più idoneo?
Ci sono varie marche a cui sono disponibili.
Il cablaggio sarebbe uguale per tutti o cambia da marca a marca?
Il problema comunque rimane, almeno ne andrebbero installati 3
Come si fa?
Come verrebbe l' impianto
Quale PIR sArebbe più idoneo?
Ci sono varie marche a cui sono disponibili.
Il cablaggio sarebbe uguale per tutti o cambia da marca a marca?
0
voti
[20] Re: Cablaggio PIR
Facciamo una cosa Eliminiamo i Deviatori ed Invertitori e facciamo fare tutto ai PIR
Almeno 3 PIR.
Il corridoio è piccolo quindi non ha senso avere i PIR ed i pulsanti.
Ho preso di riferimento il Pir (cinese) perché non costa molto a differenza de quelli tipo Plana Biticino ed altri che costano sui 60€ l'uno
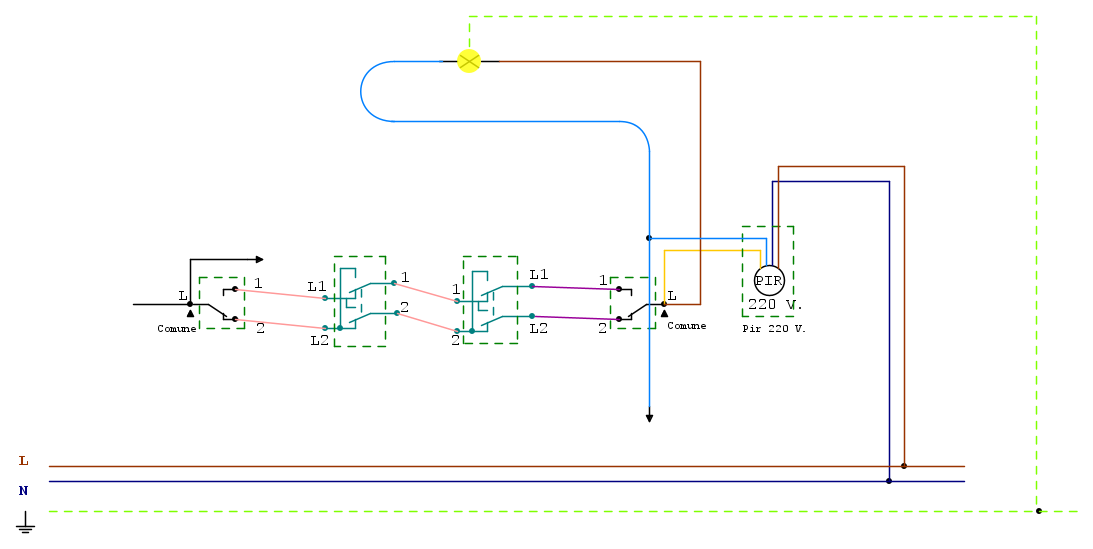
Un cablaggio cosi è totalmente Sbagliato??
Come lo si può migliorare?
Almeno 3 PIR.
Il corridoio è piccolo quindi non ha senso avere i PIR ed i pulsanti.
Ho preso di riferimento il Pir (cinese) perché non costa molto a differenza de quelli tipo Plana Biticino ed altri che costano sui 60€ l'uno
Un cablaggio cosi è totalmente Sbagliato??
Come lo si può migliorare?
Torna a Costruzione, riparazione, riutilizzo
Chi c’è in linea
Visitano il forum: Nessuno e 24 ospiti

Elettrotecnica e non solo (admin)
Un gatto tra gli elettroni (IsidoroKZ)
Esperienza e simulazioni (g.schgor)
Moleskine di un idraulico (RenzoDF)
Il Blog di ElectroYou (webmaster)
Idee microcontrollate (TardoFreak)
PICcoli grandi PICMicro (Paolino)
Il blog elettrico di carloc (carloc)
DirtEYblooog (dirtydeeds)
Di tutto... un po' (jordan20)
AK47 (lillo)
Esperienze elettroniche (marco438)
Telecomunicazioni musicali (clavicordo)
Automazione ed Elettronica (gustavo)
Direttive per la sicurezza (ErnestoCappelletti)
EYnfo dall'Alaska (mir)
Apriamo il quadro! (attilio)
H7-25 (asdf)
Passione Elettrica (massimob)
Elettroni a spasso (guidob)
Bloguerra (guerra)






