Piccolo indicatore di carica batteria due led + isteresi
Moderatori:
carloc,
g.schgor,
BrunoValente,
IsidoroKZ
0
voti
Ahh... penso di aver capito... quindi la retroazione positiva dovrebbe essere come un ulteriore spinta verso "quella" direzione, ovvero, l'accensione del led verde...
Grazie per l'articolo di approfondimento! Gli do' subito una sbirciata.
Grazie per l'articolo di approfondimento! Gli do' subito una sbirciata.
-

Superfelix
180 2 8 - Stabilizzato

- Messaggi: 342
- Iscritto il: 7 dic 2024, 23:34
0
voti
Solo per quanto riguarda la massima tensione di carica, tieni 12.2, massomo 12.3, specialmente se non sei sicuro che le celle siano completamente a posto ... non ha senso cercare di andare per forza a 12.6, specie se non c'e' un chip appositi che fa controllo di carica, protezione e bilanciamento, e rischieresti di trovarti con una cella che rende l'anima con un bel "BANG" , se una delle tre andasse oltre i 4.2V.
A proposito, hai fatto un test di base ? ... carica le celle, stacca la carica e misura la tensione di ogni cella (devono essere il piu uguali possibile, gia li se ci sono differenze superiori a 0.1V, non mi fiderei molto), poi lasciale a riposo senza usarle per un giorno o due, e ripeti le misure, se una delle celle e' scesa piu delle altre, scartala che non e' affidabile.
A proposito, hai fatto un test di base ? ... carica le celle, stacca la carica e misura la tensione di ogni cella (devono essere il piu uguali possibile, gia li se ci sono differenze superiori a 0.1V, non mi fiderei molto), poi lasciale a riposo senza usarle per un giorno o due, e ripeti le misure, se una delle celle e' scesa piu delle altre, scartala che non e' affidabile.
"Sopravvivere" e' attualmente l'unico lusso che la maggior parte dei Cittadini italiani,
sia pure a costo di enormi sacrifici, riesce ancora a permettersi.
sia pure a costo di enormi sacrifici, riesce ancora a permettersi.
-

Etemenanki
9.517 3 6 10 - Master

- Messaggi: 5940
- Iscritto il: 2 apr 2021, 23:42
- Località: Dalle parti di un grande lago ... :)
0
voti
Si le celle sono ok perché le ho misurate prima di fare il pacco caricandole e misurandole singolarmente. Il BMS da 20A bilancia il tutto e protegge da sovrascarica.
Si, intendo lasciarle 12,2... non mi occorre portarle ad un eventuale 100%, anche fossero state nuove. Meglio lasciarle un attimo indietro.
Si, intendo lasciarle 12,2... non mi occorre portarle ad un eventuale 100%, anche fossero state nuove. Meglio lasciarle un attimo indietro.
-

Superfelix
180 2 8 - Stabilizzato

- Messaggi: 342
- Iscritto il: 7 dic 2024, 23:34
2
voti
Proviamo a introdurre un'isteresi nel circuito, come era richiesto all'inizio del thread.
L'isteresi viene ottenuta con una retroazione positiva in continua. Essendoci uno stadio differenziale, si puo` ottenere la retroazione positiva senza troppi problemi.
La tensione che si vuole misurare arriva sulla base di Q2, e dalla base di Q2 al collettore di Q1 si ha un amplificatore non invertente, quindi sembra che basti mettere una impedenza fra l'uscita di Q1 e l'ingresso di Q2, come mostrato in questo schema
In realta` cosi` non funziona (La ragione e` che la caduta di tensione del led e` praticamente costante, anche se la corrente varia fra la piena accensione (4.5mA, come da progetto iniziale), a qualche centinaio di microampere attraverso la resistenza Z. Per avere una variazione di tensione significativa, bisogna aggiungere in serie al led una resistenza e prelevare la retroazione sulla resistenza, in modo da evitare la caratteristica non lineare del led
Cerchiamo prima il valore di Rc, trascurando la corrente che scorre in Rf. Si vuole la massima variazione di tensione possibile sul nodo Vf, in modo da non essere troppo "stretti nella determinazione dell'isteresi. La tensione massima su Vf vale circa Val, quando il led e` spento, mentre quando il led e` acceso la tensione deve essere abbastanza elevata da mantenere il transistore in linearita`. Si deve quindi decidere qual e` la minima tensione di alimentazione che garantisce ancora il funzionamento lineare di Q1.
Supponiamo di volere il led rosso acceso a piena luce con Vcc=8V. Sull'emettitore di Q1 ci sono 4.5V circa, sul collettore si deve essere almeno a 4.6V per essere al limite della saturazione, e quindi Vf al minimo puo` scendere a 7.2V, supponendo una caduta di tensione sul led di 1.6V.
In pratica abbiamo 8V-6.1V=1.8V su Rc con una corrente di 4.5mA. Il che vuol dire Rc=400Ω, e il valore commerciale sara` piu` piccolo, 390Ω, o anche 330Ω se si vuole un po' piu` di margine.
La tensione su Vf vale quindi Vcc quando il led e` spento, e Vcc-390Ω x 4.5mA quando il led e` acceso, cioe` Vcc-1.75V. Abbiamo cioe` una variazione di tensione di 1.75V che viene usata per generare l'isteresi. Il rapporto fra Rf e R2//R3 da` l'ampiezza dell'isteresi. Si possono approssimare le soglie calcolando quando la base di Q2 ha la stessa tensione della base di Q1, ma la cosa diventa piu` complicata (un sacco di equazioni).
Per avere una prima idea dei valori (questo e` un conto ancora peggio che a spanne!) si puo` considerare che se vogliamo una isteresi di 0.3V e abbiamo una variazione di 1.75V il rapporto e` circa 1:6 e quindi Rf deve essere 5 volte maggiore di R1 in parallelo ad R2. Se prendiamo temporaneamente i valori che avevamo prima, abbiamo che R1//R2 e` circa di 3kΩ, quindi Rf va dalle parti di 15kΩ.
Pero` Rf e` praticamente in parallelo a R2, e questo parallelo modifica il valore originale di R2, spostando le soglie. Bisogna alzare il valore di R2 in modo che 15kΩ in parallelo alla nuova R2 sia ancora dalle parti di 6.8kΩ, quindi adesso R2 deve essere dalle parti di 10kΩ.
Lo schema iniziale diventa quindi questo
Questo e` solo lo schema iniziale, poi bisogna aggiustare i valori per ottenere le soglie volute. La ragione delle approssimazioni sono tante: la tensione di zener e` approssimata, ho trascurato le correnti di base, i componenti hanno delle tolleranze... Si possono fare i conti precisi, ma e` un mal di pancia non indifferente, quindi meglio che mi fermi qui.
L'isteresi viene ottenuta con una retroazione positiva in continua. Essendoci uno stadio differenziale, si puo` ottenere la retroazione positiva senza troppi problemi.
La tensione che si vuole misurare arriva sulla base di Q2, e dalla base di Q2 al collettore di Q1 si ha un amplificatore non invertente, quindi sembra che basti mettere una impedenza fra l'uscita di Q1 e l'ingresso di Q2, come mostrato in questo schema
In realta` cosi` non funziona (La ragione e` che la caduta di tensione del led e` praticamente costante, anche se la corrente varia fra la piena accensione (4.5mA, come da progetto iniziale), a qualche centinaio di microampere attraverso la resistenza Z. Per avere una variazione di tensione significativa, bisogna aggiungere in serie al led una resistenza e prelevare la retroazione sulla resistenza, in modo da evitare la caratteristica non lineare del led
Cerchiamo prima il valore di Rc, trascurando la corrente che scorre in Rf. Si vuole la massima variazione di tensione possibile sul nodo Vf, in modo da non essere troppo "stretti nella determinazione dell'isteresi. La tensione massima su Vf vale circa Val, quando il led e` spento, mentre quando il led e` acceso la tensione deve essere abbastanza elevata da mantenere il transistore in linearita`. Si deve quindi decidere qual e` la minima tensione di alimentazione che garantisce ancora il funzionamento lineare di Q1.
Supponiamo di volere il led rosso acceso a piena luce con Vcc=8V. Sull'emettitore di Q1 ci sono 4.5V circa, sul collettore si deve essere almeno a 4.6V per essere al limite della saturazione, e quindi Vf al minimo puo` scendere a 7.2V, supponendo una caduta di tensione sul led di 1.6V.
In pratica abbiamo 8V-6.1V=1.8V su Rc con una corrente di 4.5mA. Il che vuol dire Rc=400Ω, e il valore commerciale sara` piu` piccolo, 390Ω, o anche 330Ω se si vuole un po' piu` di margine.
La tensione su Vf vale quindi Vcc quando il led e` spento, e Vcc-390Ω x 4.5mA quando il led e` acceso, cioe` Vcc-1.75V. Abbiamo cioe` una variazione di tensione di 1.75V che viene usata per generare l'isteresi. Il rapporto fra Rf e R2//R3 da` l'ampiezza dell'isteresi. Si possono approssimare le soglie calcolando quando la base di Q2 ha la stessa tensione della base di Q1, ma la cosa diventa piu` complicata (un sacco di equazioni).
Per avere una prima idea dei valori (questo e` un conto ancora peggio che a spanne!) si puo` considerare che se vogliamo una isteresi di 0.3V e abbiamo una variazione di 1.75V il rapporto e` circa 1:6 e quindi Rf deve essere 5 volte maggiore di R1 in parallelo ad R2. Se prendiamo temporaneamente i valori che avevamo prima, abbiamo che R1//R2 e` circa di 3kΩ, quindi Rf va dalle parti di 15kΩ.
Pero` Rf e` praticamente in parallelo a R2, e questo parallelo modifica il valore originale di R2, spostando le soglie. Bisogna alzare il valore di R2 in modo che 15kΩ in parallelo alla nuova R2 sia ancora dalle parti di 6.8kΩ, quindi adesso R2 deve essere dalle parti di 10kΩ.
Lo schema iniziale diventa quindi questo
Questo e` solo lo schema iniziale, poi bisogna aggiustare i valori per ottenere le soglie volute. La ragione delle approssimazioni sono tante: la tensione di zener e` approssimata, ho trascurato le correnti di base, i componenti hanno delle tolleranze... Si possono fare i conti precisi, ma e` un mal di pancia non indifferente, quindi meglio che mi fermi qui.
Per usare proficuamente un simulatore, bisogna sapere molta più elettronica di lui
Plug it in - it works better!
Il 555 sta all'elettronica come Arduino all'informatica! (entrambi loro malgrado)
Se volete risposte rispondete a tutte le mie domande
Plug it in - it works better!
Il 555 sta all'elettronica come Arduino all'informatica! (entrambi loro malgrado)
Se volete risposte rispondete a tutte le mie domande
0
voti
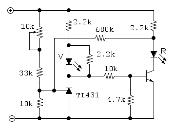
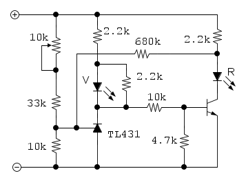
Volendo "esagerare", si puo sostituire lo zener con un TL431 (addirittura un 431B, se si vuole esagerare tanto tanto tanto
), hanno tensioni e soglie piu stabili, e con un partitore resistivo ottieni la tensione che vuoi, da 2.5V all'alimentazione.
"Sopravvivere" e' attualmente l'unico lusso che la maggior parte dei Cittadini italiani,
sia pure a costo di enormi sacrifici, riesce ancora a permettersi.
sia pure a costo di enormi sacrifici, riesce ancora a permettersi.
-

Etemenanki
9.517 3 6 10 - Master

- Messaggi: 5940
- Iscritto il: 2 apr 2021, 23:42
- Località: Dalle parti di un grande lago ... :)
0
voti
Buongiorno
IsidoroKZ,
grazie per l'ottima spiegazione, davvero esaustiva. Non resta che provare!
Per
Etemenanki, si, potrebbe essere una alternativa il 431 ma aggiungo altri componenti sul circuitino che potrebbe faticare a stare in quel cm ² circa.
In un altro progetto, volevo usarlo per riferimento su un feedback di tensione pensando che fosse più addomesticabile ma ci gira un sacco di elettronica attorno in base alla tipologia di compensatore che si vuole realizzare ( tipo 1,2 e 3 ), non che sia impossibile ovviamente, ma come dici anche tu, sarebbe un complicarsi la vita, considerando che, non serve questa altissima precisione. Con l'isteresi, invece, che comprimerà i tempi di transizione dei led contemporaneamente accesi una volta messa a punto, potrebbe tornare utile il discorso dei led bicolori. Proprio ieri sera, ho trovato nel cassettino dei led vari, alcuni bicolori THT ma da 3mm, non da 5mm, che potrebbero essere validi per questo circuitino
Lascio questo ottimo documento gentilmente consigliato da
IsidoroKZ che presenta e spiega molto bene il componente e il vario utilizzo che ne consegue.
grazie per l'ottima spiegazione, davvero esaustiva. Non resta che provare!
Per
In un altro progetto, volevo usarlo per riferimento su un feedback di tensione pensando che fosse più addomesticabile ma ci gira un sacco di elettronica attorno in base alla tipologia di compensatore che si vuole realizzare ( tipo 1,2 e 3 ), non che sia impossibile ovviamente, ma come dici anche tu, sarebbe un complicarsi la vita, considerando che, non serve questa altissima precisione. Con l'isteresi, invece, che comprimerà i tempi di transizione dei led contemporaneamente accesi una volta messa a punto, potrebbe tornare utile il discorso dei led bicolori. Proprio ieri sera, ho trovato nel cassettino dei led vari, alcuni bicolori THT ma da 3mm, non da 5mm, che potrebbero essere validi per questo circuitino
Lascio questo ottimo documento gentilmente consigliato da
-

Superfelix
180 2 8 - Stabilizzato

- Messaggi: 342
- Iscritto il: 7 dic 2024, 23:34
0
voti
Buongiorno,
ho avuto modo di testare l'isteresi e ora il cambio stato led avviene in un lampo!
La Rf da 15K non la possedevo, così ho improvvisato con un trimmer da 20K ( quello bianco a destra ). Sostituita 6,8K con 10K e inserita 330 Ohm tra Vcc e anodo led come da schema consigliato. Adesso funziona tutto correttamente, unica cosa che ho voluto misurare il valore dei trimmer e mi viene 4K precisi quello per gestire la soglia e 3K quello che dovrebbe essere la RF... Non saprei. Forse tolleranze componenti ecc ecc fanno si che "questo" montaggio, si comporti bene con quei valori.
Funziona una bomba, unica riflessione, è che con questo comportamento, se prendo ad esempio il pacco non in carica e premo il tastino di controllo stato, qualora fosse a 10,7V ( quindi a batteria scarica praticamente, forse 10%, mi indicherebbe led verde... Ma è un comportamento corretto che rispetta il funzionamento circuitale anche se potrebbe dare illusione che il pacco è carico... Forse converrebbe alzare più la soglia bassa... Non saprei... Devo fare qualche prova ). Il multimetro, copia il tensione alimentatore con circa due secondi di ritardo. Per vedere lomacatto netto delle soglie, bisogna guardare il tensione sul modulino alimentatore e poi segue la misura sul multimetro.
https://youtu.be/ffaWgqh_cHg?feature=shared
P.s. scusate il test molto "volante" ma ero fuori casa. Il test è stato fatto con attrezzatura di emergenza collegata al volo proveniente da una piccola valigia con cui vorrei creare un piccolo Lab portatile, dove sarà presente anche questo pacco batterie per alimentare il saldatore stilo.
ho avuto modo di testare l'isteresi e ora il cambio stato led avviene in un lampo!
La Rf da 15K non la possedevo, così ho improvvisato con un trimmer da 20K ( quello bianco a destra ). Sostituita 6,8K con 10K e inserita 330 Ohm tra Vcc e anodo led come da schema consigliato. Adesso funziona tutto correttamente, unica cosa che ho voluto misurare il valore dei trimmer e mi viene 4K precisi quello per gestire la soglia e 3K quello che dovrebbe essere la RF... Non saprei. Forse tolleranze componenti ecc ecc fanno si che "questo" montaggio, si comporti bene con quei valori.
Funziona una bomba, unica riflessione, è che con questo comportamento, se prendo ad esempio il pacco non in carica e premo il tastino di controllo stato, qualora fosse a 10,7V ( quindi a batteria scarica praticamente, forse 10%, mi indicherebbe led verde... Ma è un comportamento corretto che rispetta il funzionamento circuitale anche se potrebbe dare illusione che il pacco è carico... Forse converrebbe alzare più la soglia bassa... Non saprei... Devo fare qualche prova ). Il multimetro, copia il tensione alimentatore con circa due secondi di ritardo. Per vedere lomacatto netto delle soglie, bisogna guardare il tensione sul modulino alimentatore e poi segue la misura sul multimetro.
https://youtu.be/ffaWgqh_cHg?feature=shared
P.s. scusate il test molto "volante" ma ero fuori casa. Il test è stato fatto con attrezzatura di emergenza collegata al volo proveniente da una piccola valigia con cui vorrei creare un piccolo Lab portatile, dove sarà presente anche questo pacco batterie per alimentare il saldatore stilo.
-

Superfelix
180 2 8 - Stabilizzato

- Messaggi: 342
- Iscritto il: 7 dic 2024, 23:34
0
voti
Sulla base del messaggio di
Etemenanki mi è venuta una idea.
Non si potrebbe utilizzare il TL431 per fare anche le soglie e l'isteresi e un secondo transistor per accendere il led verde quando si spegne il rosso?
Ad esempio al posto di utilizzare lo zener due transistor e due led nel nuovo schema si utilizzerebbe il TL431 un transistor e due led.
Col Tl431 si può fare di meglio rispetto al classico zener.
Ciao
Non si potrebbe utilizzare il TL431 per fare anche le soglie e l'isteresi e un secondo transistor per accendere il led verde quando si spegne il rosso?
Ad esempio al posto di utilizzare lo zener due transistor e due led nel nuovo schema si utilizzerebbe il TL431 un transistor e due led.
Col Tl431 si può fare di meglio rispetto al classico zener.
Ciao
600 Elettra
0
voti
Ho fatto un disegno di massima del circuito.
Ciao
edit correzione schema
Ciao
edit correzione schema
600 Elettra
0
voti
Ciao
stefanopc e grazie per lo schema alternativo dell'indicatore di carica...
A occhio e croce c'è qualche R in più, l'ingombro To92 è lo stesso perche scompare un Q e compare il 431, quindi con lo spazio dovremmo esserci comunque. Il tutto se il circuito non fa troppi capricci per qualche motivo, potrebbe andare a beneficio della precisione utilizzando il 431 al posto del diodo, che di per se, ha le sue tolleranze. Anche se nell'ultimo test in video, si è fatto addomesticare bene e con l'isteresi consigliata da
IsidoroKZ il cambio di stato led ora è fulmineo a dir poco!!!
Sarebbe da provare anche il tuo schema, è molto interessante... grazie!
A occhio e croce c'è qualche R in più, l'ingombro To92 è lo stesso perche scompare un Q e compare il 431, quindi con lo spazio dovremmo esserci comunque. Il tutto se il circuito non fa troppi capricci per qualche motivo, potrebbe andare a beneficio della precisione utilizzando il 431 al posto del diodo, che di per se, ha le sue tolleranze. Anche se nell'ultimo test in video, si è fatto addomesticare bene e con l'isteresi consigliata da
Sarebbe da provare anche il tuo schema, è molto interessante... grazie!

-

Superfelix
180 2 8 - Stabilizzato

- Messaggi: 342
- Iscritto il: 7 dic 2024, 23:34
Chi c’è in linea
Visitano il forum: Nessuno e 44 ospiti

Elettrotecnica e non solo (admin)
Un gatto tra gli elettroni (IsidoroKZ)
Esperienza e simulazioni (g.schgor)
Moleskine di un idraulico (RenzoDF)
Il Blog di ElectroYou (webmaster)
Idee microcontrollate (TardoFreak)
PICcoli grandi PICMicro (Paolino)
Il blog elettrico di carloc (carloc)
DirtEYblooog (dirtydeeds)
Di tutto... un po' (jordan20)
AK47 (lillo)
Esperienze elettroniche (marco438)
Telecomunicazioni musicali (clavicordo)
Automazione ed Elettronica (gustavo)
Direttive per la sicurezza (ErnestoCappelletti)
EYnfo dall'Alaska (mir)
Apriamo il quadro! (attilio)
H7-25 (asdf)
Passione Elettrica (massimob)
Elettroni a spasso (guidob)
Bloguerra (guerra)






