sì, ma non proteggi l'avvolgimento dell'elettromagnete dal surriscaldamento, se si brucia il TRIAC.
Io metterei un termofusibile sull'avvolgimento oppure cambierei modo di pilotaggio.
Protezione triac
Moderatori:
carloc,
g.schgor,
BrunoValente,
IsidoroKZ
44 messaggi
• Pagina 4 di 5 • 1, 2, 3, 4, 5
0
voti
[31] Re: Protezione triac
-

PietroBaima
90,7k 7 12 13 - G.Master EY

- Messaggi: 12206
- Iscritto il: 12 ago 2012, 1:20
- Località: Londra
0
voti
[32] Re: Protezione triac
Noi in ditta usavamo gli Zenamic da 275V, se metti il fusibile e subito dopo il MOV, al superamento della soglia il MOV va in corto e brucia ill fusibile (e' esattamente il suo lavoro, quello) ... ma potrebbe partire anche il MOV.
Ci sono altri dispositivi piu moderni, come i transil (detti anche "transzorb" dalla vishay) ed i trisil, ed anche questi possono essere usati nello stesso modo (con minore rischio di partire pure loro, di solito).
Il loro funzionamento e' "solo parzialmente simile", ma con una differenza fondamentale, mentre il transil manda "in corto" le sovratensioni (un po come i MOV), ma poi si "autoripristina" quando la tensione scende, il trisil va "resettato" togliendo la tensione (puoi immaginartelo come una specie di triac senza gate, che si chiude quando la tensione supera la sua soglia e non si riapre se non si scende sotto il limite di manteimento ... questo ovviamente in continua, in alternata si resetta al passaggio di ogni semionda per lo zero, come un normale triac)
Ci sono ad esempio transil fatti per funzionare in continuazione con la rete, ad esempio 1.5KE300CA, assiale, tensione di funzionamento 256V, tensione di clamping 410V, bidirezionale quindi adatto anche per AC ... mentre per i trisil, essendo piu nuovi, li trovi praticamente solo SMD (si puo comunque saldarci dei terminali per usarli in altro modo, il case DO214AA e' abbastanza robusto), ma forse un transil assiale per il tuo caso e' migliore.
Ci sono altri dispositivi piu moderni, come i transil (detti anche "transzorb" dalla vishay) ed i trisil, ed anche questi possono essere usati nello stesso modo (con minore rischio di partire pure loro, di solito).
Il loro funzionamento e' "solo parzialmente simile", ma con una differenza fondamentale, mentre il transil manda "in corto" le sovratensioni (un po come i MOV), ma poi si "autoripristina" quando la tensione scende, il trisil va "resettato" togliendo la tensione (puoi immaginartelo come una specie di triac senza gate, che si chiude quando la tensione supera la sua soglia e non si riapre se non si scende sotto il limite di manteimento ... questo ovviamente in continua, in alternata si resetta al passaggio di ogni semionda per lo zero, come un normale triac)
Ci sono ad esempio transil fatti per funzionare in continuazione con la rete, ad esempio 1.5KE300CA, assiale, tensione di funzionamento 256V, tensione di clamping 410V, bidirezionale quindi adatto anche per AC ... mentre per i trisil, essendo piu nuovi, li trovi praticamente solo SMD (si puo comunque saldarci dei terminali per usarli in altro modo, il case DO214AA e' abbastanza robusto), ma forse un transil assiale per il tuo caso e' migliore.
"Sopravvivere" e' attualmente l'unico lusso che la maggior parte dei Cittadini italiani,
sia pure a costo di enormi sacrifici, riesce ancora a permettersi.
sia pure a costo di enormi sacrifici, riesce ancora a permettersi.
-

Etemenanki
9.517 3 6 10 - Master

- Messaggi: 5940
- Iscritto il: 2 apr 2021, 23:42
- Località: Dalle parti di un grande lago ... :)
0
voti
[33] Re: Protezione triac
Tornando ai MOV, vorrei essere sicuro quindi chiedo se siano questi:
Nei due negozi che abbiamo qui in città, quando ho chiesto un MOV mi hanno detto di non averlo e quando ho spiegato a cosa mi serve non hanno cambiato versione. Con la forza della disperazione sono riuscito a farmi capire, allora entrambi hanno tirato fuori uno scatolo pieno di bustine ed ho preso rispettivamente i due esemplari nella foto (uno a prezzo doppio dell'altro). Credo che li chiamino varistori.
Nei due negozi che abbiamo qui in città, quando ho chiesto un MOV mi hanno detto di non averlo e quando ho spiegato a cosa mi serve non hanno cambiato versione. Con la forza della disperazione sono riuscito a farmi capire, allora entrambi hanno tirato fuori uno scatolo pieno di bustine ed ho preso rispettivamente i due esemplari nella foto (uno a prezzo doppio dell'altro). Credo che li chiamino varistori.
0
voti
[34] Re: Protezione triac
PietroBaima ha scritto:.... oppure cambierei modo di pilotaggio.
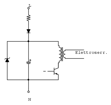
Il pilotaggio in continua col condensatore è carino ma nel mio caso dovrei passare a un alimentatore isolato da rete, per motivi di sicurezza, e poi accoppiare in qualche modo l'onda convogliata al ricevitore.
0
voti
[35] Re: Protezione triac
Etemenanki ha scritto:, se metti il fusibile e subito dopo il MOV, al superamento della soglia il MOV va in corto e brucia ill fusibile (e' esattamente il suo lavoro, quello) ... ma potrebbe partire anche il MOV.
.
Non dico che non funzioni, ma ho qualche perplessità,
intanto il MOV è un componente che serve a proteggere da brevissimi impulsi, in modo che la l'energia dissipata rimanga molto bassa, aspettarsi che questi lavorino da corto per fare saltare un fusibile...., immagino che il risultato sia quasi certamente il bruciarsi del MOV oltre che il fusibile, (come è stato accennato).
vedrei meglio altre soluzioni.
oggi i componenti, specialmente i triac sono super robusti, sopportano correnti decine di volte ,maggiore della targa, e le tensioni di lavoro possono essere anche molto alte, se fatti lavorare in condizioni nominali, e dissipati, (se serve), c'è da stufarsi di vederli fuzionare, specie per compiti non gravosi come questo.
detto questo, se dovessi fare io qualcosa di protetto dal guasto, penserei di fare un altro circuito di verifica sul funzionamento primario, per agire in caso in cui qualcosa altro del circuito primario non funzionasse.
saluti.
-

lelerelele
4.899 3 7 9 - Master

- Messaggi: 5505
- Iscritto il: 8 giu 2011, 8:57
- Località: Reggio Emilia
0
voti
[36] Re: Protezione triac
EcoTan ha scritto:Il pilotaggio in continua col condensatore è carino ma nel mio caso dovrei passare a un alimentatore isolato da rete, per motivi di sicurezza, e poi accoppiare in qualche modo l'onda convogliata al ricevitore.
-

PietroBaima
90,7k 7 12 13 - G.Master EY

- Messaggi: 12206
- Iscritto il: 12 ago 2012, 1:20
- Località: Londra
0
voti
[37] Re: Protezione triac
Il MOV più grande nella foto, me lo hanno dato sbagliato e in realtà è un tipo per bassa tensione. Ho acceso il circuito e dopo qualche secondo ho udito un gran botto + un lampo, il MOV si è aperto e il fusibile è saltato. Quindi ho montato l'altro MOV (275Vrms), rimesso il fusibile (500mA Fast) e per adesso tiene. Però dubito anch'io che questo sistema salverebbe il Triac con quant'altro.
0
voti
[38] Re: Protezione triac
Nelle schede industriali per macchine da lavoro, vengono montati a protezione dei triac ed anche di circuiti alimentati da trasformatori e devo dire che fanno il loro lavoro , è logico che è da sostituire fusibile e MOV sia che siano sulla linea che sul triac.
Certamente non proteggono il circuito dallo stress del lavoro o dal logorio del componente.

Certamente non proteggono il circuito dallo stress del lavoro o dal logorio del componente.

Alex
https://www.facebook.com/Elettronicaeelettrotecnica
<< vedi di pigliare arditamente in mano, il dizionario che ti suona in bocca,
se non altro è schietto e paesano.
(Giuseppe Giusti) <<
https://www.facebook.com/Elettronicaeelettrotecnica
<< vedi di pigliare arditamente in mano, il dizionario che ti suona in bocca,
se non altro è schietto e paesano.
(Giuseppe Giusti) <<
1
voti
[39] Re: Protezione triac
Il frigorifero/congelatore di casa ha due motori con snubber e MOV.
Funzionante dal 2001.
La scheda originale è morta nel 2014 circa.
La scheda attuale su base PIC16F88 è ancora in servizio con la medesima parte di potenza.
Ciao
Funzionante dal 2001.
La scheda originale è morta nel 2014 circa.
La scheda attuale su base PIC16F88 è ancora in servizio con la medesima parte di potenza.
Ciao
600 Elettra
0
voti
[40] Re: Protezione triac
stefanopc ha scritto:Se vuoi prevenire le extratensioni in arrivo dal cancello (sul secondario a 12V) puoi mettere a terra uno dei due conduttori magari in prossimità del trasformatore.
Nel caso metti a terra anche il ferro e se ci fosse lo schermo
Cioè collegarlo al conduttore centrale giallo-verde della presa?
44 messaggi
• Pagina 4 di 5 • 1, 2, 3, 4, 5
Chi c’è in linea
Visitano il forum: Nessuno e 248 ospiti

Elettrotecnica e non solo (admin)
Un gatto tra gli elettroni (IsidoroKZ)
Esperienza e simulazioni (g.schgor)
Moleskine di un idraulico (RenzoDF)
Il Blog di ElectroYou (webmaster)
Idee microcontrollate (TardoFreak)
PICcoli grandi PICMicro (Paolino)
Il blog elettrico di carloc (carloc)
DirtEYblooog (dirtydeeds)
Di tutto... un po' (jordan20)
AK47 (lillo)
Esperienze elettroniche (marco438)
Telecomunicazioni musicali (clavicordo)
Automazione ed Elettronica (gustavo)
Direttive per la sicurezza (ErnestoCappelletti)
EYnfo dall'Alaska (mir)
Apriamo il quadro! (attilio)
H7-25 (asdf)
Passione Elettrica (massimob)
Elettroni a spasso (guidob)
Bloguerra (guerra)
pigreco]=π




