Variatore di velocità lineare in CC.
Moderatori:
carloc,
g.schgor,
BrunoValente,
IsidoroKZ
31 messaggi
• Pagina 2 di 4 • 1, 2, 3, 4
0
voti
Consideralo un quiz, non è difficile
Post Scriptum scusa la mia distrazione.
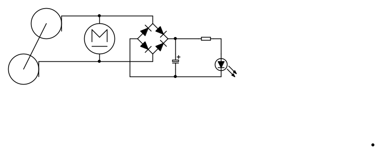
L'ingresso del ponte va collegato in parallelo al motore e l'uscita dello stesso ponte va ad alimentare l'elettrolitico, il resto rimane invariato
Post Scriptum scusa la mia distrazione.
L'ingresso del ponte va collegato in parallelo al motore e l'uscita dello stesso ponte va ad alimentare l'elettrolitico, il resto rimane invariato
0
voti
qualcuno, in un altro forum, mi ha risposto che il condensatore annulla l'effetto del PWM. fermo restando quanto hai scritto prima, in questo caso potrei utilizzare un regolatore PWM? grazie, daniele.
0
voti
Ma a te' interessa che le luci rimangano acese anche a motrice ferma ?
"Sopravvivere" e' attualmente l'unico lusso che la maggior parte dei Cittadini italiani,
sia pure a costo di enormi sacrifici, riesce ancora a permettersi.
sia pure a costo di enormi sacrifici, riesce ancora a permettersi.
-

Etemenanki
9.517 3 6 10 - Master

- Messaggi: 5940
- Iscritto il: 2 apr 2021, 23:42
- Località: Dalle parti di un grande lago ... :)
0
voti
0
voti
danyto ha scritto:fermo restando quanto hai scritto prima, in questo caso potrei utilizzare un regolatore PWM? grazie, daniele.
Sì. Naturalmente queste cose vanno sempre provate, le variabili nascoste non mancano.
0
voti
https://www.rsp-italy.it/Electronics/Magazines/Nuova%20Elettronica/_contents/Nuova%20Elettronica%20164_165.pdf
Vedere articolo a pagina 86 (e leggere all'inizio quale è la caratteristica particolare di questo alimentatore)
K
Vedere articolo a pagina 86 (e leggere all'inizio quale è la caratteristica particolare di questo alimentatore)
K
-

Kagliostro
6.396 4 5 7 - Master

- Messaggi: 4830
- Iscritto il: 19 set 2012, 11:32
0
voti
Se vuoi poter comandare indipendentemente le luci ed i motori, serve cambiare approccio ... i motori vengono comandati in DC, mentre le luci con una frequenza sovraimposta all'alimentazione dei motori, per cui puoi spegnerle in marcia o lasciarle accese a carrozze ferme.
Serve sovrapporre un segnale AC (cosi ad occhio, direi una sinusoide fra 10 e 30 kHz dovrebbe andare bene, per tenere i filtri di separazione abbastanza piccoli), lo si usa per alimentarci le luci, che cosi puoi comandare in modo indipendente dai motori.
Serve sovrapporre un segnale AC (cosi ad occhio, direi una sinusoide fra 10 e 30 kHz dovrebbe andare bene, per tenere i filtri di separazione abbastanza piccoli), lo si usa per alimentarci le luci, che cosi puoi comandare in modo indipendente dai motori.
"Sopravvivere" e' attualmente l'unico lusso che la maggior parte dei Cittadini italiani,
sia pure a costo di enormi sacrifici, riesce ancora a permettersi.
sia pure a costo di enormi sacrifici, riesce ancora a permettersi.
-

Etemenanki
9.517 3 6 10 - Master

- Messaggi: 5940
- Iscritto il: 2 apr 2021, 23:42
- Località: Dalle parti di un grande lago ... :)
31 messaggi
• Pagina 2 di 4 • 1, 2, 3, 4
Chi c’è in linea
Visitano il forum: Nessuno e 129 ospiti

Elettrotecnica e non solo (admin)
Un gatto tra gli elettroni (IsidoroKZ)
Esperienza e simulazioni (g.schgor)
Moleskine di un idraulico (RenzoDF)
Il Blog di ElectroYou (webmaster)
Idee microcontrollate (TardoFreak)
PICcoli grandi PICMicro (Paolino)
Il blog elettrico di carloc (carloc)
DirtEYblooog (dirtydeeds)
Di tutto... un po' (jordan20)
AK47 (lillo)
Esperienze elettroniche (marco438)
Telecomunicazioni musicali (clavicordo)
Automazione ed Elettronica (gustavo)
Direttive per la sicurezza (ErnestoCappelletti)
EYnfo dall'Alaska (mir)
Apriamo il quadro! (attilio)
H7-25 (asdf)
Passione Elettrica (massimob)
Elettroni a spasso (guidob)
Bloguerra (guerra)




come sempre siete unici, e non so come ringraziarvi. per potere sovrapporre i due segnali esiste qualche modulo gia pronto?