Ciao a tutti
Sul lavoro ho preso "il vizio" di chiedere ad un collega di dare un'occhiata a schemi completamente nuovi prima di realizzare prototipi.
In ambito privato non ho questo lusso, ma vorrei chiedere a voi se avete voglia di darmi un parere su questo circuito, che per me è terreno "hic sunt leones". Ovviamente senza obbligo e senza responsabilità, sarebbe molto apprezzato.
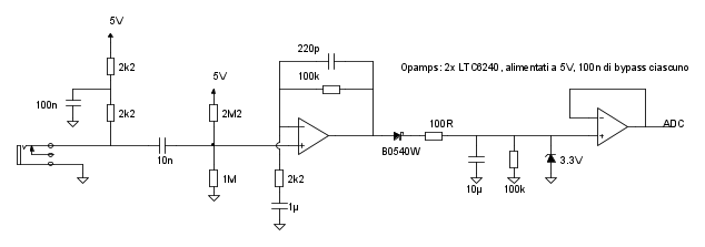
Lo scopo del circuito è di condizionare il segnale in provenienza da un microfono (roba economica, electret).
All'uscita verrà collegato l'ADC di un microcontroller.
Lo scopo non è registrare il segnale audio, ma rilevare la presenza o meno di suono. Il condizionamento del segnale deve quindi anche includere un quasi-peak detector (salita rapida, discesa lenta).
La mia proposta sarebbe questa:
Può andar bene?
Saluti e grazie, Boiler
Quasi-peak detector per microfono
Moderatore:
IsidoroKZ
41 messaggi
• Pagina 1 di 5 • 1, 2, 3, 4, 5
1
voti
C'è un range di frequenze particolare che va considerato
ad esempio 300-3400 Hz o ci sono altre considerazioni particolari magari legate al tipo di microfono o al tipo di suono da rivelare?
In linea di massima lo schema potrebbe andare bene.
Forse si potrebbe valutare di mettere o meno un filtro più selettivo sulla base della considerazione precedente.
Ciao
P. S. Mi piace poco lo zener generico usato per limitare i segnali.
Probabilmente si può valutare una soluzione alternativa ( led).
Ma e sicuramente un mio "problema".
ad esempio 300-3400 Hz o ci sono altre considerazioni particolari magari legate al tipo di microfono o al tipo di suono da rivelare?
In linea di massima lo schema potrebbe andare bene.
Forse si potrebbe valutare di mettere o meno un filtro più selettivo sulla base della considerazione precedente.
Ciao
P. S. Mi piace poco lo zener generico usato per limitare i segnali.
Probabilmente si può valutare una soluzione alternativa ( led).
Ma e sicuramente un mio "problema".
600 Elettra
1
voti
T1 = 220p x 100 k = 22 us
T2 = 1u x 2,2 k = 2,2 ms
Il filtro passa banda ha una frequenza di taglio superiore
di 7 kHz, e una inferiore di 7 Hz.
Non conosco le caratteristiche del OA, ma dubito che lo stadio continui a guadagnare 50 a 7 kHz.
2M2 // 1M = 0,68 M
10 n x 0,68 M = 6,8 ms. >> 23 Hz
Ridurrei 1 uF a 0,1 uF per una Ftaglio di 70 Hz
aumenterei 220 pF a 470 pF per ridurre 7KHz a 3,5 kHz.
Aumenterei il condensatore sulla alimentazione microfono da 100 nF a 1 uF.
Al posto del voltage follower, metterei un comparatore con un poco di isteresi in uscita che pilota anche un LED, facilita la messa a punto. Ma aumenta i costi ricorrenti.. quanti prevedi di farne: 1 10, 100 ?
La tensione a riposo è 5V / 3 = 1,66 V
T2 = 1u x 2,2 k = 2,2 ms
Il filtro passa banda ha una frequenza di taglio superiore
di 7 kHz, e una inferiore di 7 Hz.
Non conosco le caratteristiche del OA, ma dubito che lo stadio continui a guadagnare 50 a 7 kHz.
2M2 // 1M = 0,68 M
10 n x 0,68 M = 6,8 ms. >> 23 Hz
Ridurrei 1 uF a 0,1 uF per una Ftaglio di 70 Hz
aumenterei 220 pF a 470 pF per ridurre 7KHz a 3,5 kHz.
Aumenterei il condensatore sulla alimentazione microfono da 100 nF a 1 uF.
Al posto del voltage follower, metterei un comparatore con un poco di isteresi in uscita che pilota anche un LED, facilita la messa a punto. Ma aumenta i costi ricorrenti.. quanti prevedi di farne: 1 10, 100 ?
La tensione a riposo è 5V / 3 = 1,66 V
0
voti
Vi ringrazio.
Il range di frequenze va sicuramente aggiustato sul campo per vedere cosa funziona al meglio (l'idea è di limitare l'usura dei tubi di un orologio a Nixie quando non c'è nessuno presente spegnendoli). Il fruscio delle ciabatte sul pavimento è un buon indicatore ed è abbastanza in alto come frequenze, forse mi tocca addirittura aprire verso l'alto. Invece avete sicuramente ragione che in basso si può chiudere.
MarcoD: https://www.analog.com/media/en/technic ... 4012fe.pdf
Non penso abbia problemi a darmi un guadagno di 50 scarsi a queste frequenze. Direi che fino a 100 kHz ci arriviamo comodi. O mi sfugge qualcosa?
Ne verrà costruito esattamente 1 (uno) esemplare
Il comparatore ce l'ho nel microcontroller (low-power comparator) e posso usarlo in sleep-mode risparmiando così anche un po' di corrente. Il pin è lo stesso, quindi posso cominciare con l'ADC per fare test e definire la soglia di intervento. Poi, in un secondo tempo posso passare al comparatore.
stefanopc, non preoccuparti, non è un volgare zener, è un ESD3V3D9-TP
Il mio dubbio principale era nel collegamento del microfono, un tema che assolutamente non conosco (il circuito è adattato/combinato da un paio di fonti che ho trovato in giro). E se il quasi-peak detector è realizzato correttamente.
Visto che nessuno si lamenta, li prendo per buoni
Boiler
Il range di frequenze va sicuramente aggiustato sul campo per vedere cosa funziona al meglio (l'idea è di limitare l'usura dei tubi di un orologio a Nixie quando non c'è nessuno presente spegnendoli). Il fruscio delle ciabatte sul pavimento è un buon indicatore ed è abbastanza in alto come frequenze, forse mi tocca addirittura aprire verso l'alto. Invece avete sicuramente ragione che in basso si può chiudere.
Non penso abbia problemi a darmi un guadagno di 50 scarsi a queste frequenze. Direi che fino a 100 kHz ci arriviamo comodi. O mi sfugge qualcosa?
Ne verrà costruito esattamente 1 (uno) esemplare
Il comparatore ce l'ho nel microcontroller (low-power comparator) e posso usarlo in sleep-mode risparmiando così anche un po' di corrente. Il pin è lo stesso, quindi posso cominciare con l'ADC per fare test e definire la soglia di intervento. Poi, in un secondo tempo posso passare al comparatore.
Il mio dubbio principale era nel collegamento del microfono, un tema che assolutamente non conosco (il circuito è adattato/combinato da un paio di fonti che ho trovato in giro). E se il quasi-peak detector è realizzato correttamente.
Visto che nessuno si lamenta, li prendo per buoni
Boiler
0
voti
Forse si potrebbe provare in alternativa con un sensore Pir come ho visto in alcuni condizionatori che limitano i consumi (e il freddo) se nella stanza non c'è nessuno.
Ciao
Ciao
600 Elettra
0
voti
Il bozzo del PIR sarebbe molto antiestetico ed è direzionale. Se l'oggetto non è posizionato strategicamente, funziona male.
Nel condominio in cui stavo in Svezia, nei corridoi e nelle scale c'era un sensore acustico (da lì ho preso l'idea). Funzionava meglio di qualsiasi PIR. È diffusissimo in Svezia, non ho mai capito perché non si trovi altrove.
Boiler
Nel condominio in cui stavo in Svezia, nei corridoi e nelle scale c'era un sensore acustico (da lì ho preso l'idea). Funzionava meglio di qualsiasi PIR. È diffusissimo in Svezia, non ho mai capito perché non si trovi altrove.
Boiler
1
voti
Pero' se deve raccogliere pure il fruscio delle ciabatte
, dovra' essere piuttosto sensibile (e probabilmente servira' un circuito di compensazione per eliminare i rumori provenienti dall'esterno, ma quello implicherebbe un secondo microfono messo all'esterno)
Se invece la cosa non ti interessa particolarmente, credo ti basti un noise-gate che innesca un timer a tempo medio/lungo sopra un determinato livello, retriggerabile ovviamente, e nient'altro.
E si, il collegamento del microfono cosi va bene.
Presumo che si possa ignorare il fatto che uno si possa addormentare sul divano e l'orologio si spenga, dato che mentre dorme non lo guarda e se si veglia e fa rumore si riaccende ... comunque i tempi dovrebbero essere abbastanza lunghi, tipo 15 o 20 minuti (ti metti a fare qualcosa che non fa rumore, ad esempio leggere, e si spegne)
Prevederei invece un filtro per eliminare il piu possibile la 50Hz (casomai dovesse captare disturbi), e secondo come e' fatto il tuo orologio, forse un secondo filtro ... voglio dire, se usi il pilotaggio delle nixie a shift register, non servirebbe, se invece le multiplexi, forse la frequenza del tuo multilpexer potrebbe disturbare se captata (ma qui lo sai tu come l'hai costruito)
EDIT: era una cosa del genere, per caso ? https://helvar.com/it/prodotto/342-sens ... a-assenza/
Se invece la cosa non ti interessa particolarmente, credo ti basti un noise-gate che innesca un timer a tempo medio/lungo sopra un determinato livello, retriggerabile ovviamente, e nient'altro.
E si, il collegamento del microfono cosi va bene.
Presumo che si possa ignorare il fatto che uno si possa addormentare sul divano e l'orologio si spenga, dato che mentre dorme non lo guarda e se si veglia e fa rumore si riaccende ... comunque i tempi dovrebbero essere abbastanza lunghi, tipo 15 o 20 minuti (ti metti a fare qualcosa che non fa rumore, ad esempio leggere, e si spegne)
Prevederei invece un filtro per eliminare il piu possibile la 50Hz (casomai dovesse captare disturbi), e secondo come e' fatto il tuo orologio, forse un secondo filtro ... voglio dire, se usi il pilotaggio delle nixie a shift register, non servirebbe, se invece le multiplexi, forse la frequenza del tuo multilpexer potrebbe disturbare se captata (ma qui lo sai tu come l'hai costruito)
EDIT: era una cosa del genere, per caso ? https://helvar.com/it/prodotto/342-sens ... a-assenza/
"Sopravvivere" e' attualmente l'unico lusso che la maggior parte dei Cittadini italiani,
sia pure a costo di enormi sacrifici, riesce ancora a permettersi.
sia pure a costo di enormi sacrifici, riesce ancora a permettersi.
-

Etemenanki
9.522 3 6 10 - Master

- Messaggi: 5948
- Iscritto il: 2 apr 2021, 23:42
- Località: Dalle parti di un grande lago ... :)
0
voti
Etemenanki ha scritto:Pero' se deve raccogliere pure il fruscio delle ciabatte, dovra' essere piuttosto sensibile
A quanto pare la banda d'interesse per questo tipo di rumore è 6-8 kHz, che è anche quella dove si trovano i suoni F e S. Non so quanto sensibile debba essere, probabilmente nemmeno così tanto, ma dovrei alzare di parecchio il componente passa-alto.
Insomma, è sicuramente un circuito da testare e ottimizzare. Dovrò provare diversi guadagni e diverse frequenze di taglio.
Presumo che si possa ignorare il fatto che uno si possa addormentare sul divano e l'orologio si spenga, dato che mentre dorme non lo guarda e se si veglia e fa rumore si riaccende ... comunque i tempi dovrebbero essere abbastanza lunghi, tipo 15 o 20 minuti (ti metti a fare qualcosa che non fa rumore, ad esempio leggere, e si spegne)
Sì, nessun problema. L'applicazione è tutt'altro che critica.
Riguardo i filtri, sposterò il passa-alto ben sopra i 50 Hz.
Non ho intenzione di multiplexare, è una tecnica che non mi è mai piaciuta e oggi sarebbe veramente anacronistica. Anche se... stiamo parlando di nixies, non proprio l'ultimo grido della tecnica.
EDIT: era una cosa del genere, per caso ? https://helvar.com/it/prodotto/342-sens ... a-assenza/
Sì, molto simile: https://produkter.extronic.se/dokument/ ... 200514.pdf
Sulla banda a bassa frequenza (0-3 Hz) sente l'apertura delle porte. La luce si accendeva ancora prima di aver aperto completamente la porta.
Boiler
1
voti
MarcoD ha scritto:Aumenterei il condensatore sulla alimentazione microfono da 100 nF a 1 uF.
io direi anche 100 μ o 220 μF
MarcoD ha scritto:Al posto del voltage follower, metterei un comparatore con un poco di isteresi in uscita
Quoto
-

SediciAmpere
4.187 5 5 8 - Master

- Messaggi: 4848
- Iscritto il: 31 ott 2013, 15:00
41 messaggi
• Pagina 1 di 5 • 1, 2, 3, 4, 5
Torna a Elettronica e spettacolo
Chi c’è in linea
Visitano il forum: Nessuno e 15 ospiti

Elettrotecnica e non solo (admin)
Un gatto tra gli elettroni (IsidoroKZ)
Esperienza e simulazioni (g.schgor)
Moleskine di un idraulico (RenzoDF)
Il Blog di ElectroYou (webmaster)
Idee microcontrollate (TardoFreak)
PICcoli grandi PICMicro (Paolino)
Il blog elettrico di carloc (carloc)
DirtEYblooog (dirtydeeds)
Di tutto... un po' (jordan20)
AK47 (lillo)
Esperienze elettroniche (marco438)
Telecomunicazioni musicali (clavicordo)
Automazione ed Elettronica (gustavo)
Direttive per la sicurezza (ErnestoCappelletti)
EYnfo dall'Alaska (mir)
Apriamo il quadro! (attilio)
H7-25 (asdf)
Passione Elettrica (massimob)
Elettroni a spasso (guidob)
Bloguerra (guerra)




