Buongiorno
ho già avuto modo di verificare il grande aiuto che questo forum puo' dare (per altri topic) e desidero sottoporre un alttro quesito che mi appassiona.
Sono in fase di ristrutturazione casa e nel rifacimento del Quadro Elettrico vorrei comandare una serie di prese (protette da un MT 32 A e, ciascuna, da un MTD 25, 16 o 16 in base al carico) in modo tale che io possa da remoto staccarle o riarmarle.
La soluzione piu' ovvia (per me
Comando smart remoto per carichi elettrici
Moderatori:
sebago,
MASSIMO-G,
lillo,
Mike
9 messaggi
• Pagina 1 di 1
0
voti
sergio1260 ha scritto:La soluzione piu' ovvia (per me
è quella di installare relè connessi.
Se le prese sono da 16 A devi proteggerle con interruttore automatico con corrente nominale non superiore a 16 A, non puoi proteggerle con interruttore magnetotermico da 25 A
0
voti
Vero, qualcosa si è perso per strada .. ripropongo con maggiore chiarezza (spero).
Sono in fase di ristrutturazione casa e nel rifacimento del Quadro Elettrico vorrei comandare una serie di prese che sono a valle di un MT da 32 A (ciascun set di prese è poi protetto - in base al carico sostenuto - da MTD da 25, 16 o 10A
Cio' che io vorrei realizzare è un controllo remoto (accessibile via internet - il modem ovviamente è su una linea separata rispetto a questo set di prese) che mi consenta, all'occorrenza, di staccare "disalimentare" il MTda 32A in modo da "spegnere" l'intero set di prese a valle dello stesso.
La soluzione piu' ovvia (per me) è quella di montare a monte del MT 32A un contattore da 32A con 2 contatti NC comandato da uno smart Relè (tipo Shelly o simili) comandabile da remoto.
Alla ricezione dell'impulso il relè dovrebbe disarmare o riarmare il Contattore NC e togliere o dare corrente al Magnetotermico. Se poi questo Smart Relè misurasse anche il consumo dei carichi controllare non sarebbe affatto male.
Pensavo a qualcosa di Shelly o simili perché la soluzione BTicino SmartHome è molto costosa.
Avete suggerimenti o schemi da sottopormi?
Grazie mille
Sono in fase di ristrutturazione casa e nel rifacimento del Quadro Elettrico vorrei comandare una serie di prese che sono a valle di un MT da 32 A (ciascun set di prese è poi protetto - in base al carico sostenuto - da MTD da 25, 16 o 10A
Cio' che io vorrei realizzare è un controllo remoto (accessibile via internet - il modem ovviamente è su una linea separata rispetto a questo set di prese) che mi consenta, all'occorrenza, di staccare "disalimentare" il MTda 32A in modo da "spegnere" l'intero set di prese a valle dello stesso.
La soluzione piu' ovvia (per me) è quella di montare a monte del MT 32A un contattore da 32A con 2 contatti NC comandato da uno smart Relè (tipo Shelly o simili) comandabile da remoto.
Alla ricezione dell'impulso il relè dovrebbe disarmare o riarmare il Contattore NC e togliere o dare corrente al Magnetotermico. Se poi questo Smart Relè misurasse anche il consumo dei carichi controllare non sarebbe affatto male.
Pensavo a qualcosa di Shelly o simili perché la soluzione BTicino SmartHome è molto costosa.
Avete suggerimenti o schemi da sottopormi?
Grazie mille
-

sergio1260
-2 3 - Messaggi: 34
- Iscritto il: 11 gen 2024, 10:34
0
voti
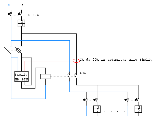
Una possibile idea con lo Shelly EM GEN 3 ed un contattore
0
voti
Grazie GioArca67
la soluzione è esattamente quella cui io pensavo.. allego lo schema del quadro cosi' come intendevo farlo organizzare.. Metto, a valle del MT generale che protegge la linea
- Un riarmo per le prese Prioritarie (Frigo, Modem...)
- Un contattore da 32A pilotato dallo Shelly che governa UN MTD da 32A (che comanda tutte le linee - a loro volta protette da MTD) armandole/disarmandole da remoto (pensavo allo Shelly EM Mini Gen 4 .. anche se come protocollo preferisco - in questo caso - usare il Wifi)
Puo' funzionare?
Grazie
la soluzione è esattamente quella cui io pensavo.. allego lo schema del quadro cosi' come intendevo farlo organizzare.. Metto, a valle del MT generale che protegge la linea
- Un riarmo per le prese Prioritarie (Frigo, Modem...)
- Un contattore da 32A pilotato dallo Shelly che governa UN MTD da 32A (che comanda tutte le linee - a loro volta protette da MTD) armandole/disarmandole da remoto (pensavo allo Shelly EM Mini Gen 4 .. anche se come protocollo preferisco - in questo caso - usare il Wifi)
Puo' funzionare?
Grazie
-

sergio1260
-2 3 - Messaggi: 34
- Iscritto il: 11 gen 2024, 10:34
0
voti
GioArca67 ha scritto:Si, lo Shelly andrebbe protetto (es con dei fusibili da 1A)
Grazie .. infatti nel mio schema lo Shelly (come anche il contattore e l'interruttore di riarmo) è a valle del Magnetotermico da 32A che protegge l'intera linea domestica. Credi possa non bastare? Suggerisci di mettere qualcosa di dedicato per lo shelly (non vorrei mettere un fusibile, hai qualche suggeriemnto specifico?)
-

sergio1260
-2 3 - Messaggi: 34
- Iscritto il: 11 gen 2024, 10:34
0
voti
Scusate se torno sull'argomento ma ho una curiosità che vorrei soddisfare:
- E' sensato Distaccare un carico da remoto (via Shelly ad esempio) comandando un Contattore con contatti NC?
Intendo dire... se per caso nell'abitazione remota un gruppo di utenze (prese e luci ) comandate da un Magnetotermico differenziale rimangono accese per errore e volessi da remoto disalimentarle (operando innescando appunto un contattore tramite shelly) è qualcosa che si fa?
Il contattore sarebbe NORMALMENTE in posizione di Contatti chiusi lasciando passare la corrente al magnetotermico differenziale e solo all'occorrenza i contatti verrebbero aperti per disalimentare?
E' una cosa che si fa? Ci sono rischi?
Grazie per l'aiuto
- E' sensato Distaccare un carico da remoto (via Shelly ad esempio) comandando un Contattore con contatti NC?
Intendo dire... se per caso nell'abitazione remota un gruppo di utenze (prese e luci ) comandate da un Magnetotermico differenziale rimangono accese per errore e volessi da remoto disalimentarle (operando innescando appunto un contattore tramite shelly) è qualcosa che si fa?
Il contattore sarebbe NORMALMENTE in posizione di Contatti chiusi lasciando passare la corrente al magnetotermico differenziale e solo all'occorrenza i contatti verrebbero aperti per disalimentare?
E' una cosa che si fa? Ci sono rischi?
Grazie per l'aiuto
-

sergio1260
-2 3 - Messaggi: 34
- Iscritto il: 11 gen 2024, 10:34
9 messaggi
• Pagina 1 di 1
Torna a Impianti, sicurezza e quadristica
Chi c’è in linea
Visitano il forum: Nessuno e 40 ospiti

Elettrotecnica e non solo (admin)
Un gatto tra gli elettroni (IsidoroKZ)
Esperienza e simulazioni (g.schgor)
Moleskine di un idraulico (RenzoDF)
Il Blog di ElectroYou (webmaster)
Idee microcontrollate (TardoFreak)
PICcoli grandi PICMicro (Paolino)
Il blog elettrico di carloc (carloc)
DirtEYblooog (dirtydeeds)
Di tutto... un po' (jordan20)
AK47 (lillo)
Esperienze elettroniche (marco438)
Telecomunicazioni musicali (clavicordo)
Automazione ed Elettronica (gustavo)
Direttive per la sicurezza (ErnestoCappelletti)
EYnfo dall'Alaska (mir)
Apriamo il quadro! (attilio)
H7-25 (asdf)
Passione Elettrica (massimob)
Elettroni a spasso (guidob)
Bloguerra (guerra)


