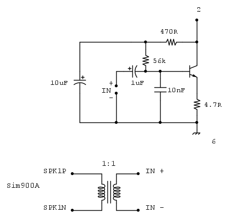
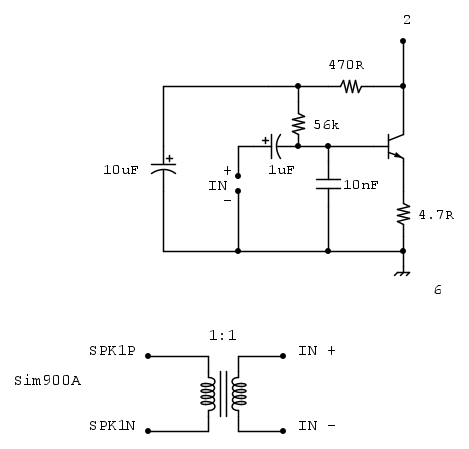
Ciao a tutti, avendo qualche problema di ricezione della posta ho deciso di modificare un citofono già esistente aggiungendo una circuiteria che permette di collegare il citofono ad un modulo GSM in modo che quando il postino arriva posso aprire il portoncino per permettergli di lasciare il pacco dentro casa. Il citofono è composto da un posto esterno contenente un paio di operazionali e nella cornetta interna una piccola scheda con un transistor e qualche resistenza. La cornetta si collega al posto esterno tramite un semplice pulsante deviatore che collega i fili della linea 1 e 2 alla scheda. La selezione dell'appartamento per citofonia/corrispondenza avviene tramite una pulsantiera collegata ad un circuto interfacciato su bus 485, tutto gestito da dei microcontrollori e un raspberry. Nelle linee del citofono vanno collegate le cornette degli appartamenti e due circuiti di cornette che servono uno per gestire degli avvisi audio riprodotti da una scheda audio USB e l'altro per collegare il modulo GSM per una telefonata. Documentandomi sul sito della simcom ho trovato l'application note riguardante l'audio. Guardando le tre possibili modalità di collegamento, presumo che quella più adatta sia quella a pagina 6. "MIC1 LINE-IN input single-ended connection" In questo documento viene specificato solo il collegamento del microfono e guardando anche la pedinatura del modulo ho trovato che l'uscita audio avviene tramite due piedini chiamati SPK1N/SPK1P che avendo fatto la prova con il tester, il negativo non risulta collegato a massa; quindi ho pensato di disaccoppiare l'ingresso e l'uscita tramite due induttori da 1mH con i nuclei messi uno davanti l'altro in modo da realizzare una specie di trasformatore 1:1. Ho fatto la prova e usando l'ingresso o l'uscita con il posto esterno del citofono l'audio si sente, richede solo un piccolo amplificatore perché si sente piano e c'è un piccolo problemino se li collego entrambi: anche non effettuando una telefonata fischia.
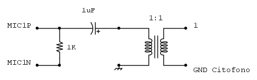
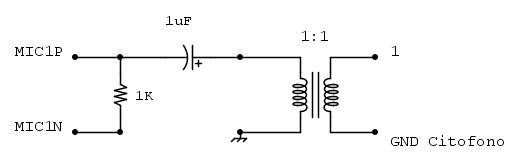
In questo circuto ho sostituito il partitore del microfono con l'induttore.
Per quanto riguarda l'audio proveniente dal posto esterno il circuito che ho utilizzato è questo:
Ho fatto la prova non mettere questo "accoppiamento magnetico" e il risultato è che l'audio non funziona. la mia domanda è: meglio un amplificatore ad operazionale o a transistor ? In che modo si può risolvere il problema del fischio?
Interfacciamento audio tra SIM900A e citofono Urmet
Moderatori:
g.schgor,
IsidoroKZ
3 messaggi
• Pagina 1 di 1
0
voti
- Allegati
-
AN_SIM900_Audio LINE-IN input_V1.01.pdf- (243.45 KiB) Scaricato 36 volte
-

daniele1996
610 3 8 11 - Sostenitore

- Messaggi: 1554
- Iscritto il: 29 ago 2011, 11:29
0
voti
Il trasformatore di accoppiamento che stai utilizzando per trasferire il segnale audio potrebbe avere una impedenza non adatta e attenuare pesantemente.
In banda audio telefonica 300-3400 Hz ad esempio l' impedenza di riferimento è intorno ai 600 ohm.
Se hai modo di recuperare un modem per rete commutata (56k) potresti trovare un trasformatore di segnale più adatto alle tue esigenze.
Ciao
In banda audio telefonica 300-3400 Hz ad esempio l' impedenza di riferimento è intorno ai 600 ohm.
Se hai modo di recuperare un modem per rete commutata (56k) potresti trovare un trasformatore di segnale più adatto alle tue esigenze.
Ciao
600 Elettra
0
voti
Purtroppo non ho nulla di simile e ho anche difficoltà nel reperire questi componenti infatti ho usato due induttori per fare la prova...
-

daniele1996
610 3 8 11 - Sostenitore

- Messaggi: 1554
- Iscritto il: 29 ago 2011, 11:29
3 messaggi
• Pagina 1 di 1
Torna a Elettrotecnica generale
Chi c’è in linea
Visitano il forum: Nessuno e 86 ospiti

Elettrotecnica e non solo (admin)
Un gatto tra gli elettroni (IsidoroKZ)
Esperienza e simulazioni (g.schgor)
Moleskine di un idraulico (RenzoDF)
Il Blog di ElectroYou (webmaster)
Idee microcontrollate (TardoFreak)
PICcoli grandi PICMicro (Paolino)
Il blog elettrico di carloc (carloc)
DirtEYblooog (dirtydeeds)
Di tutto... un po' (jordan20)
AK47 (lillo)
Esperienze elettroniche (marco438)
Telecomunicazioni musicali (clavicordo)
Automazione ed Elettronica (gustavo)
Direttive per la sicurezza (ErnestoCappelletti)
EYnfo dall'Alaska (mir)
Apriamo il quadro! (attilio)
H7-25 (asdf)
Passione Elettrica (massimob)
Elettroni a spasso (guidob)
Bloguerra (guerra)


