Collegamento ventola
0
voti
Settali…perdonami…mi sono perso…mi diresti lo schema esatto che devo utilizzare??come collegare i cavi..
0
voti
Ciao,
mi riferisco allo schema in [ 57 ] e qui sotto te lo rimetto, ci trovi un piccolo particolare ed è sul filo viola, in questo ultimo non viene collegato, rimane libero . Lo schema è sempre quello, ma è per farti capire che il filo viola non è collegato.
Perché ??? Non lo so nemmeno io !
Mi ripeto, mi fai queste misure in Ohm: ( cambia la batteria nel multimetro! )
- Marrone > Grigio
- Marrone > Viola
Segui qui:
Un capo del condensatore sul nero.
L'altro capo sul grigio.
Dai tensione sul nero e sul blu.
Questa è una velocità
Dai tensione sul marrone e sul blu.
questa è l'altra velocità.
Riesci a mettere una lampada in serie el'amperometro? In serie al Blu.
Ho riguardato il tuo multimetro, ma non ha la possibilità di fare le misure di corrente in alternata. Se riesci a metterci la lampada.

mi riferisco allo schema in [ 57 ] e qui sotto te lo rimetto, ci trovi un piccolo particolare ed è sul filo viola, in questo ultimo non viene collegato, rimane libero . Lo schema è sempre quello, ma è per farti capire che il filo viola non è collegato.
Perché ??? Non lo so nemmeno io !
Mi ripeto, mi fai queste misure in Ohm: ( cambia la batteria nel multimetro! )
- Marrone > Grigio
- Marrone > Viola
Segui qui:
Un capo del condensatore sul nero.
L'altro capo sul grigio.
Dai tensione sul nero e sul blu.
Questa è una velocità
Dai tensione sul marrone e sul blu.
questa è l'altra velocità.
Riesci a mettere una lampada in serie e
Ho riguardato il tuo multimetro, ma non ha la possibilità di fare le misure di corrente in alternata. Se riesci a metterci la lampada.

Alex
https://www.facebook.com/Elettronicaeelettrotecnica
<< vedi di pigliare arditamente in mano, il dizionario che ti suona in bocca,
se non altro è schietto e paesano.
(Giuseppe Giusti) <<
https://www.facebook.com/Elettronicaeelettrotecnica
<< vedi di pigliare arditamente in mano, il dizionario che ti suona in bocca,
se non altro è schietto e paesano.
(Giuseppe Giusti) <<
0
voti
Intanto grazie perché sei stato esaustivo nel spiegarmi i collegamenti…
Cambiato le batterie e queste sono le misure :
GRIGIO / MARRONE 83
VIOLA / MARRONE 195
Sì riesco a mettere lampadina in serie..
Cambiato le batterie e queste sono le misure :
GRIGIO / MARRONE 83
VIOLA / MARRONE 195
Sì riesco a mettere lampadina in serie..
0
voti
Ma .... le altre misure che avevi fatto, con le nuove batterie, non cambiano ?
K
K
-

Kagliostro
6.396 4 5 7 - Master

- Messaggi: 4830
- Iscritto il: 19 set 2012, 11:32
0
voti
Sì …se vedi i messaggi indietro anche le altre tra cui grigio e marrone sempre 83
0
voti
Chissà se hai fatto il test con la rete elettrica.
Io in ogni modo mi trovo in difficoltà a capire le varie letture che ci dai.
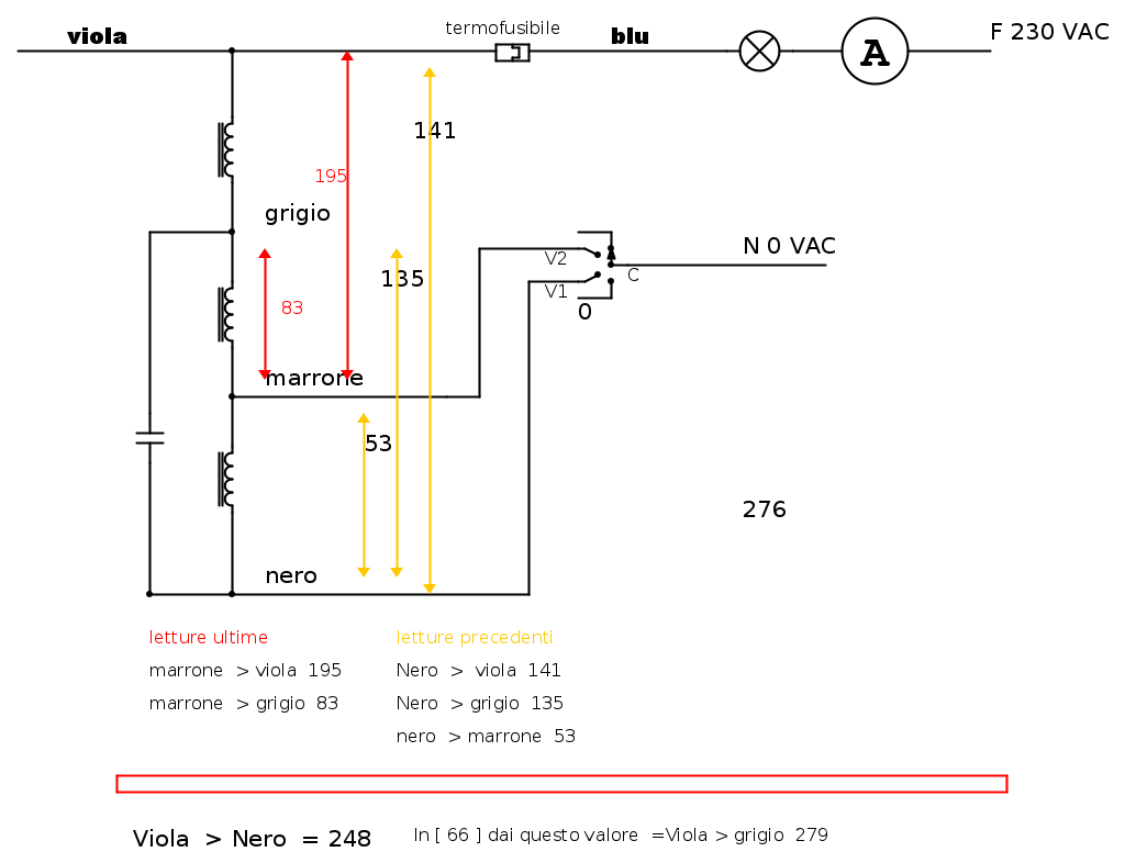
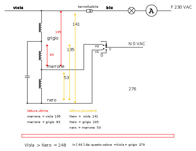
Ad esempio nell'ultimo post dai 195 Ohm tra viola e marrone, quando invece in un post precedente avevi dato 141 Ohm tra nero e viola che ha un avvolgimento in più e quindi dovrebbe dare un valore superiore a a 195.
Inoltre in [ 66 ] con lo strumento fai veder 279 Ohm tra grigio e viola.
Riesci a mettere in ordine questi valori ?
Io in ogni modo mi trovo in difficoltà a capire le varie letture che ci dai.
Ad esempio nell'ultimo post dai 195 Ohm tra viola e marrone, quando invece in un post precedente avevi dato 141 Ohm tra nero e viola che ha un avvolgimento in più e quindi dovrebbe dare un valore superiore a a 195.
Inoltre in [ 66 ] con lo strumento fai veder 279 Ohm tra grigio e viola.
Riesci a mettere in ordine questi valori ?
Alex
https://www.facebook.com/Elettronicaeelettrotecnica
<< vedi di pigliare arditamente in mano, il dizionario che ti suona in bocca,
se non altro è schietto e paesano.
(Giuseppe Giusti) <<
https://www.facebook.com/Elettronicaeelettrotecnica
<< vedi di pigliare arditamente in mano, il dizionario che ti suona in bocca,
se non altro è schietto e paesano.
(Giuseppe Giusti) <<
0
voti
Rifarò le misure…in ordine come scritto…ancora non ho avuto modo..lunedì torno e provo ..ma prima riposto tutte le misure…
Torna a Costruzione, riparazione, riutilizzo
Chi c’è in linea
Visitano il forum: Nessuno e 71 ospiti

Elettrotecnica e non solo (admin)
Un gatto tra gli elettroni (IsidoroKZ)
Esperienza e simulazioni (g.schgor)
Moleskine di un idraulico (RenzoDF)
Il Blog di ElectroYou (webmaster)
Idee microcontrollate (TardoFreak)
PICcoli grandi PICMicro (Paolino)
Il blog elettrico di carloc (carloc)
DirtEYblooog (dirtydeeds)
Di tutto... un po' (jordan20)
AK47 (lillo)
Esperienze elettroniche (marco438)
Telecomunicazioni musicali (clavicordo)
Automazione ed Elettronica (gustavo)
Direttive per la sicurezza (ErnestoCappelletti)
EYnfo dall'Alaska (mir)
Apriamo il quadro! (attilio)
H7-25 (asdf)
Passione Elettrica (massimob)
Elettroni a spasso (guidob)
Bloguerra (guerra)



