Buongiorno,
ho la necessità di dover selezionare i fet, in particolare è l'FT245, ma non credo abbia importanza rilevante un altro tipo.
Vengono montati su un circuito differenziale in ingresso su amplificatori audio, è un circuito che viene usato comunemente.
Il problema è che non tutti i fet hanno lo stesso guadagno ed usandone due non identici, mi crea dei problemi sugli stadi successivi. E' vero che potrei correggerli, ma preferisco dover lavorare sui fet, fino ad oggi con un po' di pazienza ho trovato la coppia adatta, però mi piacerebbe avere un'indicazione su uno strumento.
Ho provato a fare questo schema, ma non mi da i risultati voluti, hanno tutti lo stesso valore.
Come si può fare per ottenere dei rapporti precisi su ogni unità?
Il guadagno di un FET, come misurarlo ?
Moderatori:
carloc,
g.schgor,
BrunoValente,
IsidoroKZ
32 messaggi
• Pagina 1 di 4 • 1, 2, 3, 4
0
voti
Alex
https://www.facebook.com/Elettronicaeelettrotecnica
<< vedi di pigliare arditamente in mano, il dizionario che ti suona in bocca,
se non altro è schietto e paesano.
(Giuseppe Giusti) <<
https://www.facebook.com/Elettronicaeelettrotecnica
<< vedi di pigliare arditamente in mano, il dizionario che ti suona in bocca,
se non altro è schietto e paesano.
(Giuseppe Giusti) <<
1
voti
Potresti utilizzare un multimetro digitale in uA per vedere la corrente di Drain al variare della Vgs senza il transistor che potrebbe creare problemi.
Altrimenti puoi misurare la tensione sulla resistenza di Drain e risalire alla corrente.
Altrimenti mi sembra che
banjoman abbia un tracciacurve modificato per questo utilizzo.
Ciao
Altrimenti puoi misurare la tensione sulla resistenza di Drain e risalire alla corrente.
Altrimenti mi sembra che
Ciao
600 Elettra
1
voti
oppure potresti costruire un misuratore di Vgs in condizioni determinate (es. Vds=15V , Id=0,5mA)
-

SediciAmpere
4.187 5 5 8 - Master

- Messaggi: 4848
- Iscritto il: 31 ott 2013, 15:00
3
voti
Potresti provare una configurazione come questa (valori delle resistenze da adattare). Serve uno strumento a zero centrale o un multimetro digitale. Puoi usare un Fet fisso come riferimento e segnarti gli sbilanciamenti del secondo FET rispetto a quello fisso. Se tra quelli confrontati trovi due sbilanciamenti simili hai la tua coppia, altrimenti cambi il FET di riferimento e ricominci incrociando le dita
Dovrebbe funzionare.
Dovrebbe funzionare.
2
voti
Il mio tracciacurce modificato e' il LX130 di NE ma....occorrerebbe averlo!
Perche' invece non usi i dual matched jfet, come ad esempio il JFE2140 della TI?
Max
Perche' invece non usi i dual matched jfet, come ad esempio il JFE2140 della TI?
Max
Se funziona quasi bene, è tutto sbagliato. A.Savatteri/M.Mazza
0
voti
SediciAmpere ha scritto:oppure potresti costruire un misuratore di Vgs in condizioni determinate (es. Vds=15V , Id=0,5mA)
Hai uno schema da seguire?
stefanopc
Potresti utilizzare un multimetro digitale in uA per vedere la corrente di Drain al variare della Vgs senza il transistor che potrebbe creare problemi.
Altrimenti puoi misurare la tensione sulla resistenza di Drain e risalire alla corrente.
Altrimenti mi sembra che banjoman abbia un tracciacurve modificato per questo utilizzo.
Ciao
Potrebbe essere una strada, ma mi ci vuole uno schema.
Ora sono in difficoltà per trovare uno strumento con lo zero centrale e ce l'ho, ma non mi è semplice e potrei si usare un multimetro, ma volevo qualcosa di più stabile come strumento finito.
Non ho l'LX130 qundi devo trovare un'altra strada.
Per quanto riguarda il JFE2140, non lo posso utilizzare, perché l'apparecchio deve rimanere come l'originale.
E' una ditta che negli anni 90 ha fatto diversi apparecchi con questo sistema e siccome ancora oggi ce ne sono molti perché sempre validi, ma questo era un suo difetto che negli anni veniva fuori. Siccome la ditta esiste ancora oggi e devono affrontare e trovare la soluzione per la riparazione degli apparecchi che gli viene inviato per riparazione. Si tratta di sostituire i FET ed altri transistor più una piccola modifica che riscontrai utile già anni indietro.
Ora per questo che domani lo devo riconsegnare farò come sempre, ma volevo portarmi avanti per i prossimi, ora tutti i mesi si fanno vivi anche con due apparecchi
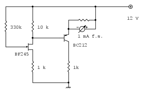
Stasera provo a misurare la corrente di Drain senza l'uso del transistor, vedi schema in [ 1 ].
Alex
https://www.facebook.com/Elettronicaeelettrotecnica
<< vedi di pigliare arditamente in mano, il dizionario che ti suona in bocca,
se non altro è schietto e paesano.
(Giuseppe Giusti) <<
https://www.facebook.com/Elettronicaeelettrotecnica
<< vedi di pigliare arditamente in mano, il dizionario che ti suona in bocca,
se non altro è schietto e paesano.
(Giuseppe Giusti) <<
1
voti
Stasera provo a misurare la corrente di Drain senza l'uso del transistor, vedi schema in [ 1 ].
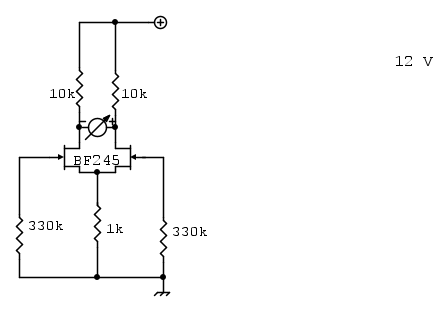
Probabilmente il BF245 satura, perché la tensione di gate arriva al +V alimentazione. La corrente nel gate è nulla, quindi non c'è caduta ai capi della R 330 K ohm.
Realizza un partitore di tensione (dividi per due) con due 330k.
Per la misura della corrente puoi misurare la tensione ai capi della R 10 k ohm. Un multimetro moderno ha una resistenza di ingresso dell'ordine di 10 Mohm. I = V/R10k .
0
voti
Questo è lo schema del circuito interessato
Alex
https://www.facebook.com/Elettronicaeelettrotecnica
<< vedi di pigliare arditamente in mano, il dizionario che ti suona in bocca,
se non altro è schietto e paesano.
(Giuseppe Giusti) <<
https://www.facebook.com/Elettronicaeelettrotecnica
<< vedi di pigliare arditamente in mano, il dizionario che ti suona in bocca,
se non altro è schietto e paesano.
(Giuseppe Giusti) <<
32 messaggi
• Pagina 1 di 4 • 1, 2, 3, 4
Chi c’è in linea
Visitano il forum: Nessuno e 262 ospiti

Elettrotecnica e non solo (admin)
Un gatto tra gli elettroni (IsidoroKZ)
Esperienza e simulazioni (g.schgor)
Moleskine di un idraulico (RenzoDF)
Il Blog di ElectroYou (webmaster)
Idee microcontrollate (TardoFreak)
PICcoli grandi PICMicro (Paolino)
Il blog elettrico di carloc (carloc)
DirtEYblooog (dirtydeeds)
Di tutto... un po' (jordan20)
AK47 (lillo)
Esperienze elettroniche (marco438)
Telecomunicazioni musicali (clavicordo)
Automazione ed Elettronica (gustavo)
Direttive per la sicurezza (ErnestoCappelletti)
EYnfo dall'Alaska (mir)
Apriamo il quadro! (attilio)
H7-25 (asdf)
Passione Elettrica (massimob)
Elettroni a spasso (guidob)
Bloguerra (guerra)








