Ma il Jfet che utilizzi è il Bf245A, B o C?
Dopo ti metto uno schemino di come si potrebbe fare.
Ciao Alex
Il guadagno di un FET, come misurarlo ?
Moderatori:
carloc,
g.schgor,
BrunoValente,
IsidoroKZ
32 messaggi
• Pagina 2 di 4 • 1, 2, 3, 4
0
voti
Noo dài, ho quasi 80 anni, non mi fare spendere dei soldi in strumenti
Trovami una soluzione più economica. Strumenti e materiale ne ho tantissimo, anzi lo sto dando via a pochissimo, se ti interessa od ad altri fatevi sotto!
Trovami una soluzione più economica. Strumenti e materiale ne ho tantissimo, anzi lo sto dando via a pochissimo, se ti interessa od ad altri fatevi sotto!
Alex
https://www.facebook.com/Elettronicaeelettrotecnica
<< vedi di pigliare arditamente in mano, il dizionario che ti suona in bocca,
se non altro è schietto e paesano.
(Giuseppe Giusti) <<
https://www.facebook.com/Elettronicaeelettrotecnica
<< vedi di pigliare arditamente in mano, il dizionario che ti suona in bocca,
se non altro è schietto e paesano.
(Giuseppe Giusti) <<
2
voti
Ciao
setteali, guarda se ti potrebbe servire questo tracciacurve semicostruito lx1538 di Nuova Elettronica per modificarlo a tuo piacimento a me e stato regalato cosi ma sta a prendere la polvere mentre a te potrebbe servire.
-

elektronik
7.800 4 6 7 - Master

- Messaggi: 3836
- Iscritto il: 12 mag 2015, 22:26
0
voti
stefanopc ha scritto:Ma il Jfet che utilizzi è il Bf245A, B o C?
Dopo ti metto uno schemino di come si potrebbe fare.
Ciao Alex
E' il BF245B
Ciao Stefano.
Alex
https://www.facebook.com/Elettronicaeelettrotecnica
<< vedi di pigliare arditamente in mano, il dizionario che ti suona in bocca,
se non altro è schietto e paesano.
(Giuseppe Giusti) <<
https://www.facebook.com/Elettronicaeelettrotecnica
<< vedi di pigliare arditamente in mano, il dizionario che ti suona in bocca,
se non altro è schietto e paesano.
(Giuseppe Giusti) <<
0
voti
elektronik ha scritto:Ciaosetteali, guarda se ti potrebbe servire questo tracciacurve semicostruito lx1538 di Nuova Elettronica per modificarlo a tuo piacimento a me e stato regalato cosi ma sta a prendere la polvere mentre a te potrebbe servire.
Ciao, potrebbe essere interessante, ma non so se fa al caso mio, guarderò il modello.

Alex
https://www.facebook.com/Elettronicaeelettrotecnica
<< vedi di pigliare arditamente in mano, il dizionario che ti suona in bocca,
se non altro è schietto e paesano.
(Giuseppe Giusti) <<
https://www.facebook.com/Elettronicaeelettrotecnica
<< vedi di pigliare arditamente in mano, il dizionario che ti suona in bocca,
se non altro è schietto e paesano.
(Giuseppe Giusti) <<
0
voti
forse fa proprio al caso tuo: https://www.worldradiohistory.com/INTER ... ca-214.pdf
-

elektronik
7.800 4 6 7 - Master

- Messaggi: 3836
- Iscritto il: 12 mag 2015, 22:26
3
voti
I jfet hanno due parametri importanti, la tensione di pinch-off e la corrente di saturazione, entrambe con ampi intervalli di incertezza. Questi due parametri sono in parte correlati, per cui se trovi due transistori con la stessa corrente di saturazione potrebbero essere abbastanza simili.
La corrente di saturazione la puoi misurare collegando gate e source insieme, misurando la corrente di drain applicando 10V fra drain e source.
La corrente di saturazione la puoi misurare collegando gate e source insieme, misurando la corrente di drain applicando 10V fra drain e source.
Per usare proficuamente un simulatore, bisogna sapere molta più elettronica di lui
Plug it in - it works better!
Il 555 sta all'elettronica come Arduino all'informatica! (entrambi loro malgrado)
Se volete risposte rispondete a tutte le mie domande
Plug it in - it works better!
Il 555 sta all'elettronica come Arduino all'informatica! (entrambi loro malgrado)
Se volete risposte rispondete a tutte le mie domande
1
voti
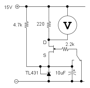
Io pensavo a qualcosa di questo genere anche basandomi sul messaggio precedente di
Pochi componenti e un multimetro per misurare la tensione su Rd.
Con il deviatore metti la Vgs o a 0v o a -2.5V e fai le due letture.
La prima sarà circa 2V e la seconda 0.2V col BF245B.
Se hai un alimentatore duale con uscite indipendenti a 15V e 2.5V puoi eliminare il regolatore di tensione e la resistenza che lo polarizza da 4.7K.
Ciao Alex
P.S. La misura va fatta con una certa rapidita (a Vgs 0V ) altrimenti il componente si scalda e la lettura varia di conseguenza.
Dati di progetto ricavati da datasheet nxp.
https://www.nxp.com/docs/en/data-sheet/BF245A-B-C.pdf
600 Elettra
2
voti
Sono d'accordo con quanto detto da
IsidoroKZ.
Nella mia esperienza, lavorando coi Tek e usando moltissimo il tracciacurve, posso dire che
e
hanno approssimativamente una relazione di tipo proporzionale.
Una
elevata ha generalmente una
di valore maggiore.
Tuttavia, poiché la relazione dipende dalla geometria di fabbricazione del JFET, non esiste una costante di proporzionalità unica.
Si puo' dire che, per la dispersione di
e
riportati sul datasheet di un particolare JFET, valori bassi di un parametro tendono a correlarsi con valori bassi dell'altro parametro, e lo stesso vale per valori più alti. Alcuni datasheet mostravano un grafico tipico di questa relazione.
Questo quando ancora i datasheet erano "abbondanti" e non le solite scarne due paginette o poco piu' di oggi.... decenni fa diciamo
Ah, dimenticavo: un avvertimento.
I JFET "reali" presentano parametri estremamente (selvaggiamente) variabili. A meno che non siano selezionati con cura, aspettatevi di vedere facilmente tolleranze di -50%+100% sui due parametri sopracitati.
Questo tende a favorire l'uso dei JFET per la commutazione piuttosto che per gli amplificatori in molte applicazioni.
Pero' spesso docenti e professori sembrano "sorvolare" su questa realtà.
Nella mia esperienza, lavorando coi Tek e usando moltissimo il tracciacurve, posso dire che

e
hanno approssimativamente una relazione di tipo proporzionale.Una
elevata ha generalmente una
di valore maggiore.Tuttavia, poiché la relazione dipende dalla geometria di fabbricazione del JFET, non esiste una costante di proporzionalità unica.
Si puo' dire che, per la dispersione di
e
riportati sul datasheet di un particolare JFET, valori bassi di un parametro tendono a correlarsi con valori bassi dell'altro parametro, e lo stesso vale per valori più alti. Alcuni datasheet mostravano un grafico tipico di questa relazione.Questo quando ancora i datasheet erano "abbondanti" e non le solite scarne due paginette o poco piu' di oggi.... decenni fa diciamo
Ah, dimenticavo: un avvertimento.
I JFET "reali" presentano parametri estremamente (selvaggiamente) variabili. A meno che non siano selezionati con cura, aspettatevi di vedere facilmente tolleranze di -50%+100% sui due parametri sopracitati.
Questo tende a favorire l'uso dei JFET per la commutazione piuttosto che per gli amplificatori in molte applicazioni.
Pero' spesso docenti e professori sembrano "sorvolare" su questa realtà.
Se funziona quasi bene, è tutto sbagliato. A.Savatteri/M.Mazza
0
voti
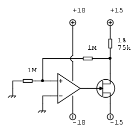
setteali ha scritto:SediciAmpere ha scritto:oppure potresti costruire un misuratore di Vgs in condizioni determinate (es. Vds=15V , Id=0,5mA)
Hai uno schema da seguire?![]()
Ecco:
Tra il gate e il source può essere messo anche un voltmetro analogico
Le tensioni di +/- 18V non sono critiche, possono essere anche non stabilizzate
-

SediciAmpere
4.187 5 5 8 - Master

- Messaggi: 4848
- Iscritto il: 31 ott 2013, 15:00
32 messaggi
• Pagina 2 di 4 • 1, 2, 3, 4
Chi c’è in linea
Visitano il forum: Nessuno e 109 ospiti

Elettrotecnica e non solo (admin)
Un gatto tra gli elettroni (IsidoroKZ)
Esperienza e simulazioni (g.schgor)
Moleskine di un idraulico (RenzoDF)
Il Blog di ElectroYou (webmaster)
Idee microcontrollate (TardoFreak)
PICcoli grandi PICMicro (Paolino)
Il blog elettrico di carloc (carloc)
DirtEYblooog (dirtydeeds)
Di tutto... un po' (jordan20)
AK47 (lillo)
Esperienze elettroniche (marco438)
Telecomunicazioni musicali (clavicordo)
Automazione ed Elettronica (gustavo)
Direttive per la sicurezza (ErnestoCappelletti)
EYnfo dall'Alaska (mir)
Apriamo il quadro! (attilio)
H7-25 (asdf)
Passione Elettrica (massimob)
Elettroni a spasso (guidob)
Bloguerra (guerra)






