Cos'è ElectroYou | Login Iscriviti

ElectroYou - la comunità dei professionisti del mondo elettrico

Collegamento differenziale con magnetotermico

Progettazione, esercizio, manutenzione, sicurezza, leggi, normative...

Moderatori: Foto Utentesebago, Foto UtenteMASSIMO-G, Foto Utentelillo, Foto UtenteMike

1
voti

[11] Re: Collegamento differenziale con magnetotermico

Messaggioda Foto UtenteGioArca67 » 19 nov 2025, 16:07

Non deve e non può cambiare nulla.

per un corto a valle 1) e 2) sono del tutto equivalenti agli occhi del differenziale puro, in ogni caso viene percorso dalla stessa corrente per lo stesso periodo di tempo
Il caso del blocco differenziale è completamente diverso perché nel blocco non ci sono contatti, ma come un qualsiasi relè differenziale agisce meccanicamente (o al limite elettronicamente) sull'interruttore associato provocandone lo scatto.

Perché hai dubbi?
Come li metteresti?
Avatar utente
Foto UtenteGioArca67
4.580 4 6 9
Master EY
Master EY
 
Messaggi: 4592
Iscritto il: 12 mar 2021, 9:36

0
voti

[12] Re: Collegamento differenziale con magnetotermico

Messaggioda Foto UtenteStefanoSunda » 19 nov 2025, 16:13

Perché solo in quella configurazione (MT a monte e differenziale a valle) si forma un blocco coordinato.
Se il magnetotermico è a monte del differenziale:
il MT interrompe i corti
il differenziale non subisce la corrente di corto oltre i limiti, perché il MT lo “protegge”.
Se inverti l’ordine (differenziale e MT):
NON esiste protezione garantita
il differenziale deve sopravvivere da solo al picco di corto.
È una condizione non consigliata e spesso non conforme alle note di coordinamento dei costruttori.
Avatar utente
Foto UtenteStefanoSunda
2.885 3 6 10
Master
Master
 
Messaggi: 1964
Iscritto il: 16 set 2010, 19:29

1
voti

[13] Re: Collegamento differenziale con magnetotermico

Messaggioda Foto UtenteSediciAmpere » 19 nov 2025, 16:27

Se sono in serie sono in ogni caso attraversati dalla stessa corrente, a prescindere a chi dei due interrompe
E' consigliabile mettere prima il magnetotermico perché, per quanto improbabile, è più rischioso che si presenti un cortocircuito nel cablaggio all'interno del quadro, che qualcuno ci metta un dito.
Se si tratta di un magnetotermico con blocco differenziale attaccato, per me costituiscono un unico dispositivo
Avatar utente
Foto UtenteSediciAmpere
4.187 5 5 8
Master
Master
 
Messaggi: 4848
Iscritto il: 31 ott 2013, 15:00

0
voti

[14] Re: Collegamento differenziale con magnetotermico

Messaggioda Foto UtenteStefanoSunda » 19 nov 2025, 16:37

Ancora...
Icw: È la corrente massima di corto circuito che il differenziale (puro) può sopportare per un certo tempo, senza danneggiarsi, mentre NON interrompe il guasto.
È una caratteristica meccanica/termica del differenziale.
Il tempo tipico dichiarato è 10 ms (un semiperiodo della rete) oppure 1 secondo per i dispositivi industriali.
Significa: “Se passa un corto di questo valore per questo tempo, il differenziale non si rompe.”
Inc: Corrente di non intervento in caso di corto circuito.
È la corrente di corto alla quale il differenziale NON deve scattare (cioè la parte magnetica NON deve intervenire), perché non è lui a dover interrompere il corto.
È una caratteristica del sistema differenziale: “Fino a questa corrente il differenziale non si attiva come protezione magnetica.”
I differenziali puri non hanno potere di interruzione, perciò non devono reagire al corto: l’intervento deve venir fatto dal magnetotermico coordinato.
Differenza rapida: Sigla Significato A cosa serve In pratica Icw Corrente di breve durata sopportabile Stabilità termica e meccanica; Dice se il differenziale resiste al corto in attesa dell'intervento del MT
Inc: Corrente di non intervento Stabilità funzionale Dice fino a quale corrente di corto il differenziale non scatta.
Ricorda la regola d’oro
Il differenziale non deve interrompere correnti di corto deve solo resistere fino all’apertura del magnetotermico.
Avatar utente
Foto UtenteStefanoSunda
2.885 3 6 10
Master
Master
 
Messaggi: 1964
Iscritto il: 16 set 2010, 19:29

0
voti

[15] Re: Collegamento differenziale con magnetotermico

Messaggioda Foto UtenteGioArca67 » 19 nov 2025, 16:56

StefanoSunda ha scritto:Se inverti l’ordine (differenziale e MT):
NON esiste protezione garantita
il differenziale deve sopravvivere da solo al picco di corto.


Quindi ritieni che uno schema del genere non sia a norma?
Avatar utente
Foto UtenteGioArca67
4.580 4 6 9
Master EY
Master EY
 
Messaggi: 4592
Iscritto il: 12 mar 2021, 9:36

0
voti

[16] Re: Collegamento differenziale con magnetotermico

Messaggioda Foto UtenteGioArca67 » 19 nov 2025, 17:01

StefanoSunda ha scritto:Ricorda la regola d’oro
Il differenziale non deve interrompere correnti di corto deve solo resistere fino all’apertura del magnetotermico.

Tutti d'accordo.
Ma non capisco cosa c'entri tutto il tuo discorso con l'ordine sequenziale fra i due.
Nota: abbiamo supposto che un corto circuito fra i due dispositivi (MT e DIFF) sia trascurabile.
Avatar utente
Foto UtenteGioArca67
4.580 4 6 9
Master EY
Master EY
 
Messaggi: 4592
Iscritto il: 12 mar 2021, 9:36

0
voti

[17] Re: Collegamento differenziale con magnetotermico

Messaggioda Foto UtenteGioArca67 » 19 nov 2025, 17:07

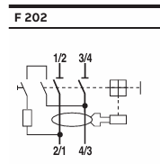
Faccio poi una piccola ammenda.
I disegni precedenti non sono del tutto corretti come simbologia, in quanto il simbolo del differenziale è sbagliato (non ci dovrebbe essere la crocetta sul contatto), però così sono su FidocaJ....

Esempio (più o meno) corretto:
Screenshot 2025-11-19 143812.png
Dal datasheet Siemens
Screenshot 2025-11-19 143812.png (35.05 KiB) Osservato 1007 volte


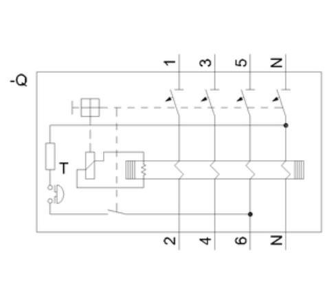
altro:
Screenshot 2025-11-19 160526.png
Dal datasheet ABB
Screenshot 2025-11-19 160526.png (5.94 KiB) Osservato 1007 volte
Avatar utente
Foto UtenteGioArca67
4.580 4 6 9
Master EY
Master EY
 
Messaggi: 4592
Iscritto il: 12 mar 2021, 9:36

0
voti

[18] Re: Collegamento differenziale con magnetotermico

Messaggioda Foto UtenteSediciAmpere » 19 nov 2025, 18:22

La crocetta indica che può interrompere un corto?
Avatar utente
Foto UtenteSediciAmpere
4.187 5 5 8
Master
Master
 
Messaggi: 4848
Iscritto il: 31 ott 2013, 15:00

0
voti

[19] Re: Collegamento differenziale con magnetotermico

Messaggioda Foto UtenteGioArca67 » 19 nov 2025, 18:26

La CEI 3-19 riporta che il segno X significa "Interruttore di potenza"
Avatar utente
Foto UtenteGioArca67
4.580 4 6 9
Master EY
Master EY
 
Messaggi: 4592
Iscritto il: 12 mar 2021, 9:36

0
voti

[20] Re: Collegamento differenziale con magnetotermico

Messaggioda Foto Utentecianfa72 » 19 nov 2025, 19:25

SediciAmpere ha scritto:Se sono in serie sono in ogni caso attraversati dalla stessa corrente, a prescindere a chi dei due interrompe

Si certo, e quindi il blocco "magnetotermico con in cascata differenziale puro" o viceversa sono di fatto equivalenti dal punto di vista di un cortocircuto/assorbimento inatteso che avvenga a valle del blocco stesso.

SediciAmpere ha scritto:E' consigliabile mettere prima il magnetotermico perché, per quanto improbabile, è più rischioso che si presenti un cortocircuito nel cablaggio all'interno del quadro, che qualcuno ci metta un dito.

Se capisco bene l'idea e' la seguente: in un quadro elettrico quello che si teme maggiormente e' un possibile cortocircuito nel cablaggio interno al quadro stesso per cui, mettendo il magnetotermico in testa, questo lo interromperebbe con i suoi tempi d'intervento. Meno probabile/rischioso e' invece che ci sia una dispersione verso terra, per es dovuta a qualcuno che ci mette un dito.... [-X
Avatar utente
Foto Utentecianfa72
56 3 7
Stabilizzato
Stabilizzato
 
Messaggi: 408
Iscritto il: 23 mar 2011, 16:07

PrecedenteProssimo

Torna a Impianti, sicurezza e quadristica

Chi c’è in linea

Visitano il forum: Nessuno e 115 ospiti