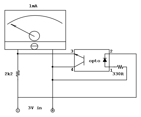
buon giorno a tutti, datosi che avevo difficoltà a testare gli optocoupler direttamente su circuiti elettronici, mi son messo a testare a provare vari circuiti, purtroppo nessuno di questi progetti riusciva a risolvere questo problema, ieri ho costruito questo circuito che mi sembra un circuito diverso da tutti gli altri. Non sono capace a fare calcoli ma le idee non mi mancano e quindi per intuizione dopo varie prove ho fatto questo circuito, è riuscito a testare un optocoupler 4 pin direttamente su scheda, con gli altri tester quando collegavo i pin del transisto 3 e 4 si accendeva il led prima di dare densione ai pin 1 e 2. Con questo circuito la lancetta dello strumentino per prova db resta ferma, ma quando si da tensione ai pin 1 e 2 si muove verso sinistra e quindi capisco che il componente e buono mi piacerebbe sapere cosa ne pensate e sarei felice se qualcuno potesse aiutarmi a migliorarlo.
Aiuto miglioramento tester optocoupler in circuit
6 messaggi
• Pagina 1 di 1
0
voti
Lo strumento se è un millamperometro sarebbe da mettere in serie invece che in parallelo..
Forse è voltmetro?
In più azerei la tensione a 12V e di conseguenza anche il valore delle resistenze.
Ciao
Forse è voltmetro?
In più azerei la tensione a 12V e di conseguenza anche il valore delle resistenze.
Ciao
600 Elettra
0
voti
stefanopc ha scritto:Lo strumento se è un millamperometro sarebbe da mettere in serie invece che in parallelo..
Forse è voltmetro?
Ciao Stefano, no non è un voltometro sopra c'è scritto Frequency e uno strumentino Vmeter
Ci proverò, in realtà dei conti volevo creare un circuito che si vedesse una buona escursione della lancetta dello strumento.e questo già lo fa, ho provato a metterlo in serie a mo di Ohmetro ma l'escursione e scarsa e non riesci a percepire bene il movimento. Grazie per il tuo aiutostefanopc ha scritto:In più azerei la tensione a 12V e di conseguenza anche il valore delle resistenze.
Ciao
-

elektronik
7.800 4 6 7 - Master

- Messaggi: 3836
- Iscritto il: 12 mag 2015, 22:26
0
voti
Non mi piace l'idea di aumentare la tensione, se stiamo parlando di test IN CIRCUIT alla cieca, ovvero senza conoscere lo schema elettico; non è detto che il restante Hardware possa tollerare quella tensione.
Per esempio, risolvere un problema ho dovuto far questo circuito:
Cosa succederebbe testando a 12V?
Probabilmente nulla, essendo il resto spento, ma mi spiacerebbe essere contraddetto. Se possibile preferirei un approccio più "safe"...
Per esempio, risolvere un problema ho dovuto far questo circuito:
Cosa succederebbe testando a 12V?
Probabilmente nulla, essendo il resto spento, ma mi spiacerebbe essere contraddetto. Se possibile preferirei un approccio più "safe"...
- Codice: Seleziona tutto
[code=php]per il codice a colori[/code]
0
voti
Ho capito solo ora che si parlava di test senza smontare il componente.
Cancelliamo sicuramente la ipotesi di alzare la tensione.
In questo caso piuttosto sarebbe meglio alimentare il diodo a corrente costante.
In uscita invece la verifica dipende da molti fattori.
Una ulteriore osservazione da considerare sarebbe quella di avere due alimentazioni galvanicamente isolate lato diodo e lato fototransistor.
Ci possono essere configurazioni di utilizzo molto particolari che possono mettere in difficoltà la versione ad alimentazione singola.
La verifica in circuit comporta una discreta percentuale di rischio di insuccesso specialmente con alimentazione non disaccoppiate.
Se sul lato fototransistor se non si conosce il circuito "attorno" al componente non è proprio semplice ottenere una buona diagnosi.
Tornando allo strumento dello schema del primo messaggio secondo me deve essere un voltmetro con 3V fondo scala.
Il pilotaggio del transistor lo farei anche in questo caso con un astabile (555) con periodo di qualche secondo .
Ciao Antonio.
Cancelliamo sicuramente la ipotesi di alzare la tensione.
In questo caso piuttosto sarebbe meglio alimentare il diodo a corrente costante.
In uscita invece la verifica dipende da molti fattori.
Una ulteriore osservazione da considerare sarebbe quella di avere due alimentazioni galvanicamente isolate lato diodo e lato fototransistor.
Ci possono essere configurazioni di utilizzo molto particolari che possono mettere in difficoltà la versione ad alimentazione singola.
La verifica in circuit comporta una discreta percentuale di rischio di insuccesso specialmente con alimentazione non disaccoppiate.
Se sul lato fototransistor se non si conosce il circuito "attorno" al componente non è proprio semplice ottenere una buona diagnosi.
Tornando allo strumento dello schema del primo messaggio secondo me deve essere un voltmetro con 3V fondo scala.
Il pilotaggio del transistor lo farei anche in questo caso con un astabile (555) con periodo di qualche secondo .
Ciao Antonio.
600 Elettra
0
voti
Il mio circuitino non mette a repentaglio alcun componente perché la tensione ai capi che testatno il transistor dell'optocoupler ci sono ca. 0.9V
-

elektronik
7.800 4 6 7 - Master

- Messaggi: 3836
- Iscritto il: 12 mag 2015, 22:26
6 messaggi
• Pagina 1 di 1
Torna a Costruzione, riparazione, riutilizzo
Chi c’è in linea
Visitano il forum: Nessuno e 44 ospiti

Elettrotecnica e non solo (admin)
Un gatto tra gli elettroni (IsidoroKZ)
Esperienza e simulazioni (g.schgor)
Moleskine di un idraulico (RenzoDF)
Il Blog di ElectroYou (webmaster)
Idee microcontrollate (TardoFreak)
PICcoli grandi PICMicro (Paolino)
Il blog elettrico di carloc (carloc)
DirtEYblooog (dirtydeeds)
Di tutto... un po' (jordan20)
AK47 (lillo)
Esperienze elettroniche (marco438)
Telecomunicazioni musicali (clavicordo)
Automazione ed Elettronica (gustavo)
Direttive per la sicurezza (ErnestoCappelletti)
EYnfo dall'Alaska (mir)
Apriamo il quadro! (attilio)
H7-25 (asdf)
Passione Elettrica (massimob)
Elettroni a spasso (guidob)
Bloguerra (guerra)




