da
setteali » 19 nov 2025, 11:10
Ciao Bruno,
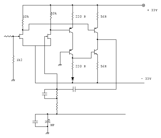
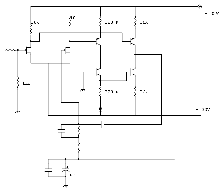
mi fa piacere leggerti, ti metto la foto del circuito intero, solo della parte di potenza, dove si vede le polarizzazioni, una è in CA e l'altra in DC, non le avevo scritte sul mio precedente schema per mia velocizzazione. Ma comunque

non è uno sschema ricavato, ma è l'originale della ditta costruttrice.
Se vuoi ti mando tutto lo schema completo, sono 7 disegni.
I fet sono i BF245B ; è vero che sui disegni in origine montavano i BF245A , ma hanno sempre usato i B, io ho i resti dell'acquisti che avevano fatto all'epoca, sono dei FET NOS e ne ho molti, ( forse li ho mandati anche a te ).