Cos'è ElectroYou | Login Iscriviti

ElectroYou - la comunità dei professionisti del mondo elettrico

Cancello battente a 2 ante con serratura elettromagnetica

Piccole automazioni, installazioni elettroniche e domotica
0
voti

[21] Re: Cancello battente a 2 ante con serratura elettromagnetic

Messaggioda Foto Utentesetteali » 19 nov 2025, 14:28

Megatitano ha scritto:....
Buongiorno, si concordo perché ora che l'ho visto si in realtà ne avevo visti di simili, ma ti posso assicurare che nessuno di quei posti mi ha saputo consigliare, tutti si interrogavano sul fatto che era alimentato a 220 V e doveva interrompere un circuito a 12V.
Non saprei che dire :shock:



E' da non credere a quello che hai scritto! Però ci credo !!
E' questo il livello dei negozianti del settore?

Dimmi se lo trovi, altrimenti te ne spedisco uno io :D
O_/
Alex
https://www.facebook.com/Elettronicaeelettrotecnica

<< vedi di pigliare arditamente in mano, il dizionario che ti suona in bocca,
se non altro è schietto e paesano.
(Giuseppe Giusti) <<
Avatar utente
Foto Utentesetteali
11,9k 5 5 9
Master
Master
 
Messaggi: 5921
Iscritto il: 15 dic 2013, 21:09

0
voti

[22] Re: Cancello battente a 2 ante con serratura elettromagnetic

Messaggioda Foto Utenteclaudiocedrone » 19 nov 2025, 16:12

Se dico una cosa simile al titolare di ElettroRea mi spara :mrgreen:
Ipotesi, lo schema non lo hanno praticamente guardato (hanno fatto finta, solo una occhiata con sufficienza) e fuorviati dalla specifica "12 V" non hanno saputo che pesci pigliare.
"Non farei mai parte di un club che accettasse la mia iscrizione" (G. Marx)
Avatar utente
Foto Utenteclaudiocedrone
21,3k 4 7 9
Master EY
Master EY
 
Messaggi: 15302
Iscritto il: 18 gen 2012, 13:36

0
voti

[23] Re: Cancello battente a 2 ante con serratura elettromagnetic

Messaggioda Foto Utenteclaudiocedrone » 19 nov 2025, 16:35

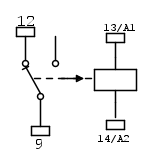
Foto UtenteMegatitano, giusto per fare chiarezza i relè di cui avevi postato le foto non vanno bene perché il primo è uno SSR o "relè statico" ovvero un dispositivo elettronico che interrompe la medesima tensione con cui è alimentato, non offre ciò che in gergo si definisce "contatto pulito", il secondo è un relè a impulsi detto anche passo-passo che essendo elettromeccanico ha sì un contatto pulito ma che è un interruttore si apre e si chiude in sequenza ad ogni successivo impulso di comando.
Per la tua applicazione serve un relè (elettromeccanico) con contatto di scambio con bobina alimentata a 230 V in alternata, al suo contatto di scambio che altro non è che un deviatore può essere applicato qualsiasi valore di tensione (nei limiti ammessi dalla sua costruzione) sia in alternata che in continua fermo restando che vi sono dei limiti di intensità di corrente ammessi diversi nei due casi, diversi poiché interrompere la corrente continua è assai più gravoso che interrompere quella alternata (nel caso specifico della serratura l'intensità e molto bassa quindi non ci sono problemi).
"Non farei mai parte di un club che accettasse la mia iscrizione" (G. Marx)
Avatar utente
Foto Utenteclaudiocedrone
21,3k 4 7 9
Master EY
Master EY
 
Messaggi: 15302
Iscritto il: 18 gen 2012, 13:36

0
voti

[24] Re: Cancello battente a 2 ante con serratura elettromagnetic

Messaggioda Foto UtenteMegatitano » 20 nov 2025, 15:30

Grazie per la Spiegazione ho compreso meglio.
ho trovato in un piccolo negozietto questo relè meccanico che vi posto, questo tipo va bene?
se va bene avrei pensato di inserirlo in questo modo seguendo lo schema che gentilmente mi avete fornito, può andare bene così? o lo collego male?
Grazie
Allegati
Schema mio.jpg
Relè2.jpg
Relè1.jpg
Ultima modifica di Foto Utenteclaudiocedrone il 21 nov 2025, 0:56, modificato 1 volta in totale.
Motivazione: Eliminata citazione integrale del post immediatamente precedente
Avatar utente
Foto UtenteMegatitano
0 3
 
Messaggi: 14
Iscritto il: 13 nov 2025, 12:10

0
voti

[25] Re: Cancello battente a 2 ante con serratura elettromagnetic

Messaggioda Foto UtenteStefanoSunda » 20 nov 2025, 16:39

Si il relè va bene. Allora dal lampeggiante morsetti 20 21 vanno a collegare allo zoccolo A1 A2 il comune penso che sia giusto (non si vede bene, e il filo dalla serratura, non mi sembra collegato NC mi sembra che sia al No aperto. Verifica se è giusto, o lo devi spostare. Per il resto sei stato bravo.
Avatar utente
Foto UtenteStefanoSunda
2.880 3 6 10
Master
Master
 
Messaggi: 1962
Iscritto il: 16 set 2010, 19:29

0
voti

[26] Re: Cancello battente a 2 ante con serratura elettromagnetic

Messaggioda Foto UtenteMegatitano » 20 nov 2025, 19:28

nella fretta nel disegno ho messo al contrario i fili che vanno al COM e al NC , anche se credo che non cambi il risultato in fondo, comunque rispetterò l'ordine originale invertendoli
Allegati
Schema mio 2.jpg
Avatar utente
Foto UtenteMegatitano
0 3
 
Messaggi: 14
Iscritto il: 13 nov 2025, 12:10

0
voti

[27] Re: Cancello battente a 2 ante con serratura elettromagnetic

Messaggioda Foto UtenteMegatitano » 20 nov 2025, 19:30

StefanoSunda ha scritto:Si il relè va bene. Allora dal lampeggiante morsetti 20 21 vanno a collegare allo zoccolo A1 A2 il comune penso che sia giusto (non si vede bene, e il filo dalla serratura, non mi sembra collegato NC mi sembra che sia al No aperto. Verifica se è giusto, o lo devi spostare. Per il resto sei stato bravo.

Comunque colgo l'occasione per Ringraziarvi Tutti per l'aiuto che è stato Essenziale, professionale e risolutivo, nonchè per la pazienza dimostrata.
Grazie
Avatar utente
Foto UtenteMegatitano
0 3
 
Messaggi: 14
Iscritto il: 13 nov 2025, 12:10

0
voti

[28] Re: Cancello battente a 2 ante con serratura elettromagnetic

Messaggioda Foto UtenteStefanoSunda » 20 nov 2025, 19:34

No avevi collegato il contatto aperto, ora ho visto che hai spostato il filo al contatto NC (normalmente chiuso) Allora hai provato tutto? Accensione dell'alimentazione a 12V, la S. Magnetica si chiude. Ora quando dai il comando per aprire dovrebbe aprire la serratura e dare inizio all'apertura delle ante cancello.
Avatar utente
Foto UtenteStefanoSunda
2.880 3 6 10
Master
Master
 
Messaggi: 1962
Iscritto il: 16 set 2010, 19:29

0
voti

[29] Re: Cancello battente a 2 ante con serratura elettromagnetic

Messaggioda Foto Utenteclaudiocedrone » 21 nov 2025, 1:10

Foto UtenteMegatitano comunque se interverrai nuovamente in questo o altri argomenti ti invito a leggere e soprattutto rispettare il regolamento di EY, se rileggi il thread vedrai che ho modificato alcuni tuoi post.
Per il resto bene che tu abbia risolto :ok:
"Non farei mai parte di un club che accettasse la mia iscrizione" (G. Marx)
Avatar utente
Foto Utenteclaudiocedrone
21,3k 4 7 9
Master EY
Master EY
 
Messaggi: 15302
Iscritto il: 18 gen 2012, 13:36

0
voti

[30] Re: Cancello battente a 2 ante con serratura elettromagnetic

Messaggioda Foto UtenteMegatitano » 30 nov 2025, 17:36

Rieccomi scusate l'assenza,
Si ho risolto seguendo le vostre indicazioni, Vi Ringrazio :-)
Mi scuso non mi sono accorto di aver violato in qualche modo il regolamento.
Ultima modifica di Foto Utenteclaudiocedrone il 30 nov 2025, 19:39, modificato 1 volta in totale.
Motivazione: Eliminata citazione integrale del post immediatamente precedente
Avatar utente
Foto UtenteMegatitano
0 3
 
Messaggi: 14
Iscritto il: 13 nov 2025, 12:10

PrecedenteProssimo

Torna a Automazione civile

Chi c’è in linea

Visitano il forum: Nessuno e 0 ospiti