Dubbio dispositivo di rincalzo
Moderatori:
sebago,
mario_maggi
19 messaggi
• Pagina 2 di 2 • 1, 2
0
voti
Inoltre ci possono essere problemi di funzionamento dovuti ad eventuale grande distanza tra PI e DDI relativo alla nuova sezione d'impianto?
0
voti
firefox ha scritto:Se non erro la protezione di interfaccia LOVATO ad esempio ha due uscite: una per un DDI e una per il DDR e per gestire un secondo DDI occorre un modulo aggiuntivo da acquistare.
Non conosco bene la PI LOVATO, ma la funzione è uguale per tutte.
perché dovresti avere un'uscita dedicata per il secondo DDI?
Alimenti le bobine dei due DDI in parallelo.
Quello che potrebbe darti delle rogne è il feedback dei DDI, verifica sul manuale di istruzioni come viene gestito dalla PI.
Per le distanze dipende da quanto sono grandi, ma verificata la CDT non ci sono problemi.
Valuta anche unico DDI.
0
voti
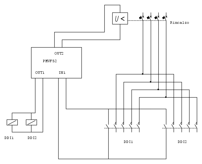
Schema di grande massima, solo concettuale (le alimentazioni delle bobine non sono propriamente indicate)
0
voti
Danielex ha scritto:Elga4 ha scritto:... Meglio un unico interruttore.... .. purché entrambi gli SPI possano comandarlo correttamente... .
E come la comanderesti "correttamente" una bobina di minima con due PI?....
...
Dovessi progettarlo io...
Sembra che mi sbagli.
Ultima modifica di
claudiocedrone il 4 dic 2025, 11:16, modificato 1 volta in totale.
Motivazione: Ridotta citazione all'indispensabile
Motivazione: Ridotta citazione all'indispensabile
0
voti
Come detto da Daniele, ho qualche dubbio anche io sulla gestione del feedback.
Nello schema di GioArca67 l' IN1 (contatto di feedback dei DDI) vede i due contatti NA messi in parallelo. La PI in questo caso garantisce la sicurezza in apertura, infatti se uno dei due DDI non apre, questo viene rilevato e si attiva il comando del rincalzo. In chiusura però, se uno dei DDI non si richiude non avrò nessuna segnalazione sulla PI. Vero che potrebbe essere un caso remoto e per questo comunque poco influente, specie ai fini della sicurezza. Però personalmente non mi piace al 100%
Non ho mai provato questa configurazione con il PMVF52, ma si potrebbe ovviare al problema inserendo un relè il cui contatto NA agisce sui contatti COM - IN1 (feedback) e la cui bobina viene alimentata dalla serie dei due contatti NA di feedback dei DDI, con sorgente di alimentazione presa dall'UPS o dalla stessa PI
Neanche questa soluzione in realtà mi piace al 100% però, perché vado ad aggiungere componentistica al SPI che non so se prevista dal costruttore, ai fini della conformità alla CEI 0-21
Nello schema di GioArca67 l' IN1 (contatto di feedback dei DDI) vede i due contatti NA messi in parallelo. La PI in questo caso garantisce la sicurezza in apertura, infatti se uno dei due DDI non apre, questo viene rilevato e si attiva il comando del rincalzo. In chiusura però, se uno dei DDI non si richiude non avrò nessuna segnalazione sulla PI. Vero che potrebbe essere un caso remoto e per questo comunque poco influente, specie ai fini della sicurezza. Però personalmente non mi piace al 100%
Non ho mai provato questa configurazione con il PMVF52, ma si potrebbe ovviare al problema inserendo un relè il cui contatto NA agisce sui contatti COM - IN1 (feedback) e la cui bobina viene alimentata dalla serie dei due contatti NA di feedback dei DDI, con sorgente di alimentazione presa dall'UPS o dalla stessa PI
Neanche questa soluzione in realtà mi piace al 100% però, perché vado ad aggiungere componentistica al SPI che non so se prevista dal costruttore, ai fini della conformità alla CEI 0-21
Ognuno sta solo sul cuor della terra
trafitto da un raggio di sole:
ed è subito sera
Salvatore Quasimodo
trafitto da un raggio di sole:
ed è subito sera
Salvatore Quasimodo
0
voti
Come la giri la giri hai sempre un problema.
I contatti ausiari dei DDI non possono essere in serie, altrimenti non potrai mai rilevare la mancata apertura di uno dei due, anche se interponi un relè.
Se uno dei due si guastasse e non si dovesse chiudere, è meno problematico per la sicurezza: quello che ritengo prioritario è garantire la disconnessione dell'impianto.
I contatti ausiari dei DDI non possono essere in serie, altrimenti non potrai mai rilevare la mancata apertura di uno dei due, anche se interponi un relè.
Se uno dei due si guastasse e non si dovesse chiudere, è meno problematico per la sicurezza: quello che ritengo prioritario è garantire la disconnessione dell'impianto.
19 messaggi
• Pagina 2 di 2 • 1, 2
Torna a Energia e qualità dell'energia
Chi c’è in linea
Visitano il forum: Nessuno e 7 ospiti

Elettrotecnica e non solo (admin)
Un gatto tra gli elettroni (IsidoroKZ)
Esperienza e simulazioni (g.schgor)
Moleskine di un idraulico (RenzoDF)
Il Blog di ElectroYou (webmaster)
Idee microcontrollate (TardoFreak)
PICcoli grandi PICMicro (Paolino)
Il blog elettrico di carloc (carloc)
DirtEYblooog (dirtydeeds)
Di tutto... un po' (jordan20)
AK47 (lillo)
Esperienze elettroniche (marco438)
Telecomunicazioni musicali (clavicordo)
Automazione ed Elettronica (gustavo)
Direttive per la sicurezza (ErnestoCappelletti)
EYnfo dall'Alaska (mir)
Apriamo il quadro! (attilio)
H7-25 (asdf)
Passione Elettrica (massimob)
Elettroni a spasso (guidob)
Bloguerra (guerra)








